Zapojeni 3f chranice na 1f
Souhrn tématu
Diskuze se věnuje zapojení třífázového chrániče do jednofázové instalace, včetně praktických zkušeností s testováním a laděním citlivosti chráničů. Uživatelé sdílejí tipy na levné testery a odporové předepnutí pro přesnější měření a spolehlivější ochranu. Zmiňují také problémy s některými testery a doporučují ověřené metody pro správnou funkci chráničů.
- ElektroEzs
- Příspěvky: 2903
- Registrován: stř zář 21, 2022 10:03 am
- Reputace:105
- Lokalita: okolí Teplic
- Systémové napětí: 48V
- Výkon panelů [Wp]: 8340
- Kapacita baterie [kWh]: 14,4
- Chci prodávat energii: NE
- Chci/Mám dotaci: NE
Zapojeni 3f chranice na 1f
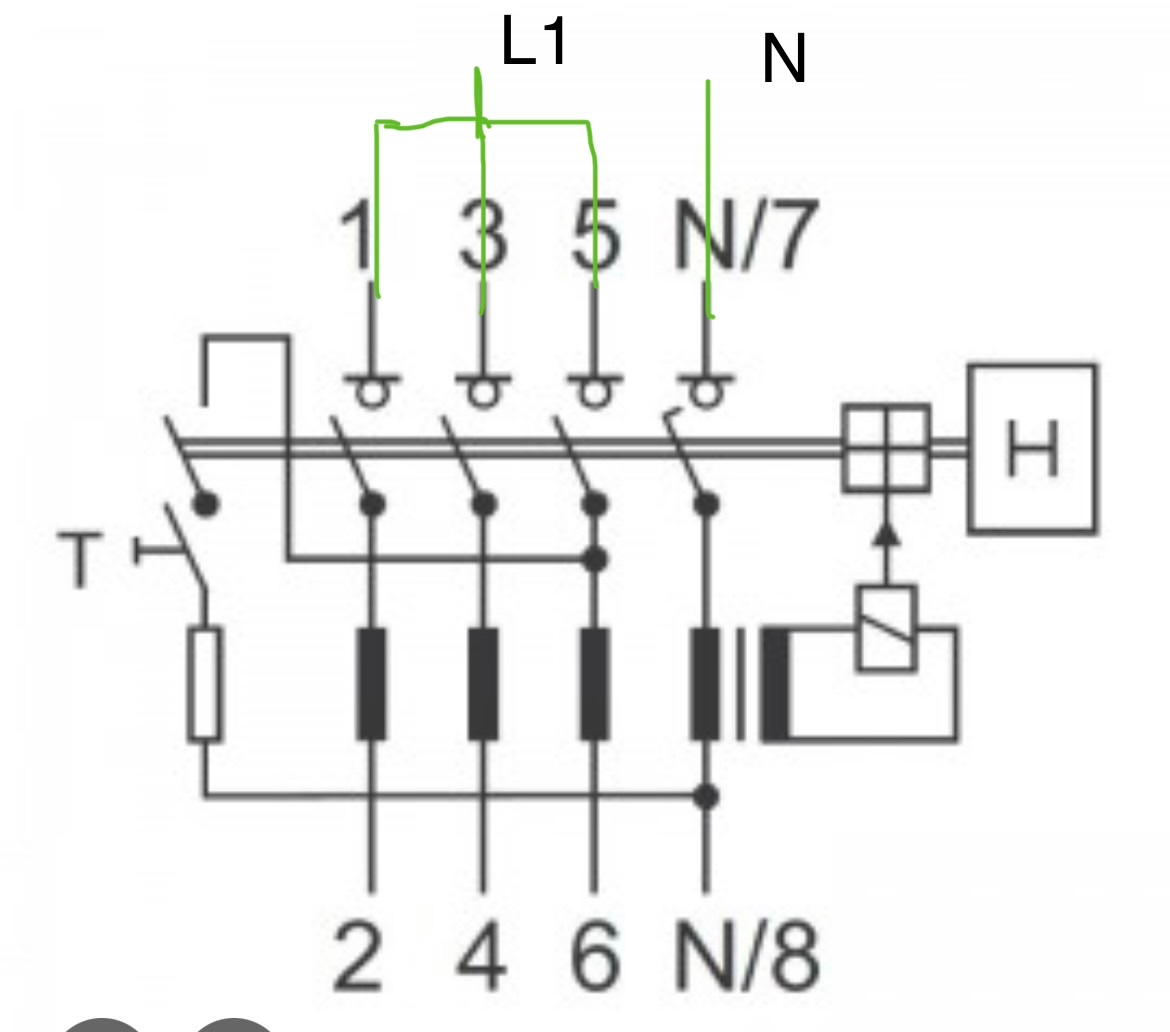
Ahoj jak je to se zapojenim chranice 3f pro 1f. Eaton ma tohle schema a ted me nejak doslo ze ja mam vlastne v pripade prepnuti na FVE misto L1,L2,L3 vsude L1.
1: JZ 5460 Wp Ja Solar, JV 960 Wp Leapton, SV 1920 Wp Leapton, MPPT 250/100, MPPT 150/35, MPPT 150/45, 2x parallel Multiplus 2 5000VA, Cerbo GX + touch LCD, 2x 16 x EVE 332Ah LiFePO4 + JK BMS 200A + SmartShunt 500A
2: JZ 3600 Wp Canadian Solar, V 1800 Wp Canadian Solar, MPPT 150/70, MPPT 150/35, Multiplus 2 5000VA, Cerbo GX + touch LCD, 16 x EVE 280Ah LiFePO4 + JK BMS 200A + BMV700
2: JZ 3600 Wp Canadian Solar, V 1800 Wp Canadian Solar, MPPT 150/70, MPPT 150/35, Multiplus 2 5000VA, Cerbo GX + touch LCD, 16 x EVE 280Ah LiFePO4 + JK BMS 200A + BMV700
- pave69
- Příspěvky: 198
- Registrován: ned čer 26, 2022 9:27 pm
- Reputace:25
- Lokalita: Brno
- Výkon panelů [Wp]: 9,9
- Kapacita baterie [kWh]: 18
Re: Zapojeni 3f chranice na 1f
To je jedno, chránič bude pořád vektorově sčítat, ať je posun fází jakýkoli. Ale testovací tlačítko musí být mezi fází a nulou, nesmí být "mezi dvěma fázemi", protože to teď nejsou 2 fáze
.
- ElektroEzs
- Příspěvky: 2903
- Registrován: stř zář 21, 2022 10:03 am
- Reputace:105
- Lokalita: okolí Teplic
- Systémové napětí: 48V
- Výkon panelů [Wp]: 8340
- Kapacita baterie [kWh]: 14,4
- Chci prodávat energii: NE
- Chci/Mám dotaci: NE
Re: Zapojeni 3f chranice na 1f
Takhle to pouzivam nakresleno rychle v mobilu
1: JZ 5460 Wp Ja Solar, JV 960 Wp Leapton, SV 1920 Wp Leapton, MPPT 250/100, MPPT 150/35, MPPT 150/45, 2x parallel Multiplus 2 5000VA, Cerbo GX + touch LCD, 2x 16 x EVE 332Ah LiFePO4 + JK BMS 200A + SmartShunt 500A
2: JZ 3600 Wp Canadian Solar, V 1800 Wp Canadian Solar, MPPT 150/70, MPPT 150/35, Multiplus 2 5000VA, Cerbo GX + touch LCD, 16 x EVE 280Ah LiFePO4 + JK BMS 200A + BMV700
2: JZ 3600 Wp Canadian Solar, V 1800 Wp Canadian Solar, MPPT 150/70, MPPT 150/35, Multiplus 2 5000VA, Cerbo GX + touch LCD, 16 x EVE 280Ah LiFePO4 + JK BMS 200A + BMV700
- ElektroEzs
- Příspěvky: 2903
- Registrován: stř zář 21, 2022 10:03 am
- Reputace:105
- Lokalita: okolí Teplic
- Systémové napětí: 48V
- Výkon panelů [Wp]: 8340
- Kapacita baterie [kWh]: 14,4
- Chci prodávat energii: NE
- Chci/Mám dotaci: NE
Re: Zapojeni 3f chranice na 1f
Dle vyjádření Eaton to takto nelze zapojit ale zajímá mě proč.
1: JZ 5460 Wp Ja Solar, JV 960 Wp Leapton, SV 1920 Wp Leapton, MPPT 250/100, MPPT 150/35, MPPT 150/45, 2x parallel Multiplus 2 5000VA, Cerbo GX + touch LCD, 2x 16 x EVE 332Ah LiFePO4 + JK BMS 200A + SmartShunt 500A
2: JZ 3600 Wp Canadian Solar, V 1800 Wp Canadian Solar, MPPT 150/70, MPPT 150/35, Multiplus 2 5000VA, Cerbo GX + touch LCD, 16 x EVE 280Ah LiFePO4 + JK BMS 200A + BMV700
2: JZ 3600 Wp Canadian Solar, V 1800 Wp Canadian Solar, MPPT 150/70, MPPT 150/35, Multiplus 2 5000VA, Cerbo GX + touch LCD, 16 x EVE 280Ah LiFePO4 + JK BMS 200A + BMV700
- glottis
- Příspěvky: 3755
- Registrován: stř úno 02, 2022 10:30 am
- Reputace:486
- Lokalita: okolí Mělníka
- Systémové napětí: 48V
- Výkon panelů [Wp]: 13000
- Kapacita baterie [kWh]: 30
Re: Zapojeni 3f chranice na 1f
Je mozne, ze pak ten leak se rozplizne pres vsechny tri civky a chranic to nedetekuje. Cekal bych, ze kdyz ten 30mA chranic pada od asi 15mA a ty tu fazi posles pres tri mereni, vybavil by az treba pri 45-90mA
- josse
- Příspěvky: 1348
- Registrován: úte úno 14, 2017 9:35 pm
- Reputace:160
Re: Zapojeni 3f chranice na 1f
Jediné jádro?glottis píše:Je mozne, ze pak ten leak se rozplizne pres vsechny tri civky a chranic to nedetekuje. Cekal bych, ze kdyz ten 30mA chranic pada od asi 15mA a ty tu fazi posles pres tri mereni, vybavil by az treba pri 45-90mA
3,6kWp GWL Poly + 8,82kWp Canadian Mono, 3x PIP4048MS, 5x80P14S = 5600Cells 18650 (~900Ah/47kWh)
Elektrárna: https://emoncms.trenet.org/dashboard/view?id=3
TČ: https://emoncms.trenet.org/dashboard/view?id=21
Elektrárna: https://emoncms.trenet.org/dashboard/view?id=3
TČ: https://emoncms.trenet.org/dashboard/view?id=21
- ElektroEzs
- Příspěvky: 2903
- Registrován: stř zář 21, 2022 10:03 am
- Reputace:105
- Lokalita: okolí Teplic
- Systémové napětí: 48V
- Výkon panelů [Wp]: 8340
- Kapacita baterie [kWh]: 14,4
- Chci prodávat energii: NE
- Chci/Mám dotaci: NE
Re: Zapojeni 3f chranice na 1f
Ja prave vubec netusim. Vy co mate vic menicu v paraelu pouzivate 2p chranice? Bral jsem to ze to co tece tam se vrati pres N v pripade propojeni jedne faze na L1, L2, L3.
Naposledy upravil(a) ElektroEzs dne pát led 30, 2026 4:33 pm, celkem upraveno 1 x.
1: JZ 5460 Wp Ja Solar, JV 960 Wp Leapton, SV 1920 Wp Leapton, MPPT 250/100, MPPT 150/35, MPPT 150/45, 2x parallel Multiplus 2 5000VA, Cerbo GX + touch LCD, 2x 16 x EVE 332Ah LiFePO4 + JK BMS 200A + SmartShunt 500A
2: JZ 3600 Wp Canadian Solar, V 1800 Wp Canadian Solar, MPPT 150/70, MPPT 150/35, Multiplus 2 5000VA, Cerbo GX + touch LCD, 16 x EVE 280Ah LiFePO4 + JK BMS 200A + BMV700
2: JZ 3600 Wp Canadian Solar, V 1800 Wp Canadian Solar, MPPT 150/70, MPPT 150/35, Multiplus 2 5000VA, Cerbo GX + touch LCD, 16 x EVE 280Ah LiFePO4 + JK BMS 200A + BMV700
- glottis
- Příspěvky: 3755
- Registrován: stř úno 02, 2022 10:30 am
- Reputace:486
- Lokalita: okolí Mělníka
- Systémové napětí: 48V
- Výkon panelů [Wp]: 13000
- Kapacita baterie [kWh]: 30
Re: Zapojeni 3f chranice na 1f
To mas pravdu. Tak treba je to ok. Ono tam tohle zapojeni neni namalovane a treba je nenapadlo, ze by to tak nekdo chtel delat 
A vi nekdo, jak ten 3f chranic vypadava? Staci soucet leaku nebo to musi prekrocit tu hranici na fazi? Jestli dela soucet, je sakra rozdil, jestli mam 1x3f chranic nebo 3x1f
A vi nekdo, jak ten 3f chranic vypadava? Staci soucet leaku nebo to musi prekrocit tu hranici na fazi? Jestli dela soucet, je sakra rozdil, jestli mam 1x3f chranic nebo 3x1f
- ElektroEzs
- Příspěvky: 2903
- Registrován: stř zář 21, 2022 10:03 am
- Reputace:105
- Lokalita: okolí Teplic
- Systémové napětí: 48V
- Výkon panelů [Wp]: 8340
- Kapacita baterie [kWh]: 14,4
- Chci prodávat energii: NE
- Chci/Mám dotaci: NE
Re: Zapojeni 3f chranice na 1f
Musi to podle me scitat. Nedava smysl aby to muselo prekrocit v urcite fazy.
1: JZ 5460 Wp Ja Solar, JV 960 Wp Leapton, SV 1920 Wp Leapton, MPPT 250/100, MPPT 150/35, MPPT 150/45, 2x parallel Multiplus 2 5000VA, Cerbo GX + touch LCD, 2x 16 x EVE 332Ah LiFePO4 + JK BMS 200A + SmartShunt 500A
2: JZ 3600 Wp Canadian Solar, V 1800 Wp Canadian Solar, MPPT 150/70, MPPT 150/35, Multiplus 2 5000VA, Cerbo GX + touch LCD, 16 x EVE 280Ah LiFePO4 + JK BMS 200A + BMV700
2: JZ 3600 Wp Canadian Solar, V 1800 Wp Canadian Solar, MPPT 150/70, MPPT 150/35, Multiplus 2 5000VA, Cerbo GX + touch LCD, 16 x EVE 280Ah LiFePO4 + JK BMS 200A + BMV700
- ElektroEzs
- Příspěvky: 2903
- Registrován: stř zář 21, 2022 10:03 am
- Reputace:105
- Lokalita: okolí Teplic
- Systémové napětí: 48V
- Výkon panelů [Wp]: 8340
- Kapacita baterie [kWh]: 14,4
- Chci prodávat energii: NE
- Chci/Mám dotaci: NE
Re: Zapojeni 3f chranice na 1f
Beru ze musi byt dimenzovany chranic na proud N.
1: JZ 5460 Wp Ja Solar, JV 960 Wp Leapton, SV 1920 Wp Leapton, MPPT 250/100, MPPT 150/35, MPPT 150/45, 2x parallel Multiplus 2 5000VA, Cerbo GX + touch LCD, 2x 16 x EVE 332Ah LiFePO4 + JK BMS 200A + SmartShunt 500A
2: JZ 3600 Wp Canadian Solar, V 1800 Wp Canadian Solar, MPPT 150/70, MPPT 150/35, Multiplus 2 5000VA, Cerbo GX + touch LCD, 16 x EVE 280Ah LiFePO4 + JK BMS 200A + BMV700
2: JZ 3600 Wp Canadian Solar, V 1800 Wp Canadian Solar, MPPT 150/70, MPPT 150/35, Multiplus 2 5000VA, Cerbo GX + touch LCD, 16 x EVE 280Ah LiFePO4 + JK BMS 200A + BMV700
- Kostěj
- Příspěvky: 882
- Registrován: úte úno 25, 2014 9:33 pm
- Reputace:116
- Lokalita: Dobrovicko
- Systémové napětí: ~60 V
- Výkon panelů [Wp]: 9200
- Kapacita baterie [kWh]: 34
- Chci prodávat energii: NE
- Chci/Mám dotaci: NE
Re: Zapojeni 3f chranice na 1f
Protože je každý kontakt dimenzovaný na 40A. Ale pokud je to zapojené 3x na jednu fázi, musel by být kontakt N dimenzovaný na 120A.ElektroEzs píše: pát led 30, 2026 4:04 pmDle vyjádření Eaton to takto nelze zapojit ale zajímá mě proč.
7.8kWp (12x650Wp jih 35°: 2p3s EpeverTracer6420AN, 3p2s AxpertKing), AxpertKing 5kW/150V. LiFePo 34kWh: 18x280Ah (2022)+18x315Ah (2026). 2xJBDBMS-UART->ESP32->grafana+vytěžování 60V/4.8kW do NADO750. 5x280Wp (2013)-> přímotop.
- ElektroEzs
- Příspěvky: 2903
- Registrován: stř zář 21, 2022 10:03 am
- Reputace:105
- Lokalita: okolí Teplic
- Systémové napětí: 48V
- Výkon panelů [Wp]: 8340
- Kapacita baterie [kWh]: 14,4
- Chci prodávat energii: NE
- Chci/Mám dotaci: NE
Re: Zapojeni 3f chranice na 1f
To je mi jasne ale mam to rozvrzene tak ze 40a neprekrocim. Me spis jde o to jestli to spravne meri hlavne:-)Myslis ze jediny duvod je proud N tedy?
1: JZ 5460 Wp Ja Solar, JV 960 Wp Leapton, SV 1920 Wp Leapton, MPPT 250/100, MPPT 150/35, MPPT 150/45, 2x parallel Multiplus 2 5000VA, Cerbo GX + touch LCD, 2x 16 x EVE 332Ah LiFePO4 + JK BMS 200A + SmartShunt 500A
2: JZ 3600 Wp Canadian Solar, V 1800 Wp Canadian Solar, MPPT 150/70, MPPT 150/35, Multiplus 2 5000VA, Cerbo GX + touch LCD, 16 x EVE 280Ah LiFePO4 + JK BMS 200A + BMV700
2: JZ 3600 Wp Canadian Solar, V 1800 Wp Canadian Solar, MPPT 150/70, MPPT 150/35, Multiplus 2 5000VA, Cerbo GX + touch LCD, 16 x EVE 280Ah LiFePO4 + JK BMS 200A + BMV700
- ElektroEzs
- Příspěvky: 2903
- Registrován: stř zář 21, 2022 10:03 am
- Reputace:105
- Lokalita: okolí Teplic
- Systémové napětí: 48V
- Výkon panelů [Wp]: 8340
- Kapacita baterie [kWh]: 14,4
- Chci prodávat energii: NE
- Chci/Mám dotaci: NE
Re: Zapojeni 3f chranice na 1f
Tam kde predpokladam vetsi odber mam 63A chranic prave kvuli N. Mezi rozvadecem FVE a domovnim mam cyky 5x16 taky kvuli N. Je tam 3xMP2 5000VA
1: JZ 5460 Wp Ja Solar, JV 960 Wp Leapton, SV 1920 Wp Leapton, MPPT 250/100, MPPT 150/35, MPPT 150/45, 2x parallel Multiplus 2 5000VA, Cerbo GX + touch LCD, 2x 16 x EVE 332Ah LiFePO4 + JK BMS 200A + SmartShunt 500A
2: JZ 3600 Wp Canadian Solar, V 1800 Wp Canadian Solar, MPPT 150/70, MPPT 150/35, Multiplus 2 5000VA, Cerbo GX + touch LCD, 16 x EVE 280Ah LiFePO4 + JK BMS 200A + BMV700
2: JZ 3600 Wp Canadian Solar, V 1800 Wp Canadian Solar, MPPT 150/70, MPPT 150/35, Multiplus 2 5000VA, Cerbo GX + touch LCD, 16 x EVE 280Ah LiFePO4 + JK BMS 200A + BMV700
- Kostěj
- Příspěvky: 882
- Registrován: úte úno 25, 2014 9:33 pm
- Reputace:116
- Lokalita: Dobrovicko
- Systémové napětí: ~60 V
- Výkon panelů [Wp]: 9200
- Kapacita baterie [kWh]: 34
- Chci prodávat energii: NE
- Chci/Mám dotaci: NE
Re: Zapojeni 3f chranice na 1f
Pro výrobce je to jednodušší, řekne takto nelze. Já si myslím, že to bude OK. Na druhou stranu: Když bude součtové trafo zatížené rovnoměrně třífázovým proudem a nulovým proudem v nuláku, může být chování jádra trafa trochu odlišné, než pokud poteče nulákem 40A. Tam může hrát roli i umístění jednotlivých vinutí, vždyť to trafo musí detekovat nesymetrický proud v hodnotě půl promile jmenovitého proudu. Držím palce, dej vědět.ElektroEzs píše: pát led 30, 2026 6:14 pmTo je mi jasne ale mam to rozvrzene tak ze 40a neprekrocim. Me spis jde o to jestli to spravne meri hlavne:-)Myslis ze jediny duvod je proud N tedy?
7.8kWp (12x650Wp jih 35°: 2p3s EpeverTracer6420AN, 3p2s AxpertKing), AxpertKing 5kW/150V. LiFePo 34kWh: 18x280Ah (2022)+18x315Ah (2026). 2xJBDBMS-UART->ESP32->grafana+vytěžování 60V/4.8kW do NADO750. 5x280Wp (2013)-> přímotop.
- ElektroEzs
- Příspěvky: 2903
- Registrován: stř zář 21, 2022 10:03 am
- Reputace:105
- Lokalita: okolí Teplic
- Systémové napětí: 48V
- Výkon panelů [Wp]: 8340
- Kapacita baterie [kWh]: 14,4
- Chci prodávat energii: NE
- Chci/Mám dotaci: NE
Re: Zapojeni 3f chranice na 1f
Nevim jak to overit no. Zkusim poptat jineho vyrobe asi. Ale vzhledem k tomu ze jde zapojit 1f tak by nemel byt problem v proudu N.
1: JZ 5460 Wp Ja Solar, JV 960 Wp Leapton, SV 1920 Wp Leapton, MPPT 250/100, MPPT 150/35, MPPT 150/45, 2x parallel Multiplus 2 5000VA, Cerbo GX + touch LCD, 2x 16 x EVE 332Ah LiFePO4 + JK BMS 200A + SmartShunt 500A
2: JZ 3600 Wp Canadian Solar, V 1800 Wp Canadian Solar, MPPT 150/70, MPPT 150/35, Multiplus 2 5000VA, Cerbo GX + touch LCD, 16 x EVE 280Ah LiFePO4 + JK BMS 200A + BMV700
2: JZ 3600 Wp Canadian Solar, V 1800 Wp Canadian Solar, MPPT 150/70, MPPT 150/35, Multiplus 2 5000VA, Cerbo GX + touch LCD, 16 x EVE 280Ah LiFePO4 + JK BMS 200A + BMV700
- Mex
- Příspěvky: 1915
- Registrován: pát zář 29, 2023 4:12 am
- Reputace:354
- Lokalita: Brno
- Systémové napětí: >48V
Re: Zapojeni 3f chranice na 1f
Samozřejmě, že to musí jít.
Přece nikdy nelze zaručit, že i u 3f instalace nebude zátěž jen v jedné fázi.
Jde jen o proudovou únosnost každého z kontaktů.
Ono by se asi dalo to zapojení udělat tak, že by se přes 2 kontakty pustila fáze a přes druhé dva N.
Tomu součtovému trafu to musí být fuk.
Přece nikdy nelze zaručit, že i u 3f instalace nebude zátěž jen v jedné fázi.
Jde jen o proudovou únosnost každého z kontaktů.
Ono by se asi dalo to zapojení udělat tak, že by se přes 2 kontakty pustila fáze a přes druhé dva N.
Tomu součtovému trafu to musí být fuk.
- ElektroEzs
- Příspěvky: 2903
- Registrován: stř zář 21, 2022 10:03 am
- Reputace:105
- Lokalita: okolí Teplic
- Systémové napětí: 48V
- Výkon panelů [Wp]: 8340
- Kapacita baterie [kWh]: 14,4
- Chci prodávat energii: NE
- Chci/Mám dotaci: NE
Re: Zapojeni 3f chranice na 1f
Ja prave jak pouzivam DS 3F a FVE 1F, tak v pripade kdy je tam DS ma chranic 3faze a v pripade FVE jednu proklemovanou pres stykacomat. Taky si myslim ze tomu trafu to musi byt jedno.
1: JZ 5460 Wp Ja Solar, JV 960 Wp Leapton, SV 1920 Wp Leapton, MPPT 250/100, MPPT 150/35, MPPT 150/45, 2x parallel Multiplus 2 5000VA, Cerbo GX + touch LCD, 2x 16 x EVE 332Ah LiFePO4 + JK BMS 200A + SmartShunt 500A
2: JZ 3600 Wp Canadian Solar, V 1800 Wp Canadian Solar, MPPT 150/70, MPPT 150/35, Multiplus 2 5000VA, Cerbo GX + touch LCD, 16 x EVE 280Ah LiFePO4 + JK BMS 200A + BMV700
2: JZ 3600 Wp Canadian Solar, V 1800 Wp Canadian Solar, MPPT 150/70, MPPT 150/35, Multiplus 2 5000VA, Cerbo GX + touch LCD, 16 x EVE 280Ah LiFePO4 + JK BMS 200A + BMV700
- cipis
- Moderátor
- Příspěvky: 6880
- Registrován: pon srp 16, 2021 9:31 pm
- Reputace:960
- Lokalita: blízko Brna
- Systémové napětí: 24V
- Výkon panelů [Wp]: 13+ kWp
- Kapacita baterie [kWh]: 40+26
- Chci prodávat energii: NE
- Chci/Mám dotaci: NE
- Bydliště: blízko Brna
Re: Zapojeni 3f chranice na 1f
Proc ale pak nefunguje testovaci tlacitko?
16+ kWp: 9850 Wp Jih, 2040 Wp Východ, 1490 Wp Západ, 2700 Wp mikroinvertory
Regulátory Epever a Victron
MP 24/5000 + Deye mikroinvertory 1+2,2 kW (můj byt + máti byt)
MP 24/1200 inet, sit, kamery atd.
Phoenix 24/5000 vytěžování do akumulačních kamen
Epever 3kW vytěžování do bojlerů + žebříky
1 kW "nabíječka" 24 V
40+ kWh staré olovo 26+ kWh Li-Ion
několik dalších MP jako záložní zdroje na různých místech
Modře píši jako moderátor, černě jako člen.
Regulátory Epever a Victron
MP 24/5000 + Deye mikroinvertory 1+2,2 kW (můj byt + máti byt)
MP 24/1200 inet, sit, kamery atd.
Phoenix 24/5000 vytěžování do akumulačních kamen
Epever 3kW vytěžování do bojlerů + žebříky
1 kW "nabíječka" 24 V
40+ kWh staré olovo 26+ kWh Li-Ion
několik dalších MP jako záložní zdroje na různých místech
Modře píši jako moderátor, černě jako člen.
- ElektroEzs
- Příspěvky: 2903
- Registrován: stř zář 21, 2022 10:03 am
- Reputace:105
- Lokalita: okolí Teplic
- Systémové napětí: 48V
- Výkon panelů [Wp]: 8340
- Kapacita baterie [kWh]: 14,4
- Chci prodávat energii: NE
- Chci/Mám dotaci: NE
Re: Zapojeni 3f chranice na 1f
Me tlacitko funguje i pri propojeni fazi
1: JZ 5460 Wp Ja Solar, JV 960 Wp Leapton, SV 1920 Wp Leapton, MPPT 250/100, MPPT 150/35, MPPT 150/45, 2x parallel Multiplus 2 5000VA, Cerbo GX + touch LCD, 2x 16 x EVE 332Ah LiFePO4 + JK BMS 200A + SmartShunt 500A
2: JZ 3600 Wp Canadian Solar, V 1800 Wp Canadian Solar, MPPT 150/70, MPPT 150/35, Multiplus 2 5000VA, Cerbo GX + touch LCD, 16 x EVE 280Ah LiFePO4 + JK BMS 200A + BMV700
2: JZ 3600 Wp Canadian Solar, V 1800 Wp Canadian Solar, MPPT 150/70, MPPT 150/35, Multiplus 2 5000VA, Cerbo GX + touch LCD, 16 x EVE 280Ah LiFePO4 + JK BMS 200A + BMV700
- cipis
- Moderátor
- Příspěvky: 6880
- Registrován: pon srp 16, 2021 9:31 pm
- Reputace:960
- Lokalita: blízko Brna
- Systémové napětí: 24V
- Výkon panelů [Wp]: 13+ kWp
- Kapacita baterie [kWh]: 40+26
- Chci prodávat energii: NE
- Chci/Mám dotaci: NE
- Bydliště: blízko Brna
Re: Zapojeni 3f chranice na 1f
Mno, tak jsme asi na stopě, protože když ten můj chránič má 3f ze sítě, tak tlačítko funguje, jakmile má na vstupu 3x 1f, tak nefunguje.
16+ kWp: 9850 Wp Jih, 2040 Wp Východ, 1490 Wp Západ, 2700 Wp mikroinvertory
Regulátory Epever a Victron
MP 24/5000 + Deye mikroinvertory 1+2,2 kW (můj byt + máti byt)
MP 24/1200 inet, sit, kamery atd.
Phoenix 24/5000 vytěžování do akumulačních kamen
Epever 3kW vytěžování do bojlerů + žebříky
1 kW "nabíječka" 24 V
40+ kWh staré olovo 26+ kWh Li-Ion
několik dalších MP jako záložní zdroje na různých místech
Modře píši jako moderátor, černě jako člen.
Regulátory Epever a Victron
MP 24/5000 + Deye mikroinvertory 1+2,2 kW (můj byt + máti byt)
MP 24/1200 inet, sit, kamery atd.
Phoenix 24/5000 vytěžování do akumulačních kamen
Epever 3kW vytěžování do bojlerů + žebříky
1 kW "nabíječka" 24 V
40+ kWh staré olovo 26+ kWh Li-Ion
několik dalších MP jako záložní zdroje na různých místech
Modře píši jako moderátor, černě jako člen.
Kdo je online
Uživatelé procházející toto fórum: Claudebot [Bot]

