Tepelne cerpadlo WLTR(Woltair)
-
soami
- Příspěvky: 1028
- Registrován: pon lis 08, 2021 9:10 pm
- Reputace: 102
- Lokalita: Posázaví
- Systémové napětí: 48V
- Chci prodávat energii: NE
- Chci/Mám dotaci: NE
- Bydliště: Posázaví
Re: Tepelne cerpadlo WLTR(Woltair)
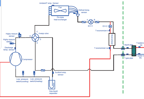
EEV EVI je druhý EEV, který pouští chladivo z vratky kapaliny do ekonomizeru - a následně jde do mezivstřiku kompresoru.
- TomHC
- Příspěvky: 3335
- Registrován: pát lis 11, 2022 8:14 am
- Reputace: 674
- Lokalita: Hlohovec, SR
- Systémové napětí: 48V
- Výkon panelů [Wp]: 8820
- Kapacita baterie [kWh]: 30
- Chci prodávat energii: NE
- Chci/Mám dotaci: NE
- Bydliště: Hlohovec, SR
Re: Tepelne cerpadlo WLTR(Woltair)
Neviem čo to je, ale uráža ma to 
2x MUST PH1800 5.5kW, 9kWp V+J+Z, 600 Ah LiFePO4 s BMS JBD 200A, SW: Home Assistant na Synology DS923+ ku tomu ESPHome, Tasmota, MariaDB, InfluxDB, Telegraf, Grafana, Zigbee2MQTT..., HW: ESPlan (ESP32 + LAN 8720 + RS485). Nejaké moje projekty: MUST-ESPhome, ELTEK Flatpack2 ESPhome, ESP32-EMON, PZEM-017@WiFi, diyBMS-CurrentShunt-ESPhome , BMS UART-TS485 adaptér
-
soami
- Příspěvky: 1028
- Registrován: pon lis 08, 2021 9:10 pm
- Reputace: 102
- Lokalita: Posázaví
- Systémové napětí: 48V
- Chci prodávat energii: NE
- Chci/Mám dotaci: NE
- Bydliště: Posázaví
Re: Tepelne cerpadlo WLTR(Woltair)
EEV1 je hlavní a pouští chladivo do venkovního výparníku. EEV2/EVI je před ním a pouští chladivo do výměníku/ekonomizeru, kde se nastřikuje na nižší tlak a zároveň se ohřívá vratkou kapaliny z kondenzátoru - taková "obdoba EGR". Tím se předává přebytečné teplo z kapalného chladiva, a chladivo z ekonomizeru ochlazuje a sytí chladivo na výtlaku kompresoru. Výsledkem je nižší tlak a teplota na výtlaku, tzn. o něco lepší efektivita, obzvláště v mrazech. Kompresor netlačí zbytečně do protitlaku, a jsou sytější páry - chladiva jde více. Nevýhodou může být špatná regulace - není to perpetuum mobile - pokud nejde chladivo přes výparník, žadné teplo ze vzduchu nepobere. Mám k tomu neutrální přístup. Předchozí TČ EVI mělo R410 a tam byl efekt na COP mnohem výraznější, než u R32. Ale nevím, do jaké míry je to chladivem a do jaké míry regulací.
- TomHC
- Příspěvky: 3335
- Registrován: pát lis 11, 2022 8:14 am
- Reputace: 674
- Lokalita: Hlohovec, SR
- Systémové napětí: 48V
- Výkon panelů [Wp]: 8820
- Kapacita baterie [kWh]: 30
- Chci prodávat energii: NE
- Chci/Mám dotaci: NE
- Bydliště: Hlohovec, SR
Re: Tepelne cerpadlo WLTR(Woltair)
Ten EEV senzor som zadefinoval ako "wind_direction", preto to hlásilo blbosti (0 - 360°).Zmenil som to, uvidíme čo tam bude ráno.
2x MUST PH1800 5.5kW, 9kWp V+J+Z, 600 Ah LiFePO4 s BMS JBD 200A, SW: Home Assistant na Synology DS923+ ku tomu ESPHome, Tasmota, MariaDB, InfluxDB, Telegraf, Grafana, Zigbee2MQTT..., HW: ESPlan (ESP32 + LAN 8720 + RS485). Nejaké moje projekty: MUST-ESPhome, ELTEK Flatpack2 ESPhome, ESP32-EMON, PZEM-017@WiFi, diyBMS-CurrentShunt-ESPhome , BMS UART-TS485 adaptér
-
soami
- Příspěvky: 1028
- Registrován: pon lis 08, 2021 9:10 pm
- Reputace: 102
- Lokalita: Posázaví
- Systémové napětí: 48V
- Chci prodávat energii: NE
- Chci/Mám dotaci: NE
- Bydliště: Posázaví
Re: Tepelne cerpadlo WLTR(Woltair)
V manuálu by mělo být, kolik kroků má EEV. Nějaký standard bývá 480.
- TomHC
- Příspěvky: 3335
- Registrován: pát lis 11, 2022 8:14 am
- Reputace: 674
- Lokalita: Hlohovec, SR
- Systémové napětí: 48V
- Výkon panelů [Wp]: 8820
- Kapacita baterie [kWh]: 30
- Chci prodávat energii: NE
- Chci/Mám dotaci: NE
- Bydliště: Hlohovec, SR
Re: Tepelne cerpadlo WLTR(Woltair)
Je tam rozsah 0-520...
2x MUST PH1800 5.5kW, 9kWp V+J+Z, 600 Ah LiFePO4 s BMS JBD 200A, SW: Home Assistant na Synology DS923+ ku tomu ESPHome, Tasmota, MariaDB, InfluxDB, Telegraf, Grafana, Zigbee2MQTT..., HW: ESPlan (ESP32 + LAN 8720 + RS485). Nejaké moje projekty: MUST-ESPhome, ELTEK Flatpack2 ESPhome, ESP32-EMON, PZEM-017@WiFi, diyBMS-CurrentShunt-ESPhome , BMS UART-TS485 adaptér
-
soami
- Příspěvky: 1028
- Registrován: pon lis 08, 2021 9:10 pm
- Reputace: 102
- Lokalita: Posázaví
- Systémové napětí: 48V
- Chci prodávat energii: NE
- Chci/Mám dotaci: NE
- Bydliště: Posázaví
Re: Tepelne cerpadlo WLTR(Woltair)
Ten EEV2/EVI není extra důležitý. Přes ekonomizer jde cca 5-20% chladiva, při malých otáčkách kompresoru a vyšších venkovních teplotách téměř nic až vůbec nic. Je to spíš doplňující info k případné kontrole regulace. Důležitější je ten EEV1 a k němu teplota výparníku (nástřiková) a teplota sání (před kompresorem) - pokud jsou k dispozici. Opět pro případnou analýzu regulace v případě nějakého špatného fungování.
-
Franta2776
- Příspěvky: 5092
- Registrován: pon úno 01, 2021 4:00 pm
- Reputace: 476
Re: Tepelne cerpadlo WLTR(Woltair)
Chce to ostrý provoz, včetně ohřevu Tuv. Při ohřevu TUV se změní podmínky nastavení. Pokud to nebude umět prestavit polohu eev, neumí to ekonomicky pracovat a PID regulace bude další v řadě, ale za ty prachy dobrý.
32540Wp, 90ks vakuové trubice jihozápad, (Lifepo4 17S 520Ah, trakční gel 800Ah), Axpert Max 7200VA, Easun Isolar 5500VA,Multiplus 2 48/5000,MPPT 150/85, 150/100
Pojízdná FV 200Wp=2x100Wp flexibilní+4x280Ah lifepo4+měnič 1500W
Pojízdná FV 200Wp=2x100Wp flexibilní+4x280Ah lifepo4+měnič 1500W
-
soami
- Příspěvky: 1028
- Registrován: pon lis 08, 2021 9:10 pm
- Reputace: 102
- Lokalita: Posázaví
- Systémové napětí: 48V
- Chci prodávat energii: NE
- Chci/Mám dotaci: NE
- Bydliště: Posázaví
Re: Tepelne cerpadlo WLTR(Woltair)
Jj. Hlavně se musí trochu ochladit k - aspoň ke 3st.
-
Franta2776
- Příspěvky: 5092
- Registrován: pon úno 01, 2021 4:00 pm
- Reputace: 476
Re: Tepelne cerpadlo WLTR(Woltair)
To bude atmosferické lepidlo a uvidí se. Námraza je mrcha a ani výmeníky z drahých kovů to nezachrání.
32540Wp, 90ks vakuové trubice jihozápad, (Lifepo4 17S 520Ah, trakční gel 800Ah), Axpert Max 7200VA, Easun Isolar 5500VA,Multiplus 2 48/5000,MPPT 150/85, 150/100
Pojízdná FV 200Wp=2x100Wp flexibilní+4x280Ah lifepo4+měnič 1500W
Pojízdná FV 200Wp=2x100Wp flexibilní+4x280Ah lifepo4+měnič 1500W
- TomHC
- Příspěvky: 3335
- Registrován: pát lis 11, 2022 8:14 am
- Reputace: 674
- Lokalita: Hlohovec, SR
- Systémové napětí: 48V
- Výkon panelů [Wp]: 8820
- Kapacita baterie [kWh]: 30
- Chci prodávat energii: NE
- Chci/Mám dotaci: NE
- Bydliště: Hlohovec, SR
Re: Tepelne cerpadlo WLTR(Woltair)
Tieto teploty reportuje - jedno idle, druhé pri kúrení. Nie nie som pošahaný, mám nadčas z práce, HANA upgrade a nejaké migrácie 
- Přílohy
-
- woltair-toploty-2.PNG (33.91 KiB) Zobrazeno 742 x
-
- woltair-toploty.PNG (33.78 KiB) Zobrazeno 744 x
2x MUST PH1800 5.5kW, 9kWp V+J+Z, 600 Ah LiFePO4 s BMS JBD 200A, SW: Home Assistant na Synology DS923+ ku tomu ESPHome, Tasmota, MariaDB, InfluxDB, Telegraf, Grafana, Zigbee2MQTT..., HW: ESPlan (ESP32 + LAN 8720 + RS485). Nejaké moje projekty: MUST-ESPhome, ELTEK Flatpack2 ESPhome, ESP32-EMON, PZEM-017@WiFi, diyBMS-CurrentShunt-ESPhome , BMS UART-TS485 adaptér
- TomHC
- Příspěvky: 3335
- Registrován: pát lis 11, 2022 8:14 am
- Reputace: 674
- Lokalita: Hlohovec, SR
- Systémové napětí: 48V
- Výkon panelů [Wp]: 8820
- Kapacita baterie [kWh]: 30
- Chci prodávat energii: NE
- Chci/Mám dotaci: NE
- Bydliště: Hlohovec, SR
Re: Tepelne cerpadlo WLTR(Woltair)
Obehové čerpadlo nemá zapojené PWM a žerie aj trávu okolo cesty. PWM konektor je tam, bude to GND, PWM_IN, PWM_OUT. Keď bude krajšie počasie, budem sa s tým hrať. A hlavne čakám na výrobcu čerpadla, aby poslal pinout a špecifikáciu.
2x MUST PH1800 5.5kW, 9kWp V+J+Z, 600 Ah LiFePO4 s BMS JBD 200A, SW: Home Assistant na Synology DS923+ ku tomu ESPHome, Tasmota, MariaDB, InfluxDB, Telegraf, Grafana, Zigbee2MQTT..., HW: ESPlan (ESP32 + LAN 8720 + RS485). Nejaké moje projekty: MUST-ESPhome, ELTEK Flatpack2 ESPhome, ESP32-EMON, PZEM-017@WiFi, diyBMS-CurrentShunt-ESPhome , BMS UART-TS485 adaptér
- TomHC
- Příspěvky: 3335
- Registrován: pát lis 11, 2022 8:14 am
- Reputace: 674
- Lokalita: Hlohovec, SR
- Systémové napětí: 48V
- Výkon panelů [Wp]: 8820
- Kapacita baterie [kWh]: 30
- Chci prodávat energii: NE
- Chci/Mám dotaci: NE
- Bydliště: Hlohovec, SR
Re: Tepelne cerpadlo WLTR(Woltair)
Denná spotreba cca 6 kWh pri vonkajšej teplote okolo 10°C a interiérovej 23.5 - 24°C. Na zadnú stranu som dal mriežku z gabiónovej siete 
2x MUST PH1800 5.5kW, 9kWp V+J+Z, 600 Ah LiFePO4 s BMS JBD 200A, SW: Home Assistant na Synology DS923+ ku tomu ESPHome, Tasmota, MariaDB, InfluxDB, Telegraf, Grafana, Zigbee2MQTT..., HW: ESPlan (ESP32 + LAN 8720 + RS485). Nejaké moje projekty: MUST-ESPhome, ELTEK Flatpack2 ESPhome, ESP32-EMON, PZEM-017@WiFi, diyBMS-CurrentShunt-ESPhome , BMS UART-TS485 adaptér
-
soami
- Příspěvky: 1028
- Registrován: pon lis 08, 2021 9:10 pm
- Reputace: 102
- Lokalita: Posázaví
- Systémové napětí: 48V
- Chci prodávat energii: NE
- Chci/Mám dotaci: NE
- Bydliště: Posázaví
Re: Tepelne cerpadlo WLTR(Woltair)
Ta mřížka vypadá jako od výrobce
To se divím, že tam nebyla žádná ochrana. Jaký průtokoměr použiješ?
-
Franta2776
- Příspěvky: 5092
- Registrován: pon úno 01, 2021 4:00 pm
- Reputace: 476
Re: Tepelne cerpadlo WLTR(Woltair)
Tome jakou máš cca tepelnou ztráru domu??
32540Wp, 90ks vakuové trubice jihozápad, (Lifepo4 17S 520Ah, trakční gel 800Ah), Axpert Max 7200VA, Easun Isolar 5500VA,Multiplus 2 48/5000,MPPT 150/85, 150/100
Pojízdná FV 200Wp=2x100Wp flexibilní+4x280Ah lifepo4+měnič 1500W
Pojízdná FV 200Wp=2x100Wp flexibilní+4x280Ah lifepo4+měnič 1500W
- TomHC
- Příspěvky: 3335
- Registrován: pát lis 11, 2022 8:14 am
- Reputace: 674
- Lokalita: Hlohovec, SR
- Systémové napětí: 48V
- Výkon panelů [Wp]: 8820
- Kapacita baterie [kWh]: 30
- Chci prodávat energii: NE
- Chci/Mám dotaci: NE
- Bydliště: Hlohovec, SR
Re: Tepelne cerpadlo WLTR(Woltair)
Soami: YF-DN32-T
Franta: neviem presne, ale keď som mal na začiatku elektrokotol, tak pri -15°C išiel na 4-5 kW
Franta: neviem presne, ale keď som mal na začiatku elektrokotol, tak pri -15°C išiel na 4-5 kW
- Přílohy
-
- IMG-20251012-WA0009.jpg (11.06 KiB) Zobrazeno 427 x
2x MUST PH1800 5.5kW, 9kWp V+J+Z, 600 Ah LiFePO4 s BMS JBD 200A, SW: Home Assistant na Synology DS923+ ku tomu ESPHome, Tasmota, MariaDB, InfluxDB, Telegraf, Grafana, Zigbee2MQTT..., HW: ESPlan (ESP32 + LAN 8720 + RS485). Nejaké moje projekty: MUST-ESPhome, ELTEK Flatpack2 ESPhome, ESP32-EMON, PZEM-017@WiFi, diyBMS-CurrentShunt-ESPhome , BMS UART-TS485 adaptér
-
Franta2776
- Příspěvky: 5092
- Registrován: pon úno 01, 2021 4:00 pm
- Reputace: 476
Re: Tepelne cerpadlo WLTR(Woltair)
Já mám něco přes 4kW ztrátu a okolo nuly mám s Grundigem spotřebu 10-15kWh za den i s ohřevem TUV. Jen pro srovnání, ony ty levný bedny by na tom měli být podobně.
32540Wp, 90ks vakuové trubice jihozápad, (Lifepo4 17S 520Ah, trakční gel 800Ah), Axpert Max 7200VA, Easun Isolar 5500VA,Multiplus 2 48/5000,MPPT 150/85, 150/100
Pojízdná FV 200Wp=2x100Wp flexibilní+4x280Ah lifepo4+měnič 1500W
Pojízdná FV 200Wp=2x100Wp flexibilní+4x280Ah lifepo4+měnič 1500W
-
ElektroEzs
- Příspěvky: 2514
- Registrován: stř zář 21, 2022 10:03 am
- Reputace: 83
- Lokalita: okolí Teplic
- Systémové napětí: 48V
- Výkon panelů [Wp]: 8340
- Kapacita baterie [kWh]: 14,4
- Chci prodávat energii: NE
- Chci/Mám dotaci: NE
Re: Tepelne cerpadlo WLTR(Woltair)
Uz nekdo prodava verzi 17kw s unikem chladiva https://dum.bazos.cz/inzerat/209758132/ ... i-dily.php
1: JZ 5460 Wp Ja Solar, JV 960 Wp Leapton, SV 1920 Wp Leapton, MPPT 250/100, MPPT 150/35, MPPT 150/45, 2x parallel Multiplus 2 5000VA, Cerbo GX + touch LCD, 16 x EVE 280Ah LiFePO4 + JK BMS 200A + SmartShunt 500A
2: JZ 3600 Wp Canadian Solar, V 1800 Wp Canadian Solar, MPPT 150/70, MPPT 150/35, Multiplus 2 5000VA, Cerbo GX + touch LCD, 16 x EVE 280Ah LiFePO4 + JK BMS 200A + BMV700
2: JZ 3600 Wp Canadian Solar, V 1800 Wp Canadian Solar, MPPT 150/70, MPPT 150/35, Multiplus 2 5000VA, Cerbo GX + touch LCD, 16 x EVE 280Ah LiFePO4 + JK BMS 200A + BMV700
-
soami
- Příspěvky: 1028
- Registrován: pon lis 08, 2021 9:10 pm
- Reputace: 102
- Lokalita: Posázaví
- Systémové napětí: 48V
- Chci prodávat energii: NE
- Chci/Mám dotaci: NE
- Bydliště: Posázaví
Re: Tepelne cerpadlo WLTR(Woltair)
Jak se tyhle průtokoměry načítají, když to generuje přes 200 imp/sek?
- TomHC
- Příspěvky: 3335
- Registrován: pát lis 11, 2022 8:14 am
- Reputace: 674
- Lokalita: Hlohovec, SR
- Systémové napětí: 48V
- Výkon panelů [Wp]: 8820
- Kapacita baterie [kWh]: 30
- Chci prodávat energii: NE
- Chci/Mám dotaci: NE
- Bydliště: Hlohovec, SR
Re: Tepelne cerpadlo WLTR(Woltair)
Uvidím, HW interrupty na ESP32 by to mali dať v pohode. Ak nie, dám tam nejakú logickú deličku /16 (CMOS CD4204B) 
Edit: esp32 PCNT zvláda max 40 MHz
Edit: esp32 PCNT zvláda max 40 MHz
2x MUST PH1800 5.5kW, 9kWp V+J+Z, 600 Ah LiFePO4 s BMS JBD 200A, SW: Home Assistant na Synology DS923+ ku tomu ESPHome, Tasmota, MariaDB, InfluxDB, Telegraf, Grafana, Zigbee2MQTT..., HW: ESPlan (ESP32 + LAN 8720 + RS485). Nejaké moje projekty: MUST-ESPhome, ELTEK Flatpack2 ESPhome, ESP32-EMON, PZEM-017@WiFi, diyBMS-CurrentShunt-ESPhome , BMS UART-TS485 adaptér
Kdo je online
Uživatelé prohlížející si toto fórum: Claudebot [Bot] a 0 hostů