ESP8266 D1 MINI vyčítání dat z kalolimetru
Souhrn tématu
Diskuze se zaměřuje na tvorbu a úpravu firmware pro ESP8266 D1 MINI pro vyčítání dat z kalolimetru, původně určeného pro ESP32. Uživatelé sdílejí zkušenosti s konfigurací ESPhome a Home Assistant, včetně příkladů výpočtů a šablon pro senzory, které usnadňují integraci a zpracování dat. Součástí jsou i rady ohledně napájení a praktické ukázky kódu v jazyce C pro pokročilé výpočty přímo v modulu.
- ElektroEzs
- Příspěvky: 2948
- Registrován: stř zář 21, 2022 10:03 am
- Reputace:110
- Lokalita: okolí Teplic
- Systémové napětí: 48V
- Výkon panelů [Wp]: 8340
- Kapacita baterie [kWh]: 14,4
- Chci prodávat energii: NE
- Chci/Mám dotaci: NE
ESP8266 D1 MINI vyčítání dat z kalolimetru
Poradi nekdo jak vytvorit FW pro ESP8266 D1 MINI a jak nahrat? Puvodne je to delane pro ESP32 tak nevim co vse se musi upravit. Jde o vycitani dat z kalolimetru https://github.com/STB3/esphome-sensost ... me-ov-file. Diky moc
1: JZ 5460 Wp Ja Solar, JV 960 Wp Leapton, SV 1920 Wp Leapton, MPPT 250/100, MPPT 150/35, MPPT 150/45, 2x parallel Multiplus 2 5000VA, Cerbo GX + touch LCD, 2x 16 x EVE 332Ah LiFePO4 + JK BMS 200A + SmartShunt 500A
2: JZ 3600 Wp Canadian Solar, V 1800 Wp Canadian Solar, MPPT 150/70, MPPT 150/35, Multiplus 2 5000VA, Cerbo GX + touch LCD, 16 x EVE 280Ah LiFePO4 + JK BMS 200A + BMV700
2: JZ 3600 Wp Canadian Solar, V 1800 Wp Canadian Solar, MPPT 150/70, MPPT 150/35, Multiplus 2 5000VA, Cerbo GX + touch LCD, 16 x EVE 280Ah LiFePO4 + JK BMS 200A + BMV700
- TomHC
- Příspěvky: 3810
- Registrován: pát lis 11, 2022 8:14 am
- Reputace:834
- Lokalita: Hlohovec, SR
- Systémové napětí: 48V
- Výkon panelů [Wp]: 8820
- Kapacita baterie [kWh]: 30
- Chci prodávat energii: NE
- Chci/Mám dotaci: NE
- Bydliště: Hlohovec, SR
Re: ESP8266 D1 MINI vyčítání dat z kalolimetru
V pondelok môžem na to pozrieť, skôr sa nedá.
2x MUST PH1800 5.5kW, 9kWp V+J+Z, 600 Ah LiFePO4 s BMS JBD 200A, SW: Home Assistant na Synology DS923+ ku tomu ESPHome, Tasmota, MariaDB, InfluxDB, Telegraf, Grafana, Zigbee2MQTT..., HW: ESPlan (ESP32 + LAN 8720 + RS485). Nejaké moje projekty: MUST-ESPhome, ELTEK Flatpack2 ESPhome, ESP32-EMON, PZEM-017@WiFi, diyBMS-CurrentShunt-ESPhome , BMS UART-TS485 adaptér
- ElektroEzs
- Příspěvky: 2948
- Registrován: stř zář 21, 2022 10:03 am
- Reputace:110
- Lokalita: okolí Teplic
- Systémové napětí: 48V
- Výkon panelů [Wp]: 8340
- Kapacita baterie [kWh]: 14,4
- Chci prodávat energii: NE
- Chci/Mám dotaci: NE
Re: ESP8266 D1 MINI vyčítání dat z kalolimetru
Super:-) Timhle uz bude vypocet COP dost presny:-) Diky moc
1: JZ 5460 Wp Ja Solar, JV 960 Wp Leapton, SV 1920 Wp Leapton, MPPT 250/100, MPPT 150/35, MPPT 150/45, 2x parallel Multiplus 2 5000VA, Cerbo GX + touch LCD, 2x 16 x EVE 332Ah LiFePO4 + JK BMS 200A + SmartShunt 500A
2: JZ 3600 Wp Canadian Solar, V 1800 Wp Canadian Solar, MPPT 150/70, MPPT 150/35, Multiplus 2 5000VA, Cerbo GX + touch LCD, 16 x EVE 280Ah LiFePO4 + JK BMS 200A + BMV700
2: JZ 3600 Wp Canadian Solar, V 1800 Wp Canadian Solar, MPPT 150/70, MPPT 150/35, Multiplus 2 5000VA, Cerbo GX + touch LCD, 16 x EVE 280Ah LiFePO4 + JK BMS 200A + BMV700
- ElektroEzs
- Příspěvky: 2948
- Registrován: stř zář 21, 2022 10:03 am
- Reputace:110
- Lokalita: okolí Teplic
- Systémové napětí: 48V
- Výkon panelů [Wp]: 8340
- Kapacita baterie [kWh]: 14,4
- Chci prodávat energii: NE
- Chci/Mám dotaci: NE
Re: ESP8266 D1 MINI vyčítání dat z kalolimetru
Lze oddelit napajeni kalorimetru diodami viz schema ESP a baterie? Jde mi o to zachovat originalni baterii ale zaroven napajet kvuli vycitani kalorimetr z ESP. Diky
1: JZ 5460 Wp Ja Solar, JV 960 Wp Leapton, SV 1920 Wp Leapton, MPPT 250/100, MPPT 150/35, MPPT 150/45, 2x parallel Multiplus 2 5000VA, Cerbo GX + touch LCD, 2x 16 x EVE 332Ah LiFePO4 + JK BMS 200A + SmartShunt 500A
2: JZ 3600 Wp Canadian Solar, V 1800 Wp Canadian Solar, MPPT 150/70, MPPT 150/35, Multiplus 2 5000VA, Cerbo GX + touch LCD, 16 x EVE 280Ah LiFePO4 + JK BMS 200A + BMV700
2: JZ 3600 Wp Canadian Solar, V 1800 Wp Canadian Solar, MPPT 150/70, MPPT 150/35, Multiplus 2 5000VA, Cerbo GX + touch LCD, 16 x EVE 280Ah LiFePO4 + JK BMS 200A + BMV700
- Mex
- Příspěvky: 1954
- Registrován: pát zář 29, 2023 4:12 am
- Reputace:367
- Lokalita: Brno
- Systémové napětí: >48V
Re: ESP8266 D1 MINI vyčítání dat z kalolimetru
Určitě by to šlo.
Dal bych si tam diodu s menším max. závěrným napětím. Tedy místo 1n5819 spíš třeba 1n5817.
Čím je max. závěrné napětí nižší, tím je i nižší úbytek v průchozím směru.
A co si tam dát nějaký nabíjecí článek?
Z hlediska napětí by nejlíp vyšel nějaký malý LFP článek.
Ale i běžný NMC/NCA bude na nějakých těch 3.3V fungovat dobře a bude nafurt.
Buď třeba 18650, nebo i maličký z elektronických cigaret (od kuřáků zdarma).
Dal bych si tam diodu s menším max. závěrným napětím. Tedy místo 1n5819 spíš třeba 1n5817.
Čím je max. závěrné napětí nižší, tím je i nižší úbytek v průchozím směru.
A co si tam dát nějaký nabíjecí článek?
Z hlediska napětí by nejlíp vyšel nějaký malý LFP článek.
Ale i běžný NMC/NCA bude na nějakých těch 3.3V fungovat dobře a bude nafurt.
Buď třeba 18650, nebo i maličký z elektronických cigaret (od kuřáků zdarma).
- TomHC
- Příspěvky: 3810
- Registrován: pát lis 11, 2022 8:14 am
- Reputace:834
- Lokalita: Hlohovec, SR
- Systémové napětí: 48V
- Výkon panelů [Wp]: 8820
- Kapacita baterie [kWh]: 30
- Chci prodávat energii: NE
- Chci/Mám dotaci: NE
- Bydliště: Hlohovec, SR
Re: ESP8266 D1 MINI vyčítání dat z kalolimetru
Ty tam chceš robiť sleep mode a posielať cez WiFi len v nejakých intervaloch? Veď to máš v garáži, tak by nemal byť problém dať trvalé napájanie...
Skús priložený YAML.
Skús priložený YAML.
- Přílohy
sensostar.yaml- (1.6 KiB) Staženo 68 x
2x MUST PH1800 5.5kW, 9kWp V+J+Z, 600 Ah LiFePO4 s BMS JBD 200A, SW: Home Assistant na Synology DS923+ ku tomu ESPHome, Tasmota, MariaDB, InfluxDB, Telegraf, Grafana, Zigbee2MQTT..., HW: ESPlan (ESP32 + LAN 8720 + RS485). Nejaké moje projekty: MUST-ESPhome, ELTEK Flatpack2 ESPhome, ESP32-EMON, PZEM-017@WiFi, diyBMS-CurrentShunt-ESPhome , BMS UART-TS485 adaptér
- ElektroEzs
- Příspěvky: 2948
- Registrován: stř zář 21, 2022 10:03 am
- Reputace:110
- Lokalita: okolí Teplic
- Systémové napětí: 48V
- Výkon panelů [Wp]: 8340
- Kapacita baterie [kWh]: 14,4
- Chci prodávat energii: NE
- Chci/Mám dotaci: NE
Re: ESP8266 D1 MINI vyčítání dat z kalolimetru
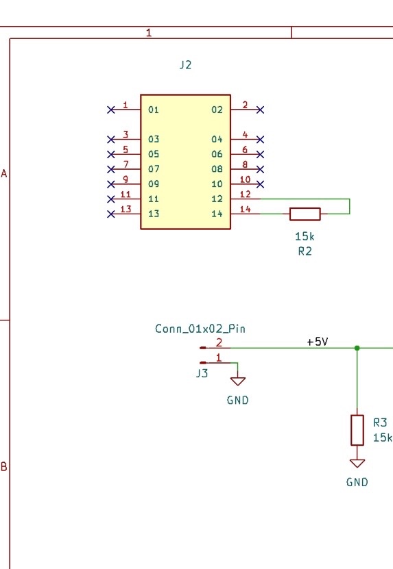
Nechci sleep chci tahat data nepretrzite, co jsem koukal tak se musi pin 12 a 14 propojit odporem 15k aby kalorimetr vedel ze je napajeny ze site. V planu je napajet ESP pres USB z pocitace kde bezi HA a z ESP vzit 3V3 pro napajeni kalorimetru. Mam od pocitace s HA tazeny sykfy 2x2 kde 1 par pouzivam pro modbus tepelka a druhy pouziju pro napajeni ESP pres USB. Diky vyzkousim:-))
1: JZ 5460 Wp Ja Solar, JV 960 Wp Leapton, SV 1920 Wp Leapton, MPPT 250/100, MPPT 150/35, MPPT 150/45, 2x parallel Multiplus 2 5000VA, Cerbo GX + touch LCD, 2x 16 x EVE 332Ah LiFePO4 + JK BMS 200A + SmartShunt 500A
2: JZ 3600 Wp Canadian Solar, V 1800 Wp Canadian Solar, MPPT 150/70, MPPT 150/35, Multiplus 2 5000VA, Cerbo GX + touch LCD, 16 x EVE 280Ah LiFePO4 + JK BMS 200A + BMV700
2: JZ 3600 Wp Canadian Solar, V 1800 Wp Canadian Solar, MPPT 150/70, MPPT 150/35, Multiplus 2 5000VA, Cerbo GX + touch LCD, 16 x EVE 280Ah LiFePO4 + JK BMS 200A + BMV700
- ElektroEzs
- Příspěvky: 2948
- Registrován: stř zář 21, 2022 10:03 am
- Reputace:110
- Lokalita: okolí Teplic
- Systémové napětí: 48V
- Výkon panelů [Wp]: 8340
- Kapacita baterie [kWh]: 14,4
- Chci prodávat energii: NE
- Chci/Mám dotaci: NE
Re: ESP8266 D1 MINI vyčítání dat z kalolimetru
Koukal jsem na ten yaml jestli to chapu spravne doplnim tam akorat nazev svoji wifi a heslo? Jeste jsem koukal ze tam je tx_pin: GPIO4, rx_pin: GPIO5 a ja mam na desce tx_pin: GPIO1, rx_pin: GPIO3. Nebo tam musim jeste neco upravit? Diky
1: JZ 5460 Wp Ja Solar, JV 960 Wp Leapton, SV 1920 Wp Leapton, MPPT 250/100, MPPT 150/35, MPPT 150/45, 2x parallel Multiplus 2 5000VA, Cerbo GX + touch LCD, 2x 16 x EVE 332Ah LiFePO4 + JK BMS 200A + SmartShunt 500A
2: JZ 3600 Wp Canadian Solar, V 1800 Wp Canadian Solar, MPPT 150/70, MPPT 150/35, Multiplus 2 5000VA, Cerbo GX + touch LCD, 16 x EVE 280Ah LiFePO4 + JK BMS 200A + BMV700
2: JZ 3600 Wp Canadian Solar, V 1800 Wp Canadian Solar, MPPT 150/70, MPPT 150/35, Multiplus 2 5000VA, Cerbo GX + touch LCD, 16 x EVE 280Ah LiFePO4 + JK BMS 200A + BMV700
- ElektroEzs
- Příspěvky: 2948
- Registrován: stř zář 21, 2022 10:03 am
- Reputace:110
- Lokalita: okolí Teplic
- Systémové napětí: 48V
- Výkon panelů [Wp]: 8340
- Kapacita baterie [kWh]: 14,4
- Chci prodávat energii: NE
- Chci/Mám dotaci: NE
Re: ESP8266 D1 MINI vyčítání dat z kalolimetru
Nahral jsem FW do ESP akorat nekde se pise ze se ma spojit GPIO0 a GND a nekde ze ne, ja to nespojil ale vypada ze se to nahralo protoze jsem v routeru nasel ze je ESP pripojeno k WIFI. Jen nejak nevim jak to pripojit v HA tam se porad ukazuje offline.
1: JZ 5460 Wp Ja Solar, JV 960 Wp Leapton, SV 1920 Wp Leapton, MPPT 250/100, MPPT 150/35, MPPT 150/45, 2x parallel Multiplus 2 5000VA, Cerbo GX + touch LCD, 2x 16 x EVE 332Ah LiFePO4 + JK BMS 200A + SmartShunt 500A
2: JZ 3600 Wp Canadian Solar, V 1800 Wp Canadian Solar, MPPT 150/70, MPPT 150/35, Multiplus 2 5000VA, Cerbo GX + touch LCD, 16 x EVE 280Ah LiFePO4 + JK BMS 200A + BMV700
2: JZ 3600 Wp Canadian Solar, V 1800 Wp Canadian Solar, MPPT 150/70, MPPT 150/35, Multiplus 2 5000VA, Cerbo GX + touch LCD, 16 x EVE 280Ah LiFePO4 + JK BMS 200A + BMV700
- TomHC
- Příspěvky: 3810
- Registrován: pát lis 11, 2022 8:14 am
- Reputace:834
- Lokalita: Hlohovec, SR
- Systémové napětí: 48V
- Výkon panelů [Wp]: 8820
- Kapacita baterie [kWh]: 30
- Chci prodávat energii: NE
- Chci/Mám dotaci: NE
- Bydliště: Hlohovec, SR
Re: ESP8266 D1 MINI vyčítání dat z kalolimetru
GPIO1 a 3 sú HW UART piny, môžeš použiť aj tie. Má to ale význam až pre vyššie rýchlosti, napríklad 115k. ESP chipy majú interný mux, takže vedia premapovať rozhrania (UART, I2C...) na ľubovoľné GPIO, s výnimkou zrovna toho UART a SPI. Ak použiješ UART na iných pinoch, bude to fungovať, ale s vyššou záťažou CPU.
2x MUST PH1800 5.5kW, 9kWp V+J+Z, 600 Ah LiFePO4 s BMS JBD 200A, SW: Home Assistant na Synology DS923+ ku tomu ESPHome, Tasmota, MariaDB, InfluxDB, Telegraf, Grafana, Zigbee2MQTT..., HW: ESPlan (ESP32 + LAN 8720 + RS485). Nejaké moje projekty: MUST-ESPhome, ELTEK Flatpack2 ESPhome, ESP32-EMON, PZEM-017@WiFi, diyBMS-CurrentShunt-ESPhome , BMS UART-TS485 adaptér
- TomHC
- Příspěvky: 3810
- Registrován: pát lis 11, 2022 8:14 am
- Reputace:834
- Lokalita: Hlohovec, SR
- Systémové napětí: 48V
- Výkon panelů [Wp]: 8820
- Kapacita baterie [kWh]: 30
- Chci prodávat energii: NE
- Chci/Mám dotaci: NE
- Bydliště: Hlohovec, SR
Re: ESP8266 D1 MINI vyčítání dat z kalolimetru
Tak si pozri logy a budeme múdrejší.ElektroEzs píše: ned zář 21, 2025 7:44 pmNahral jsem FW do ESP akorat nekde se pise ze se ma spojit GPIO0 a GND a nekde ze ne, ja to nespojil ale vypada ze se to nahralo protoze jsem v routeru nasel ze je ESP pripojeno k WIFI. Jen nejak nevim jak to pripojit v HA tam se porad ukazuje offline.
2x MUST PH1800 5.5kW, 9kWp V+J+Z, 600 Ah LiFePO4 s BMS JBD 200A, SW: Home Assistant na Synology DS923+ ku tomu ESPHome, Tasmota, MariaDB, InfluxDB, Telegraf, Grafana, Zigbee2MQTT..., HW: ESPlan (ESP32 + LAN 8720 + RS485). Nejaké moje projekty: MUST-ESPhome, ELTEK Flatpack2 ESPhome, ESP32-EMON, PZEM-017@WiFi, diyBMS-CurrentShunt-ESPhome , BMS UART-TS485 adaptér
- ElektroEzs
- Příspěvky: 2948
- Registrován: stř zář 21, 2022 10:03 am
- Reputace:110
- Lokalita: okolí Teplic
- Systémové napětí: 48V
- Výkon panelů [Wp]: 8340
- Kapacita baterie [kWh]: 14,4
- Chci prodávat energii: NE
- Chci/Mám dotaci: NE
Re: ESP8266 D1 MINI vyčítání dat z kalolimetru
LOG
- Přílohy
logs_sensostar_logs (1).txt- (349 bajtů) Staženo 68 x
1: JZ 5460 Wp Ja Solar, JV 960 Wp Leapton, SV 1920 Wp Leapton, MPPT 250/100, MPPT 150/35, MPPT 150/45, 2x parallel Multiplus 2 5000VA, Cerbo GX + touch LCD, 2x 16 x EVE 332Ah LiFePO4 + JK BMS 200A + SmartShunt 500A
2: JZ 3600 Wp Canadian Solar, V 1800 Wp Canadian Solar, MPPT 150/70, MPPT 150/35, Multiplus 2 5000VA, Cerbo GX + touch LCD, 16 x EVE 280Ah LiFePO4 + JK BMS 200A + BMV700
2: JZ 3600 Wp Canadian Solar, V 1800 Wp Canadian Solar, MPPT 150/70, MPPT 150/35, Multiplus 2 5000VA, Cerbo GX + touch LCD, 16 x EVE 280Ah LiFePO4 + JK BMS 200A + BMV700
- ElektroEzs
- Příspěvky: 2948
- Registrován: stř zář 21, 2022 10:03 am
- Reputace:110
- Lokalita: okolí Teplic
- Systémové napětí: 48V
- Výkon panelů [Wp]: 8340
- Kapacita baterie [kWh]: 14,4
- Chci prodávat energii: NE
- Chci/Mám dotaci: NE
Re: ESP8266 D1 MINI vyčítání dat z kalolimetru
Jo takhle ja prave bral ze TX RX jsou jen ty urcityTomHC píše: ned zář 21, 2025 7:45 pmGPIO1 a 3 sú HW UART piny, môžeš použiť aj tie. Má to ale význam až pre vyššie rýchlosti, napríklad 115k. ESP chipy majú interný mux, takže vedia premapovať rozhrania (UART, I2C...) na ľubovoľné GPIO, s výnimkou zrovna toho UART a SPI. Ak použiješ UART na iných pinoch, bude to fungovať, ale s vyššou záťažou CPU.
1: JZ 5460 Wp Ja Solar, JV 960 Wp Leapton, SV 1920 Wp Leapton, MPPT 250/100, MPPT 150/35, MPPT 150/45, 2x parallel Multiplus 2 5000VA, Cerbo GX + touch LCD, 2x 16 x EVE 332Ah LiFePO4 + JK BMS 200A + SmartShunt 500A
2: JZ 3600 Wp Canadian Solar, V 1800 Wp Canadian Solar, MPPT 150/70, MPPT 150/35, Multiplus 2 5000VA, Cerbo GX + touch LCD, 16 x EVE 280Ah LiFePO4 + JK BMS 200A + BMV700
2: JZ 3600 Wp Canadian Solar, V 1800 Wp Canadian Solar, MPPT 150/70, MPPT 150/35, Multiplus 2 5000VA, Cerbo GX + touch LCD, 16 x EVE 280Ah LiFePO4 + JK BMS 200A + BMV700
- ElektroEzs
- Příspěvky: 2948
- Registrován: stř zář 21, 2022 10:03 am
- Reputace:110
- Lokalita: okolí Teplic
- Systémové napětí: 48V
- Výkon panelů [Wp]: 8340
- Kapacita baterie [kWh]: 14,4
- Chci prodávat energii: NE
- Chci/Mám dotaci: NE
Re: ESP8266 D1 MINI vyčítání dat z kalolimetru
LOG
- Přílohy
logs_sensostar_logs (1).txt- (349 bajtů) Staženo 45 x
logs_sensostar_run (1).txt- (1008 bajtů) Staženo 66 x
1: JZ 5460 Wp Ja Solar, JV 960 Wp Leapton, SV 1920 Wp Leapton, MPPT 250/100, MPPT 150/35, MPPT 150/45, 2x parallel Multiplus 2 5000VA, Cerbo GX + touch LCD, 2x 16 x EVE 332Ah LiFePO4 + JK BMS 200A + SmartShunt 500A
2: JZ 3600 Wp Canadian Solar, V 1800 Wp Canadian Solar, MPPT 150/70, MPPT 150/35, Multiplus 2 5000VA, Cerbo GX + touch LCD, 16 x EVE 280Ah LiFePO4 + JK BMS 200A + BMV700
2: JZ 3600 Wp Canadian Solar, V 1800 Wp Canadian Solar, MPPT 150/70, MPPT 150/35, Multiplus 2 5000VA, Cerbo GX + touch LCD, 16 x EVE 280Ah LiFePO4 + JK BMS 200A + BMV700
- TomHC
- Příspěvky: 3810
- Registrován: pát lis 11, 2022 8:14 am
- Reputace:834
- Lokalita: Hlohovec, SR
- Systémové napětí: 48V
- Výkon panelů [Wp]: 8820
- Kapacita baterie [kWh]: 30
- Chci prodávat energii: NE
- Chci/Mám dotaci: NE
- Bydliště: Hlohovec, SR
Re: ESP8266 D1 MINI vyčítání dat z kalolimetru
Asi nesprávne zadané údaje o wifi?
2x MUST PH1800 5.5kW, 9kWp V+J+Z, 600 Ah LiFePO4 s BMS JBD 200A, SW: Home Assistant na Synology DS923+ ku tomu ESPHome, Tasmota, MariaDB, InfluxDB, Telegraf, Grafana, Zigbee2MQTT..., HW: ESPlan (ESP32 + LAN 8720 + RS485). Nejaké moje projekty: MUST-ESPhome, ELTEK Flatpack2 ESPhome, ESP32-EMON, PZEM-017@WiFi, diyBMS-CurrentShunt-ESPhome , BMS UART-TS485 adaptér
- ElektroEzs
- Příspěvky: 2948
- Registrován: stř zář 21, 2022 10:03 am
- Reputace:110
- Lokalita: okolí Teplic
- Systémové napětí: 48V
- Výkon panelů [Wp]: 8340
- Kapacita baterie [kWh]: 14,4
- Chci prodávat energii: NE
- Chci/Mám dotaci: NE
Re: ESP8266 D1 MINI vyčítání dat z kalolimetru
Diky moc uz to jede sice ted zapojeny na hulvata ale na test dobry
1: JZ 5460 Wp Ja Solar, JV 960 Wp Leapton, SV 1920 Wp Leapton, MPPT 250/100, MPPT 150/35, MPPT 150/45, 2x parallel Multiplus 2 5000VA, Cerbo GX + touch LCD, 2x 16 x EVE 332Ah LiFePO4 + JK BMS 200A + SmartShunt 500A
2: JZ 3600 Wp Canadian Solar, V 1800 Wp Canadian Solar, MPPT 150/70, MPPT 150/35, Multiplus 2 5000VA, Cerbo GX + touch LCD, 16 x EVE 280Ah LiFePO4 + JK BMS 200A + BMV700
2: JZ 3600 Wp Canadian Solar, V 1800 Wp Canadian Solar, MPPT 150/70, MPPT 150/35, Multiplus 2 5000VA, Cerbo GX + touch LCD, 16 x EVE 280Ah LiFePO4 + JK BMS 200A + BMV700
- ElektroEzs
- Příspěvky: 2948
- Registrován: stř zář 21, 2022 10:03 am
- Reputace:110
- Lokalita: okolí Teplic
- Systémové napětí: 48V
- Výkon panelů [Wp]: 8340
- Kapacita baterie [kWh]: 14,4
- Chci prodávat energii: NE
- Chci/Mám dotaci: NE
Re: ESP8266 D1 MINI vyčítání dat z kalolimetru
Jak udelam vypocet “sensor.sensostar_sensostar_power.” : “sensor.tepelne_cerpadlo_channel_1_power” = COP
Diky:-)
Diky:-)
1: JZ 5460 Wp Ja Solar, JV 960 Wp Leapton, SV 1920 Wp Leapton, MPPT 250/100, MPPT 150/35, MPPT 150/45, 2x parallel Multiplus 2 5000VA, Cerbo GX + touch LCD, 2x 16 x EVE 332Ah LiFePO4 + JK BMS 200A + SmartShunt 500A
2: JZ 3600 Wp Canadian Solar, V 1800 Wp Canadian Solar, MPPT 150/70, MPPT 150/35, Multiplus 2 5000VA, Cerbo GX + touch LCD, 16 x EVE 280Ah LiFePO4 + JK BMS 200A + BMV700
2: JZ 3600 Wp Canadian Solar, V 1800 Wp Canadian Solar, MPPT 150/70, MPPT 150/35, Multiplus 2 5000VA, Cerbo GX + touch LCD, 16 x EVE 280Ah LiFePO4 + JK BMS 200A + BMV700
- rva
- Příspěvky: 4798
- Registrován: úte dub 23, 2013 10:21 am
- Reputace:931
- Lokalita: Kousek od Lysé nad Labem
- Systémové napětí: 48V
- Výkon panelů [Wp]: 46000
- Kapacita baterie [kWh]: 40
- Chci prodávat energii: NE
- Chci/Mám dotaci: NE
- Bydliště: Kousek od Lysé nad Labem
Re: ESP8266 D1 MINI vyčítání dat z kalolimetru
V části - sensor: výpočty vypadají třeba takto, tak z toho vyjdi: A nejlepší je si výpočet nanečisto zkoušet v HA v template. Tam to pak může vypadat takto:
Kód: Vybrat vše
#Výpočet fv výkonu regulátoru EPSolar jako proud bočníkem * napětí baterie
#Proud je měřen pomocí INA226 a za napětí se bere napětí měřené JK-BMS na baterii u elektrárny 315 Ah
- name: "EPSolar power"
unique_id: epsolar_power_id001
state: "{{
(states('sensor.esp32_c3_supermini9_esp32_c3_supermini9_total_voltage'))|round (3)
*(states('sensor.epsolar_epsolar_ina226_current')|round (4))
*(-1)
}}"
unit_of_measurement: "W"
device_class: "power"
state_class: "measurement"_______________________________________________________________________
43 kWp, LiFePO4 62 kWh,
EPSolar 60 A/150 V ET6415N + 3x Isolar SM II (5 kW, 450 V, 80 A) + Axpert PIP 5048MS
43 kWp, LiFePO4 62 kWh,
EPSolar 60 A/150 V ET6415N + 3x Isolar SM II (5 kW, 450 V, 80 A) + Axpert PIP 5048MS
- rva
- Příspěvky: 4798
- Registrován: úte dub 23, 2013 10:21 am
- Reputace:931
- Lokalita: Kousek od Lysé nad Labem
- Systémové napětí: 48V
- Výkon panelů [Wp]: 46000
- Kapacita baterie [kWh]: 40
- Chci prodávat energii: NE
- Chci/Mám dotaci: NE
- Bydliště: Kousek od Lysé nad Labem
Re: ESP8266 D1 MINI vyčítání dat z kalolimetru
Ale ty to chceš asi počítat hned v modulu ESP8266. Tam existuje kouzelné slůvko "lambda" za které se píše kód v jazyce "C". Tedy nějak takto:
Kód: Vybrat vše
sensor:
- platform: template
name: "Podil A a B"
id: podil_c
lambda: |-
if (id(velicina_b).state == 0) {
return 0; // Zabránění dělení nulou
}
return id(velicina_a).state / id(velicina_b).state;
unit_of_measurement: " "
accuracy_decimals: 2
update_interval: 60s_______________________________________________________________________
43 kWp, LiFePO4 62 kWh,
EPSolar 60 A/150 V ET6415N + 3x Isolar SM II (5 kW, 450 V, 80 A) + Axpert PIP 5048MS
43 kWp, LiFePO4 62 kWh,
EPSolar 60 A/150 V ET6415N + 3x Isolar SM II (5 kW, 450 V, 80 A) + Axpert PIP 5048MS
- ElektroEzs
- Příspěvky: 2948
- Registrován: stř zář 21, 2022 10:03 am
- Reputace:110
- Lokalita: okolí Teplic
- Systémové napětí: 48V
- Výkon panelů [Wp]: 8340
- Kapacita baterie [kWh]: 14,4
- Chci prodávat energii: NE
- Chci/Mám dotaci: NE
Re: ESP8266 D1 MINI vyčítání dat z kalolimetru
Nevim co je lepsi jeden udaj je ze Shelly EM a druhy z ESP takze asi lepsi pocitat v HA?:)
1: JZ 5460 Wp Ja Solar, JV 960 Wp Leapton, SV 1920 Wp Leapton, MPPT 250/100, MPPT 150/35, MPPT 150/45, 2x parallel Multiplus 2 5000VA, Cerbo GX + touch LCD, 2x 16 x EVE 332Ah LiFePO4 + JK BMS 200A + SmartShunt 500A
2: JZ 3600 Wp Canadian Solar, V 1800 Wp Canadian Solar, MPPT 150/70, MPPT 150/35, Multiplus 2 5000VA, Cerbo GX + touch LCD, 16 x EVE 280Ah LiFePO4 + JK BMS 200A + BMV700
2: JZ 3600 Wp Canadian Solar, V 1800 Wp Canadian Solar, MPPT 150/70, MPPT 150/35, Multiplus 2 5000VA, Cerbo GX + touch LCD, 16 x EVE 280Ah LiFePO4 + JK BMS 200A + BMV700
Kdo je online
Uživatelé procházející toto fórum: Claudebot [Bot]
