Program na kreslení schémat
Souhrn tématu
Diskuze se zaměřuje na výběr vhodného programu a knihoven elektrosymbolů pro kreslení schémat zapojení, ideálně pro Linux nebo webové prohlížeče. Uživatelé sdílejí zkušenosti s autoroutery, vrstvami desek a správným umístěním komponent pro lepší funkčnost a estetiku. Důraz je kladen na praktické rady, jak optimalizovat napájecí cesty a minimalizovat chyby v návrhu desky.
- JakubV
- Příspěvky: 36
- Registrován: pon říj 12, 2020 4:17 pm
- Reputace: 1
- Lokalita: Kutnohorsko
- Výkon panelů [Wp]: 3200
- Kapacita baterie [kWh]: 0
Program na kreslení schémat
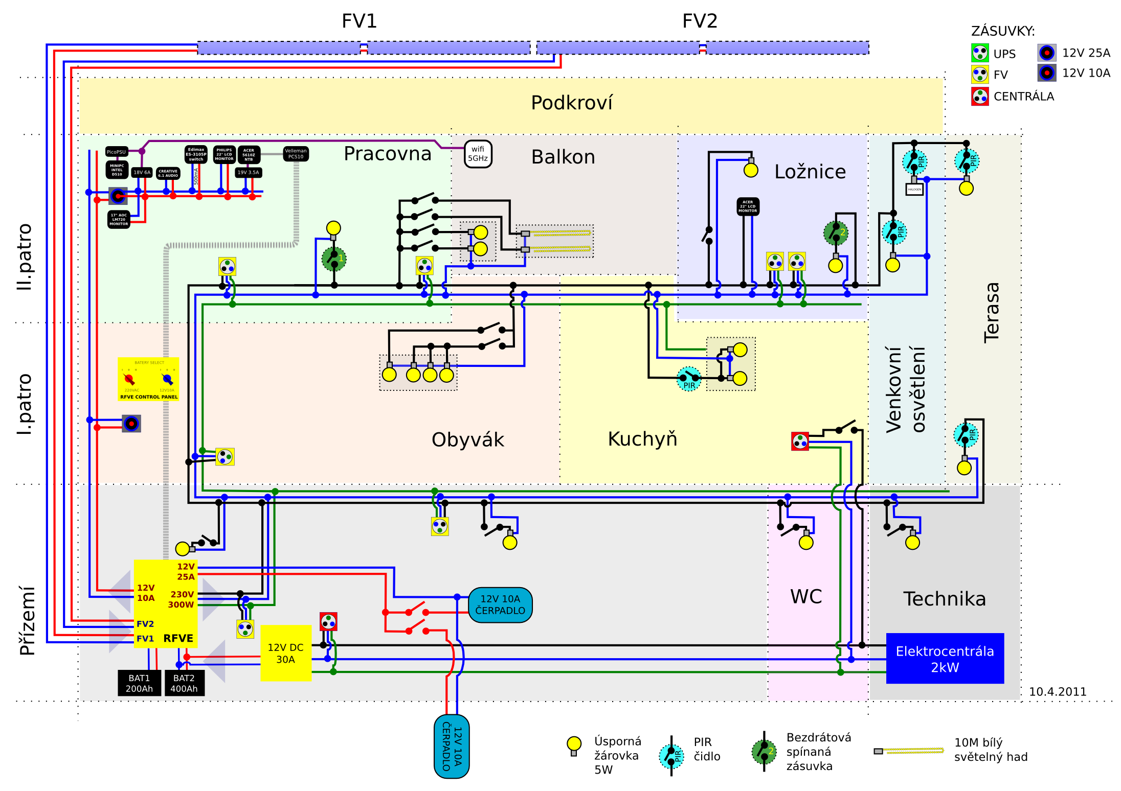
Vážení kolegové,
jaký program, případně jaké knihovny elektrosymoblů, používáte pro kreslení takových
pěkných schémat zapojení, jako třeba toto od pana majitele:
https://forum.mypower.cz/download/file. ... &mode=view
Ideálně pro linux nebo v prohlížeči, ale překousnu i Win.
Díky za rady,
Jakub
jaký program, případně jaké knihovny elektrosymoblů, používáte pro kreslení takových
pěkných schémat zapojení, jako třeba toto od pana majitele:
https://forum.mypower.cz/download/file. ... &mode=view
Ideálně pro linux nebo v prohlížeči, ale překousnu i Win.
Díky za rady,
Jakub
FV ohřev TUV v RD, od r. 2023, 8xJinko 400 Wp jih, 45°, BEL MR4316AC NG do rozvaděče, bojler Dražice OKCE 125l, 2.2kW FV + 2kW DS.
Geomagnetická observatoř GAN, Maledivy, od r. 2010, upgrade 02/2022: 1x200 Wp Luxor Solar; Victron MMPT 100/20; 2x65Ah 12V Panasonic Pb,. Nepřetržitá spotřeba cca 20 W při 12 V.
Geomagnetická observatoř GAN, Maledivy, od r. 2010, upgrade 02/2022: 1x200 Wp Luxor Solar; Victron MMPT 100/20; 2x65Ah 12V Panasonic Pb,. Nepřetržitá spotřeba cca 20 W při 12 V.
-
luky
- Příspěvky: 1025
- Registrován: pon kvě 19, 2014 11:38 am
- Reputace: 101
- Lokalita: za Berounem
- Systémové napětí: 48V
- Výkon panelů [Wp]: 5000
- Kapacita baterie [kWh]: 12
Re: Program na kreslení schémat
V jedné nejmenované hi-tech firmě používáme na tyhle malůvky Powerpoint
Máme udělanou "knihovnu" základních součástek a zbytek se nakreslí podle potřeby.
mobilní elektrárna: viewtopic.php?t=4597, 290Wp mono, Winston 12V/130Ah, Victron MPPT 75/15, Victron inverter 12/250VA, Victron charger 20A, Orion 30A
domácí elektrárna: viewtopic.php?t=6898, FV 5kWp, LiFe 48V/120+120Ah, Axpert King 48/5000 + PCM60X + EPever
domácí elektrárna: viewtopic.php?t=6898, FV 5kWp, LiFe 48V/120+120Ah, Axpert King 48/5000 + PCM60X + EPever
-
JirkaK
- Příspěvky: 112
- Registrován: čtv zář 27, 2012 1:38 pm
- Reputace: 1
Re: Program na kreslení schémat
Nemám bohužel (zatím) osobní zkušenost, ale před časem jsem někde narazil na QElectroTech - https://qelectrotech.org/ a ten vypadal docela slušně. Tak třeba bude pro tvoje potřeby použitelný
.
-
DanoP
- Příspěvky: 948
- Registrován: stř črc 06, 2016 12:27 pm
- Reputace: 216
- Bydliště: Trnava, Slovensko
Re: Program na kreslení schémat
Skusal som vselico, a vacsinou som narazil na problem ze produkt nemal kniznice, cize si clovek musi nakreslit/pozhanat znacky komponentov a neverili by ste ake "super" editory su schopny v tych aplikaciach ponuknut.
Naposledy som skusal vissie zmienovany QElectrotech a problem s chybajucimi komponentami a hroznym editorom komponent zostal. Sam tomu nerozumiem, jedine co pozadujem je aby sa s posunom komponentov posuvali aj ich spojenia, inak by to mohlo byt ako v powerpointe.
Asi som zo starej skoly, ale velakrat mam dojem ze ceruzka + A4 a scener je rychlejsie/flexibilnejsie ako mnohe SW.
Kedysi som pouzival MS Visio. Uplne rozumiem tomu, ze pouzivaju powerpoint.
Naposledy som skusal vissie zmienovany QElectrotech a problem s chybajucimi komponentami a hroznym editorom komponent zostal. Sam tomu nerozumiem, jedine co pozadujem je aby sa s posunom komponentov posuvali aj ich spojenia, inak by to mohlo byt ako v powerpointe.
Asi som zo starej skoly, ale velakrat mam dojem ze ceruzka + A4 a scener je rychlejsie/flexibilnejsie ako mnohe SW.
Kedysi som pouzival MS Visio. Uplne rozumiem tomu, ze pouzivaju powerpoint.
1,77kWp monokryštál + Fangpusun MPPT 150/45, 1,6kWp +Victron MPPT 250/60, 2xStuder XTM4048 + 25kWh LiFePO4, vlastny monitoring na https://www.mms-softec.sk/pip/
-
rva
- Příspěvky: 4719
- Registrován: úte dub 23, 2013 10:21 am
- Reputace: 914
- Lokalita: Kousek od Lysé nad Labem
- Systémové napětí: 48V
- Výkon panelů [Wp]: 46000
- Kapacita baterie [kWh]: 40
- Chci prodávat energii: NE
- Chci/Mám dotaci: NE
- Bydliště: Kousek od Lysé nad Labem
Re: Program na kreslení schémat
Používám SchémataCAD https://www.elmer.cz/schemata.html . Mám verzi z roku 2004 ale na ty drobnosti to stačí. Třeba je použitelná i demo verze.
_______________________________________________________________________
43 kWp, LiFePO4 62 kWh,
EPSolar 60 A/150 V ET6415N + 3x Isolar SM II (5 kW, 450 V, 80 A) + Axpert PIP 5048MS
43 kWp, LiFePO4 62 kWh,
EPSolar 60 A/150 V ET6415N + 3x Isolar SM II (5 kW, 450 V, 80 A) + Axpert PIP 5048MS
- mypower.cz
- R.I.P.
- Příspěvky: 4895
- Registrován: pát bře 04, 2011 11:36 am
- Reputace: 522
- mgx
- Příspěvky: 589
- Registrován: stř dub 15, 2015 1:14 pm
- Reputace: 116
- Lokalita: Tatranska Lomnica, Zahorie
- Systémové napětí: 48V
- Výkon panelů [Wp]: 30000
- Kapacita baterie [kWh]: 100
- Chci prodávat energii: NE
- Chci/Mám dotaci: NE
- Bydliště: Tatranska Lomnica
Re: Program na kreslení schémat
skus easyEda alebo fritzing alebo pozri
https://www.youtube.com/watch?v=kabnaPtI7Ek
Fritzing bol donedavna zdarma (aj linux ver), teraz za neho chcu 8euro.
https://www.youtube.com/watch?v=kabnaPtI7Ek
Fritzing bol donedavna zdarma (aj linux ver), teraz za neho chcu 8euro.
- antoni_sk
- Příspěvky: 677
- Registrován: pát lis 17, 2017 3:14 pm
- Reputace: 80
- Bydliště: Liptov
Re: Program na kreslení schémat
proficad.cz - free verzia 
FV-1, 60°, 2019 3x Suntech STP280-20/Wfw (840Wp), EPSOLAR LS3024B (30A)
FV-2, 35°, 2020 3x CSUN 280-60P (840Wp), EPEVER LS3024B (30A),
FV-3, 35°, 7/2020 4x Trinasolar TSM-235 (940Wp), SRNE ML 40A MPPT
FV-4, 35°, 10/2021 2x Longi 410Wp (820Wp), EPEVER LS3024B (30A),
FV-5, 45°, 9/2022 6x Trinasolar 235Wp (1400Wp), Easun ISolar SPS 3kW EPEVER MPPT 50A
Meniče: Carspa 3000W (špičk.9000W), Easun ISolar SPS 3kW
batérie: 16x 200Ah LiFePo4 (24V) + 8x 280Ah LiFePo4 (24V) + 8x 280Ah LiFePo4 (24V)
FV-2, 35°, 2020 3x CSUN 280-60P (840Wp), EPEVER LS3024B (30A),
FV-3, 35°, 7/2020 4x Trinasolar TSM-235 (940Wp), SRNE ML 40A MPPT
FV-4, 35°, 10/2021 2x Longi 410Wp (820Wp), EPEVER LS3024B (30A),
FV-5, 45°, 9/2022 6x Trinasolar 235Wp (1400Wp), Easun ISolar SPS 3kW EPEVER MPPT 50A
Meniče: Carspa 3000W (špičk.9000W), Easun ISolar SPS 3kW
batérie: 16x 200Ah LiFePo4 (24V) + 8x 280Ah LiFePo4 (24V) + 8x 280Ah LiFePo4 (24V)
-
kodl69
- Příspěvky: 8263
- Registrován: sob črc 19, 2014 8:56 pm
- Reputace: 1043
- Lokalita: severně od Brna
- Systémové napětí: 48V
- Výkon panelů [Wp]: 8kWp
- Kapacita baterie [kWh]: 12kWh
- Chci prodávat energii: NE
- Chci/Mám dotaci: NE
Re: Program na kreslení schémat
a nebo eagle - starší verze jsou i pod linux (mám 7.2.2) a do tuším 100 součástek je to free. Výhoda je možnost návrhu dps a já jako stará struktura se s ním znám už od školy... Znám lidi, co si chválí kicad, ale s tím si nějak nerozumím.
ostrov skoro 8kWp neustále ve stádiu zrodu: smartshunt(ex WBJR), MPPT150/45, MPPT 250/100(ex midnitesolar 150 clasic lite), 16S a různě P cca 340Ah Winston, MP II 5000,( ex Powerjack 8kW, ex samodomo cca 4kW). 48V DC rozvody a spotřebiče.
-
josse
- Příspěvky: 1347
- Registrován: úte úno 14, 2017 9:35 pm
- Reputace: 159
Re: Program na kreslení schémat
Do Eaglu jdou někde sehnat jističe, stykače, a takové ty značky... Co ve výchozím stavu nejsou. A pak nástupce už je kiCad, přiznám se, že jsem donutil několik lidí v tom začít kreslit, přešli z různých programů, ale sám sebe jsem v tom kreslit ještě nenaučil a mám volného EAGLE 6...
3,6kWp GWL Poly + 8,82kWp Canadian Mono, 3x PIP4048MS, 5x80P14S = 5600Cells 18650 (~900Ah/47kWh)
Elektrárna: https://emoncms.trenet.org/dashboard/view?id=3
TČ: https://emoncms.trenet.org/dashboard/view?id=21
Elektrárna: https://emoncms.trenet.org/dashboard/view?id=3
TČ: https://emoncms.trenet.org/dashboard/view?id=21
- JakubV
- Příspěvky: 36
- Registrován: pon říj 12, 2020 4:17 pm
- Reputace: 1
- Lokalita: Kutnohorsko
- Výkon panelů [Wp]: 3200
- Kapacita baterie [kWh]: 0
Re: Program na kreslení schémat
Trochu jsem rozšířil hledání a příjemně mě překvapil Quick Copper na Androidu.
https://play.google.com/store/apps/deta ... onnikov.qc
Na takové to domácí kreslení ve vlaku ideál.
https://play.google.com/store/apps/deta ... onnikov.qc
Na takové to domácí kreslení ve vlaku ideál.
FV ohřev TUV v RD, od r. 2023, 8xJinko 400 Wp jih, 45°, BEL MR4316AC NG do rozvaděče, bojler Dražice OKCE 125l, 2.2kW FV + 2kW DS.
Geomagnetická observatoř GAN, Maledivy, od r. 2010, upgrade 02/2022: 1x200 Wp Luxor Solar; Victron MMPT 100/20; 2x65Ah 12V Panasonic Pb,. Nepřetržitá spotřeba cca 20 W při 12 V.
Geomagnetická observatoř GAN, Maledivy, od r. 2010, upgrade 02/2022: 1x200 Wp Luxor Solar; Victron MMPT 100/20; 2x65Ah 12V Panasonic Pb,. Nepřetržitá spotřeba cca 20 W při 12 V.
-
kodl69
- Příspěvky: 8263
- Registrován: sob črc 19, 2014 8:56 pm
- Reputace: 1043
- Lokalita: severně od Brna
- Systémové napětí: 48V
- Výkon panelů [Wp]: 8kWp
- Kapacita baterie [kWh]: 12kWh
- Chci prodávat energii: NE
- Chci/Mám dotaci: NE
Re: Program na kreslení schémat
To josse " kicad není nástupce, ale freevare alternativa. Já jsem pořád nepochopil to, co mě na začátku na eagle vadilo, že musím vybrat už součástku, co dám na desku, přiřazování pouzdra k součástce u kicadu jsem nějak nepobral, tedy dokážu podle návodu udělat schíma a desku na blikač s dvěma ranzistory, ale nic víc...
ostrov skoro 8kWp neustále ve stádiu zrodu: smartshunt(ex WBJR), MPPT150/45, MPPT 250/100(ex midnitesolar 150 clasic lite), 16S a různě P cca 340Ah Winston, MP II 5000,( ex Powerjack 8kW, ex samodomo cca 4kW). 48V DC rozvody a spotřebiče.
- marsal64
- Příspěvky: 1204
- Registrován: sob čer 16, 2018 1:45 pm
- Reputace: 133
- Lokalita: Velké Popovice
- Systémové napětí: 48V
- Výkon panelů [Wp]: 9,3
- Kapacita baterie [kWh]: 30
- Chci prodávat energii: NE
- Chci/Mám dotaci: NE
- Bydliště: Velké Popovice
Re: Program na kreslení schémat
Tak, já bych rád prostě nakreslil nikoli el. schéma + PCB (třeba Eagle tady pro mne rulez), ale schéma zapojení FVE typu panel-pojistka-odpínač-měnič atd. A furt jsem nenašel nic, co by mělo prostě knihovnu obrázku právě pro "solární panel" nebo "Studer měnič". Vím, že třeba youda to kreslí prostě ve Visiu, ale stále doufám, že se z hlubin internetu vynoří nějaké krásné a nejlépe free řešení...
-
kodl69
- Příspěvky: 8263
- Registrován: sob črc 19, 2014 8:56 pm
- Reputace: 1043
- Lokalita: severně od Brna
- Systémové napětí: 48V
- Výkon panelů [Wp]: 8kWp
- Kapacita baterie [kWh]: 12kWh
- Chci prodávat energii: NE
- Chci/Mám dotaci: NE
Re: Program na kreslení schémat
Tak se prostě někdo vzchopí, a těch pár součástek prostě v eagle nakreslí, pro nás staromilce.
ostrov skoro 8kWp neustále ve stádiu zrodu: smartshunt(ex WBJR), MPPT150/45, MPPT 250/100(ex midnitesolar 150 clasic lite), 16S a různě P cca 340Ah Winston, MP II 5000,( ex Powerjack 8kW, ex samodomo cca 4kW). 48V DC rozvody a spotřebiče.
-
Dagus
- Příspěvky: 2179
- Registrován: ned úno 17, 2019 9:07 pm
- Reputace: 227
- Lokalita: Liberec
- Systémové napětí: 48V
- Výkon panelů [Wp]: 7820
- Kapacita baterie [kWh]: 32
- Chci prodávat energii: NE
- Chci/Mám dotaci: NE
Re: Program na kreslení schémat
V Eaglu to bylo bez spojitostí ne? Jen se zadalo mechanické rozměry vývodů pro součástku a pak značka (nákres do schématu). Sám budu muset v něčem něco spáchat, tak se na to někdy zkusím podívat, ale nepřijde mi to tak strašný, pokud k tomu mám podklady vnitřního zapojení.
7820Wp, SV 12° 1710Wp Poly, J 90° 1820Wp Mono, JZ 12° 1680Wp Poly, JZ2 12° 1800Wp Mono, J 40° 810Wp Hyundai
MP2 5000VA, MPPT1 150/60tr, MPPT2 150/60tr, 16.8kWh 17S 310Ah AKU1, 15.2kWh 17S 280Ah AKU 2, 2xJK-BMS
MP2 5000VA, MPPT1 150/60tr, MPPT2 150/60tr, 16.8kWh 17S 310Ah AKU1, 15.2kWh 17S 280Ah AKU 2, 2xJK-BMS
-
josse
- Příspěvky: 1347
- Registrován: úte úno 14, 2017 9:35 pm
- Reputace: 159
Re: Program na kreslení schémat
Myslel jsem volného nástupce... Po tom co byl EAGLE koupen autodeskem už nemůžeme nějaké zadarmo očekávat... kiCad zadarmo snad zůstane.kodl69 píše:To josse " kicad není nástupce, ale freevare alternativa. Já jsem pořád nepochopil to, co mě na začátku na eagle vadilo, že musím vybrat už součástku, co dám na desku, přiřazování pouzdra k součástce u kicadu jsem nějak nepobral, tedy dokážu podle návodu udělat schíma a desku na blikač s dvěma ranzistory, ale nic víc...
Mě se to chování Eaglu zamlouvá, a proto si na kiCad nemůžu zvyknout...
3,6kWp GWL Poly + 8,82kWp Canadian Mono, 3x PIP4048MS, 5x80P14S = 5600Cells 18650 (~900Ah/47kWh)
Elektrárna: https://emoncms.trenet.org/dashboard/view?id=3
TČ: https://emoncms.trenet.org/dashboard/view?id=21
Elektrárna: https://emoncms.trenet.org/dashboard/view?id=3
TČ: https://emoncms.trenet.org/dashboard/view?id=21
-
luky
- Příspěvky: 1025
- Registrován: pon kvě 19, 2014 11:38 am
- Reputace: 101
- Lokalita: za Berounem
- Systémové napětí: 48V
- Výkon panelů [Wp]: 5000
- Kapacita baterie [kWh]: 12
Re: Program na kreslení schémat
Pokud máš tyhle potřeby, tak fakt věnuj hodinku nakreslení součástek v PowerPointu. A máš knihovnu, kterou můžeš poskytnout i ostatním. Já sice celý den dělám v Cadence, ale když jde o nějaké blokové schéma nebo zjednodušené pro diskusi s kolegy, tak jsme na lepší nástroj než powerpoint ještě nepřišlimarsal64 píše:Tak, já bych rád prostě nakreslil nikoli el. schéma + PCB (třeba Eagle tady pro mne rulez), ale schéma zapojení FVE typu panel-pojistka-odpínač-měnič atd. A furt jsem nenašel nic, co by mělo prostě knihovnu obrázku právě pro "solární panel" nebo "Studer měnič". Vím, že třeba youda to kreslí prostě ve Visiu, ale stále doufám, že se z hlubin internetu vynoří nějaké krásné a nejlépe free řešení...
mobilní elektrárna: viewtopic.php?t=4597, 290Wp mono, Winston 12V/130Ah, Victron MPPT 75/15, Victron inverter 12/250VA, Victron charger 20A, Orion 30A
domácí elektrárna: viewtopic.php?t=6898, FV 5kWp, LiFe 48V/120+120Ah, Axpert King 48/5000 + PCM60X + EPever
domácí elektrárna: viewtopic.php?t=6898, FV 5kWp, LiFe 48V/120+120Ah, Axpert King 48/5000 + PCM60X + EPever
- tomas
- Příspěvky: 2579
- Registrován: pon bře 07, 2011 11:05 am
- Reputace: 243
- Bydliště: Třinec
Re: Program na kreslení schémat
Já používám SchémataCAD a QElectrotech.
QElectrotech mne překvapil velkou knihovnou i pro vodo, topo, pneu, ale skončil jsem u něj na tom, že jsem nepřišel na to, jak součástku otočit zrcadlově např. tranzistor.
QElectrotech mne překvapil velkou knihovnou i pro vodo, topo, pneu, ale skončil jsem u něj na tom, že jsem nepřišel na to, jak součástku otočit zrcadlově např. tranzistor.
Chci elektrárnu s licencí a s prodejem přebytků nebo komunitní výměnou energie: ANO
- marsal64
- Příspěvky: 1204
- Registrován: sob čer 16, 2018 1:45 pm
- Reputace: 133
- Lokalita: Velké Popovice
- Systémové napětí: 48V
- Výkon panelů [Wp]: 9,3
- Kapacita baterie [kWh]: 30
- Chci prodávat energii: NE
- Chci/Mám dotaci: NE
- Bydliště: Velké Popovice
Re: Program na kreslení schémat
Ach jo, svět je nedokonalý. Power Point pracuje s obrázky hezky, ale:
- neumí jednoduše udělat složitější connection (s více rohy)
- neumí jednoduše udělat propoj mezi vodiči
LibreOffice umí složitější connection, ale propoj mezi vodiči aby člověk dělal obrácenou šipkou :-/, ten snap to grid funguje jinak než by člověk potřeboval
- neumí jednoduše udělat složitější connection (s více rohy)
- neumí jednoduše udělat propoj mezi vodiči
LibreOffice umí složitější connection, ale propoj mezi vodiči aby člověk dělal obrácenou šipkou :-/, ten snap to grid funguje jinak než by člověk potřeboval
- Přílohy
-
- LibreOffice.jpg (11.17 KiB) Zobrazeno 4764 x
-
- Powerpoint.jpg (20.55 KiB) Zobrazeno 4764 x
- mypower.cz
- R.I.P.
- Příspěvky: 4895
- Registrován: pát bře 04, 2011 11:36 am
- Reputace: 522
Re: Program na kreslení schémat
V tomto je inkscape flexibilnejsimarsal64 píše:Ach jo, svět je nedokonalý. Power Point pracuje s obrázky hezky, ale:
- neumí jednoduše udělat složitější connection (s více rohy)
- neumí jednoduše udělat propoj mezi vodiči
LibreOffice umí složitější connection, ale propoj mezi vodiči aby člověk dělal obrácenou šipkou :-/, ten snap to grid funguje jinak než by člověk potřeboval
Kdo je online
Uživatelé prohlížející si toto fórum: Claudebot [Bot] a 1 host
