EGD: Zdroje do 800 W bez dodávky do sítě (balkonové FVE)
Souhrn tématu
Diskuze se zaměřuje na oficiální postup připojení balkonových fotovoltaických zdrojů do 800 W v distribuční síti EGD bez dodávky do sítě. Uživatelé sdílejí zkušenosti s vyplňováním formulářů, požadavky na revize a měření, a porovnávají rozdíly mezi EGD a ČEZ. Praktické rady a odkazy na legislativu pomáhají zájemcům o jednoduché a legální připojení malých FVE systémů.
- Valdano
- Příspěvky: 2072
- Registrován: čtv črc 21, 2022 5:39 pm
- Reputace:285
- Lokalita: Česká Lípa
- Chci prodávat energii: NE
- Chci/Mám dotaci: NE
Re: EGD: Zdroje do 800 W bez dodávky do sítě (balkonové FVE)
Tak jak jsem to pochopil já z vyjádření ČEZ Distribuce tak zatím není vyžadován střídač ze seznamu schválených tj. stačí jen střídač s platným prohlášením o schodě pro EU pokud se jedná o mikrozdroj s výkonem do 10,8kW a žadatel nechce elektřinu prodávat tj. pokud se bude jednat o zjednodušené připojení mikrozdroje s nulovým rezervovaným výkonem tj. jen s technologickými přetoky.
Pokud je výkon nižší než 800W (například tato balkonovka 600W s mikroměničem NEP BDM600W) lze veškeré dokumenty včetně revize nahradit kompletně vyplněným a podepsaným formulářem Žádost o uzavření/změnu smlouvy pro zjednodušené připojení mikrozdroje a ve formuláři není potřeba uvádět ani dokládat hodnotu impedance proudové smyčky v místě připojení k distribuční soustavě. Povinnou přílohou formuláře je projektová dokumentace skutečného provedení mikrozdroje (není-li zapojení mikrozdroje provedeno dle předepsaného typového jednopólového schématu viz schemata. Revize v tomto případě není potřeba.
Pokud je výkon 800W a výše (například tato balkonovka 1000W s modráskem) je třeba k formuláři Žádost o uzavření/změnu smlouvy pro zjednodušené připojení mikrozdroje doložit hodnotu impedance proudové smyčky v místě připojení k distribuční soustavě. Změření hodnoty impedance proudové smyčky v místě připojení k distribuční soustavě zajišťuje na své náklady žadatel. Povinnou přílohou formuláře je projektová dokumentace skutečného provedení mikrozdroje (není-li zapojení mikrozdroje provedeno dle předepsaného typového jednopólového schématu viz schemata. Navíc bude potřeba revizní zpráva odběrného místa s předmětem revize instalace mikrozdroje a naměřenou hodnotou impedance proudové smyčky v místě připojení k distribuční soustavě.
Pokud je výkon nižší než 800W (například tato balkonovka 600W s mikroměničem NEP BDM600W) lze veškeré dokumenty včetně revize nahradit kompletně vyplněným a podepsaným formulářem Žádost o uzavření/změnu smlouvy pro zjednodušené připojení mikrozdroje a ve formuláři není potřeba uvádět ani dokládat hodnotu impedance proudové smyčky v místě připojení k distribuční soustavě. Povinnou přílohou formuláře je projektová dokumentace skutečného provedení mikrozdroje (není-li zapojení mikrozdroje provedeno dle předepsaného typového jednopólového schématu viz schemata. Revize v tomto případě není potřeba.
Pokud je výkon 800W a výše (například tato balkonovka 1000W s modráskem) je třeba k formuláři Žádost o uzavření/změnu smlouvy pro zjednodušené připojení mikrozdroje doložit hodnotu impedance proudové smyčky v místě připojení k distribuční soustavě. Změření hodnoty impedance proudové smyčky v místě připojení k distribuční soustavě zajišťuje na své náklady žadatel. Povinnou přílohou formuláře je projektová dokumentace skutečného provedení mikrozdroje (není-li zapojení mikrozdroje provedeno dle předepsaného typového jednopólového schématu viz schemata. Navíc bude potřeba revizní zpráva odběrného místa s předmětem revize instalace mikrozdroje a naměřenou hodnotou impedance proudové smyčky v místě připojení k distribuční soustavě.
- gupa
- Příspěvky: 3875
- Registrován: sob pro 29, 2012 10:22 pm
- Reputace:175
- Lokalita: pod Brnem
- Systémové napětí: 24V
Re: EGD: Zdroje do 800 W bez dodávky do sítě (balkonové FVE)
Ty dvě nabídky Huterman mne připadají jako podfuk. Neexistuje popis řešení přetoků, které dáváš ke konci odstavce jako odkaz "viz schemata".(ČEZ distribuce)
3x2000VA-VMP-par, NiCd 24V, 22x210-320Wp, 2x85A-VMPPT, ABC-&-XYZ mypower.czAť ti to běží jako hodinky na baterku s čerstvou expirací! Zdejší slova: To by bylo, abychom na tom šetření nevydělali! Nový a aktuálně platný je termín v diskuzích na Seznam.cz mediokratická totalita.
- Valdano
- Příspěvky: 2072
- Registrován: čtv črc 21, 2022 5:39 pm
- Reputace:285
- Lokalita: Česká Lípa
- Chci prodávat energii: NE
- Chci/Mám dotaci: NE
Re: EGD: Zdroje do 800 W bez dodávky do sítě (balkonové FVE)
Hutermann je firma, která prodává celou řadu produktů. Kupoval jsem u nich jiné věci a podfuk to nebyl. Podle čeho konkrétně soudíte, že zrovna ta nabídka balkonovky u Hutermanna je podfuk?Ty dvě nabídky Huterman mne připadají jako podfuk.
Ta zjednodušená schémata od ČEZ Distribuce přetoky konkrétním zapojením neřeší a ani nemají za cíl ho konkrétně řešit, proto je tam jen nic neříkají čtvereček s popisem "Zařízení pro omezení přetoků...". Sám distributor ČEZ Distribuce tato zjednodušená schémata nabízí a uvádí, že je žadatelé o připojení mohou použít. Namísto zjednodušeného schématu může žadatel samozřejmě přiložit k žádosti o připojení schéma vlastní dle skutečně provedené instalace kde budou přetoky řešeny konkrétním zapojením třeba s doplněným proudovým relé v případě měniče, který nepodporuje regulaci výstupního výkonu nebo s čidlem pro měření spotřeby u měniče, který má integrovaný limiter pro regulací výstupního výkonu jako je třeba modrásek nebo třeba s modbus elektroměrem a řízením výstupního výkonu měniče přes modbus jako zde v předchozí části tématu zmínil thesaro apod. Prostě konkrétní řešení na omezení přetoků mohou být různá případ od případu a zjednodušené schéma to konkrétním zapojením neřeší, protože je zjednodušené.Neexistuje popis řešení přetoků, které dáváš ke konci odstavce jako odkaz "viz schemata".(ČEZ distribuce)
- gupa
- Příspěvky: 3875
- Registrován: sob pro 29, 2012 10:22 pm
- Reputace:175
- Lokalita: pod Brnem
- Systémové napětí: 24V
Re: EGD: Zdroje do 800 W bez dodávky do sítě (balkonové FVE)
Asi píšu nesrozumitelně, snažím se ale. Přečetl jsem si odstavec.
Otázka, kde mají ty Huterman balkónovky návody, datasheety, informace o zamezení přetoků, na které v dalším odkaze odstavce je odkazováno? Nabízet elektrovýrobny bez informací je podivné. Pokud je něco pro blbce, tak to další informace nepotřebuje?Pokud je výkon nižší než 800W (například tato balkonovka 600W s mikroměničem NEP BDM600W) lze veškeré dokumenty včetně revize nahradit kompletně vyplněným a podepsaným formulářem Žádost o uzavření/změnu smlouvy pro zjednodušené připojení mikrozdroje a ve formuláři není potřeba uvádět ani dokládat hodnotu impedance proudové smyčky v místě připojení k distribuční soustavě. Povinnou přílohou formuláře je projektová dokumentace skutečného provedení mikrozdroje (není-li zapojení mikrozdroje provedeno dle předepsaného typového jednopólového schématu viz schemata. Revize v tomto případě není potřeba.
3x2000VA-VMP-par, NiCd 24V, 22x210-320Wp, 2x85A-VMPPT, ABC-&-XYZ mypower.czAť ti to běží jako hodinky na baterku s čerstvou expirací! Zdejší slova: To by bylo, abychom na tom šetření nevydělali! Nový a aktuálně platný je termín v diskuzích na Seznam.cz mediokratická totalita.
- MikroCZ
- Příspěvky: 211
- Registrován: čtv led 02, 2025 12:47 pm
- Reputace:13
- Lokalita: STredni čechy
- Systémové napětí: 48V
- Výkon panelů [Wp]: 9600
- Kapacita baterie [kWh]: 20
- Chci prodávat energii: NE
- Chci/Mám dotaci: NE
Re: EGD: Zdroje do 800 W bez dodávky do sítě (balkonové FVE)
Voldano děkuji za sdílení informací. Jdu to tedy vyplnit a poslat, a hyň se ukáže 
Díky .
Díky .
- Radar
- Příspěvky: 936
- Registrován: pon lis 15, 2021 11:05 am
- Reputace:55
Re: EGD: Zdroje do 800 W bez dodávky do sítě (balkonové FVE)
Nevím proč se to tu tak složitě pořád dokola řeší...
SOLAX X1 mini 800W (dospělý mikroměnič i s CT sondou proti přetokům) stojí cca 8000, dva 400Wp panely cca 4000, k tomu nějaký ten profil a "pár drátů". Solaxy mají certifikace, lokálního distributora a dobrou podporu, není důvod kupovat v hobbymarketech čínský noname krámy...
Už to tu bylo x krát... pokud opravdu řešíme byt a balkon, je především potřeba zajistit, že je k tomu adekvátní spotřeba.
Ať už přetoky jsou nebo nejsou, ať je někdo měří nebo teprve měřit začne (až se vymění elektroměry), pokud se nespotřebuje to co FVE vyrobí, smysluplnost investice a celé instalace je v háji.
SOLAX X1 mini 800W (dospělý mikroměnič i s CT sondou proti přetokům) stojí cca 8000, dva 400Wp panely cca 4000, k tomu nějaký ten profil a "pár drátů". Solaxy mají certifikace, lokálního distributora a dobrou podporu, není důvod kupovat v hobbymarketech čínský noname krámy...
Už to tu bylo x krát... pokud opravdu řešíme byt a balkon, je především potřeba zajistit, že je k tomu adekvátní spotřeba.
Ať už přetoky jsou nebo nejsou, ať je někdo měří nebo teprve měřit začne (až se vymění elektroměry), pokud se nespotřebuje to co FVE vyrobí, smysluplnost investice a celé instalace je v háji.
poloostrov v módu AC IGNORE
VICTRON system 3F, 3x3000VA + 1F GTI GWL 2000W posila na AC OUT.
6kWp pole 8° západní pultová střecha + MPPT 150/100
3kWP pole 75° jižní fasáda + MPPT 150/45
Baterie LIFEPO4 16S, EEL V5 DIY BOX 280Ah (JK INVERTER BMS)
VICTRON system 3F, 3x3000VA + 1F GTI GWL 2000W posila na AC OUT.
6kWp pole 8° západní pultová střecha + MPPT 150/100
3kWP pole 75° jižní fasáda + MPPT 150/45
Baterie LIFEPO4 16S, EEL V5 DIY BOX 280Ah (JK INVERTER BMS)
- MikroCZ
- Příspěvky: 211
- Registrován: čtv led 02, 2025 12:47 pm
- Reputace:13
- Lokalita: STredni čechy
- Systémové napětí: 48V
- Výkon panelů [Wp]: 9600
- Kapacita baterie [kWh]: 20
- Chci prodávat energii: NE
- Chci/Mám dotaci: NE
Re: EGD: Zdroje do 800 W bez dodávky do sítě (balkonové FVE)
Radar< souhlasím i nesouhlasím. Myšlenku máš správnou, jde vlastně jen o cena/výkon. Balkonovka za 20tisic už lehce pozbývá smyslu levného přikrmování vlastní spotřeby. Ale ano, záleží jaký kdo má standart..
Já se snažím minimalizovat náklady a zajistit maximální zisk, proto se snažím/e najít nejrozumnější cestu.
Já se snažím minimalizovat náklady a zajistit maximální zisk, proto se snažím/e najít nejrozumnější cestu.
- Radar
- Příspěvky: 936
- Registrován: pon lis 15, 2021 11:05 am
- Reputace:55
Re: EGD: Zdroje do 800 W bez dodávky do sítě (balkonové FVE)
Jak jsem psal,.za 20 to zdaleka nebude. Nahoře vidím screen za 13500 a co v tom je za měnič?? Atd, atd.
Doufam, že se zase nerozjede diskuze o tom, že to musí být krám do zásuvky... Nemusí....
Doufam, že se zase nerozjede diskuze o tom, že to musí být krám do zásuvky... Nemusí....
poloostrov v módu AC IGNORE
VICTRON system 3F, 3x3000VA + 1F GTI GWL 2000W posila na AC OUT.
6kWp pole 8° západní pultová střecha + MPPT 150/100
3kWP pole 75° jižní fasáda + MPPT 150/45
Baterie LIFEPO4 16S, EEL V5 DIY BOX 280Ah (JK INVERTER BMS)
VICTRON system 3F, 3x3000VA + 1F GTI GWL 2000W posila na AC OUT.
6kWp pole 8° západní pultová střecha + MPPT 150/100
3kWP pole 75° jižní fasáda + MPPT 150/45
Baterie LIFEPO4 16S, EEL V5 DIY BOX 280Ah (JK INVERTER BMS)
- MikroCZ
- Příspěvky: 211
- Registrován: čtv led 02, 2025 12:47 pm
- Reputace:13
- Lokalita: STredni čechy
- Systémové napětí: 48V
- Výkon panelů [Wp]: 9600
- Kapacita baterie [kWh]: 20
- Chci prodávat energii: NE
- Chci/Mám dotaci: NE
Re: EGD: Zdroje do 800 W bez dodávky do sítě (balkonové FVE)
Beru droboť kolem, ono se to nasčítá, ale chápu, a rozumím tomu. určitě to nemusí končit zástrčkou 
- haryk
- Příspěvky: 9
- Registrován: pon led 23, 2023 4:23 pm
- Reputace:0
Re: EGD: Zdroje do 800 W bez dodávky do sítě (balkonové FVE)
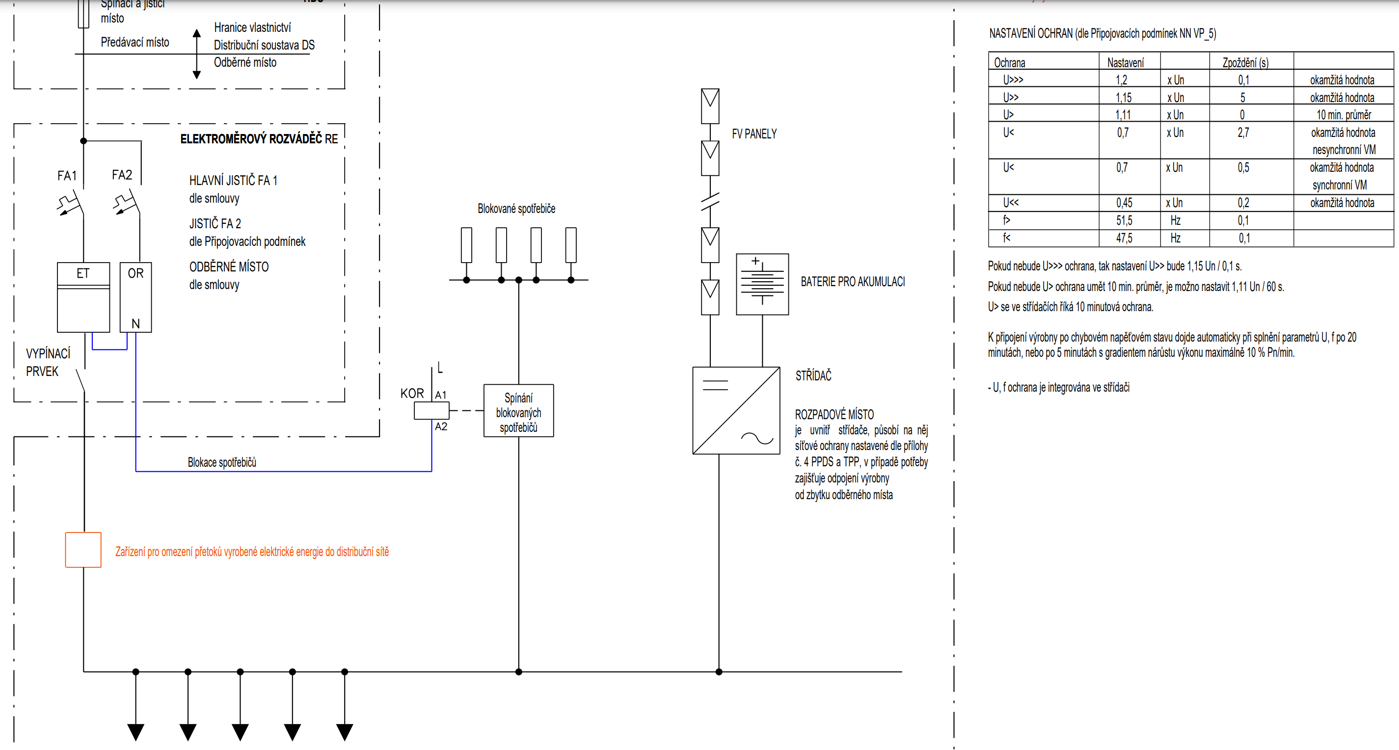
MikroCZ můžeš prosím napsat co jsi ve formuláři uvedl do tabulky s nastavením ochran ? Snažím se zlegalizovat Solax X1 Mini 0,7kw, mám i změřenou impedanci a revizi, ale s tímto si nevím rady. Díky
- cipis
- Moderátor
- Příspěvky: 7100
- Registrován: pon srp 16, 2021 9:31 pm
- Reputace:999
- Lokalita: blízko Brna
- Systémové napětí: 24V
- Výkon panelů [Wp]: 13+ kWp
- Kapacita baterie [kWh]: 40+26
- Chci prodávat energii: NE
- Chci/Mám dotaci: NE
- Bydliště: blízko Brna
Re: EGD: Zdroje do 800 W bez dodávky do sítě (balkonové FVE)
Tam nejde napsat "dle normy"?
16+ kWp: 9850 Wp Jih, 2040 Wp Východ, 1490 Wp Západ, 2700 Wp mikroinvertory
Regulátory Epever a Victron
MP 24/5000 + Deye mikroinvertory 1+2,2 kW (můj byt + máti byt)
MP 24/1200 inet, sit, kamery atd.
Phoenix 24/5000 vytěžování do akumulačních kamen
Epever 3kW vytěžování do bojlerů + žebříky
1 kW "nabíječka" 24 V
40+ kWh staré olovo 26+ kWh Li-Ion
několik dalších MP jako záložní zdroje na různých místech
Modře píši jako moderátor, černě jako člen.
Regulátory Epever a Victron
MP 24/5000 + Deye mikroinvertory 1+2,2 kW (můj byt + máti byt)
MP 24/1200 inet, sit, kamery atd.
Phoenix 24/5000 vytěžování do akumulačních kamen
Epever 3kW vytěžování do bojlerů + žebříky
1 kW "nabíječka" 24 V
40+ kWh staré olovo 26+ kWh Li-Ion
několik dalších MP jako záložní zdroje na různých místech
Modře píši jako moderátor, černě jako člen.
- MikroCZ
- Příspěvky: 211
- Registrován: čtv led 02, 2025 12:47 pm
- Reputace:13
- Lokalita: STredni čechy
- Systémové napětí: 48V
- Výkon panelů [Wp]: 9600
- Kapacita baterie [kWh]: 20
- Chci prodávat energii: NE
- Chci/Mám dotaci: NE
Re: EGD: Zdroje do 800 W bez dodávky do sítě (balkonové FVE)
Zaškrtni "Ano" a hned vedle 1pol schema bez ostrovu. Nic víc.haryk píše: pát led 31, 2025 9:31 amMikroCZ můžeš prosím napsat co jsi ve formuláři uvedl do tabulky s nastavením ochran ? Snažím se zlegalizovat Solax X1 Mini 0,7kw, mám i změřenou impedanci a revizi, ale s tímto si nevím rady. Díky
- Valdano
- Příspěvky: 2072
- Registrován: čtv črc 21, 2022 5:39 pm
- Reputace:285
- Lokalita: Česká Lípa
- Chci prodávat energii: NE
- Chci/Mám dotaci: NE
Re: EGD: Zdroje do 800 W bez dodávky do sítě (balkonové FVE)
Tento eshop zřejmě k tomu poskytuje dokumentaci až poté co si to koupíte. Už jsem se setkal s různými produkty, ke kterým byla k dispozici dokumentace i s parametry až po nákupu a nebyl to podvod. Potenciálnímu kupci přece nic nebrání před nákupem napsat dotaz a zeptat se na některé parametry k tomu a pokud se nedozví co potřebuje vědět tak si to prostě nekoupí. Nikdo nikoho nenutí si to kupovat. Kontakt je dole na stránce toho eshopu.gupa píše: pát led 31, 2025 3:03 amOtázka, kde mají ty Huterman balkónovky návody, datasheety, informace o zamezení přetoků, na které v dalším odkaze odstavce je odkazováno? Nabízet elektrovýrobny bez informací je podivné.
Mimochodem už jsem se setkal s případy kdy nebyla dokumentace ani specifikace podrobnějších parametrů k určitým produktům ke stažení ani na webu výrobce. Když jsem kontaktoval oficiálního distributora a zároveň i prodejce v ČR a požádal o zaslání dokumentace tak požadovali uvedení výrobního čísla, aby mohli zkontrolovat jestli to bylo dodáno přes toho distributora v ČR a zdůvodnili to tím, že k tomu mají dokumentaci jen v češtině, kterou přikládají ke každému kusu, který přes ně prochází, překlad pořídili na vlastní náklady, které jim výrobce toho produktu nehradil a volně ho předem neposkytují, protože by toho zneužívali někteří uživatelé, kteří by si ten produkt koupili levněji někde v zahraničí a od nich by si pak jen stahovali dokumentaci aniž by se jednalo o kusy dodané přes toho distributora v ČR, a to prostě nehodlají podporovat. Takže dokumentaci předem bez nákupu vůbec nebylo možné získat. A nejednalo se o žádný podvod tj. někteří distributoři i prodejci u některých produktů skutečně takto postupují.
- Valdano
- Příspěvky: 2072
- Registrován: čtv črc 21, 2022 5:39 pm
- Reputace:285
- Lokalita: Česká Lípa
- Chci prodávat energii: NE
- Chci/Mám dotaci: NE
Re: EGD: Zdroje do 800 W bez dodávky do sítě (balkonové FVE)
Jen na doplnění. V eshopu Hutermann je tam v popisu uveden použitý typ měniče NEP BDM600, ke kterému se dá stáhnout dokumentace jinde. Je to balkonovka bez limiteru tj. přetoky to vůbec neřeší podobně jako některé balkonovky prodávané v Německu. Taková balkonovka je vhodná pro uživatele, který má přes den zajištěn takový trvalý odběr, že k přetokům přes aktuální technologický limit i bez limiteru vůbec nebude docházet.gupa píše: pát led 31, 2025 3:03 amOtázka, kde mají ty Huterman balkónovky návody, datasheety, informace o zamezení přetoků...
- JirkaE
- Příspěvky: 2388
- Registrován: pát dub 21, 2023 7:17 pm
- Reputace:347
- Lokalita: Kousek od Rozvadova
- Systémové napětí: 48V
- Výkon panelů [Wp]: 7350
- Kapacita baterie [kWh]: 38
- Chci prodávat energii: NE
- Chci/Mám dotaci: NE
Re: EGD: Zdroje do 800 W bez dodávky do sítě (balkonové FVE)
K tomu krásnému evropskému přehledu moje dnešní zkušenost, co jsem viděl na vlastní oči 
Legální balkonovka 800W bez limiteru v Německu, s revizí, zaregistrovaná a připojená se souhlasem dodavatele energií.
9 panelů 435Wp zapojených 3S3P přes Victron 250/70 do baterie 6,2kWh. Z baterie 2 DC jističe a 2 vstupy na mikroměnič 800W a přes digitální elektroměr z Alíku v krabičce - do zásuvky.
Ovládání jedno, napěťové relé - při poklesu na 48V baterie - stykač zásuvku a tím mikroměnič odpojí, jinak to hrne 800W do domácnosti a do sítě non-stop 24h denně.
Přes den když jsou v práci tak je jediné ovládání na 300W žebřík a 300W přímotop 2 x wifi zásuvka.
Komentář majitele: ,,když vidím že jde do sítě moc, pustím přímotop"
Legální balkonovka 800W bez limiteru v Německu, s revizí, zaregistrovaná a připojená se souhlasem dodavatele energií.
9 panelů 435Wp zapojených 3S3P přes Victron 250/70 do baterie 6,2kWh. Z baterie 2 DC jističe a 2 vstupy na mikroměnič 800W a přes digitální elektroměr z Alíku v krabičce - do zásuvky.
Ovládání jedno, napěťové relé - při poklesu na 48V baterie - stykač zásuvku a tím mikroměnič odpojí, jinak to hrne 800W do domácnosti a do sítě non-stop 24h denně.
Přes den když jsou v práci tak je jediné ovládání na 300W žebřík a 300W přímotop 2 x wifi zásuvka.
Komentář majitele: ,,když vidím že jde do sítě moc, pustím přímotop"
Porovnání všech 4 stringů a nově i finálový celek s Victron a teploty vody bojlerů 1-3 a už i e-Transit
:
DC/AC - WATTMETR / Victron / Bojlery / E-Transit / DS
Domovské vlákno : Jirkova FVE
Spirály v bazaru : Spirály 55V - Je tam i ten test
DC/AC - WATTMETR / Victron / Bojlery / E-Transit / DS
Domovské vlákno : Jirkova FVE
Spirály v bazaru : Spirály 55V - Je tam i ten test
- Valdano
- Příspěvky: 2072
- Registrován: čtv črc 21, 2022 5:39 pm
- Reputace:285
- Lokalita: Česká Lípa
- Chci prodávat energii: NE
- Chci/Mám dotaci: NE
Re: EGD: Zdroje do 800 W bez dodávky do sítě (balkonové FVE)
V Německu zvedli limit na 800W už od 1.1.2024. U nás v ČR zatím platí max. výkon 300W ve čtvrthodině a od 29.11.2024 ještě navíc max. 30kWh/měsíc což se např. s 800W balkonovkou bez limiteru dá v letních měsících přešvihnout pokud není přes den v domácnosti dostatečný odběr, aby to pobral. Při použití např. modráska nebo jiného měniče s limitertem se přetokům dá zabránit. U běžných balkonovek, které se prodávají bez limiteru i bez baterie by měl potenciální uživatel v ČR dobře zvážit zda vzhledem k nízké trvalé spotřebě domácnosti přes den nebude mít problém s přetoky.
Modrásek umožňuje namísto panelů připojit baterii s regulátorem pro nabíjení baterie, ale tím se instalace logicky prodraží. Dá se to řešit i postupně tj. nejprve si složit balkonovku s modráskem a panely bez baterie a nějakou dobu to takto provozovat a až později udělat rozšíření tj. doplnit baterii a regulátor pro nabíjení.
Zaslal jsme na ERU návrh k tomu, aby v následujícím cenovém rozhodnutí ERU zvýšil limity pro výrobny s nulovým rezervovaným výkonem ze stávající 300W ve čtvrthodině a 30 kWh měsíčně na 800W ve čtvrthodině a 80 kWh měsíčně.
Modrásek umožňuje namísto panelů připojit baterii s regulátorem pro nabíjení baterie, ale tím se instalace logicky prodraží. Dá se to řešit i postupně tj. nejprve si složit balkonovku s modráskem a panely bez baterie a nějakou dobu to takto provozovat a až později udělat rozšíření tj. doplnit baterii a regulátor pro nabíjení.
Zaslal jsme na ERU návrh k tomu, aby v následujícím cenovém rozhodnutí ERU zvýšil limity pro výrobny s nulovým rezervovaným výkonem ze stávající 300W ve čtvrthodině a 30 kWh měsíčně na 800W ve čtvrthodině a 80 kWh měsíčně.
- JirkaE
- Příspěvky: 2388
- Registrován: pát dub 21, 2023 7:17 pm
- Reputace:347
- Lokalita: Kousek od Rozvadova
- Systémové napětí: 48V
- Výkon panelů [Wp]: 7350
- Kapacita baterie [kWh]: 38
- Chci prodávat energii: NE
- Chci/Mám dotaci: NE
Re: EGD: Zdroje do 800 W bez dodávky do sítě (balkonové FVE)
To byl jen příklad k tomu seznamu - jak je to všude jinde v Evropě...
A jak to lze udělat v Německu a legálně.
Nikoliv návod
Samozřejmě je to nesmysl s trvalou spotřebou 200W - hlavně to nechávat běžet přes noc.
Za 8h je sice ušetřených 1,6kWh ALE ZÁROVEŇ 4,8kWh pryč na přetocích (v DE zadarmo do sítě) = NESMYSL
Jiná situace by byla ale řízených například 4 x 200W
Kde by přes noc běželo pouze těch 200W (tedy podle spotřeby)


A jak to lze udělat v Německu a legálně.
Nikoliv návod
Samozřejmě je to nesmysl s trvalou spotřebou 200W - hlavně to nechávat běžet přes noc.
Za 8h je sice ušetřených 1,6kWh ALE ZÁROVEŇ 4,8kWh pryč na přetocích (v DE zadarmo do sítě) = NESMYSL
Jiná situace by byla ale řízených například 4 x 200W
To je naprosto perfektní a držím palce aby to dopadloValdano píše: ned úno 02, 2025 5:15 pmZaslal jsme na ERU návrh k tomu, aby v následujícím cenovém rozhodnutí ERU zvýšil limity pro výrobny s nulovým rezervovaným výkonem ze stávající 300W ve čtvrthodině a 30 kWh měsíčně na 800W ve čtvrthodině a 80 kWh měsíčně.
Porovnání všech 4 stringů a nově i finálový celek s Victron a teploty vody bojlerů 1-3 a už i e-Transit
:
DC/AC - WATTMETR / Victron / Bojlery / E-Transit / DS
Domovské vlákno : Jirkova FVE
Spirály v bazaru : Spirály 55V - Je tam i ten test
DC/AC - WATTMETR / Victron / Bojlery / E-Transit / DS
Domovské vlákno : Jirkova FVE
Spirály v bazaru : Spirály 55V - Je tam i ten test
- haryk
- Příspěvky: 9
- Registrován: pon led 23, 2023 4:23 pm
- Reputace:0
Re: EGD: Zdroje do 800 W bez dodávky do sítě (balkonové FVE)
Nevím, jak dopadl MikroCZ, ale mně byla žádost o zjedodušené připojení mikrozdroje Solax X1 Mini 0,7kw odmítnuta s odůvodněním, že jsem ve formuláři neuvedl nastavení ochran a revizní zprávu. Na revizní zprávě se pracuje, ale co s tím nastavením ochran, to fakt netuším.
- Radar
- Příspěvky: 936
- Registrován: pon lis 15, 2021 11:05 am
- Reputace:55
Re: EGD: Zdroje do 800 W bez dodávky do sítě (balkonové FVE)
Tak sis dal blbou žádost.
Zjednodušeně připojení mikrozdroje není balkonové fotovoltaika do 800w....
Zjednodušeně připojení mikrozdroje není balkonové fotovoltaika do 800w....
poloostrov v módu AC IGNORE
VICTRON system 3F, 3x3000VA + 1F GTI GWL 2000W posila na AC OUT.
6kWp pole 8° západní pultová střecha + MPPT 150/100
3kWP pole 75° jižní fasáda + MPPT 150/45
Baterie LIFEPO4 16S, EEL V5 DIY BOX 280Ah (JK INVERTER BMS)
VICTRON system 3F, 3x3000VA + 1F GTI GWL 2000W posila na AC OUT.
6kWp pole 8° západní pultová střecha + MPPT 150/100
3kWP pole 75° jižní fasáda + MPPT 150/45
Baterie LIFEPO4 16S, EEL V5 DIY BOX 280Ah (JK INVERTER BMS)
- MikroCZ
- Příspěvky: 211
- Registrován: čtv led 02, 2025 12:47 pm
- Reputace:13
- Lokalita: STredni čechy
- Systémové napětí: 48V
- Výkon panelů [Wp]: 9600
- Kapacita baterie [kWh]: 20
- Chci prodávat energii: NE
- Chci/Mám dotaci: NE
Re: EGD: Zdroje do 800 W bez dodávky do sítě (balkonové FVE)
Haryku, ne, ta žádost je správně. Jen nastavení ochran, nemáš řešit, když si pripojenej podle jejich schema, to prostě je ten guláš...
Radar@ je u ČEZ ne EGD! To je právě ta magořina..
Radar@ je u ČEZ ne EGD! To je právě ta magořina..
Kdo je online
Uživatelé procházející toto fórum: Claudebot [Bot]
