Leoshavla FVE
Souhrn tématu
Ve fóru Leoshavla FVE uživatelé sdílejí své zkušenosti s využitím digitálních vstupů a alarmů ve VRM systému pro fotovoltaiku. Diskutují o nastavení notifikací, ovládání relé přes Node-RED a praktických řešeních pro efektivní správu FVE. Inspirují se inovativními nápady, jako je stahování baterie pomocí vzduchu a využití PLC pro jednodušší ovládání.
- leoshavla
- Příspěvky: 550
- Registrován: stř bře 23, 2022 7:43 am
- Reputace:76
Re: Leoshavla FVE
Je to 30let starý bojler Tatramat, ale nerezový, tam ještě žádná anoda nebyla a nechce se mně navařovat další příruba, asi tam dám zpátky AC těleso a z DC udělám průtokáč k bazénu v plastovém plášti
ale nevím co s tělesem bude dělat chlorová voda, když nechám uzemněné mínus, to se uvidí.
Z Ali mně už přišli snímače průtoku, tak asi něco vytvořím
Z Ali mně už přišli snímače průtoku, tak asi něco vytvořím
1. Jih 300Wp, J-Z otočný 300Wp, 12V Carspa 1500W, 2x MPPT Victron 100/20, Lifepo4 105+135Ah 
2. JZ 8 kWp sklon 15st.solárni přístřešek stř. krytina 18x JA Solar Bifacial , 2x Multiplus 5000, 2x MPPT Victron 150/85, vyhřívaný bat.box 16x Lifepo4 LF304Ah JKBMS 200A V15, Cerbo GX, SmartShunt 300A
2. JZ 8 kWp sklon 15st.solárni přístřešek stř. krytina 18x JA Solar Bifacial , 2x Multiplus 5000, 2x MPPT Victron 150/85, vyhřívaný bat.box 16x Lifepo4 LF304Ah JKBMS 200A V15, Cerbo GX, SmartShunt 300A
- JirkaE
- Příspěvky: 2343
- Registrován: pát dub 21, 2023 7:17 pm
- Reputace:338
- Lokalita: Kousek od Rozvadova
- Systémové napětí: 48V
- Výkon panelů [Wp]: 7350
- Kapacita baterie [kWh]: 38
- Chci prodávat energii: NE
- Chci/Mám dotaci: NE
Re: Leoshavla FVE
To co píše Cipis zní logicky. Spíš se zaměřit na to uzemnění.
Pokud se do země dostane něco z konstrukce panelů a panelů - a je to celé v zemi promáčené - pak to může být ta příčina, pokud se vrátí do baráku někde zemí po PE jako bludný proud.
A tím že je ta DZD z mědi, jen potažená nějakým chromem a mínus je trvale připojené... - mohl to být důvod i vysvětlení
Pokud bude uzemnění v pořádku, nemělo by to u Tebe nic dělat, obojí je nerez.
Nerez zvládá i chlorovanou vodu.
Pokud se do země dostane něco z konstrukce panelů a panelů - a je to celé v zemi promáčené - pak to může být ta příčina, pokud se vrátí do baráku někde zemí po PE jako bludný proud.
A tím že je ta DZD z mědi, jen potažená nějakým chromem a mínus je trvale připojené... - mohl to být důvod i vysvětlení
Pokud bude uzemnění v pořádku, nemělo by to u Tebe nic dělat, obojí je nerez.
Nerez zvládá i chlorovanou vodu.
Porovnání všech 4 stringů a nově i finálový celek s Victron a teploty vody bojlerů 1-3 a už i e-Transit
: DC - WATTMETR / Victron / Bojlery
Domovské vlákno : Jirkova FVE
Spirály v bazaru : Spirály 55V - Je tam i ten test
Domovské vlákno : Jirkova FVE
Spirály v bazaru : Spirály 55V - Je tam i ten test
- leoshavla
- Příspěvky: 550
- Registrován: stř bře 23, 2022 7:43 am
- Reputace:76
Re: Leoshavla FVE
Zapnul jsem ve VRM sledování DC spotřeby, ale žádnou DC zátěž nemám.
Myslíte si že je to ukazuje spotřebu těch MP2 mám dva v paralelu. Litá to mezi 35-60W
Myslíte si že je to ukazuje spotřebu těch MP2 mám dva v paralelu. Litá to mezi 35-60W
1. Jih 300Wp, J-Z otočný 300Wp, 12V Carspa 1500W, 2x MPPT Victron 100/20, Lifepo4 105+135Ah 
2. JZ 8 kWp sklon 15st.solárni přístřešek stř. krytina 18x JA Solar Bifacial , 2x Multiplus 5000, 2x MPPT Victron 150/85, vyhřívaný bat.box 16x Lifepo4 LF304Ah JKBMS 200A V15, Cerbo GX, SmartShunt 300A
2. JZ 8 kWp sklon 15st.solárni přístřešek stř. krytina 18x JA Solar Bifacial , 2x Multiplus 5000, 2x MPPT Victron 150/85, vyhřívaný bat.box 16x Lifepo4 LF304Ah JKBMS 200A V15, Cerbo GX, SmartShunt 300A
- cipis
- Moderátor
- Příspěvky: 7014
- Registrován: pon srp 16, 2021 9:31 pm
- Reputace:984
- Lokalita: blízko Brna
- Systémové napětí: 24V
- Výkon panelů [Wp]: 13+ kWp
- Kapacita baterie [kWh]: 40+26
- Chci prodávat energii: NE
- Chci/Mám dotaci: NE
- Bydliště: blízko Brna
Re: Leoshavla FVE
Ano, a zazrakem ti klesl vystup. Lhani Victronu, proto tvrdosijne odmitaji kontrolni elektromer na vystupu.
Svou zravost proste vzdycky nejak zamaskuji.
Do te doby, nez pripojis shunt jako dc spotreba, tak tam bude ukazovat tohle. A kdyz to zapojis, tak pak zase zacne maskovat do vystupniho vykonu, protoze by jinak uz ocividne lhal. Tahle lze skryte.
Svou zravost proste vzdycky nejak zamaskuji.
Do te doby, nez pripojis shunt jako dc spotreba, tak tam bude ukazovat tohle. A kdyz to zapojis, tak pak zase zacne maskovat do vystupniho vykonu, protoze by jinak uz ocividne lhal. Tahle lze skryte.
16+ kWp: 9850 Wp Jih, 2040 Wp Východ, 1490 Wp Západ, 2700 Wp mikroinvertory
Regulátory Epever a Victron
MP 24/5000 + Deye mikroinvertory 1+2,2 kW (můj byt + máti byt)
MP 24/1200 inet, sit, kamery atd.
Phoenix 24/5000 vytěžování do akumulačních kamen
Epever 3kW vytěžování do bojlerů + žebříky
1 kW "nabíječka" 24 V
40+ kWh staré olovo 26+ kWh Li-Ion
několik dalších MP jako záložní zdroje na různých místech
Modře píši jako moderátor, černě jako člen.
Regulátory Epever a Victron
MP 24/5000 + Deye mikroinvertory 1+2,2 kW (můj byt + máti byt)
MP 24/1200 inet, sit, kamery atd.
Phoenix 24/5000 vytěžování do akumulačních kamen
Epever 3kW vytěžování do bojlerů + žebříky
1 kW "nabíječka" 24 V
40+ kWh staré olovo 26+ kWh Li-Ion
několik dalších MP jako záložní zdroje na různých místech
Modře píši jako moderátor, černě jako člen.
- leoshavla
- Příspěvky: 550
- Registrován: stř bře 23, 2022 7:43 am
- Reputace:76
Re: Leoshavla FVE
Ok, díky
ale ta žravost není zase tak strašná těch průměrných 40-50W za oba je dobrý, oproti kombibednám typu Axpert apod.
ale ta žravost není zase tak strašná těch průměrných 40-50W za oba je dobrý, oproti kombibednám typu Axpert apod.
1. Jih 300Wp, J-Z otočný 300Wp, 12V Carspa 1500W, 2x MPPT Victron 100/20, Lifepo4 105+135Ah 
2. JZ 8 kWp sklon 15st.solárni přístřešek stř. krytina 18x JA Solar Bifacial , 2x Multiplus 5000, 2x MPPT Victron 150/85, vyhřívaný bat.box 16x Lifepo4 LF304Ah JKBMS 200A V15, Cerbo GX, SmartShunt 300A
2. JZ 8 kWp sklon 15st.solárni přístřešek stř. krytina 18x JA Solar Bifacial , 2x Multiplus 5000, 2x MPPT Victron 150/85, vyhřívaný bat.box 16x Lifepo4 LF304Ah JKBMS 200A V15, Cerbo GX, SmartShunt 300A
- leoshavla
- Příspěvky: 550
- Registrován: stř bře 23, 2022 7:43 am
- Reputace:76
Re: Leoshavla FVE
Jak nastavujete tyto hodnoty na vypnutí MP2 48/5000
Díky
Díky
1. Jih 300Wp, J-Z otočný 300Wp, 12V Carspa 1500W, 2x MPPT Victron 100/20, Lifepo4 105+135Ah 
2. JZ 8 kWp sklon 15st.solárni přístřešek stř. krytina 18x JA Solar Bifacial , 2x Multiplus 5000, 2x MPPT Victron 150/85, vyhřívaný bat.box 16x Lifepo4 LF304Ah JKBMS 200A V15, Cerbo GX, SmartShunt 300A
2. JZ 8 kWp sklon 15st.solárni přístřešek stř. krytina 18x JA Solar Bifacial , 2x Multiplus 5000, 2x MPPT Victron 150/85, vyhřívaný bat.box 16x Lifepo4 LF304Ah JKBMS 200A V15, Cerbo GX, SmartShunt 300A
- pibi
- Příspěvky: 1715
- Registrován: ned led 01, 2023 6:17 pm
- Reputace:396
- Lokalita: Východně od 3nce
- Systémové napětí: 48V
- Výkon panelů [Wp]: 16kWp
- Kapacita baterie [kWh]: 44kWh
- Chci prodávat energii: NE
- Chci/Mám dotaci: NE
Re: Leoshavla FVE
Ten restart je asi zbytečně vysoko, dal bych 49-50V
9,2kWp JV 45°, 4,6kWp JZ 45°, 2,3kWp JV 90°, 2 x Victron MP II 5kVA, 3 x SmartSolar 150/70, Smartshunt, Cerbo, 16x280Ah + 16X300Ah + 16x300Ah LiFePO4 + 3xJK BMS.
K levné elektřině se dostaneme jen vytrvalou prací a svým kapitálem. Vladimír List, Elektrisace Československa 1934
K levné elektřině se dostaneme jen vytrvalou prací a svým kapitálem. Vladimír List, Elektrisace Československa 1934
- gupa
- Příspěvky: 3807
- Registrován: sob pro 29, 2012 10:22 pm
- Reputace:173
- Lokalita: pod Brnem
- Systémové napětí: 24V
Re: Leoshavla FVE
Nebude to cyklovat když to bude mít restart napětí tak blízko vypínacímu?
3x2000VA-VMP-par, NiCd 24V, 22x210-320Wp, 2x85A-VMPPT, ABC-&-XYZ mypower.czAť ti to běží jako hodinky na baterku s čerstvou expirací! Zdejší slova: To by bylo, abychom na tom šetření nevydělali!
- leoshavla
- Příspěvky: 550
- Registrován: stř bře 23, 2022 7:43 am
- Reputace:76
Re: Leoshavla FVE
Kdo si hraje nezlobí
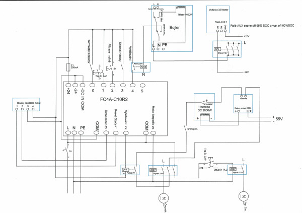
vymýšlím vytěžování na léto do venkovního bojleru a bazénu 
AUX relé Multiplusu má psané max. napětí 70V DC a 120V AC nevíte proč ?
AUX relé Multiplusu má psané max. napětí 70V DC a 120V AC nevíte proč ?
Naposledy upravil(a) leoshavla dne úte úno 24, 2026 10:09 pm, celkem upraveno 1 x.
1. Jih 300Wp, J-Z otočný 300Wp, 12V Carspa 1500W, 2x MPPT Victron 100/20, Lifepo4 105+135Ah 
2. JZ 8 kWp sklon 15st.solárni přístřešek stř. krytina 18x JA Solar Bifacial , 2x Multiplus 5000, 2x MPPT Victron 150/85, vyhřívaný bat.box 16x Lifepo4 LF304Ah JKBMS 200A V15, Cerbo GX, SmartShunt 300A
2. JZ 8 kWp sklon 15st.solárni přístřešek stř. krytina 18x JA Solar Bifacial , 2x Multiplus 5000, 2x MPPT Victron 150/85, vyhřívaný bat.box 16x Lifepo4 LF304Ah JKBMS 200A V15, Cerbo GX, SmartShunt 300A
- pibi
- Příspěvky: 1715
- Registrován: ned led 01, 2023 6:17 pm
- Reputace:396
- Lokalita: Východně od 3nce
- Systémové napětí: 48V
- Výkon panelů [Wp]: 16kWp
- Kapacita baterie [kWh]: 44kWh
- Chci prodávat energii: NE
- Chci/Mám dotaci: NE
Re: Leoshavla FVE
Asi proto, že víc bezpečně nerozepne.
9,2kWp JV 45°, 4,6kWp JZ 45°, 2,3kWp JV 90°, 2 x Victron MP II 5kVA, 3 x SmartSolar 150/70, Smartshunt, Cerbo, 16x280Ah + 16X300Ah + 16x300Ah LiFePO4 + 3xJK BMS.
K levné elektřině se dostaneme jen vytrvalou prací a svým kapitálem. Vladimír List, Elektrisace Československa 1934
K levné elektřině se dostaneme jen vytrvalou prací a svým kapitálem. Vladimír List, Elektrisace Československa 1934
- leoshavla
- Příspěvky: 550
- Registrován: stř bře 23, 2022 7:43 am
- Reputace:76
Re: Leoshavla FVE
Cívku stykače AC230 by to mohlo zvládnout. Nepoužívá to tak někdo?
1. Jih 300Wp, J-Z otočný 300Wp, 12V Carspa 1500W, 2x MPPT Victron 100/20, Lifepo4 105+135Ah 
2. JZ 8 kWp sklon 15st.solárni přístřešek stř. krytina 18x JA Solar Bifacial , 2x Multiplus 5000, 2x MPPT Victron 150/85, vyhřívaný bat.box 16x Lifepo4 LF304Ah JKBMS 200A V15, Cerbo GX, SmartShunt 300A
2. JZ 8 kWp sklon 15st.solárni přístřešek stř. krytina 18x JA Solar Bifacial , 2x Multiplus 5000, 2x MPPT Victron 150/85, vyhřívaný bat.box 16x Lifepo4 LF304Ah JKBMS 200A V15, Cerbo GX, SmartShunt 300A
- Dagus
- Příspěvky: 2198
- Registrován: ned úno 17, 2019 9:07 pm
- Reputace:227
- Lokalita: Liberec
- Systémové napětí: 48V
- Výkon panelů [Wp]: 7820
- Kapacita baterie [kWh]: 32
- Chci prodávat energii: NE
- Chci/Mám dotaci: NE
Re: Leoshavla FVE
A proč si tam nedáš stykač na dc 48V? Jinak tsky to může být jako ve venusu. Relé bylo na 250V, ale neměli DPS dělanou na 250V a tedy oficiálně nejde.
7820Wp, SV 12° 1710Wp Poly, J 90° 1820Wp Mono, JZ 12° 1680Wp Poly, JZ2 12° 1800Wp Mono, J 40° 810Wp Hyundai
MP2 5000VA, MPPT1 150/60tr, MPPT2 150/60tr, 16.8kWh 17S 310Ah AKU1, 15.2kWh 17S 280Ah AKU 2, 2xJK-BMS
MP2 5000VA, MPPT1 150/60tr, MPPT2 150/60tr, 16.8kWh 17S 310Ah AKU1, 15.2kWh 17S 280Ah AKU 2, 2xJK-BMS
- ElektroEzs
- Příspěvky: 3016
- Registrován: stř zář 21, 2022 10:03 am
- Reputace:114
- Lokalita: okolí Teplic
- Systémové napětí: 48V
- Výkon panelů [Wp]: 8340
- Kapacita baterie [kWh]: 14,4
- Chci prodávat energii: NE
- Chci/Mám dotaci: NE
Re: Leoshavla FVE
Ja tam dal radeji externi rele na 48V a pak stykac.leoshavla píše: stř úno 25, 2026 6:48 amCívku stykače AC230 by to mohlo zvládnout. Nepoužívá to tak někdo?
1: JZ 5460 Wp Ja Solar, JV 960 Wp Leapton, SV 1920 Wp Leapton, MPPT 250/100, MPPT 150/35, MPPT 150/45, 2x parallel Multiplus 2 5000VA, Cerbo GX + touch LCD, 2x 16 x EVE 332Ah LiFePO4 + JK BMS 200A + SmartShunt 500A
2: JZ 3600 Wp Canadian Solar, V 1800 Wp Canadian Solar, MPPT 150/70, MPPT 150/35, Multiplus 2 5000VA, Cerbo GX + touch LCD, 16 x EVE 280Ah LiFePO4 + JK BMS 200A + BMV700
2: JZ 3600 Wp Canadian Solar, V 1800 Wp Canadian Solar, MPPT 150/70, MPPT 150/35, Multiplus 2 5000VA, Cerbo GX + touch LCD, 16 x EVE 280Ah LiFePO4 + JK BMS 200A + BMV700
- leoshavla
- Příspěvky: 550
- Registrován: stř bře 23, 2022 7:43 am
- Reputace:76
Re: Leoshavla FVE
Mám v plánu tam dát stykač na DC12V protože i v Cerbu mám 12V.
Jen mě zajímalo proč mají max AC 120V bude tam nějaké klasické 4A relé
Jen mě zajímalo proč mají max AC 120V bude tam nějaké klasické 4A relé
1. Jih 300Wp, J-Z otočný 300Wp, 12V Carspa 1500W, 2x MPPT Victron 100/20, Lifepo4 105+135Ah 
2. JZ 8 kWp sklon 15st.solárni přístřešek stř. krytina 18x JA Solar Bifacial , 2x Multiplus 5000, 2x MPPT Victron 150/85, vyhřívaný bat.box 16x Lifepo4 LF304Ah JKBMS 200A V15, Cerbo GX, SmartShunt 300A
2. JZ 8 kWp sklon 15st.solárni přístřešek stř. krytina 18x JA Solar Bifacial , 2x Multiplus 5000, 2x MPPT Victron 150/85, vyhřívaný bat.box 16x Lifepo4 LF304Ah JKBMS 200A V15, Cerbo GX, SmartShunt 300A
- pibi
- Příspěvky: 1715
- Registrován: ned led 01, 2023 6:17 pm
- Reputace:396
- Lokalita: Východně od 3nce
- Systémové napětí: 48V
- Výkon panelů [Wp]: 16kWp
- Kapacita baterie [kWh]: 44kWh
- Chci prodávat energii: NE
- Chci/Mám dotaci: NE
Re: Leoshavla FVE
Známý má FVE od Ostrovních elektráren a tam relé ve Venusu spíná cívku stykače 230V. Doma mám vše přes pomocná relé, nebo ministykače 12/24V.
https://www.google.com/search?q=bezpe%C ... e&ie=UTF-8
Izolační vzdálenosti na DPS.
Minimální povrchová cesta (Creepage): Jedná se o nejkratší vzdálenost mezi dvěma vodivými částmi po povrchu izolantu. Pro 230V se doporučuje 3,2 mm až 5 mm, v průmyslovém prostředí s vyšším znečištěním (Pollution Degree 2-3) i více.
Zesílená izolace (např. oddělení 230V od bezpečného napětí SELV): Pro vyšší bezpečnost se doporučuje vzdálenost 6 až 8 mm.
Pro SELV tedy nevyhoví ani běžný optočlen s RM 7,5mm, minimálně 10mm, nebo profrézovaná mezera.
https://www.google.com/search?q=bezpe%C ... e&ie=UTF-8
Izolační vzdálenosti na DPS.
Minimální povrchová cesta (Creepage): Jedná se o nejkratší vzdálenost mezi dvěma vodivými částmi po povrchu izolantu. Pro 230V se doporučuje 3,2 mm až 5 mm, v průmyslovém prostředí s vyšším znečištěním (Pollution Degree 2-3) i více.
Zesílená izolace (např. oddělení 230V od bezpečného napětí SELV): Pro vyšší bezpečnost se doporučuje vzdálenost 6 až 8 mm.
Pro SELV tedy nevyhoví ani běžný optočlen s RM 7,5mm, minimálně 10mm, nebo profrézovaná mezera.
9,2kWp JV 45°, 4,6kWp JZ 45°, 2,3kWp JV 90°, 2 x Victron MP II 5kVA, 3 x SmartSolar 150/70, Smartshunt, Cerbo, 16x280Ah + 16X300Ah + 16x300Ah LiFePO4 + 3xJK BMS.
K levné elektřině se dostaneme jen vytrvalou prací a svým kapitálem. Vladimír List, Elektrisace Československa 1934
K levné elektřině se dostaneme jen vytrvalou prací a svým kapitálem. Vladimír List, Elektrisace Československa 1934
- leoshavla
- Příspěvky: 550
- Registrován: stř bře 23, 2022 7:43 am
- Reputace:76
Re: Leoshavla FVE
Nevím jestli nebudu muset ty buzz bary dát ven z boxu. Když teče proud v kabelech, tak je BMS nějak zarušená na 1 a 16čl. kolísá napětí, přitom na svorkovnici naměřím 3,35 a chvilku ukazuje -13A a chvilku +13A přitom je Shuntu kolem 1A,
když tam neteče proud tak to ukazuje dobře.
Nedalo by se to nějak odrušit?
Díky
když tam neteče proud tak to ukazuje dobře.
Nedalo by se to nějak odrušit?
Díky
1. Jih 300Wp, J-Z otočný 300Wp, 12V Carspa 1500W, 2x MPPT Victron 100/20, Lifepo4 105+135Ah 
2. JZ 8 kWp sklon 15st.solárni přístřešek stř. krytina 18x JA Solar Bifacial , 2x Multiplus 5000, 2x MPPT Victron 150/85, vyhřívaný bat.box 16x Lifepo4 LF304Ah JKBMS 200A V15, Cerbo GX, SmartShunt 300A
2. JZ 8 kWp sklon 15st.solárni přístřešek stř. krytina 18x JA Solar Bifacial , 2x Multiplus 5000, 2x MPPT Victron 150/85, vyhřívaný bat.box 16x Lifepo4 LF304Ah JKBMS 200A V15, Cerbo GX, SmartShunt 300A
- Migel
- Příspěvky: 1815
- Registrován: ned zář 25, 2022 10:47 am
- Reputace:313
- Lokalita: Pod Karpatmi
Re: Leoshavla FVE
No podla mas rozbalancovanu bateriu.Ten rozdiel je tam velky.Skontroloval si spoje na tych malych vodicoch co idu na tie samotne clanky?.
JZ-2s5p 3,8kWp >> Epever 8415 AN
JV-2s3p 2,7kWp >> Epever 6415 AN
2x Victron MP2 5000V/A paralelne
3x GWL SUN-2000G paralelne
48V 760Ah/35kWh Li-ion
a stále v štádiu budovania
(rozširovania)
JV-2s3p 2,7kWp >> Epever 6415 AN
2x Victron MP2 5000V/A paralelne
3x GWL SUN-2000G paralelne
48V 760Ah/35kWh Li-ion
a stále v štádiu budovania
- thomas.007
- Příspěvky: 390
- Registrován: pát říj 28, 2016 2:30 pm
- Reputace:63
Re: Leoshavla FVE
Hele, v té šedé svorkovnici máš trubičkový pojistky? Jestli jo, tak tam může být chyba. Já jsem si dělal DPS, kde mám 2A trubičkovky a stačí trošku v držáku (poniklovaném, bez oxidace) zavaklat pojistkou, která tam sedí opravdu pevně a desítky mV lítají jako nic. Zkus se dívat na napětí článků BMS a zahejbat s tou svorkovnicí.
Já se po téhle zkušenosti nedivím těm, co to nejistí vůbec. Budu to muset předělat, uvažuju že tam ale dám autopojistky a nebo se na to vykašlu, hodím na to DPS jen tenký fousek z Cu lanka, kterej se bezpečně přepálí...
Já se po téhle zkušenosti nedivím těm, co to nejistí vůbec. Budu to muset předělat, uvažuju že tam ale dám autopojistky a nebo se na to vykašlu, hodím na to DPS jen tenký fousek z Cu lanka, kterej se bezpečně přepálí...
- ElektroEzs
- Příspěvky: 3016
- Registrován: stř zář 21, 2022 10:03 am
- Reputace:114
- Lokalita: okolí Teplic
- Systémové napětí: 48V
- Výkon panelů [Wp]: 8340
- Kapacita baterie [kWh]: 14,4
- Chci prodávat energii: NE
- Chci/Mám dotaci: NE
Re: Leoshavla FVE
Me takhle proud lita u BMS taky a to mam busbary 1,5m od baterky takze tim to nebude. Takhle proud lita jen kdyz MPPT dobiji, pri vybijeni Shunt cca odpovida s JK BMS. Nekde se to tu driv resilo ze pri nabijeni to ma tendeci takhle blbe litat ten proudleoshavla píše: stř úno 25, 2026 4:14 pmNevím jestli nebudu muset ty buzz bary dát ven z boxu. Když teče proud v kabelech, tak je BMS nějak zarušená na 1 a 16čl. kolísá napětí, přitom na svorkovnici naměřím 3,35 a chvilku ukazuje -13A a chvilku +13A přitom je Shuntu kolem 1A,
když tam neteče proud tak to ukazuje dobře.
Nedalo by se to nějak odrušit?
Díky
1: JZ 5460 Wp Ja Solar, JV 960 Wp Leapton, SV 1920 Wp Leapton, MPPT 250/100, MPPT 150/35, MPPT 150/45, 2x parallel Multiplus 2 5000VA, Cerbo GX + touch LCD, 2x 16 x EVE 332Ah LiFePO4 + JK BMS 200A + SmartShunt 500A
2: JZ 3600 Wp Canadian Solar, V 1800 Wp Canadian Solar, MPPT 150/70, MPPT 150/35, Multiplus 2 5000VA, Cerbo GX + touch LCD, 16 x EVE 280Ah LiFePO4 + JK BMS 200A + BMV700
2: JZ 3600 Wp Canadian Solar, V 1800 Wp Canadian Solar, MPPT 150/70, MPPT 150/35, Multiplus 2 5000VA, Cerbo GX + touch LCD, 16 x EVE 280Ah LiFePO4 + JK BMS 200A + BMV700
- ElektroEzs
- Příspěvky: 3016
- Registrován: stř zář 21, 2022 10:03 am
- Reputace:114
- Lokalita: okolí Teplic
- Systémové napětí: 48V
- Výkon panelů [Wp]: 8340
- Kapacita baterie [kWh]: 14,4
- Chci prodávat energii: NE
- Chci/Mám dotaci: NE
Re: Leoshavla FVE
Ja mam u rodicu naletovane na balancnich vodicich pojistky 5x20 T4A a zatim to meri bez problemu. Uz to beha 2roky. Jinak tyhle pouzdra pouzivam rad jen nekdy pojistky stoji za h…thomas.007 píše: stř úno 25, 2026 8:36 pmHele, v té šedé svorkovnici máš trubičkový pojistky? Jestli jo, tak tam může být chyba. Já jsem si dělal DPS, kde mám 2A trubičkovky a stačí trošku v držáku (poniklovaném, bez oxidace) zavaklat pojistkou, která tam sedí opravdu pevně a desítky mV lítají jako nic. Zkus se dívat na napětí článků BMS a zahejbat s tou svorkovnicí.
Já se po téhle zkušenosti nedivím těm, co to nejistí vůbec. Budu to muset předělat, uvažuju že tam ale dám autopojistky a nebo se na to vykašlu, hodím na to DPS jen tenký fousek z Cu lanka, kterej se bezpečně přepálí...
1: JZ 5460 Wp Ja Solar, JV 960 Wp Leapton, SV 1920 Wp Leapton, MPPT 250/100, MPPT 150/35, MPPT 150/45, 2x parallel Multiplus 2 5000VA, Cerbo GX + touch LCD, 2x 16 x EVE 332Ah LiFePO4 + JK BMS 200A + SmartShunt 500A
2: JZ 3600 Wp Canadian Solar, V 1800 Wp Canadian Solar, MPPT 150/70, MPPT 150/35, Multiplus 2 5000VA, Cerbo GX + touch LCD, 16 x EVE 280Ah LiFePO4 + JK BMS 200A + BMV700
2: JZ 3600 Wp Canadian Solar, V 1800 Wp Canadian Solar, MPPT 150/70, MPPT 150/35, Multiplus 2 5000VA, Cerbo GX + touch LCD, 16 x EVE 280Ah LiFePO4 + JK BMS 200A + BMV700
Kdo je online
Uživatelé procházející toto fórum: Claudebot [Bot], Ghost86
