Mikrospínač
- Nautilus
- Příspěvky: 192
- Registrován: úte zář 17, 2019 1:37 pm
- Reputace: 47
- Lokalita: JV od Brna
Mikrospínač
Krátce popis situace:
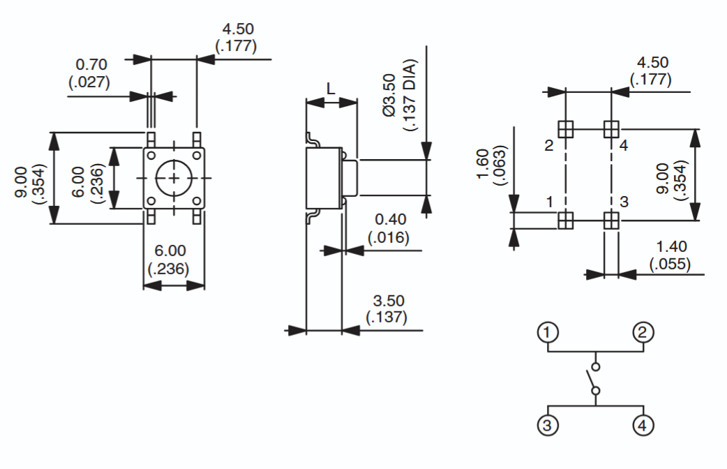
Mikrovlnka, na čelním panelu 7 tlačítek. Dvě nejdůležitější tlačítka stávkují. Ostatní fungují v pohodě.
Rozborka. Pod každým tlačítkem je mikrospínač, jakých gůgl najde hafo.
Po opípaní ohmetrem žádný mikrospínač nespíná jak by se dalo předpokládat. Ani u těch co by měly fungovat a to ani u jednoho.
Dotaz:
Existují mikrospínače které mají nějakou jinou funkci, než ten co je na schematickém obrázku? Všechny co jsem vygůglil a mají podobné rozměry a stejné uspořádání vývodů, mají i stejnou funkci spínače. Takže vždy dva a dva fousy jsou propojeny a mezi nimi mžikový spínač.
Ty na mikrovlnce jsou zapojeny na první pohled stejně, vypadají stejně, ale stisk nevyvolá žádnou změnu odporu, která by ukazovala na spojení, příp. rozpojení kontaktu. Ty dva "stávkující" jsou na první pohled mechanicky poškozené, takže chápu, že "stávkují". Ostatních pět vypadá dobře, fungují dobře, ale nic se na nich nedá naměřit.
Mikrospínače, které jsem našel v šuplíku fungují, zcela předpisově dle schématu.
Takže řeším jestli se mám trápit výměnou, když nemám potuchy jak ty mršky fungují. Ten vpravo nahoře už sepne jen 1:100, ten vpravo dole celkem ujde, jen občas se nezadaří. Ostatní jedou naprosto spolehlivě.
Mikrovlnka, na čelním panelu 7 tlačítek. Dvě nejdůležitější tlačítka stávkují. Ostatní fungují v pohodě.
Rozborka. Pod každým tlačítkem je mikrospínač, jakých gůgl najde hafo.
Po opípaní ohmetrem žádný mikrospínač nespíná jak by se dalo předpokládat. Ani u těch co by měly fungovat a to ani u jednoho.
Dotaz:
Existují mikrospínače které mají nějakou jinou funkci, než ten co je na schematickém obrázku? Všechny co jsem vygůglil a mají podobné rozměry a stejné uspořádání vývodů, mají i stejnou funkci spínače. Takže vždy dva a dva fousy jsou propojeny a mezi nimi mžikový spínač.
Ty na mikrovlnce jsou zapojeny na první pohled stejně, vypadají stejně, ale stisk nevyvolá žádnou změnu odporu, která by ukazovala na spojení, příp. rozpojení kontaktu. Ty dva "stávkující" jsou na první pohled mechanicky poškozené, takže chápu, že "stávkují". Ostatních pět vypadá dobře, fungují dobře, ale nic se na nich nedá naměřit.
Mikrospínače, které jsem našel v šuplíku fungují, zcela předpisově dle schématu.
Takže řeším jestli se mám trápit výměnou, když nemám potuchy jak ty mršky fungují. Ten vpravo nahoře už sepne jen 1:100, ten vpravo dole celkem ujde, jen občas se nezadaří. Ostatní jedou naprosto spolehlivě.
-
- Příspěvky: 1433
- Registrován: pát zář 29, 2023 4:12 am
- Reputace: 255
- Lokalita: Brno
- Systémové napětí: >48V
Re: Mikrospínač
Podle mě chyba měření.
Třeba lakovaná deska a nedokonale propíchnuté hroty nebo něco takového.
Když se neprojeví změna DC odporu, tak by snad jedině mohl být vevnitř integrovaný kondenzátor.
Ale velice pochybuji, že by někdo něco takového dělal.
Pokud odešla důležitá tlačítka, tak je jednoduše vzájemně vyměnit s nějakým nedůležitými.
A když už budou odletované, tak pořádně a důkladně proměřit.
Třeba lakovaná deska a nedokonale propíchnuté hroty nebo něco takového.
Když se neprojeví změna DC odporu, tak by snad jedině mohl být vevnitř integrovaný kondenzátor.
Ale velice pochybuji, že by někdo něco takového dělal.
Pokud odešla důležitá tlačítka, tak je jednoduše vzájemně vyměnit s nějakým nedůležitými.
A když už budou odletované, tak pořádně a důkladně proměřit.
- Nautilus
- Příspěvky: 192
- Registrován: úte zář 17, 2019 1:37 pm
- Reputace: 47
- Lokalita: JV od Brna
Re: Mikrospínač
To prohození nepoužívaných spínačů se spínači "start" a "stop" mám v plánu. Jelikož mám ale na pohled stejné mikrospínače v šuplíku, tak bych raději vyměnil jen ty nefunkční. Musím se ale ujistit, že oba (nové i původní) budou fungovat stejně.
ad chyba měření - ty propojené vývody propípnu spolehlivě i ty které mají být rozpojené, jenom mačkání tlačítek nepřináší žádnou změnu.
ad chyba měření - ty propojené vývody propípnu spolehlivě i ty které mají být rozpojené, jenom mačkání tlačítek nepřináší žádnou změnu.
-
- Příspěvky: 4503
- Registrován: úte dub 23, 2013 10:21 am
- Reputace: 813
- Lokalita: Kousek od Lysé nad Labem
- Systémové napětí: 48V
- Výkon panelů [Wp]: 46000
- Kapacita baterie [kWh]: 40
- Chci prodávat energii: NE
- Chci/Mám dotaci: NE
- Bydliště: Kousek od Lysé nad Labem
Re: Mikrospínač
Tyto mikrospínače často odcházejí když jsou v nevhodných podmínkách. A jsou všechny na stejné brdo jak uvádíš v prvním příspěvku. měním je celkem běžně, je vhodné si pořídit sadu s různě dlouhými "stopkami", namátkou něco jako https://www.aliexpress.com/item/1005004736070447.html
_______________________________________________________________________
43 kWp, LiFePO4 62 kWh,
EPSolar 60 A/150 V ET6415N + 3x Isolar SM II (5 kW, 450 V, 80 A) + Axpert PIP 5048MS
43 kWp, LiFePO4 62 kWh,
EPSolar 60 A/150 V ET6415N + 3x Isolar SM II (5 kW, 450 V, 80 A) + Axpert PIP 5048MS
- Nautilus
- Příspěvky: 192
- Registrován: úte zář 17, 2019 1:37 pm
- Reputace: 47
- Lokalita: JV od Brna
Re: Mikrospínač
Doufám, že jsou stejné (mikrospínače).
Pořád mi vrtá v hlavě proč na mikrovlnce ta tlačítka jdou (když to trochu přeženu) na 100% a ohmetr ani ťuk.
Hroty na multimetru mám ostré, kontakt zaručený, tak kde je ten "pes" (zakopaný).
Vůbec bych neměl problém poslat mikrovlnku do "křemíkového nebe", ale ta nevyřešená otázka hlodá a bolí víc, než koupě nové trouby.
Pořád mi vrtá v hlavě proč na mikrovlnce ta tlačítka jdou (když to trochu přeženu) na 100% a ohmetr ani ťuk.
Hroty na multimetru mám ostré, kontakt zaručený, tak kde je ten "pes" (zakopaný).
Vůbec bych neměl problém poslat mikrovlnku do "křemíkového nebe", ale ta nevyřešená otázka hlodá a bolí víc, než koupě nové trouby.
-
- Příspěvky: 782
- Registrován: úte úno 25, 2014 9:33 pm
- Reputace: 95
- Lokalita: Dobrovicko
- Systémové napětí: 48V
- Výkon panelů [Wp]: 9200
- Kapacita baterie [kWh]: 16
- Chci prodávat energii: NE
- Chci/Mám dotaci: NE
Re: Mikrospínač
A.) Změřit chování za provozu - pod napětím.
B.) Vadný demontovat a provést pitvu.
ale je to fakt divný.
B.) Vadný demontovat a provést pitvu.
ale je to fakt divný.
-
- Příspěvky: 1433
- Registrován: pát zář 29, 2023 4:12 am
- Reputace: 255
- Lokalita: Brno
- Systémové napětí: >48V
Re: Mikrospínač
Tak to zkus za chodu. Tedy s otevřenou elektronikou.
Stiskni to tlačítko, jestli zareaguje. A pak na jeho kontakty připoj měřák a stiskni.
A měř to na napěťovém rozsahu DC a pak i AC (kdyby tam byl nějaký ten kondenzátor).
EDIT: Teď zrovna Kostěj napsal to samé.
Stiskni to tlačítko, jestli zareaguje. A pak na jeho kontakty připoj měřák a stiskni.
A měř to na napěťovém rozsahu DC a pak i AC (kdyby tam byl nějaký ten kondenzátor).
EDIT: Teď zrovna Kostěj napsal to samé.
Naposledy upravil(a) Mex dne ned říj 12, 2025 5:25 pm, celkem upraveno 1 x.
-
- Příspěvky: 4503
- Registrován: úte dub 23, 2013 10:21 am
- Reputace: 813
- Lokalita: Kousek od Lysé nad Labem
- Systémové napětí: 48V
- Výkon panelů [Wp]: 46000
- Kapacita baterie [kWh]: 40
- Chci prodávat energii: NE
- Chci/Mám dotaci: NE
- Bydliště: Kousek od Lysé nad Labem
Re: Mikrospínač
Dělej to jako já. Kup novou a tu starou před vyhozením oprav. Zrovna včera u nás hasiči sbírali elektrospotřebiče a další, tak jsem jim hned přidal pár opravených věcí k sešrotování.
_______________________________________________________________________
43 kWp, LiFePO4 62 kWh,
EPSolar 60 A/150 V ET6415N + 3x Isolar SM II (5 kW, 450 V, 80 A) + Axpert PIP 5048MS
43 kWp, LiFePO4 62 kWh,
EPSolar 60 A/150 V ET6415N + 3x Isolar SM II (5 kW, 450 V, 80 A) + Axpert PIP 5048MS
-
- Příspěvky: 1433
- Registrován: pát zář 29, 2023 4:12 am
- Reputace: 255
- Lokalita: Brno
- Systémové napětí: >48V
Re: Mikrospínač
No nevím. Ale kupovat hned novou a starou vyhazovat jen kvůli banální poruše - nepřijde mi to jako optimální scénář.
-
- Příspěvky: 4503
- Registrován: úte dub 23, 2013 10:21 am
- Reputace: 813
- Lokalita: Kousek od Lysé nad Labem
- Systémové napětí: 48V
- Výkon panelů [Wp]: 46000
- Kapacita baterie [kWh]: 40
- Chci prodávat energii: NE
- Chci/Mám dotaci: NE
- Bydliště: Kousek od Lysé nad Labem
Re: Mikrospínač
Ženské v baráku by mě sežraly kdyby něco déle nefungovalo. A do opravy se nemůžu pustit okamžitě poté, co to nahlásí.
_______________________________________________________________________
43 kWp, LiFePO4 62 kWh,
EPSolar 60 A/150 V ET6415N + 3x Isolar SM II (5 kW, 450 V, 80 A) + Axpert PIP 5048MS
43 kWp, LiFePO4 62 kWh,
EPSolar 60 A/150 V ET6415N + 3x Isolar SM II (5 kW, 450 V, 80 A) + Axpert PIP 5048MS
-
- Příspěvky: 1433
- Registrován: pát zář 29, 2023 4:12 am
- Reputace: 255
- Lokalita: Brno
- Systémové napětí: >48V
Re: Mikrospínač
Jaké si to vychováš, takové to máš.
- Nautilus
- Příspěvky: 192
- Registrován: úte zář 17, 2019 1:37 pm
- Reputace: 47
- Lokalita: JV od Brna
Re: Mikrospínač
Za chodu... nevím, nevím. Asi bych musel nadpojit pár drátů, abych se dostal k ovládacímu panelu s měřákem. Zkoušet to bez "dveří" a další plechařiny mě moc neláká.
Už jenom oprava na třikrát (t.j. něco zkusit, poskládat, znovu rozdělat atd) mě děsí.
Takže asi bude:
Krok 1. Ten nejvíc odrbanej zkusím vytáhnout. Nepůjde-li dobrovolně půjde po částech. Pak ale bude těžké analyzovat jeho původní funkci. Pakliže seznám, že "šuplíkovej" by mohl fungovat, dám ho tam, složím a odzkouším.
Krok 2. Bude-li trouba "vlnit" a tlačítko stop uspokojivě fungovat, jde trouba zpět do kuchyně. Jestli "stopka" nevyhoví, bude rozborka a čeká ji stejný osud jako start. Pak už ale finito. Konec hraní.
Už jenom oprava na třikrát (t.j. něco zkusit, poskládat, znovu rozdělat atd) mě děsí.
Takže asi bude:
Krok 1. Ten nejvíc odrbanej zkusím vytáhnout. Nepůjde-li dobrovolně půjde po částech. Pak ale bude těžké analyzovat jeho původní funkci. Pakliže seznám, že "šuplíkovej" by mohl fungovat, dám ho tam, složím a odzkouším.
Krok 2. Bude-li trouba "vlnit" a tlačítko stop uspokojivě fungovat, jde trouba zpět do kuchyně. Jestli "stopka" nevyhoví, bude rozborka a čeká ji stejný osud jako start. Pak už ale finito. Konec hraní.
-
- Moderátor
- Příspěvky: 6235
- Registrován: pon srp 16, 2021 9:31 pm
- Reputace: 847
- Lokalita: blízko Brna
- Systémové napětí: 24V
- Výkon panelů [Wp]: 13+ kWp
- Kapacita baterie [kWh]: 40+15
- Chci prodávat energii: NE
- Chci/Mám dotaci: NE
- Bydliště: blízko Brna
Re: Mikrospínač
Co tam proboha chces analyzovat? Ty mikrospinace jsou vsechny stejne, tak to vymen, sesroubuj a zapomen. Nez odejdou dalsi. Za tu dobu mereni, psani prispevku a dalsiho badani, tak to mas 3x vypajene a smontovane.
13,38 kWp: 9850 Wp Jih, 2040 Wp Východ, 1490 Wp Západ
Regulátory Epever a Victron
Phoenix 5 kVA + MP 24/5000 (můj byt + wifi/kamery/atd. + máti byt)
MP2 24/5000 vytěžování do akumulačních kamen
Epever 3kW vytěžování do bojlerů + žebříky
1 kW "nabíječka" 24 V
40 680 Wh staré olovo 15 258 Wh Li-Ion
záloha čerpadla ve sklepě MP12/3000/120-16 + 100Ah 12V monbat
Modře píši jako moderátor, černě jako člen.
Regulátory Epever a Victron
Phoenix 5 kVA + MP 24/5000 (můj byt + wifi/kamery/atd. + máti byt)
MP2 24/5000 vytěžování do akumulačních kamen
Epever 3kW vytěžování do bojlerů + žebříky
1 kW "nabíječka" 24 V
40 680 Wh staré olovo 15 258 Wh Li-Ion
záloha čerpadla ve sklepě MP12/3000/120-16 + 100Ah 12V monbat
Modře píši jako moderátor, černě jako člen.
- Nautilus
- Příspěvky: 192
- Registrován: úte zář 17, 2019 1:37 pm
- Reputace: 47
- Lokalita: JV od Brna
Re: Mikrospínač
Toto jsem potřeboval. Vážně bez legrace...
Terazky som si istý, že: Nejsou varianty mikrospínače, které by mě mohly svojí funkcí po nahrazení stávajících nemile překvapit.
Zítra až se rozední nasadím pořádný brejle, vytáhnu pájku, odsávačku a ostatní nezbytnosti a jdu nato.
Terazky som si istý, že: Nejsou varianty mikrospínače, které by mě mohly svojí funkcí po nahrazení stávajících nemile překvapit.
Zítra až se rozední nasadím pořádný brejle, vytáhnu pájku, odsávačku a ostatní nezbytnosti a jdu nato.
- TomHC
- Příspěvky: 3087
- Registrován: pát lis 11, 2022 8:14 am
- Reputace: 591
- Lokalita: Hlohovec, SR
- Systémové napětí: 48V
- Výkon panelů [Wp]: 8820
- Kapacita baterie [kWh]: 30
- Chci prodávat energii: NE
- Chci/Mám dotaci: NE
- Bydliště: Hlohovec, SR
Re: Mikrospínač
...a za stáleho míchaní vylijeme do WC 
2x MUST PH1800 5.5kW, 9kWp V+J+Z, 600 Ah LiFePO4 s BMS JBD 200A, SW: Home Assistant na Synology DS923+ ku tomu ESPHome, Tasmota, MariaDB, InfluxDB, Telegraf, Grafana, Zigbee2MQTT..., HW: ESPlan (ESP32 + LAN 8720 + RS485). Nejaké moje projekty: MUST-ESPhome, ELTEK Flatpack2 ESPhome, ESP32-EMON, PZEM-017@WiFi, diyBMS-CurrentShunt-ESPhome , BMS UART-TS485 adaptér
Kdo je online
Uživatelé prohlížející si toto fórum: Claudebot [Bot], META, Paulob a 0 hostů