Hybrid victron bez přetoků
Souhrn tématu
Uživatel sdílí zkušenosti s upgradem ostrovní elektrárny pomocí Victron MultiPlus-II hybridního měniče a SmartSolar regulátoru. Diskutuje možnosti nastavení ESS a power assist bez PC rozhraní a řeší integraci s domácí automatizací. Fórum nabízí praktické tipy na zapojení, řešení přetoků a zkušenosti s revizí a provozem hybridního systému.
- kodl69
- Příspěvky: 8362
- Registrován: sob črc 19, 2014 8:56 pm
- Reputace:1072
- Lokalita: severně od Brna
- Systémové napětí: 48V
- Výkon panelů [Wp]: 8kWp
- Kapacita baterie [kWh]: 12kWh
- Chci prodávat energii: NE
- Chci/Mám dotaci: NE
Re: Hybrid victron bez přetoků
Asi jo, jenom jsem si říkal, že ta elektrika ze sítě vlastně vůbec přes ty multiplusy nemusí procházet, ale tohle řešení už jsem montoval, tak nebudu vymejšlet. člověk je holt tvor zvědavej a vrtá do věcí, co fungují.
ostrov skoro 8kWp neustále ve stádiu zrodu: smartshunt(ex WBJR), MPPT150/45, MPPT 250/100(ex midnitesolar 150 clasic lite), 16S a různě P cca 340Ah Winston, MP II 5000,( ex Powerjack 8kW, ex samodomo cca 4kW). 48V DC rozvody a spotřebiče.
- wacko
- Příspěvky: 80
- Registrován: stř dub 02, 2025 9:41 am
- Reputace:7
- Lokalita: Ostravsko
- Chci prodávat energii: NE
- Chci/Mám dotaci: NE
Re: Hybrid victron bez přetoků
Ten MultiPlus-II asi dělá technologické přetoky, že ? Mají i nějaký model, který je nedělá (s double-conversion AC-DC-AC) ?
- Diablo1st
- Příspěvky: 2275
- Registrován: pon lis 01, 2021 7:41 pm
- Reputace:223
- Lokalita: MY, SR
- Výkon panelů [Wp]: 10200
- Kapacita baterie [kWh]: 28
- Bydliště: SR MY
Re: Hybrid victron bez přetoků
Moc si si toho o Victronoch a pretokoch asi neprečítal že?
Pretoky závisia od nastavenia.
Victron double conversion nerobí.
Victron double conversion nerobí.
Victron ESS AC Coupling:
2,75kWp on-grid + 3,3kWp a 4,15kWp RS450/100 + MP2 5kVA + 2x 17x280Ah + JK BMS
2,75kWp on-grid + 3,3kWp a 4,15kWp RS450/100 + MP2 5kVA + 2x 17x280Ah + JK BMS
- kodl69
- Příspěvky: 8362
- Registrován: sob črc 19, 2014 8:56 pm
- Reputace:1072
- Lokalita: severně od Brna
- Systémové napětí: 48V
- Výkon panelů [Wp]: 8kWp
- Kapacita baterie [kWh]: 12kWh
- Chci prodávat energii: NE
- Chci/Mám dotaci: NE
Re: Hybrid victron bez přetoků
Když je odpojený relé od AC vstupu, tak jistě žádný přetoky nedělá.
ostrov skoro 8kWp neustále ve stádiu zrodu: smartshunt(ex WBJR), MPPT150/45, MPPT 250/100(ex midnitesolar 150 clasic lite), 16S a různě P cca 340Ah Winston, MP II 5000,( ex Powerjack 8kW, ex samodomo cca 4kW). 48V DC rozvody a spotřebiče.
- wacko
- Příspěvky: 80
- Registrován: stř dub 02, 2025 9:41 am
- Reputace:7
- Lokalita: Ostravsko
- Chci prodávat energii: NE
- Chci/Mám dotaci: NE
Re: Hybrid victron bez přetoků
Pravda, do manuálu jsem zatím nezabrouzdal (jdu to studovat). Když ale vidím v prospektu toto, tak mi něco říká že sepnutím interního relé se výstup invertoru dostane na AC-in, přifázuje se a tedy technologický přetok může nastat. Nebo mu lze nastavit mod, že vypne invertor, sepne relé jen pro nabití baterky a zároveň přemostí AC out1 na AC in (grid)?
- gupa
- Příspěvky: 3809
- Registrován: sob pro 29, 2012 10:22 pm
- Reputace:173
- Lokalita: pod Brnem
- Systémové napětí: 24V
Re: Hybrid victron bez přetoků
Je možné popsat to, co se od Victronu očekává? Potom jde o jednu nejvhodnější z mnoha konfigurací jako výchozí rada před zakoupením. Pochopit konfigurace MP se mi dodnes nepodařilo protože jich má opravdu mnoho. MP má také své muchy. Ale pokud nechci přetoky tak je nemám. A to je základní konfigurace s ignore AC a přepínání buď invertor nebo DS. Nabíječ se prakticky vůbec u mne nepoužívá a je přes MKII odfajfkován a znefunkčněn. Proč platit když svítí.
3x2000VA-VMP-par, NiCd 24V, 22x210-320Wp, 2x85A-VMPPT, ABC-&-XYZ mypower.czAť ti to běží jako hodinky na baterku s čerstvou expirací! Zdejší slova: To by bylo, abychom na tom šetření nevydělali!
- wacko
- Příspěvky: 80
- Registrován: stř dub 02, 2025 9:41 am
- Reputace:7
- Lokalita: Ostravsko
- Chci prodávat energii: NE
- Chci/Mám dotaci: NE
Re: Hybrid victron bez přetoků
V ideálním případě bych chtěl mít modulární polo-ostrov (bez přetoků a dotací), který nebude potřeba hlásit distributorovi, protože se na to nabaluje stále více potíží, nově odpovědnost za odchylku. V podstatě to samé jak zakladatel tématu: "většinu roku jel na slunce a když nebude přepnout se na síť" a do-budoucna wallbox (provozovaný jen sezonně). Ale s LiFePO4 bateriovým úložištěm, které by se mělo přes zimu občas nabít doplna.
- gupa
- Příspěvky: 3809
- Registrován: sob pro 29, 2012 10:22 pm
- Reputace:173
- Lokalita: pod Brnem
- Systémové napětí: 24V
Re: Hybrid victron bez přetoků
Baterie se dobíji jen z FV jinak to nemá cenu. Lze tomu přizpůsobit i 1kWh zisk za den s propojkou místo line in a out měniče nebo přepínačem nebo něčím jiným. Přes zimu měniče od cca 1/2 11 měsíce a 1/2 2 měsíce odepínám vypínám a nasazuji propojku. (mezi elektroměrem a hlavním rozváděčem) Někdo tu na fóru má tak přepanelováno, že to překlene za skromnějších podmínek při spotřebě.
Odpovědnost za odchylku? To je nějaká úchylka řešit něco co nehrozí pokud je konfigurace u MP správně nastavena.
No a nyní je potřeba znát spotřebiče které jsou počítány do pokrytí z FVE. Některé se nezahrnují na FVE spotřebu kvůli vyšším nákladům a některé se řeší právě kvůli vyšší spotřebě. Co dál?
Odpovědnost za odchylku? To je nějaká úchylka řešit něco co nehrozí pokud je konfigurace u MP správně nastavena.
No a nyní je potřeba znát spotřebiče které jsou počítány do pokrytí z FVE. Některé se nezahrnují na FVE spotřebu kvůli vyšším nákladům a některé se řeší právě kvůli vyšší spotřebě. Co dál?
3x2000VA-VMP-par, NiCd 24V, 22x210-320Wp, 2x85A-VMPPT, ABC-&-XYZ mypower.czAť ti to běží jako hodinky na baterku s čerstvou expirací! Zdejší slova: To by bylo, abychom na tom šetření nevydělali!
- pibi
- Příspěvky: 1718
- Registrován: ned led 01, 2023 6:17 pm
- Reputace:397
- Lokalita: Východně od 3nce
- Systémové napětí: 48V
- Výkon panelů [Wp]: 16kWp
- Kapacita baterie [kWh]: 44kWh
- Chci prodávat energii: NE
- Chci/Mám dotaci: NE
Re: Hybrid victron bez přetoků
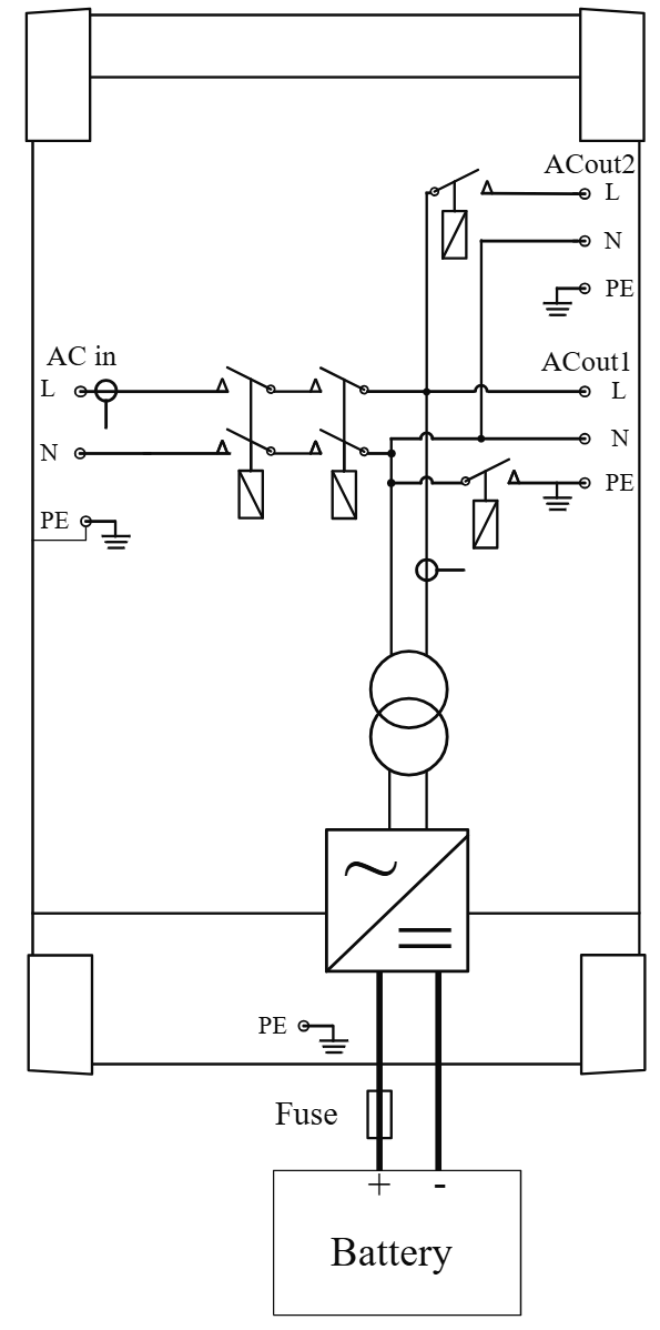
Obrázek, který jsi výše přidal určitě není schéma Multiplusu II.
9,2kWp JV 45°, 4,6kWp JZ 45°, 2,3kWp JV 90°, 2 x Victron MP II 5kVA, 3 x SmartSolar 150/70, Smartshunt, Cerbo, 16x280Ah + 16X300Ah + 16x300Ah LiFePO4 + 3xJK BMS.
K levné elektřině se dostaneme jen vytrvalou prací a svým kapitálem. Vladimír List, Elektrisace Československa 1934
K levné elektřině se dostaneme jen vytrvalou prací a svým kapitálem. Vladimír List, Elektrisace Československa 1934
- wacko
- Příspěvky: 80
- Registrován: stř dub 02, 2025 9:41 am
- Reputace:7
- Lokalita: Ostravsko
- Chci prodávat energii: NE
- Chci/Mám dotaci: NE
- k3ivi
- Příspěvky: 16
- Registrován: sob kvě 20, 2023 3:13 pm
- Reputace:5
- Lokalita: Jicin
- Systémové napětí: 48V
Re: Hybrid victron bez přetoků
Jsem autor článku. LiFEPO4 v zimě je potřeba nabít v podstatě jen kvůli SOC počítadlu. BMSky ujíždí a v průběhu času začínají reportovat velmi nepřesné údaje, pokud to zkombinujete s vybíjením dle SOC na střídači, můžete se dostat do stavu kdy si baterka bude myslet, že má destíky procent ale pak vypne na Under Voltage protection, protože má reálně 0. Pokud pojedete na napětí a nastavíte vybíjení do 51,2V na celou zimu tzn. cca 15-12% SOC v reálu, tak je to zcela v pohodě.
- gold1
- Příspěvky: 238
- Registrován: čtv lis 25, 2021 6:47 pm
- Reputace:10
- Lokalita: Zdiby
- Výkon panelů [Wp]: 9120
- Kapacita baterie [kWh]: 27
- Chci prodávat energii: NE
- Chci/Mám dotaci: NE
Re: Hybrid victron bez přetoků
Wacko tady polozil temer stejnou otazku,na kterou jsem bohuzel nenasel nikde odpoved.
Zajimalo by mne jestli jde spustit MPII v rezimu nabijeni aniz by byl aktivovan AC OUT.Ted mam pred Victronem dva Axperty a toto neresim,ale do budoucna je chci nahradit take MPII a resim jestli jde nouzove dobit baterie pres MPII(tim,ktery je povetsinou vypnuty a plni roli generatoru) bez hrozby nechteneho pretoku.Jistic z DS je behem sezony
vypnuty a pouze na to obcasne nabijeni bych ho zapnul.
Zajimalo by mne jestli jde spustit MPII v rezimu nabijeni aniz by byl aktivovan AC OUT.Ted mam pred Victronem dva Axperty a toto neresim,ale do budoucna je chci nahradit take MPII a resim jestli jde nouzove dobit baterie pres MPII(tim,ktery je povetsinou vypnuty a plni roli generatoru) bez hrozby nechteneho pretoku.Jistic z DS je behem sezony
24x JaSolar 380wp(12xV+12xZ) ,2x Smartsolar 150/85, MPII 48/6k5→MP II 48/8000, 32x Narada 125Ah(2x16s)Lifepo4,16x EVE 280Ah, Victron Smartshunt 500A.
- JirkaE
- Příspěvky: 2343
- Registrován: pát dub 21, 2023 7:17 pm
- Reputace:338
- Lokalita: Kousek od Rozvadova
- Systémové napětí: 48V
- Výkon panelů [Wp]: 7350
- Kapacita baterie [kWh]: 38
- Chci prodávat energii: NE
- Chci/Mám dotaci: NE
Re: Hybrid victron bez přetoků
Pokud si dobře pamatuji z nastavení - jedna z možností a režimů u MPII je : Pouze nabíječkagold1 píše: ned zář 21, 2025 10:19 am
Zajimalo by mne jestli jde spustit MPII v rezimu nabijeni aniz by byl aktivovan AC OUT.
Porovnání všech 4 stringů a nově i finálový celek s Victron a teploty vody bojlerů 1-3 a už i e-Transit
: DC - WATTMETR / Victron / Bojlery
Domovské vlákno : Jirkova FVE
Spirály v bazaru : Spirály 55V - Je tam i ten test
Domovské vlákno : Jirkova FVE
Spirály v bazaru : Spirály 55V - Je tam i ten test
- Mogul
- Příspěvky: 552
- Registrován: sob srp 20, 2022 9:20 pm
- Reputace:62
- Lokalita: Litoměřice
- Systémové napětí: 48V
- Výkon panelů [Wp]: 19640
- Kapacita baterie [kWh]: 48k
- Chci prodávat energii: NE
- Chci/Mám dotaci: NE
- gold1
- Příspěvky: 238
- Registrován: čtv lis 25, 2021 6:47 pm
- Reputace:10
- Lokalita: Zdiby
- Výkon panelů [Wp]: 9120
- Kapacita baterie [kWh]: 27
- Chci prodávat energii: NE
- Chci/Mám dotaci: NE
Re: Hybrid victron bez přetoků
I za pomoci AI mi trvalo 20 minut nez jsem nasel tu polozku,kde se to prepina.Takze jestli chapu spravne vnitrni logiku MPII,tak v rezimu "pouze nabijec" neni technicky mozny pretok do DS?
24x JaSolar 380wp(12xV+12xZ) ,2x Smartsolar 150/85, MPII 48/6k5→MP II 48/8000, 32x Narada 125Ah(2x16s)Lifepo4,16x EVE 280Ah, Victron Smartshunt 500A.
- JirkaE
- Příspěvky: 2343
- Registrován: pát dub 21, 2023 7:17 pm
- Reputace:338
- Lokalita: Kousek od Rozvadova
- Systémové napětí: 48V
- Výkon panelů [Wp]: 7350
- Kapacita baterie [kWh]: 38
- Chci prodávat energii: NE
- Chci/Mám dotaci: NE
Re: Hybrid victron bez přetoků
Tak to se stačilo zeptat, mě to nenapadlo...gold1 píše: pon zář 22, 2025 10:31 pmI za pomoci AI mi trvalo 20 minut nez jsem nasel tu polozku,kde se to prepina.Takze jestli chapu spravne vnitrni logiku MPII,tak v rezimu "pouze nabijec" neni technicky mozny pretok do DS?
Tak třeba to pomůže ostatním :
Já mám osobně nachystanou externí nabíječku a chci to nechat jako čistý, galvanicky oddělený ostrov - a až šťáva nebude, jen přepnu ručně na síť a FV zcela odpojím. Nějaké malé přikrmování bude jen pro malé spotřeby a externí nabíječkou
Ale pokud vím, tak mnoho lidí tady nabíječku používá a AC IN má normálně připojený
Pár dní jako byl ten dnešní a budu nabíjet taky.
To je přesně ten moment, kdy nechápu v dvojgeneračním baráku 6kWp na střeše a 5kWh baterii - takových instalací jsou po okolí tisíce (tady v DE)
Těm lidem to nedá ani přes večeři a to ani v létě... A o nějaké záloze, kdyby vypadl proud, může být řeč taky jen přes den...
Valí to jen do sítě, pro sebe mají úplně prd.
Porovnání všech 4 stringů a nově i finálový celek s Victron a teploty vody bojlerů 1-3 a už i e-Transit
: DC - WATTMETR / Victron / Bojlery
Domovské vlákno : Jirkova FVE
Spirály v bazaru : Spirály 55V - Je tam i ten test
Domovské vlákno : Jirkova FVE
Spirály v bazaru : Spirály 55V - Je tam i ten test
- Atman
- Příspěvky: 482
- Registrován: ned čer 20, 2021 10:09 am
- Reputace:52
- Lokalita: Śenkvice
- Systémové napětí: 48V
- Výkon panelů [Wp]: 16100
- Kapacita baterie [kWh]: 43
- Chci prodávat energii: NE
- Chci/Mám dotaci: NE
- Bydliště: Šenkvice - Slovensko
Re: Hybrid victron bez přetoků
Tiež som mal pripojený victron na AC IN podľa viewtopic.php?t=7758
ale po čas som to zrušil, nerobilo to prietoky ale nemal som pokoj v duši, takže idem úplný ostrov a externá 2kW nabíjačka čo ju cerbo zapne pri 25% v baterke. Dosávanie zo siete pri preťažení bolo fajn, ale po čase som zistil, že krátkodobo multiplus v pohode zváda 6kW ešte nikdy sme ho nezhodili, len mi cingnú notifikácie o preťažení a idem kontrolovať ženu, čo zase stvára. A už sa naučila, keď keď perie a varí, trúbu alebo rýchlovarku nezapne.
Len na viacdňové opustenie domu úplne povypínam systém a prepnem sna DS. To robím aj kvôli búrkam a potenciálnym nedoziernym škodám.
ale po čas som to zrušil, nerobilo to prietoky ale nemal som pokoj v duši, takže idem úplný ostrov a externá 2kW nabíjačka čo ju cerbo zapne pri 25% v baterke. Dosávanie zo siete pri preťažení bolo fajn, ale po čase som zistil, že krátkodobo multiplus v pohode zváda 6kW ešte nikdy sme ho nezhodili, len mi cingnú notifikácie o preťažení a idem kontrolovať ženu, čo zase stvára. A už sa naučila, keď keď perie a varí, trúbu alebo rýchlovarku nezapne.
Len na viacdňové opustenie domu úplne povypínam systém a prepnem sna DS. To robím aj kvôli búrkam a potenciálnym nedoziernym škodám.
spolu 16,1kWp - JVV 2,2kWp sklon 45°, JJZ 4,9kWp sklon 55°, JJZ 4,4kWp sklon 24°, bifaciálna pergola 4,6 kWp 9°
Victron Easysolar 5000/48V + Epever Ipower plus 5000/48V iba na vyťažovanie TUV, ÚK, bazén + ďalší 5kW Ipower záloha a príprava na nabíjanie elektromobilu.
Victron Bluesolar MPPT 150/35, 2x Smartsolar 250/85. Lifepo4 48V/840Ah - 43kWh -3x16x 280Ah spolu na Victron Smartshunte.
Victron Easysolar 5000/48V + Epever Ipower plus 5000/48V iba na vyťažovanie TUV, ÚK, bazén + ďalší 5kW Ipower záloha a príprava na nabíjanie elektromobilu.
Victron Bluesolar MPPT 150/35, 2x Smartsolar 250/85. Lifepo4 48V/840Ah - 43kWh -3x16x 280Ah spolu na Victron Smartshunte.
- wacko
- Příspěvky: 80
- Registrován: stř dub 02, 2025 9:41 am
- Reputace:7
- Lokalita: Ostravsko
- Chci prodávat energii: NE
- Chci/Mám dotaci: NE
Re: Hybrid victron bez přetoků
"externá 2kW nabíjačka" - o jaký výrobek se jedná, byl by odkaz ?
- pibi
- Příspěvky: 1718
- Registrován: ned led 01, 2023 6:17 pm
- Reputace:397
- Lokalita: Východně od 3nce
- Systémové napětí: 48V
- Výkon panelů [Wp]: 16kWp
- Kapacita baterie [kWh]: 44kWh
- Chci prodávat energii: NE
- Chci/Mám dotaci: NE
Re: Hybrid victron bez přetoků
Možná něco takového?
viewtopic.php?t=11676&hilit=flatpack
viewtopic.php?t=11676&hilit=flatpack
9,2kWp JV 45°, 4,6kWp JZ 45°, 2,3kWp JV 90°, 2 x Victron MP II 5kVA, 3 x SmartSolar 150/70, Smartshunt, Cerbo, 16x280Ah + 16X300Ah + 16x300Ah LiFePO4 + 3xJK BMS.
K levné elektřině se dostaneme jen vytrvalou prací a svým kapitálem. Vladimír List, Elektrisace Československa 1934
K levné elektřině se dostaneme jen vytrvalou prací a svým kapitálem. Vladimír List, Elektrisace Československa 1934
- leoshavla
- Příspěvky: 552
- Registrován: stř bře 23, 2022 7:43 am
- Reputace:76
Re: Hybrid victron bez přetoků
No já ještě nemám MP v provozu, ale co jsem zkoušel s tímhle asistentem a zakázaným power asistentem, to funguje spolehlivě, cerbo dle nastavených hodnot přepne MP na bypass a pak zpět, chvilku to trvá než se přifázuje a k přetoku nemůže
dojít snad
.
Tak mně přijde zbytečné kupovat nabíječku, když ji má MP v sobě.
dojít snad
Tak mně přijde zbytečné kupovat nabíječku, když ji má MP v sobě.
1. Jih 300Wp, J-Z otočný 300Wp, 12V Carspa 1500W, 2x MPPT Victron 100/20, Lifepo4 105+135Ah 
2. JZ 8 kWp sklon 15st.solárni přístřešek stř. krytina 18x JA Solar Bifacial , 2x Multiplus 5000, 2x MPPT Victron 150/85, vyhřívaný bat.box 16x Lifepo4 LF304Ah JKBMS 200A V15, Cerbo GX, SmartShunt 300A
2. JZ 8 kWp sklon 15st.solárni přístřešek stř. krytina 18x JA Solar Bifacial , 2x Multiplus 5000, 2x MPPT Victron 150/85, vyhřívaný bat.box 16x Lifepo4 LF304Ah JKBMS 200A V15, Cerbo GX, SmartShunt 300A
Kdo je online
Uživatelé procházející toto fórum: Claudebot [Bot], Ghost86
