Home Assistant - otevírání posuvné brány
Souhrn tématu
Diskuze se zaměřuje na otevírání posuvné brány přes ESP32 s použitím Roger pohonu, který umožňuje ovládání bezpotenciálovými kontakty. Uživatelé sdílejí zkušenosti s WiFi připojením, řešením slabého signálu a správným výběrem přístupového bodu pomocí skenování sítí. Dále se probírají možnosti nastavení MAC adresy a optimalizace připojení pro spolehlivý provoz brány bez nutnosti ručního restartu zařízení.
-
eman
- Příspěvky: 2818
- Registrován: pát srp 31, 2012 9:20 pm
- Reputace: 308
- Lokalita: Praha
- Systémové napětí: 48V
- Chci prodávat energii: NE
- Chci/Mám dotaci: NE
Home Assistant - otevírání posuvné brány
Chlapi, neřešil jste někdo otevírání posuvné brány přes ESP32?
Máme pohon Roger a tam je na desce možnost otevření a zavření sepnutím bezpotenciál kontaktů proti GRD. Sice bych mohl koupit žaluziové Shelly, ale mám plný šuplík ESP32, které by na to stačilo.
Máme pohon Roger a tam je na desce možnost otevření a zavření sepnutím bezpotenciál kontaktů proti GRD. Sice bych mohl koupit žaluziové Shelly, ale mám plný šuplík ESP32, které by na to stačilo.
10kWp JJZ, 3x SmartSolar 150/85, 3xVictron MP II 5kVA v paralelním režimu, Smartshunt, Cerbo GX, 16x400Ah LiFePO4 s JK BMS B2A24S20P + JK BMS Invertor
- TomHC
- Příspěvky: 3655
- Registrován: pát lis 11, 2022 8:14 am
- Reputace: 792
- Lokalita: Hlohovec, SR
- Systémové napětí: 48V
- Výkon panelů [Wp]: 8820
- Kapacita baterie [kWh]: 30
- Chci prodávat energii: NE
- Chci/Mám dotaci: NE
- Bydliště: Hlohovec, SR
Re: Home Assistant - otevírání posuvné brány
Mám to na oboch bránach - ESP a optocoupler, funguje bez problémov.
2x MUST PH1800 5.5kW, 9kWp V+J+Z, 600 Ah LiFePO4 s BMS JBD 200A, SW: Home Assistant na Synology DS923+ ku tomu ESPHome, Tasmota, MariaDB, InfluxDB, Telegraf, Grafana, Zigbee2MQTT..., HW: ESPlan (ESP32 + LAN 8720 + RS485). Nejaké moje projekty: MUST-ESPhome, ELTEK Flatpack2 ESPhome, ESP32-EMON, PZEM-017@WiFi, diyBMS-CurrentShunt-ESPhome , BMS UART-TS485 adaptér
-
eman
- Příspěvky: 2818
- Registrován: pát srp 31, 2012 9:20 pm
- Reputace: 308
- Lokalita: Praha
- Systémové napětí: 48V
- Chci prodávat energii: NE
- Chci/Mám dotaci: NE
Re: Home Assistant
Já teď našel i dvojrelé, takže to nakonec zbastlím ztoho. 
10kWp JJZ, 3x SmartSolar 150/85, 3xVictron MP II 5kVA v paralelním režimu, Smartshunt, Cerbo GX, 16x400Ah LiFePO4 s JK BMS B2A24S20P + JK BMS Invertor
-
Paulob
- Příspěvky: 302
- Registrován: čtv dub 28, 2022 8:52 am
- Reputace: 44
- Lokalita: Ostrava
- Systémové napětí: 48V
- Výkon panelů [Wp]: 26025
- Kapacita baterie [kWh]: 21.6
- Chci prodávat energii: NE
- Chci/Mám dotaci: NE
- Bydliště: Ostrava
Re: Home Assistant - otevírání posuvné brány
Doporučuju si přivést i do ESP 2 vstupy, jeden z čidla zavření a pak mě HA upozorní když se brána otevře. A druhý vstup mám z narušení optické závory a tím řídím automatické zavření brány po projetí auta. Vše funguje perfektně.
Střecha jih 18x445Wp, 18x455Wp, 9x450Wp, 3x3s5p, celkem 20250Wp. Kotec 15x385Wp, 3s5p,celkem 5775Wp. 3xVictron mppt 150/100 , 1x150/85, Victron Phoenix5kVA, MP2 5kVA, MP2 10kVA, v sérii, 48V,
-
eman
- Příspěvky: 2818
- Registrován: pát srp 31, 2012 9:20 pm
- Reputace: 308
- Lokalita: Praha
- Systémové napětí: 48V
- Chci prodávat energii: NE
- Chci/Mám dotaci: NE
Re: Home Assistant - otevírání posuvné brány
Nemáš odkaz na řešení? Na Googlu je milion různých zapojení.
10kWp JJZ, 3x SmartSolar 150/85, 3xVictron MP II 5kVA v paralelním režimu, Smartshunt, Cerbo GX, 16x400Ah LiFePO4 s JK BMS B2A24S20P + JK BMS Invertor
-
Paulob
- Příspěvky: 302
- Registrován: čtv dub 28, 2022 8:52 am
- Reputace: 44
- Lokalita: Ostrava
- Systémové napětí: 48V
- Výkon panelů [Wp]: 26025
- Kapacita baterie [kWh]: 21.6
- Chci prodávat energii: NE
- Chci/Mám dotaci: NE
- Bydliště: Ostrava
Re: Home Assistant - otevírání posuvné brány
Žádný odkaz nemám, zapojení byla improvizace.
Střecha jih 18x445Wp, 18x455Wp, 9x450Wp, 3x3s5p, celkem 20250Wp. Kotec 15x385Wp, 3s5p,celkem 5775Wp. 3xVictron mppt 150/100 , 1x150/85, Victron Phoenix5kVA, MP2 5kVA, MP2 10kVA, v sérii, 48V,
- TomHC
- Příspěvky: 3655
- Registrován: pát lis 11, 2022 8:14 am
- Reputace: 792
- Lokalita: Hlohovec, SR
- Systémové napětí: 48V
- Výkon panelů [Wp]: 8820
- Kapacita baterie [kWh]: 30
- Chci prodávat energii: NE
- Chci/Mám dotaci: NE
- Bydliště: Hlohovec, SR
Re: Home Assistant - otevírání posuvné brány
Ja som to ESP dal dovnútra pohonu, má odtiaľ aj napájanie a z terminálov si berie signál o zatvorení brány a ovláda "externé tlačítko". Na to ozaj netreba schému.
2x MUST PH1800 5.5kW, 9kWp V+J+Z, 600 Ah LiFePO4 s BMS JBD 200A, SW: Home Assistant na Synology DS923+ ku tomu ESPHome, Tasmota, MariaDB, InfluxDB, Telegraf, Grafana, Zigbee2MQTT..., HW: ESPlan (ESP32 + LAN 8720 + RS485). Nejaké moje projekty: MUST-ESPhome, ELTEK Flatpack2 ESPhome, ESP32-EMON, PZEM-017@WiFi, diyBMS-CurrentShunt-ESPhome , BMS UART-TS485 adaptér
-
eman
- Příspěvky: 2818
- Registrován: pát srp 31, 2012 9:20 pm
- Reputace: 308
- Lokalita: Praha
- Systémové napětí: 48V
- Chci prodávat energii: NE
- Chci/Mám dotaci: NE
Re: Home Assistant - otevírání posuvné brány
Jak do ESP32 zjistíte stav, jestli je brána otevřená nebo zavřená? Nejsem zase takový programátor. 
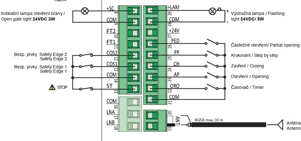
Sběrnice vypadá takhle a mimo toho kontaktu pro Indikační lampu otevření nevím, jak bych zjistil stav.
Sběrnice vypadá takhle a mimo toho kontaktu pro Indikační lampu otevření nevím, jak bych zjistil stav.
10kWp JJZ, 3x SmartSolar 150/85, 3xVictron MP II 5kVA v paralelním režimu, Smartshunt, Cerbo GX, 16x400Ah LiFePO4 s JK BMS B2A24S20P + JK BMS Invertor
- TomHC
- Příspěvky: 3655
- Registrován: pát lis 11, 2022 8:14 am
- Reputace: 792
- Lokalita: Hlohovec, SR
- Systémové napětí: 48V
- Výkon panelů [Wp]: 8820
- Kapacita baterie [kWh]: 30
- Chci prodávat energii: NE
- Chci/Mám dotaci: NE
- Bydliště: Hlohovec, SR
Re: Home Assistant - otevírání posuvné brány
Moje Somfy majú SCA vývod.
2x MUST PH1800 5.5kW, 9kWp V+J+Z, 600 Ah LiFePO4 s BMS JBD 200A, SW: Home Assistant na Synology DS923+ ku tomu ESPHome, Tasmota, MariaDB, InfluxDB, Telegraf, Grafana, Zigbee2MQTT..., HW: ESPlan (ESP32 + LAN 8720 + RS485). Nejaké moje projekty: MUST-ESPhome, ELTEK Flatpack2 ESPhome, ESP32-EMON, PZEM-017@WiFi, diyBMS-CurrentShunt-ESPhome , BMS UART-TS485 adaptér
-
eman
- Příspěvky: 2818
- Registrován: pát srp 31, 2012 9:20 pm
- Reputace: 308
- Lokalita: Praha
- Systémové napětí: 48V
- Chci prodávat energii: NE
- Chci/Mám dotaci: NE
Re: Home Assistant - otevírání posuvné brány
Tak jsem to pročetl a já tam nic podobného nemám. Ten SC+ výstup má sice různé módy, ale u všech je nějak přítomno těch 24V. 
10kWp JJZ, 3x SmartSolar 150/85, 3xVictron MP II 5kVA v paralelním režimu, Smartshunt, Cerbo GX, 16x400Ah LiFePO4 s JK BMS B2A24S20P + JK BMS Invertor
- TomHC
- Příspěvky: 3655
- Registrován: pát lis 11, 2022 8:14 am
- Reputace: 792
- Lokalita: Hlohovec, SR
- Systémové napětí: 48V
- Výkon panelů [Wp]: 8820
- Kapacita baterie [kWh]: 30
- Chci prodávat energii: NE
- Chci/Mám dotaci: NE
- Bydliště: Hlohovec, SR
Re: Home Assistant - otevírání posuvné brány
No a? Jeden rezistor a optočlen a máš signál...
2x MUST PH1800 5.5kW, 9kWp V+J+Z, 600 Ah LiFePO4 s BMS JBD 200A, SW: Home Assistant na Synology DS923+ ku tomu ESPHome, Tasmota, MariaDB, InfluxDB, Telegraf, Grafana, Zigbee2MQTT..., HW: ESPlan (ESP32 + LAN 8720 + RS485). Nejaké moje projekty: MUST-ESPhome, ELTEK Flatpack2 ESPhome, ESP32-EMON, PZEM-017@WiFi, diyBMS-CurrentShunt-ESPhome , BMS UART-TS485 adaptér
-
eman
- Příspěvky: 2818
- Registrován: pát srp 31, 2012 9:20 pm
- Reputace: 308
- Lokalita: Praha
- Systémové napětí: 48V
- Chci prodávat energii: NE
- Chci/Mám dotaci: NE
Re: Home Assistant - otevírání posuvné brány
Tome, já tyhle věci vůbec neznám. Stavím jen podle návodu. 
10kWp JJZ, 3x SmartSolar 150/85, 3xVictron MP II 5kVA v paralelním režimu, Smartshunt, Cerbo GX, 16x400Ah LiFePO4 s JK BMS B2A24S20P + JK BMS Invertor
- TomHC
- Příspěvky: 3655
- Registrován: pát lis 11, 2022 8:14 am
- Reputace: 792
- Lokalita: Hlohovec, SR
- Systémové napětí: 48V
- Výkon panelů [Wp]: 8820
- Kapacita baterie [kWh]: 30
- Chci prodávat energii: NE
- Chci/Mám dotaci: NE
- Bydliště: Hlohovec, SR
Re: Home Assistant - otevírání posuvné brány
Takto, odpory podľa typu optočlenu, aby sedel prúd do LED, jeden 1k by mal byť OK. Ten na výstupe sa dá nahradiť pull-up rezistorom v ESP.
2x MUST PH1800 5.5kW, 9kWp V+J+Z, 600 Ah LiFePO4 s BMS JBD 200A, SW: Home Assistant na Synology DS923+ ku tomu ESPHome, Tasmota, MariaDB, InfluxDB, Telegraf, Grafana, Zigbee2MQTT..., HW: ESPlan (ESP32 + LAN 8720 + RS485). Nejaké moje projekty: MUST-ESPhome, ELTEK Flatpack2 ESPhome, ESP32-EMON, PZEM-017@WiFi, diyBMS-CurrentShunt-ESPhome , BMS UART-TS485 adaptér
-
eman
- Příspěvky: 2818
- Registrován: pát srp 31, 2012 9:20 pm
- Reputace: 308
- Lokalita: Praha
- Systémové napětí: 48V
- Chci prodávat energii: NE
- Chci/Mám dotaci: NE
Re: Home Assistant - otevírání posuvné brány
Díky moc.
10kWp JJZ, 3x SmartSolar 150/85, 3xVictron MP II 5kVA v paralelním režimu, Smartshunt, Cerbo GX, 16x400Ah LiFePO4 s JK BMS B2A24S20P + JK BMS Invertor
-
eman
- Příspěvky: 2818
- Registrován: pát srp 31, 2012 9:20 pm
- Reputace: 308
- Lokalita: Praha
- Systémové napětí: 48V
- Chci prodávat energii: NE
- Chci/Mám dotaci: NE
Re: Home Assistant - otevírání posuvné brány
Ahoj, chlapi nevíte jak řešit, aby se esp při bootu nepřipojovalo na vzdálené, slabé AP, ale na to co má nejblíže?
Zprovoznil jsem tu bránu, AP mám 4m od ESP, ale ten prevít se při každém bootu přihlásí na AP 30m od něj a má samozřejmě slabý signál. Musím ho ručně rebootovat a tak při 3 rebootu to pochopí a přihlásí se na to správné.
Všechny AP jsem v Mesh a mají stejné SSID.
Zprovoznil jsem tu bránu, AP mám 4m od ESP, ale ten prevít se při každém bootu přihlásí na AP 30m od něj a má samozřejmě slabý signál. Musím ho ručně rebootovat a tak při 3 rebootu to pochopí a přihlásí se na to správné.
Všechny AP jsem v Mesh a mají stejné SSID.
10kWp JJZ, 3x SmartSolar 150/85, 3xVictron MP II 5kVA v paralelním režimu, Smartshunt, Cerbo GX, 16x400Ah LiFePO4 s JK BMS B2A24S20P + JK BMS Invertor
-
Valdano
- Příspěvky: 1771
- Registrován: čtv črc 21, 2022 5:39 pm
- Reputace: 249
- Lokalita: Česká Lípa
- Chci prodávat energii: NE
- Chci/Mám dotaci: NE
Re: Home Assistant - otevírání posuvné brány
Zde je odkaz na příklad skenování Wifi sítě aniž byste se musel ke každému AP bodu přímo připojovat viz WiFi.scanNetworks (vrací počet dostupných AP) a pak postupně WiFi.getNetworkInfo (dle indexu vrací parametry AP včetně síly signálu pro jednotlivý AP bod z dostupných získaných voláním WiFi.scanNetworks). Takže po spuštění ESP pomocí toho skenování získáte informaci o RSSI hodnotě signálu každého z AP bodů, které budou dostupné a pak se připojíte k tomu AP s nejvyšší hodnotou RSSI.
Naposledy upravil(a) Valdano dne sob dub 12, 2025 7:38 pm, celkem upraveno 1 x.
-
eman
- Příspěvky: 2818
- Registrován: pát srp 31, 2012 9:20 pm
- Reputace: 308
- Lokalita: Praha
- Systémové napětí: 48V
- Chci prodávat energii: NE
- Chci/Mám dotaci: NE
Re: Home Assistant - otevírání posuvné brány
Díky za tip. Na to jsem nenarazil. Ale už jsem to asi vyřešil. Dá se mu vnutit MAC adresa APečka, ke kterému se má připojit. Zkoušel jsem ho několikrát restartovat a vždycky se chytil správně, tak uvidím. 
10kWp JJZ, 3x SmartSolar 150/85, 3xVictron MP II 5kVA v paralelním režimu, Smartshunt, Cerbo GX, 16x400Ah LiFePO4 s JK BMS B2A24S20P + JK BMS Invertor
-
Valdano
- Příspěvky: 1771
- Registrován: čtv črc 21, 2022 5:39 pm
- Reputace: 249
- Lokalita: Česká Lípa
- Chci prodávat energii: NE
- Chci/Mám dotaci: NE
Re: Home Assistant - otevírání posuvné brány
To vaše řešení s v SW pevně definovanou MAC má nevýhodu, že když ten nejbližší AP bod "odejde" a nový bude mít jinou MAC tak budete muset upravit program v ESP (případně příslušný parametr třeba přes web rozhraní apod) a změnit tu již neexistující MAC za jinou a do té doby než to uděláte to nebude fungovat. Zatímco při použití zmíněného skenování to bude na MAC nezávislé a bude to fungovat skutečně jen podle síly signálu.
-
eman
- Příspěvky: 2818
- Registrován: pát srp 31, 2012 9:20 pm
- Reputace: 308
- Lokalita: Praha
- Systémové napětí: 48V
- Chci prodávat energii: NE
- Chci/Mám dotaci: NE
Re: Home Assistant - otevírání posuvné brány
Ještě to upravím, ale teď jsem to chtěl vyřešit, aby to aspoň fungovalo. Na tu slabou AP to prakticky nefunguje.
10kWp JJZ, 3x SmartSolar 150/85, 3xVictron MP II 5kVA v paralelním režimu, Smartshunt, Cerbo GX, 16x400Ah LiFePO4 s JK BMS B2A24S20P + JK BMS Invertor
-
cipis
- Moderátor
- Příspěvky: 6816
- Registrován: pon srp 16, 2021 9:31 pm
- Reputace: 940
- Lokalita: blízko Brna
- Systémové napětí: 24V
- Výkon panelů [Wp]: 13+ kWp
- Kapacita baterie [kWh]: 40+26
- Chci prodávat energii: NE
- Chci/Mám dotaci: NE
- Bydliště: blízko Brna
Re: Home Assistant - otevírání posuvné brány
Tak tomu slabemu AP nastav minimalni hodnotu signalu klienta. Slabosi se pak nepripoji, kdyz bude mit treba -80dBm.
16+ kWp: 9850 Wp Jih, 2040 Wp Východ, 1490 Wp Západ, 2700 Wp mikroinvertory
Regulátory Epever a Victron
MP 24/5000 + Deye mikroinvertory 1+2,2 kW (můj byt + máti byt)
MP 24/1200 inet, sit, kamery atd.
Phoenix 24/5000 vytěžování do akumulačních kamen
Epever 3kW vytěžování do bojlerů + žebříky
1 kW "nabíječka" 24 V
40+ kWh staré olovo 26+ kWh Li-Ion
několik dalších MP jako záložní zdroje na různých místech
Modře píši jako moderátor, černě jako člen.
Regulátory Epever a Victron
MP 24/5000 + Deye mikroinvertory 1+2,2 kW (můj byt + máti byt)
MP 24/1200 inet, sit, kamery atd.
Phoenix 24/5000 vytěžování do akumulačních kamen
Epever 3kW vytěžování do bojlerů + žebříky
1 kW "nabíječka" 24 V
40+ kWh staré olovo 26+ kWh Li-Ion
několik dalších MP jako záložní zdroje na různých místech
Modře píši jako moderátor, černě jako člen.
Kdo je online
Uživatelé prohlížející si toto fórum: Claudebot [Bot] a 0 hostů
