Multiplus II
Souhrn tématu
Diskuze se zaměřuje na novinku Multiplus II od Victronu, konkrétně model 48V-3000VA-35A-32A, a jeho využití v kombinaci se solárními měniči jako SolarEdge. Uživatelé řeší chování zařízení při výpadku napájení, možnosti integrace do domácí automatizace a správu přetoků energie pomocí smart metrů a Cerba. Sdílejí také zkušenosti s ovládáním a nastavením Multiplus II pro optimální využití v hybridních systémech.
- leoshavla
- Příspěvky: 603
- Registrován: stř bře 23, 2022 7:43 am
- Reputace:85
Re: Multiplus II
Ahoj, taky plánuju Multiplus, takže když předřadím měnič např. Ipewer 5000 a budu ho připínat když bude dost v baterkách a dojde k přetížení Multiplusu tak vypomůže. A když bude nízké SOC tak připnu k Multiplusu DS, za předpokladu že se na ACIN nesmí setkat DS s předřazeným měničem, pak by žádný přetok neměl být.
1. Jih 300Wp, J-Z otočný 300Wp, 12V Carspa 1500W, 2x MPPT Victron 100/20, Lifepo4 105+135Ah 
2. JZ 8 kWp sklon 15st.solárni přístřešek stř. krytina 18x JA Solar Bifacial , 2x Multiplus 5000, 2x MPPT Victron 150/85, vyhřívaný bat.box 16x Lifepo4 LF304Ah JKBMS 200A V15, Cerbo GX, SmartShunt 300A
2. JZ 8 kWp sklon 15st.solárni přístřešek stř. krytina 18x JA Solar Bifacial , 2x Multiplus 5000, 2x MPPT Victron 150/85, vyhřívaný bat.box 16x Lifepo4 LF304Ah JKBMS 200A V15, Cerbo GX, SmartShunt 300A
- pibi
- Příspěvky: 1727
- Registrován: ned led 01, 2023 6:17 pm
- Reputace:400
- Lokalita: Východně od 3nce
- Systémové napětí: 48V
- Výkon panelů [Wp]: 16kWp
- Kapacita baterie [kWh]: 44kWh
- Chci prodávat energii: NE
- Chci/Mám dotaci: NE
Re: Multiplus II
Ano, takhle to provozuji skoro 2 roky, na vstupu 2 elektricky a mechanicky blokované stykače. Po pořízení EV a potřebě vyššího výkonu budu předělávat na paralelní chod.
9,2kWp JV 45°, 4,6kWp JZ 45°, 2,3kWp JV 90°, 2 x Victron MP II 5kVA, 3 x SmartSolar 150/70, Smartshunt, Cerbo, 16x280Ah + 16X300Ah + 16x300Ah LiFePO4 + 3xJK BMS.
K levné elektřině se dostaneme jen vytrvalou prací a svým kapitálem. Vladimír List, Elektrisace Československa 1934
K levné elektřině se dostaneme jen vytrvalou prací a svým kapitálem. Vladimír List, Elektrisace Československa 1934
- leoshavla
- Příspěvky: 603
- Registrován: stř bře 23, 2022 7:43 am
- Reputace:85
Re: Multiplus II
Tak super, ještě to pak všechno správně nastavit, to bude boj, budu tam mít cerbo, tak asi přes něj. Díky 
1. Jih 300Wp, J-Z otočný 300Wp, 12V Carspa 1500W, 2x MPPT Victron 100/20, Lifepo4 105+135Ah 
2. JZ 8 kWp sklon 15st.solárni přístřešek stř. krytina 18x JA Solar Bifacial , 2x Multiplus 5000, 2x MPPT Victron 150/85, vyhřívaný bat.box 16x Lifepo4 LF304Ah JKBMS 200A V15, Cerbo GX, SmartShunt 300A
2. JZ 8 kWp sklon 15st.solárni přístřešek stř. krytina 18x JA Solar Bifacial , 2x Multiplus 5000, 2x MPPT Victron 150/85, vyhřívaný bat.box 16x Lifepo4 LF304Ah JKBMS 200A V15, Cerbo GX, SmartShunt 300A
- pibi
- Příspěvky: 1727
- Registrován: ned led 01, 2023 6:17 pm
- Reputace:400
- Lokalita: Východně od 3nce
- Systémové napětí: 48V
- Výkon panelů [Wp]: 16kWp
- Kapacita baterie [kWh]: 44kWh
- Chci prodávat energii: NE
- Chci/Mám dotaci: NE
Re: Multiplus II
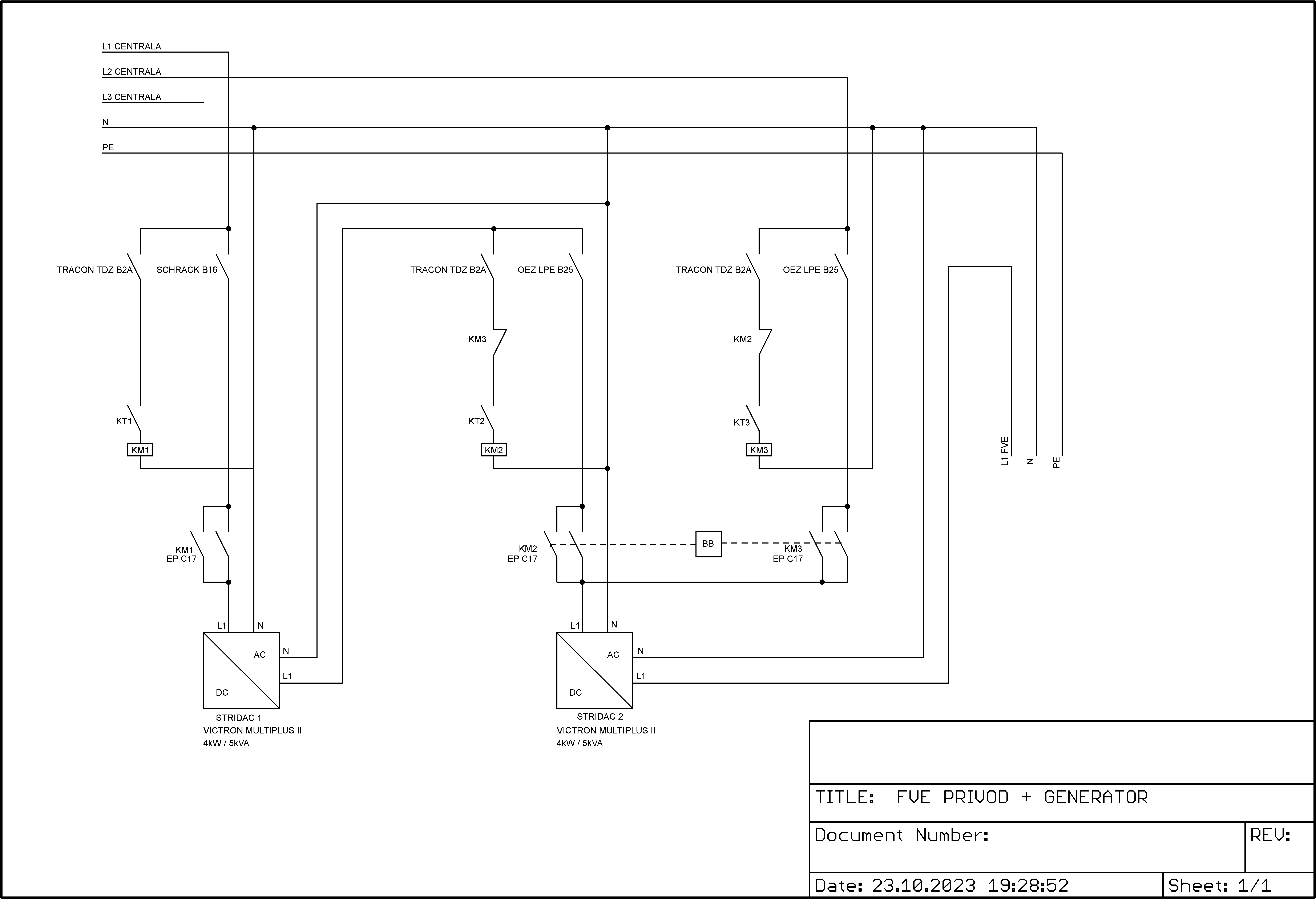
Předřazený střídač spínám asistentem ve střídači, relátkem v Cerbu (pro změnu opět generátor start/stop) zapínám síť - KM3 při poklesu SOC pod 30%, nebo poklesu DC napětí pod 49V.
Druhé relé bez Node-Red moc využití nemá - teplota, nebo ručně.
Druhé relé bez Node-Red moc využití nemá - teplota, nebo ručně.
9,2kWp JV 45°, 4,6kWp JZ 45°, 2,3kWp JV 90°, 2 x Victron MP II 5kVA, 3 x SmartSolar 150/70, Smartshunt, Cerbo, 16x280Ah + 16X300Ah + 16x300Ah LiFePO4 + 3xJK BMS.
K levné elektřině se dostaneme jen vytrvalou prací a svým kapitálem. Vladimír List, Elektrisace Československa 1934
K levné elektřině se dostaneme jen vytrvalou prací a svým kapitálem. Vladimír List, Elektrisace Československa 1934
- leoshavla
- Příspěvky: 603
- Registrován: stř bře 23, 2022 7:43 am
- Reputace:85
Re: Multiplus II
A Cerbo nastavím přes VRM v mobilu nebo přes MK3 USB ve.direct přes PC
1. Jih 300Wp, J-Z otočný 300Wp, 12V Carspa 1500W, 2x MPPT Victron 100/20, Lifepo4 105+135Ah 
2. JZ 8 kWp sklon 15st.solárni přístřešek stř. krytina 18x JA Solar Bifacial , 2x Multiplus 5000, 2x MPPT Victron 150/85, vyhřívaný bat.box 16x Lifepo4 LF304Ah JKBMS 200A V15, Cerbo GX, SmartShunt 300A
2. JZ 8 kWp sklon 15st.solárni přístřešek stř. krytina 18x JA Solar Bifacial , 2x Multiplus 5000, 2x MPPT Victron 150/85, vyhřívaný bat.box 16x Lifepo4 LF304Ah JKBMS 200A V15, Cerbo GX, SmartShunt 300A
- pibi
- Příspěvky: 1727
- Registrován: ned led 01, 2023 6:17 pm
- Reputace:400
- Lokalita: Východně od 3nce
- Systémové napětí: 48V
- Výkon panelů [Wp]: 16kWp
- Kapacita baterie [kWh]: 44kWh
- Chci prodávat energii: NE
- Chci/Mám dotaci: NE
Re: Multiplus II
Cerbo nastavuji přes VRM v počítači, bo na mobilu toho moc nevidím. 
Multiplusy přes MK 3 USB, vytáhl jsem si konektory k počítači ve sklepě, abych nemusel lézt do měniče.
[attachment=0]PXL_20240416_203234798.jpg[/attachment]
Multiplusy přes MK 3 USB, vytáhl jsem si konektory k počítači ve sklepě, abych nemusel lézt do měniče.
[attachment=0]PXL_20240416_203234798.jpg[/attachment]
9,2kWp JV 45°, 4,6kWp JZ 45°, 2,3kWp JV 90°, 2 x Victron MP II 5kVA, 3 x SmartSolar 150/70, Smartshunt, Cerbo, 16x280Ah + 16X300Ah + 16x300Ah LiFePO4 + 3xJK BMS.
K levné elektřině se dostaneme jen vytrvalou prací a svým kapitálem. Vladimír List, Elektrisace Československa 1934
K levné elektřině se dostaneme jen vytrvalou prací a svým kapitálem. Vladimír List, Elektrisace Československa 1934
- cipis
- Moderátor
- Příspěvky: 7163
- Registrován: pon srp 16, 2021 9:31 pm
- Reputace:1013
- Lokalita: blízko Brna
- Systémové napětí: 24V
- Výkon panelů [Wp]: 18+ kWp
- Kapacita baterie [kWh]: 40+26
- Chci prodávat energii: NE
- Chci/Mám dotaci: NE
- Bydliště: blízko Brna
Re: Multiplus II
Ja to jedu opacne, mam vlacek menic - mp, a vyuzivam PA. Nejake pripinani "generatoru", cekani na nafazovani, rizeni relatkama/necim, na to kaslu. Za tech usetrenych 12-15 W mi to nestoji.
18+ kWp v provozu, 7+ kWp čeká na montáž/zapojení
Regulátory Epever a Victron
MP 24/5000 + Deye mikroinvertory 1+2,25+0,8 kW (můj byt + máti byt)
MP 24/1200 inet, sit, kamery atd.
Phoenix 24/5000 vytěžování do akumulačních kamen
Epever 3kW vytěžování do bojlerů + žebříky
1 kW "nabíječka" 24 V
40+ kWh staré olovo 26+ kWh Li-Ion
několik dalších MP jako záložní zdroje na různých místech
Modře píši jako moderátor, černě jako člen.
Regulátory Epever a Victron
MP 24/5000 + Deye mikroinvertory 1+2,25+0,8 kW (můj byt + máti byt)
MP 24/1200 inet, sit, kamery atd.
Phoenix 24/5000 vytěžování do akumulačních kamen
Epever 3kW vytěžování do bojlerů + žebříky
1 kW "nabíječka" 24 V
40+ kWh staré olovo 26+ kWh Li-Ion
několik dalších MP jako záložní zdroje na různých místech
Modře píši jako moderátor, černě jako člen.
- leoshavla
- Příspěvky: 603
- Registrován: stř bře 23, 2022 7:43 am
- Reputace:85
Re: Multiplus II
A jak připínáš DS?
Naposledy upravil(a) leoshavla dne stř úno 26, 2025 3:20 pm, celkem upraveno 2 x.
1. Jih 300Wp, J-Z otočný 300Wp, 12V Carspa 1500W, 2x MPPT Victron 100/20, Lifepo4 105+135Ah 
2. JZ 8 kWp sklon 15st.solárni přístřešek stř. krytina 18x JA Solar Bifacial , 2x Multiplus 5000, 2x MPPT Victron 150/85, vyhřívaný bat.box 16x Lifepo4 LF304Ah JKBMS 200A V15, Cerbo GX, SmartShunt 300A
2. JZ 8 kWp sklon 15st.solárni přístřešek stř. krytina 18x JA Solar Bifacial , 2x Multiplus 5000, 2x MPPT Victron 150/85, vyhřívaný bat.box 16x Lifepo4 LF304Ah JKBMS 200A V15, Cerbo GX, SmartShunt 300A
- cipis
- Moderátor
- Příspěvky: 7163
- Registrován: pon srp 16, 2021 9:31 pm
- Reputace:1013
- Lokalita: blízko Brna
- Systémové napětí: 24V
- Výkon panelů [Wp]: 18+ kWp
- Kapacita baterie [kWh]: 40+26
- Chci prodávat energii: NE
- Chci/Mám dotaci: NE
- Bydliště: blízko Brna
Re: Multiplus II
Jaké přetoky?
18+ kWp v provozu, 7+ kWp čeká na montáž/zapojení
Regulátory Epever a Victron
MP 24/5000 + Deye mikroinvertory 1+2,25+0,8 kW (můj byt + máti byt)
MP 24/1200 inet, sit, kamery atd.
Phoenix 24/5000 vytěžování do akumulačních kamen
Epever 3kW vytěžování do bojlerů + žebříky
1 kW "nabíječka" 24 V
40+ kWh staré olovo 26+ kWh Li-Ion
několik dalších MP jako záložní zdroje na různých místech
Modře píši jako moderátor, černě jako člen.
Regulátory Epever a Victron
MP 24/5000 + Deye mikroinvertory 1+2,25+0,8 kW (můj byt + máti byt)
MP 24/1200 inet, sit, kamery atd.
Phoenix 24/5000 vytěžování do akumulačních kamen
Epever 3kW vytěžování do bojlerů + žebříky
1 kW "nabíječka" 24 V
40+ kWh staré olovo 26+ kWh Li-Ion
několik dalších MP jako záložní zdroje na různých místech
Modře píši jako moderátor, černě jako člen.
- Diablo1st
- Příspěvky: 2306
- Registrován: pon lis 01, 2021 7:41 pm
- Reputace:229
- Lokalita: MY, SR
- Výkon panelů [Wp]: 10200
- Kapacita baterie [kWh]: 28
- Bydliště: SR MY
Re: Multiplus II
Pretoky u Victronu sú len v ESS režime.
Victron ESS AC Coupling:
2,75kWp on-grid + 3,3kWp RS450/100 + 4,15kWp Fronius Primo 4.0.1 + MP2 5kVA + 2x 17x280Ah + JK BMS
2,75kWp on-grid + 3,3kWp RS450/100 + 4,15kWp Fronius Primo 4.0.1 + MP2 5kVA + 2x 17x280Ah + JK BMS
- leoshavla
- Příspěvky: 603
- Registrován: stř bře 23, 2022 7:43 am
- Reputace:85
Re: Multiplus II
Ten dotaz na přetoky byla blbost, ale ten vláček máš stejný, akorát asi bez DS Multiplus pojede na PA akorát se mu na ACIN bude střídat buď menič nebo DScipis píše: stř úno 26, 2025 2:00 pmJa to jedu opacne, mam vlacek menic - mp, a vyuzivam PA. Nejake pripinani "generatoru", cekani na nafazovani, rizeni relatkama/necim, na to kaslu. Za tech usetrenych 12-15 W mi to nestoji.
1. Jih 300Wp, J-Z otočný 300Wp, 12V Carspa 1500W, 2x MPPT Victron 100/20, Lifepo4 105+135Ah 
2. JZ 8 kWp sklon 15st.solárni přístřešek stř. krytina 18x JA Solar Bifacial , 2x Multiplus 5000, 2x MPPT Victron 150/85, vyhřívaný bat.box 16x Lifepo4 LF304Ah JKBMS 200A V15, Cerbo GX, SmartShunt 300A
2. JZ 8 kWp sklon 15st.solárni přístřešek stř. krytina 18x JA Solar Bifacial , 2x Multiplus 5000, 2x MPPT Victron 150/85, vyhřívaný bat.box 16x Lifepo4 LF304Ah JKBMS 200A V15, Cerbo GX, SmartShunt 300A
- cipis
- Moderátor
- Příspěvky: 7163
- Registrován: pon srp 16, 2021 9:31 pm
- Reputace:1013
- Lokalita: blízko Brna
- Systémové napětí: 24V
- Výkon panelů [Wp]: 18+ kWp
- Kapacita baterie [kWh]: 40+26
- Chci prodávat energii: NE
- Chci/Mám dotaci: NE
- Bydliště: blízko Brna
Re: Multiplus II
Mně se tam nic nestřídá, je tam trvale Phoenix.
18+ kWp v provozu, 7+ kWp čeká na montáž/zapojení
Regulátory Epever a Victron
MP 24/5000 + Deye mikroinvertory 1+2,25+0,8 kW (můj byt + máti byt)
MP 24/1200 inet, sit, kamery atd.
Phoenix 24/5000 vytěžování do akumulačních kamen
Epever 3kW vytěžování do bojlerů + žebříky
1 kW "nabíječka" 24 V
40+ kWh staré olovo 26+ kWh Li-Ion
několik dalších MP jako záložní zdroje na různých místech
Modře píši jako moderátor, černě jako člen.
Regulátory Epever a Victron
MP 24/5000 + Deye mikroinvertory 1+2,25+0,8 kW (můj byt + máti byt)
MP 24/1200 inet, sit, kamery atd.
Phoenix 24/5000 vytěžování do akumulačních kamen
Epever 3kW vytěžování do bojlerů + žebříky
1 kW "nabíječka" 24 V
40+ kWh staré olovo 26+ kWh Li-Ion
několik dalších MP jako záložní zdroje na různých místech
Modře píši jako moderátor, černě jako člen.
- skybor
- Příspěvky: 1523
- Registrován: pon dub 24, 2023 8:47 am
- Reputace:257
- Lokalita: Lašská brána Beskyd
- Systémové napětí: 48V
- Výkon panelů [Wp]: 8kWp
- Kapacita baterie [kWh]: 20kWh
Re: Multiplus II
Samozřejmě souhlas. Pokud řešíš spotřebu 12-15W asi ideální řešení, pokud řešíš spotřebu 120-150W (nebo 60-75W) bude možná lepší řešení jiné. Třeba některé, z těch výše uvedených. Nějak již delší dobu tuším, že nakonec skončím u měničů Victron. Jen jsem pořád nevěděl proč. Ale už asi tuším. Kromě jiných předností, se mi začíná čím dál víc líbit ta variabilita použití. Asi brzy přibude do FVE rodinky nová hračkacipis píše: stř úno 26, 2025 2:00 pmJa to jedu opacne, mam vlacek menic - mp, a vyuzivam PA. Nejake pripinani "generatoru", cekani na nafazovani, rizeni relatkama/necim, na to kaslu. Za tech usetrenych 12-15 W mi to nestoji.
PS: FVE experimenty jsem začínal s HF měniči s trapezovým průběhem, pak přišly na řadu HF měniče se sinusem, pak LF měniče s trafem a teď jsou asi na řadě LF měniče od Victronu ...
SkyFVE 8 kWp na výzkumné "chytré" chatě. 4x MPPT Epever XTRA4415N 4x40A, 3x LG Chem Li-Ion 12s 156Ah (cca 20 kWh/44V), SkyPowerBox LF 4810 1kVA, Victron MP 48/3000, REVO VM II 5.5kW , APC SmartUPS 5000 + PLC Siemens Logo! + Dell Optiplex 3040 Micro (Proxmox: HA, Node-RED, InfluxDB, Grafana, Mqtt, Zigbee2Mqtt, Samba, Tailscale)
- skybor
- Příspěvky: 1523
- Registrován: pon dub 24, 2023 8:47 am
- Reputace:257
- Lokalita: Lašská brána Beskyd
- Systémové napětí: 48V
- Výkon panelů [Wp]: 8kWp
- Kapacita baterie [kWh]: 20kWh
Re: Multiplus II
Tak jsem si nainstaloval VE Configure ... Ale tohle strávit asi fakt nebude na jeden večer samostudiagupa píše: stř úno 26, 2025 5:31 amTak stačí stáhnout si program (balík programů) VE Configure z Victron webu, kterým se přes převodník MK nastavuje MP přes VEBus a chce to přečíst docela obšírně popsané návody v čestině a Help v angličtině v samotném programu. Mi to trvalo pochopit asi dva měsíce jak to chlapci a dívky z Victronu vymysleli....
SkyFVE 8 kWp na výzkumné "chytré" chatě. 4x MPPT Epever XTRA4415N 4x40A, 3x LG Chem Li-Ion 12s 156Ah (cca 20 kWh/44V), SkyPowerBox LF 4810 1kVA, Victron MP 48/3000, REVO VM II 5.5kW , APC SmartUPS 5000 + PLC Siemens Logo! + Dell Optiplex 3040 Micro (Proxmox: HA, Node-RED, InfluxDB, Grafana, Mqtt, Zigbee2Mqtt, Samba, Tailscale)
- pibi
- Příspěvky: 1727
- Registrován: ned led 01, 2023 6:17 pm
- Reputace:400
- Lokalita: Východně od 3nce
- Systémové napětí: 48V
- Výkon panelů [Wp]: 16kWp
- Kapacita baterie [kWh]: 44kWh
- Chci prodávat energii: NE
- Chci/Mám dotaci: NE
Re: Multiplus II
To chce klid, vždyť je tam jen 6 záložek (fyzicky je jich 7, ale můžeš použít buď virtual switch, nebo asistenty, obojí ne)
Zaklikneš pár okýnek, vyexportuješ do střídače a pojedeš.
Důležitá věc, po nahrání změn do střídače se restartuje, nepříjemné, pokud nahráváš soubor z PC krmeného tímto střídačem.
Zaklikneš pár okýnek, vyexportuješ do střídače a pojedeš.
Důležitá věc, po nahrání změn do střídače se restartuje, nepříjemné, pokud nahráváš soubor z PC krmeného tímto střídačem.
9,2kWp JV 45°, 4,6kWp JZ 45°, 2,3kWp JV 90°, 2 x Victron MP II 5kVA, 3 x SmartSolar 150/70, Smartshunt, Cerbo, 16x280Ah + 16X300Ah + 16x300Ah LiFePO4 + 3xJK BMS.
K levné elektřině se dostaneme jen vytrvalou prací a svým kapitálem. Vladimír List, Elektrisace Československa 1934
K levné elektřině se dostaneme jen vytrvalou prací a svým kapitálem. Vladimír List, Elektrisace Československa 1934
- gupa
- Příspěvky: 3901
- Registrován: sob pro 29, 2012 10:22 pm
- Reputace:177
- Lokalita: pod Brnem
- Systémové napětí: 24V
Re: Multiplus II
Je několik typů ukládání po VEBus, změna změněných položek, změna a přepsání všech položek, změna jen v daném načteném měniči, změna všech parametrů podle změny ve všech měničích konfigurace na VEBusu.
Send sending funguje jen s měniči ve fake simulaci to neukáže okno s volbami výše popsanými.
Get načte jen právě načtený měnič, když je v systému více měničů, je potřeba odlišné konfigurace pro VEConfigure program načítat přes ty druhé programy v balíku klikem pravého tlačítka myši na daný měnič. Pro identifikaci je v daném programu příkaz pro rozblikání ledky měniče aby bylo naprosto jasné který měnič se do VEConfigure načte.
To spodní tlačítko je Victron panel jako okno programu tz. SW verze. Lze ho objednat i jako HW. Mám ho jako HW, ale ještě jsem ho po otestování nezapojil. Důležité u proudu v ampérech vědět je, že pokud je měničů více paralelně, konečnou chtěnou volbu je nutné pro nastavení dělit počtem měničů. Př. chci nastavit 50A, mám dva měniče paralelně, v tomto panelu nastavím 25A. Pokud 25A (většina hl. jističů) nastavím 8,3A. (25Aděleno 3 měniči)
S restartem teď nevím, ale je nelogické změnit parametr např PA a mít restart. Restart je určitě potřeba po systémových změnách typu frekvence a nebo napětí na LineOut.
Send sending funguje jen s měniči ve fake simulaci to neukáže okno s volbami výše popsanými.
Get načte jen právě načtený měnič, když je v systému více měničů, je potřeba odlišné konfigurace pro VEConfigure program načítat přes ty druhé programy v balíku klikem pravého tlačítka myši na daný měnič. Pro identifikaci je v daném programu příkaz pro rozblikání ledky měniče aby bylo naprosto jasné který měnič se do VEConfigure načte.
To spodní tlačítko je Victron panel jako okno programu tz. SW verze. Lze ho objednat i jako HW. Mám ho jako HW, ale ještě jsem ho po otestování nezapojil. Důležité u proudu v ampérech vědět je, že pokud je měničů více paralelně, konečnou chtěnou volbu je nutné pro nastavení dělit počtem měničů. Př. chci nastavit 50A, mám dva měniče paralelně, v tomto panelu nastavím 25A. Pokud 25A (většina hl. jističů) nastavím 8,3A. (25Aděleno 3 měniči)
S restartem teď nevím, ale je nelogické změnit parametr např PA a mít restart. Restart je určitě potřeba po systémových změnách typu frekvence a nebo napětí na LineOut.
Naposledy upravil(a) gupa dne pát úno 28, 2025 11:28 am, celkem upraveno 4 x.
3x2000VA-VMP-par, NiCd 24V, 22x210-320Wp, 2x85A-VMPPT, ABC-&-XYZ mypower.czAť ti to běží jako hodinky na baterku s čerstvou expirací! Zdejší slova: To by bylo, abychom na tom šetření nevydělali! Nový a aktuálně platný je termín v diskuzích na Seznam.cz mediokratická totalita.
- pibi
- Příspěvky: 1727
- Registrován: ned led 01, 2023 6:17 pm
- Reputace:400
- Lokalita: Východně od 3nce
- Systémové napětí: 48V
- Výkon panelů [Wp]: 16kWp
- Kapacita baterie [kWh]: 44kWh
- Chci prodávat energii: NE
- Chci/Mám dotaci: NE
Re: Multiplus II
Jestli je to logické, nebo ne nevím. Vám že se restartuje i při změnách nastavení asistentů, tak s tím počítám vždy. Napájení PC jsem udělal Orionem ze 48VDC. Pokud někdo používá noťas, tak je v klidu.
9,2kWp JV 45°, 4,6kWp JZ 45°, 2,3kWp JV 90°, 2 x Victron MP II 5kVA, 3 x SmartSolar 150/70, Smartshunt, Cerbo, 16x280Ah + 16X300Ah + 16x300Ah LiFePO4 + 3xJK BMS.
K levné elektřině se dostaneme jen vytrvalou prací a svým kapitálem. Vladimír List, Elektrisace Československa 1934
K levné elektřině se dostaneme jen vytrvalou prací a svým kapitálem. Vladimír List, Elektrisace Československa 1934
- gupa
- Příspěvky: 3901
- Registrován: sob pro 29, 2012 10:22 pm
- Reputace:177
- Lokalita: pod Brnem
- Systémové napětí: 24V
Re: Multiplus II
Asistenty jsem ještě nepotřeboval a ani by mi dobře nefungovali protože mám měniče už hodně staré a ty nové funkce dosly po změně mikrokontrolérů v MP a Q. Musel bych je předeskovat což nebudu, protože mi to teď funguje dobře. Jde zřejmě při změně asistentů o změnu systémovou.
3x2000VA-VMP-par, NiCd 24V, 22x210-320Wp, 2x85A-VMPPT, ABC-&-XYZ mypower.czAť ti to běží jako hodinky na baterku s čerstvou expirací! Zdejší slova: To by bylo, abychom na tom šetření nevydělali! Nový a aktuálně platný je termín v diskuzích na Seznam.cz mediokratická totalita.
- cipis
- Moderátor
- Příspěvky: 7163
- Registrován: pon srp 16, 2021 9:31 pm
- Reputace:1013
- Lokalita: blízko Brna
- Systémové napětí: 24V
- Výkon panelů [Wp]: 18+ kWp
- Kapacita baterie [kWh]: 40+26
- Chci prodávat energii: NE
- Chci/Mám dotaci: NE
- Bydliště: blízko Brna
Re: Multiplus II
Já nemám asistenty ani switch, nic. A při jakékoliv změně restart, s vypnutím a zapnutím. Je to dost otravné. Tak si to pak člověk chystá vše najednou, no a snaží se to provést v době, kdy to nevadí. Pokud je ale na tom 24/7 server/wifi/..., tak je to na houby. Cvak cvak a jedeme dál, no ...
18+ kWp v provozu, 7+ kWp čeká na montáž/zapojení
Regulátory Epever a Victron
MP 24/5000 + Deye mikroinvertory 1+2,25+0,8 kW (můj byt + máti byt)
MP 24/1200 inet, sit, kamery atd.
Phoenix 24/5000 vytěžování do akumulačních kamen
Epever 3kW vytěžování do bojlerů + žebříky
1 kW "nabíječka" 24 V
40+ kWh staré olovo 26+ kWh Li-Ion
několik dalších MP jako záložní zdroje na různých místech
Modře píši jako moderátor, černě jako člen.
Regulátory Epever a Victron
MP 24/5000 + Deye mikroinvertory 1+2,25+0,8 kW (můj byt + máti byt)
MP 24/1200 inet, sit, kamery atd.
Phoenix 24/5000 vytěžování do akumulačních kamen
Epever 3kW vytěžování do bojlerů + žebříky
1 kW "nabíječka" 24 V
40+ kWh staré olovo 26+ kWh Li-Ion
několik dalších MP jako záložní zdroje na různých místech
Modře píši jako moderátor, černě jako člen.
- glottis
- Příspěvky: 3903
- Registrován: stř úno 02, 2022 10:30 am
- Reputace:520
- Lokalita: okolí Mělníka
- Systémové napětí: 48V
- Výkon panelů [Wp]: 13000
- Kapacita baterie [kWh]: 30
Re: Multiplus II
A když je na vstupu ds tak to přejde grid? Jak na out1 i 2?
Kdo je online
Uživatelé procházející toto fórum: Claudebot [Bot]
