zapojení čidel DS18B20, doporučení, nápady, tipy, ...
Souhrn tématu
Diskuze se zaměřuje na zapojení čidel DS18B20, včetně doporučení pro správné připojení a konfiguraci pomocí ESP32. Uživatelé sdílejí zkušenosti s problémy způsobenými délkou kabelů a navrhují řešení jako použití sériových odporů či diod pro stabilizaci signálu. Součástí jsou i praktické ukázky konfigurace v YAML a tipy na rozdělení čidel na více GPIO pro lepší funkčnost.
- cipis
- Moderátor
- Příspěvky: 7029
- Registrován: pon srp 16, 2021 9:31 pm
- Reputace:986
- Lokalita: blízko Brna
- Systémové napětí: 24V
- Výkon panelů [Wp]: 13+ kWp
- Kapacita baterie [kWh]: 40+26
- Chci prodávat energii: NE
- Chci/Mám dotaci: NE
- Bydliště: blízko Brna
Re: zapojení čidel DS18B20, doporučení, nápady, tipy, ...
Bavíme se o čidlech, je to vytažené ze dvou vláken. O LK3/4 jinde.
16+ kWp: 9850 Wp Jih, 2040 Wp Východ, 1490 Wp Západ, 2700 Wp mikroinvertory
Regulátory Epever a Victron
MP 24/5000 + Deye mikroinvertory 1+2,2 kW (můj byt + máti byt)
MP 24/1200 inet, sit, kamery atd.
Phoenix 24/5000 vytěžování do akumulačních kamen
Epever 3kW vytěžování do bojlerů + žebříky
1 kW "nabíječka" 24 V
40+ kWh staré olovo 26+ kWh Li-Ion
několik dalších MP jako záložní zdroje na různých místech
Modře píši jako moderátor, černě jako člen.
Regulátory Epever a Victron
MP 24/5000 + Deye mikroinvertory 1+2,2 kW (můj byt + máti byt)
MP 24/1200 inet, sit, kamery atd.
Phoenix 24/5000 vytěžování do akumulačních kamen
Epever 3kW vytěžování do bojlerů + žebříky
1 kW "nabíječka" 24 V
40+ kWh staré olovo 26+ kWh Li-Ion
několik dalších MP jako záložní zdroje na různých místech
Modře píši jako moderátor, černě jako člen.
- pibi
- Příspěvky: 1720
- Registrován: ned led 01, 2023 6:17 pm
- Reputace:400
- Lokalita: Východně od 3nce
- Systémové napětí: 48V
- Výkon panelů [Wp]: 16kWp
- Kapacita baterie [kWh]: 44kWh
- Chci prodávat energii: NE
- Chci/Mám dotaci: NE
Re: zapojení čidel DS18B20, doporučení, nápady, tipy, ...
Díky za rady, zkusím to udělat, jak už tady bylo napsáno i dříve. V akunádrži jsou jímky a bude obestavěna polystyrenem, v blízkosti jímek udělám krabice, asi vždy jednu větší mezi 2 jímky, tam připojím čidla co nejkratšími kabely a dám i blokovací kondenzátory a ochranné diody. Rozebírat zalitá čidla ( samozřejmě čína z Hadexu) a dávat blokování na nožičky zatím nebudu, pokud by to blbnulo, tak koupím samostatné DS18B20 a budu si s tím hrát dále.Mex píše: úte lis 28, 2023 12:17 am
3m je celkem prd. Pokud ale budeš mít hvězdu o 8 ramenech, tak už je to 24m, a to už úplný prd není.
Ale zřejmě to pojede i tak.
Kdyby to bylo moje, tak určitě napájení každému teploměru zablokuju kondenzátorem.
DS18B20 má napájecí nohy jako ty krajní. Tak tam hezky vychází naletovat přímo na ně kondenzátor v pouzdře 1206. Z hmoty X7R, rozhodně ne z něčeho co začíná na Y..
A na takto rozvětveném uspořádání bych si tam asi přilepil i tu diodu mezi DQ a GND. V pouzdře 0603 to zase vyjde přiletovat rovnou na nohy, tentokrát na sousední.
Kondenzátor i dioda jsou položky v malých jednotkách korun (ve větším množství i pod korunu za kus).
Možná pak nebudeš mít takové problémy, jaké tady popisovali předřečníci, že jim padají čínské chipy a podobně.
Je nešikovné, že potřebuješ 10 čidel a LK4 podporuje jen 8. Právě proto nemám rád taková předvařená řešení a používám univerzální moduly (nejčastěji OrangePi Zero nebo One pro větší věci s Ethernetem, Blue-Pill pro malé věci s RS485 nebo CANbus, ESPxx při potřebě WiFi, ale ty nemám rád), kde si naprogramuju co potřebuju a ne co mi předchystal nějaký výrobce.
Nedá se nějak ten firmware nakonfigurovat, že by sis zvedl maximální počet čidel?
Ale je teoretizuju, LK3 ani LK4 neznám.
U kotle to udělám podobně, tak, aby odbočné krabice nebyly v teple u kouřovodu, ale bokem a kabel k čidlu opět co nejkratší.
9,2kWp JV 45°, 4,6kWp JZ 45°, 2,3kWp JV 90°, 2 x Victron MP II 5kVA, 3 x SmartSolar 150/70, Smartshunt, Cerbo, 16x280Ah + 16X300Ah + 16x300Ah LiFePO4 + 3xJK BMS.
K levné elektřině se dostaneme jen vytrvalou prací a svým kapitálem. Vladimír List, Elektrisace Československa 1934
K levné elektřině se dostaneme jen vytrvalou prací a svým kapitálem. Vladimír List, Elektrisace Československa 1934
- kamils
- Příspěvky: 140
- Registrován: čtv črc 15, 2021 5:10 pm
- Reputace:14
Re: zapojení čidel DS18B20, doporučení, nápady, tipy, ...
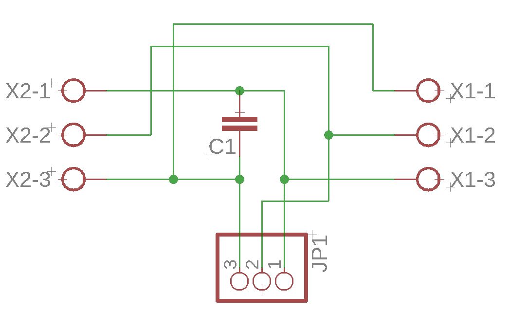
Mám takto zapojených 11 DS čidel (Hadex) k jednotce SDS a více jak rok bezproblémového provozu. Pro jednodušší montáž čidel jsem si udělal plošný spoj se dvěma konektory pro průběžné napojení kabelu. Stíněni připojené jen na jedné straně kabelu a podle doporučeni u SDS jsem volil co největší průřez, třivodičově.Celková délka cca 10m, 1x DS na spoj- max. původní délka čidla, průřez 0.8mm2 (https://www.kvelektro.cz/kabel-j-y-st-y ... k-p1257655)
Tišťák je možno si nechat vyrobit u https://www.plosnaky.cz/, stačí nahrát *.brd. Celé jsem to po přiletovaní Dalasu a přitažení stah. páskem dal do smršťovačky a malé instalační krabičky (https://www.kvelektro.cz/krabice-spelsb ... 1-p1177007).
Kdyžták mohu večer dát foto, ale myslím, že je to jasné.
Tišťák je možno si nechat vyrobit u https://www.plosnaky.cz/, stačí nahrát *.brd. Celé jsem to po přiletovaní Dalasu a přitažení stah. páskem dal do smršťovačky a malé instalační krabičky (https://www.kvelektro.cz/krabice-spelsb ... 1-p1177007).
Kdyžták mohu večer dát foto, ale myslím, že je to jasné.
- Přílohy
1wire_module.rar- (8.93 KiB) Staženo 294 x
- marsal64
- Příspěvky: 1204
- Registrován: sob čer 16, 2018 1:45 pm
- Reputace:133
- Lokalita: Velké Popovice
- Systémové napětí: 48V
- Výkon panelů [Wp]: 9,3
- Kapacita baterie [kWh]: 30
- Chci prodávat energii: NE
- Chci/Mám dotaci: NE
- Bydliště: Velké Popovice
Re: zapojení čidel DS18B20, doporučení, nápady, tipy, ...
Můžu lehce OT? Proč nemáš rád ESP32? Pokukuji po STM32, ale zatím jsem přejít z ESP32 nenašel silný důvod.Mex píše: úte lis 28, 2023 12:17 amJe nešikovné, že potřebuješ 10 čidel a LK4 podporuje jen 8. Právě proto nemám rád taková předvařená řešení a používám univerzální moduly (nejčastěji OrangePi Zero nebo One pro větší věci s Ethernetem, Blue-Pill pro malé věci s RS485 nebo CANbus, ESPxx při potřebě WiFi, ale ty nemám rád), kde si naprogramuju co potřebuju a ne co mi předchystal nějaký výrobce.
- bokser01
- Příspěvky: 1666
- Registrován: pon úno 07, 2022 2:43 pm
- Reputace:122
- Lokalita: Okolí Pardubic
- Systémové napětí: 24V
- Výkon panelů [Wp]: 10120
- Kapacita baterie [kWh]: 28
- Chci prodávat energii: NE
- Chci/Mám dotaci: NE
Re: zapojení čidel DS18B20, doporučení, nápady, tipy, ...
Jen dodám, že mi prošlo rukama spousty DS18B20 ze začátku jsem šel po ceně, kde jsem samozřejmě narazil na samé problémy... Od té doby beru pouze orignální DS18B20 z USA a nebyl jediný problém. Hlavně ty různé klony měří teplotu plus minus autobus klidně s nepřesností 2,5°C
Pro použití v akumulační nádrži to asi nevadí tam nějaká nepřesnost nehraje moc roli... Ale když je chcete použít pro venkovní použití jako meteostanici, tak jedině originály
Pro použití v akumulační nádrži to asi nevadí tam nějaká nepřesnost nehraje moc roli... Ale když je chcete použít pro venkovní použití jako meteostanici, tak jedině originály
MUST 3KW 80A MPPT 24V/ 3,75kWp stringy 5s3P 200wp + 5s1P 150wp. 2 měnič MUST 3KW 80A MPPT 24V 6370Wp stringy 2S4P 400wp bifacial + 2S1P 410wp + 2S3P 395wp Baterie 28KWh lifepo4 (4X 8S 280Ah EVE), Celek tedy 10120Wp
- dusanmsk
- Příspěvky: 583
- Registrován: pát říj 15, 2021 10:41 am
- Reputace:62
- Lokalita: Kladno
- Systémové napětí: 48V
- Výkon panelů [Wp]: 11250
- Kapacita baterie [kWh]: 19.2
- Chci prodávat energii: NE
- Chci/Mám dotaci: NE
Re: zapojení čidel DS18B20, doporučení, nápady, tipy, ...
Hmm, tak to vam radsej nebudem hovorit, ze mam v baraku 20x10m do hviezdy utp-ckom roztahanych X dallasov (z ciny za 0.0prd, ale kupovane pred 8 rokmi) a prakticky by som nevedel o nejakych problemoch s vypadavanim signalu, nezmyselnymi cislami z merania a tak podobne - keby som necital fora. "Vysvorkovane" to mam na krone paske a z nej tahane zase utp-ckom do centralneho bodu. Takze musim povedat, ze ma trosku desite.Mex píše: úte lis 28, 2023 12:17 am3m je celkem prd. Pokud ale budeš mít hvězdu o 8 ramenech, tak už je to 24m, a to už úplný prd není.
EDIT - cumim na eshopy a skoro mi oci vypadli z dulku - samotny svab 150 Kc, v trubicke 250. Masaker. 150 ma stali tusim vsetky cidla v baraku dohromady
30*375 Wp JJZ, 2xXTM4000, 2xVT-80, 4xUS5000
- Mex
- Příspěvky: 2027
- Registrován: pát zář 29, 2023 4:12 am
- Reputace:383
- Lokalita: Brno
- Systémové napětí: >48V
Re: zapojení čidel DS18B20, doporučení, nápady, tipy, ...
Je to asi jen takový můj problém.marsal64 píše: stř lis 29, 2023 9:00 amMůžu lehce OT? Proč nemáš rád ESP32? Pokukuji po STM32, ale zatím jsem přejít z ESP32 nenašel silný důvod.
Nejraději píšu pro procesory STM32. Nepoužívám ani žádné knihovny, takže vím a ovládám každý bit každého registru.
Pro řízení nebo ovládání čehokoli na HW úrovní je to podle mě značka ideál.
Nějaké RPi nebo OPi pak je jiný typ přístupu. To už používám na vysokoúrovňové věci, kde už se pracuje s nějak zpracovanými daty, řeší se ksicht vůči uživateli, různé VPN a jiné komunikace, dlouhodobé ukládání a zpracování dat atd.
Prostě jiné pole působnosti.
No a to ESPxx mi přijde jako jako něco mezi.
Pro nějakou větší práci s daty mně přijde lepší mít už k dispozici "velký" operační systém a externí uložiště, tedy Linux na nějakém tom OPi s SD kartou.
A naopak pro řízení něčeho na HW úrovni je zase lepší nějaký ten ARM, kde je spousta čítačů, rychlé SPI a další periferie, DMA, porty se nastavitelnými vlastnostmi, mnoho možnosti přerušení atd.
Tím ale nechci ESPxx pomlouvat. Jen do mého portfolia nějak moc nezapadá.
- TomHC
- Příspěvky: 3881
- Registrován: pát lis 11, 2022 8:14 am
- Reputace:860
- Lokalita: Hlohovec, SR
- Systémové napětí: 48V
- Výkon panelů [Wp]: 8820
- Kapacita baterie [kWh]: 30
- Chci prodávat energii: NE
- Chci/Mám dotaci: NE
- Bydliště: Hlohovec, SR
Re: zapojení čidel DS18B20, doporučení, nápady, tipy, ...
A v tom je práve to kúzlo esp8266/esp32, s firmware esphome alebo tasmota - v priebehu minút vieš mať funkčné zariadenie, ktoré komunikuje s HA/MQTT a podporuje obrovské množstvo periférií cez rôzne fyzické rozhrania, bez potreby low-level programovania, ošetrovania všemožných stavov a ladenia. V tasmote to naklikáš cez GUI, esphome cez yaml konfigurák.
Ovládam assembler aj c++, ale mám sa rád a nemám až tak moc chuti robiť to komplikovane. Neprogramujem obsluhu tokamaku ani štart raketoplánu
Jasné, že s tým neurobíš irq, dma, komparátory a triggery, ale na to sú zrovna tie stm alebo xmega, pic...
Ovládam assembler aj c++, ale mám sa rád a nemám až tak moc chuti robiť to komplikovane. Neprogramujem obsluhu tokamaku ani štart raketoplánu
Jasné, že s tým neurobíš irq, dma, komparátory a triggery, ale na to sú zrovna tie stm alebo xmega, pic...
2x MUST PH1800 5.5kW, 9kWp V+J+Z, 600 Ah LiFePO4 s BMS JBD 200A, SW: Home Assistant na Synology DS923+ ku tomu ESPHome, Tasmota, MariaDB, InfluxDB, Telegraf, Grafana, Zigbee2MQTT..., HW: ESPlan (ESP32 + LAN 8720 + RS485). Nejaké moje projekty: MUST-ESPhome, ELTEK Flatpack2 ESPhome, ESP32-EMON, PZEM-017@WiFi, diyBMS-CurrentShunt-ESPhome , BMS UART-TS485 adaptér
- Mex
- Příspěvky: 2027
- Registrován: pát zář 29, 2023 4:12 am
- Reputace:383
- Lokalita: Brno
- Systémové napětí: >48V
Re: zapojení čidel DS18B20, doporučení, nápady, tipy, ...
Ony ty originály (což občas i ze značkových shopů prý originály nejsou, jak testovali nějaký výzkumníci na internetu) jsou cenově dost vysoko.bokser01 píše: stř lis 29, 2023 9:32 amJen dodám, že mi prošlo rukama spousty DS18B20 ze začátku jsem šel po ceně, kde jsem samozřejmě narazil na samé problémy... Od té doby beru pouze orignální DS18B20 z USA a nebyl jediný problém. Hlavně ty různé klony měří teplotu plus minus autobus klidně s nepřesností 2,5°C
Pro použití v akumulační nádrži to asi nevadí tam nějaká nepřesnost nehraje moc roli... Ale když je chcete použít pro venkovní použití jako meteostanici, tak jedině originály
Za jeden "originál" koupím často hrst chipů z číny.
Používám zásadně 3-drátové připojení a blokuju napájení každému chipu. Na delších drátech i diody proti podkmitu.
A tak nemám žádný problém ani s nějakými těmi čínskými fake-Dallasy.
Někdy jsou opravdu trochu ujeté. Ale to mi zas tak žíly netrhá, protože stejně každé teplotní (i jiné) čidlo libovolného typu před nasazením kalibruju.
Mám udělaný "etalon", proto kterému je vždy kalibruju.
Půjčil jsem si kdysi hrst čidel ADT7420 od Analog Devices, které mají myslím zaručovaných +-0.25°C. Proměřil jsem je a vybral ten nejprostřednější z nich. Ten jsem si koupil a slavnostně ho jmenoval svým etalonem. Proti němu pak kalibruju ty ostatní.
Možná nejsou absolutně přesné (protože i etalon byl vyroben amatérsky), ale aspoň by měly ukazovat všechny +- stejně.
Ten DS18B20 má v sobě 2 byte EEPROM, kam se dají každému uložit buď kalibrační konstanty, nebo nějaký index do externí tabulky kalibračních konstant (i když zrovna tady se to dalo dělat i přes sériové číslo).
Já používám kalibrační konstanty externě v tabulce, protože mám i čidla, kde to nijak dovnitř nacpat nejde.
- Mex
- Příspěvky: 2027
- Registrován: pát zář 29, 2023 4:12 am
- Reputace:383
- Lokalita: Brno
- Systémové napětí: >48V
Re: zapojení čidel DS18B20, doporučení, nápady, tipy, ...
Souhlasím.TomHC píše: stř lis 29, 2023 9:41 pmA v tom je práve to kúzlo esp8266/esp32, s firmware esphome alebo tasmota - v priebehu minút vieš mať funkčné zariadenie, ktoré komunikuje s HA/MQTT a podporuje obrovské množstvo periférií cez rôzne fyzické rozhrania, bez potreby low-level programovania, ošetrovania všemožných stavov a ladenia. V tasmote to naklikáš cez GUI, esphome cez yaml konfigurák.
Ovládam assembler aj c++, ale mám sa rád a nemám až tak moc chuti robiť to komplikovane. Neprogramujem obsluhu tokamaku ani štart raketoplánu
Jasné, že s tým neurobíš irq, dma, komparátory a triggery, ale na to sú zrovna tie stm alebo xmega, pic...
Ta Tasmota je šikovný firmware, který umí obsloužit kde co.
Ale já jsem psal o použití chipu pro mnou vyvíjený SW. Nikoli pro použití už něčeho předvařeného, co jenom dochutím.
- marsal64
- Příspěvky: 1204
- Registrován: sob čer 16, 2018 1:45 pm
- Reputace:133
- Lokalita: Velké Popovice
- Systémové napětí: 48V
- Výkon panelů [Wp]: 9,3
- Kapacita baterie [kWh]: 30
- Chci prodávat energii: NE
- Chci/Mám dotaci: NE
- Bydliště: Velké Popovice
Re: zapojení čidel DS18B20, doporučení, nápady, tipy, ...
Díky! Jasně, to je věc přístupu a osobního vkusu, já pro "větší věci" typu nodered a podobně raději rovnou používal nějaké NUC, Rasp zase nezapadají úplně mně, nu a níž jsem chodil kdysi s jednočipy do assembleru, ale nevím, jestli je to dnes pro mne cesta. Ale rozumím. Pardon, že jsem tu zatáhnul toto OT.Mex píše: stř lis 29, 2023 9:30 pmNejraději píšu pro procesory STM32. Nepoužívám ani žádné knihovny, takže vím a ovládám každý bit každého registru.
Pro řízení nebo ovládání čehokoli na HW úrovní je to podle mě značka ideál.
Nějaké RPi nebo OPi pak je jiný typ přístupu. To už používám na vysokoúrovňové věci, kde už se pracuje s nějak zpracovanými daty, řeší se ksicht vůči uživateli, různé VPN a jiné komunikace, dlouhodobé ukládání a zpracování dat atd.
Prostě jiné pole působnosti.
No a to ESPxx mi přijde jako jako něco mezi.
Pro nějakou větší práci s daty mně přijde lepší mít už k dispozici "velký" operační systém a externí uložiště, tedy Linux na nějakém tom OPi s SD kartou.
A naopak pro řízení něčeho na HW úrovni je zase lepší nějaký ten ARM, kde je spousta čítačů, rychlé SPI a další periferie, DMA, porty se nastavitelnými vlastnostmi, mnoho možnosti přerušení atd.
Tím ale nechci ESPxx pomlouvat. Jen do mého portfolia nějak moc nezapadá.
- bokser01
- Příspěvky: 1666
- Registrován: pon úno 07, 2022 2:43 pm
- Reputace:122
- Lokalita: Okolí Pardubic
- Systémové napětí: 24V
- Výkon panelů [Wp]: 10120
- Kapacita baterie [kWh]: 28
- Chci prodávat energii: NE
- Chci/Mám dotaci: NE
Re: zapojení čidel DS18B20, doporučení, nápady, tipy, ...
Ono s těmi čidly je to hodně složité viděl jsem tabulku kde jich bylo rádoby snad 30 "typů" všechno s označením DS18B20Mex píše: stř lis 29, 2023 9:50 pmOny ty originály (což občas i ze značkových shopů prý originály nejsou, jak testovali nějaký výzkumníci na internetu) jsou cenově dost vysoko.bokser01 píše: stř lis 29, 2023 9:32 amJen dodám, že mi prošlo rukama spousty DS18B20 ze začátku jsem šel po ceně, kde jsem samozřejmě narazil na samé problémy... Od té doby beru pouze orignální DS18B20 z USA a nebyl jediný problém. Hlavně ty různé klony měří teplotu plus minus autobus klidně s nepřesností 2,5°C
Pro použití v akumulační nádrži to asi nevadí tam nějaká nepřesnost nehraje moc roli... Ale když je chcete použít pro venkovní použití jako meteostanici, tak jedině originály
Za jeden "originál" koupím často hrst chipů z číny.
Používám zásadně 3-drátové připojení a blokuju napájení každému chipu. Na delších drátech i diody proti podkmitu.
A tak nemám žádný problém ani s nějakými těmi čínskými fake-Dallasy.
Někdy jsou opravdu trochu ujeté. Ale to mi zas tak žíly netrhá, protože stejně každé teplotní (i jiné) čidlo libovolného typu před nasazením kalibruju.
Mám udělaný "etalon", proto kterému je vždy kalibruju.
Půjčil jsem si kdysi hrst čidel ADT7420 od Analog Devices, které mají myslím zaručovaných +-0.25°C. Proměřil jsem je a vybral ten nejprostřednější z nich. Ten jsem si koupil a slavnostně ho jmenoval svým etalonem. Proti němu pak kalibruju ty ostatní.
Možná nejsou absolutně přesné (protože i etalon byl vyroben amatérsky), ale aspoň by měly ukazovat všechny +- stejně.
Ten DS18B20 má v sobě 2 byte EEPROM, kam se dají každému uložit buď kalibrační konstanty, nebo nějaký index do externí tabulky kalibračních konstant (i když zrovna tady se to dalo dělat i přes sériové číslo).
Já používám kalibrační konstanty externě v tabulce, protože mám i čidla, kde to nijak dovnitř nacpat nejde.
Bral jsem DS18B20 z webu dratek.cz dříve to byl arduino shop... Čidla jsem osadil do meteostanice no když ale ukazovalo teplotu -2,5°C a venku pršelo začalo mi to být divné... Proto jsem požádal kámoše co má laboratorní kalibrovaný teploměr s certifikátem, dali jsme je do uzavřeného prostoru a sledovali po ustálení odchylku, která byla do záporu téměř 4°C. Pak jsem se setkal také s čidly rovněž od stejného prodejce které měli odchylku do 0,5°C jenže se časem začali rozjíždět a když odchylka byla už více jak 1,5°C přestalo mě to bavit...
Samozřejmě jsem si dělal kalibrace po SW stránce
Nakonec jsem koupil čidla tady: https://www.neven.cz/kategorie/elektron ... s18b20-1m/
Velice přesné, zatím žádný problém. Vzhledem k množství meteostanic které provozuji a zároveň jsem vyráběl, hledal jsem levnější cestu čidel ideálně bez vlivu na přesnost měření což se podařilo u laskakitu https://www.laskakit.cz/dallas-ds18b20- ... eploty-1m/
S těmi čidly je to celkem divočina ale našel jsem co jsem potřeboval a slouží poctivě
Pokud někdo ale potřebuje měřit jak jsem psal teplotu v bojleru, místnosti atd postačí mu bohatě i čidla za pár kaček taktéž na laskakitu voděodolná verze za lidových 45kč
MUST 3KW 80A MPPT 24V/ 3,75kWp stringy 5s3P 200wp + 5s1P 150wp. 2 měnič MUST 3KW 80A MPPT 24V 6370Wp stringy 2S4P 400wp bifacial + 2S1P 410wp + 2S3P 395wp Baterie 28KWh lifepo4 (4X 8S 280Ah EVE), Celek tedy 10120Wp
- soami
- Příspěvky: 1069
- Registrován: pon lis 08, 2021 9:10 pm
- Reputace:110
- Lokalita: Posázaví
- Systémové napětí: 48V
- Chci prodávat energii: NE
- Chci/Mám dotaci: NE
- Bydliště: Posázaví
Re: zapojení čidel DS18B20, doporučení, nápady, tipy, ...
S klony Dallas mám různou zkušenost. Některé OK, některé měly výpadky. Pro spolehlivé měření TČ jsem vzal originály a s těmi problém nikdy nebyl.
Většina obchodů prodává klony a často to prezentují jako originál - řešil jsem s Hadexem. Ale byly docela funkční a cena odpovídala klonům - takže jen specifikace. Originály můžu potvrdit u Laskakit.
Jak poznat fake - https://github.com/cpetrich/counterfeit_DS18B20
Většina obchodů prodává klony a často to prezentují jako originál - řešil jsem s Hadexem. Ale byly docela funkční a cena odpovídala klonům - takže jen specifikace. Originály můžu potvrdit u Laskakit.
Jak poznat fake - https://github.com/cpetrich/counterfeit_DS18B20
- Mex
- Příspěvky: 2027
- Registrován: pát zář 29, 2023 4:12 am
- Reputace:383
- Lokalita: Brno
- Systémové napětí: >48V
Re: zapojení čidel DS18B20, doporučení, nápady, tipy, ...
U teplotních čidel (nejen u DS18B20) je dobré si taky dát pozor na samoohřev. A podle toho volit četnost měření.
To DS18B20 bere v aktivním stavu (tj. při konverzi) něco nad 1mA. Takže při častém měření (třeba každou sekundu) teplota samoohřevem vyskočí nejmíň o 1°C.
Ty termodynamické zákony jsou fakt otravné. Už by je měla EU konečně zrušit.
Takže já měřím s poměrem aktivní a neaktivní doby maximálně 1:20 až 1:100.
Tedy jinými slovy při převodu na nejvyšší přesnost u DS18B20 dělat měření maximálně jednou za 15 sekund, raději ještě více.
Nebo ten samoohřev dodatečně vykompenzovat, ale pak je vhodné tu kompenzační konstantu stanovit pro každé čidlo, jeho umístění a teplotu, zvlášť. Tedy pokud o něco jde. Pokud nevadí nepřesnosti v jednotách stupně, tak pak je samozřejmě možné se na to vykašlat.
To DS18B20 bere v aktivním stavu (tj. při konverzi) něco nad 1mA. Takže při častém měření (třeba každou sekundu) teplota samoohřevem vyskočí nejmíň o 1°C.
Ty termodynamické zákony jsou fakt otravné. Už by je měla EU konečně zrušit.
Takže já měřím s poměrem aktivní a neaktivní doby maximálně 1:20 až 1:100.
Tedy jinými slovy při převodu na nejvyšší přesnost u DS18B20 dělat měření maximálně jednou za 15 sekund, raději ještě více.
Nebo ten samoohřev dodatečně vykompenzovat, ale pak je vhodné tu kompenzační konstantu stanovit pro každé čidlo, jeho umístění a teplotu, zvlášť. Tedy pokud o něco jde. Pokud nevadí nepřesnosti v jednotách stupně, tak pak je samozřejmě možné se na to vykašlat.
- marsal64
- Příspěvky: 1204
- Registrován: sob čer 16, 2018 1:45 pm
- Reputace:133
- Lokalita: Velké Popovice
- Systémové napětí: 48V
- Výkon panelů [Wp]: 9,3
- Kapacita baterie [kWh]: 30
- Chci prodávat energii: NE
- Chci/Mám dotaci: NE
- Bydliště: Velké Popovice
Re: zapojení čidel DS18B20, doporučení, nápady, tipy, ...
Ano, ano. Jsou zde ale i externí vlivy... Ono zdánlivě trivilální "změř teplotu" není tak triviální, jak se může zdát. Mám čerstvou osobní zkušenost s SHT31: v samodomo vyráběné minirérii 20ks měřičů CO2 jsem nakonec zobrazení teploty vypnul :-/. Stačilo totiž, když se nabíjí vestavěná LiFePo4 baterie pomocí MCP73123 (nažhaví se tyxicky na 80°C !) a výsledná "vnitřní" teplota v boxu pak narostla o třeba 6 °C :-/.
- kodl69
- Příspěvky: 8376
- Registrován: sob črc 19, 2014 8:56 pm
- Reputace:1073
- Lokalita: severně od Brna
- Systémové napětí: 48V
- Výkon panelů [Wp]: 8kWp
- Kapacita baterie [kWh]: 12kWh
- Chci prodávat energii: NE
- Chci/Mám dotaci: NE
Re: zapojení čidel DS18B20, doporučení, nápady, tipy, ...
to nabíjení asi nebude úplně korektní...
ostrov skoro 8kWp neustále ve stádiu zrodu: smartshunt(ex WBJR), MPPT150/45, MPPT 250/100(ex midnitesolar 150 clasic lite), 16S a různě P cca 340Ah Winston, MP II 5000,( ex Powerjack 8kW, ex samodomo cca 4kW). 48V DC rozvody a spotřebiče.
- kodl69
- Příspěvky: 8376
- Registrován: sob črc 19, 2014 8:56 pm
- Reputace:1073
- Lokalita: severně od Brna
- Systémové napětí: 48V
- Výkon panelů [Wp]: 8kWp
- Kapacita baterie [kWh]: 12kWh
- Chci prodávat energii: NE
- Chci/Mám dotaci: NE
Re: zapojení čidel DS18B20, doporučení, nápady, tipy, ...
K samoohřevu a DS18B20: synovec kdysi řešil přípravek pro měření stratifikace v aku nádrži: plastová trubka v nádrži, uvniř po 10cm 18b20, mezi čidlama nastrkanej pěnovej PE. A tvrdil mi, že ty čidla měří každý o stupeň jinak. když to leželo smotaný do chumlu na stole a měřilo se rkaždý 2s ta to tak bylo. Tak jsme ty čidla s 10cm drátkama dali do nádoby se stolním olejem. Najednou to sedělo na hranici kvantizačního šumu... s tím vlastním ohřevem mě to tehdy nenapadlo.
Pak ještě borci předělávali ty armatury, protože měli špatnej tepelnej kontakt čidel s vodou - to jsem jim říkal hned, že 3mm klasické PE trubky je moc. Nakonec svařili T kusy se zálisky pro 3/8" trubku a do toho našroubovali kousek mosazi která měla na konci důlek pro 18B20, a ten byl v termopastě. pěnovka tam v poslední verzi byla jenom proto, aby to drželo nějak na místě (dotlačovala ty čidla do mosaznejch kusů. Škoda že nemám ty výsledky měření, bylo celkem překvapivý, co udělaly stratifikační vestavby s rozložením teplot v nádrži a naopak špatně vyřešený zaůstění potrubí do nádrže.
PS: ten arduino prográmek zařadím do repertoáru, mám tady nějaký kusy, co nefungují na dvoudrátu, to bude asi ono...
Synovec to kupoval tuším v TME, ale ruku do ohně za to nedám, navíc už je to pěknejch pár let zpátky.
PS2: číňan mi místo tep. čidel LM335Z poslal nějaký přeznačený NPN tranzistory, to je aspoň fake!
Pak ještě borci předělávali ty armatury, protože měli špatnej tepelnej kontakt čidel s vodou - to jsem jim říkal hned, že 3mm klasické PE trubky je moc. Nakonec svařili T kusy se zálisky pro 3/8" trubku a do toho našroubovali kousek mosazi která měla na konci důlek pro 18B20, a ten byl v termopastě. pěnovka tam v poslední verzi byla jenom proto, aby to drželo nějak na místě (dotlačovala ty čidla do mosaznejch kusů. Škoda že nemám ty výsledky měření, bylo celkem překvapivý, co udělaly stratifikační vestavby s rozložením teplot v nádrži a naopak špatně vyřešený zaůstění potrubí do nádrže.
PS: ten arduino prográmek zařadím do repertoáru, mám tady nějaký kusy, co nefungují na dvoudrátu, to bude asi ono...
Synovec to kupoval tuším v TME, ale ruku do ohně za to nedám, navíc už je to pěknejch pár let zpátky.
PS2: číňan mi místo tep. čidel LM335Z poslal nějaký přeznačený NPN tranzistory, to je aspoň fake!
ostrov skoro 8kWp neustále ve stádiu zrodu: smartshunt(ex WBJR), MPPT150/45, MPPT 250/100(ex midnitesolar 150 clasic lite), 16S a různě P cca 340Ah Winston, MP II 5000,( ex Powerjack 8kW, ex samodomo cca 4kW). 48V DC rozvody a spotřebiče.
- marsal64
- Příspěvky: 1204
- Registrován: sob čer 16, 2018 1:45 pm
- Reputace:133
- Lokalita: Velké Popovice
- Systémové napětí: 48V
- Výkon panelů [Wp]: 9,3
- Kapacita baterie [kWh]: 30
- Chci prodávat energii: NE
- Chci/Mám dotaci: NE
- Bydliště: Velké Popovice
Re: zapojení čidel DS18B20, doporučení, nápady, tipy, ...
Myslel jsem si to taky, ale datasheet s tím jaksi počítá a lze samozřejmě nastavit menší nabíjecí proud. Ten MCP73123 je jinak hodně prima, akorát pájet se musí reflow...
- Forrest
- Příspěvky: 210
- Registrován: pát zář 09, 2022 1:42 pm
- Reputace:6
- Lokalita: Ústeckoorlicko
- Systémové napětí: 48V
- Výkon panelů [Wp]: 2900
- Kapacita baterie [kWh]: 6,4
- Chci prodávat energii: NE
- Chci/Mám dotaci: NE
- Bydliště: Č.T. Lhotka
Re: zapojení čidel DS18B20, doporučení, nápady, tipy, ...
No, mě to taky čeká překopnout do HA.. Poslední dobou mě ty Dallasy dělaj bordel - jsou zarušený, a to jich mám jen 10ks.TomHC píše: stř lis 29, 2023 9:41 pmA v tom je práve to kúzlo esp8266/esp32, s firmware esphome alebo tasmota - v priebehu minút vieš mať funkčné zariadenie, ktoré komunikuje s HA/MQTT a podporuje obrovské množstvo periférií cez rôzne fyzické rozhrania, bez potreby low-level programovania, ošetrovania všemožných stavov a ladenia. V tasmote to naklikáš cez GUI, esphome cez yaml konfigurák.
Ovládam assembler aj c++, ale mám sa rád a nemám až tak moc chuti robiť to komplikovane. Neprogramujem obsluhu tokamaku ani štart raketoplánu
Jasné, že s tým neurobíš irq, dma, komparátory a triggery, ale na to sú zrovna tie stm alebo xmega, pic...
Přemýšlím nad dvěma možnostma. Buď ESPHome, nebo přes RS485/MODBUS RTU (TCP/IP).
Výhoda ESPHome je v tom, že kablik čidel mám u PC kde mi jede HA - takže jen vyměním UCAB za ESP... Zapojeno dle LogTemp (hodně starej SW), kterej fungoval ještě na RS232, když jsem měl na noťasu. Pak přišel UCAB a bylo to v prr..
Výhoda RS485 je ta, že mám dost převodníků RS485/TCP-IP a dostanu to zrovna do sítě.. Jen musím použít DS18B20 to RS485 z China.
Jak to máte zapojený vy? U ESP stačí na celou tu "hvězdu" zapojit +VDD 3,3V / GND a DQ na GPIO4 (nebo RXT?) a pak jen mezi DQ přes 4k7 na +3,3V? .. někde mají i +5V
Měnič China SAmoDoMo 1,5 kW a již 900Wp na rotátoru jménem "slunečnice"
- Mex
- Příspěvky: 2027
- Registrován: pát zář 29, 2023 4:12 am
- Reputace:383
- Lokalita: Brno
- Systémové napětí: >48V
Re: zapojení čidel DS18B20, doporučení, nápady, tipy, ...
Možná si přečti tohle:
viewtopic.php?p=220615#p220615
A ten pull-up u toho ESP dej třeba trochu nižší, např. 3k3.
viewtopic.php?p=220615#p220615
A ten pull-up u toho ESP dej třeba trochu nižší, např. 3k3.
Kdo je online
Uživatelé procházející toto fórum: Claudebot [Bot]
