Ohřev vody na topení - Strachotice
Souhrn tématu
Ve fóru se řeší efektivní ohřev vody na topení ve Strachoticích s využitím solárních panelů a inteligentního řízení pomocí termostatu. Uživatelé diskutují o vhodných měničích, bateriích a technických detailech, jak co nejlépe využít dostupnou energii. Zmiňují také problémy s bateriemi a možnosti opravy či výměny komponentů pro dlouhodobý provoz.
-
Duke
- Příspěvky: 171
- Registrován: ned dub 29, 2018 2:28 pm
- Reputace: 32
Ohřev vody na topení - Strachotice
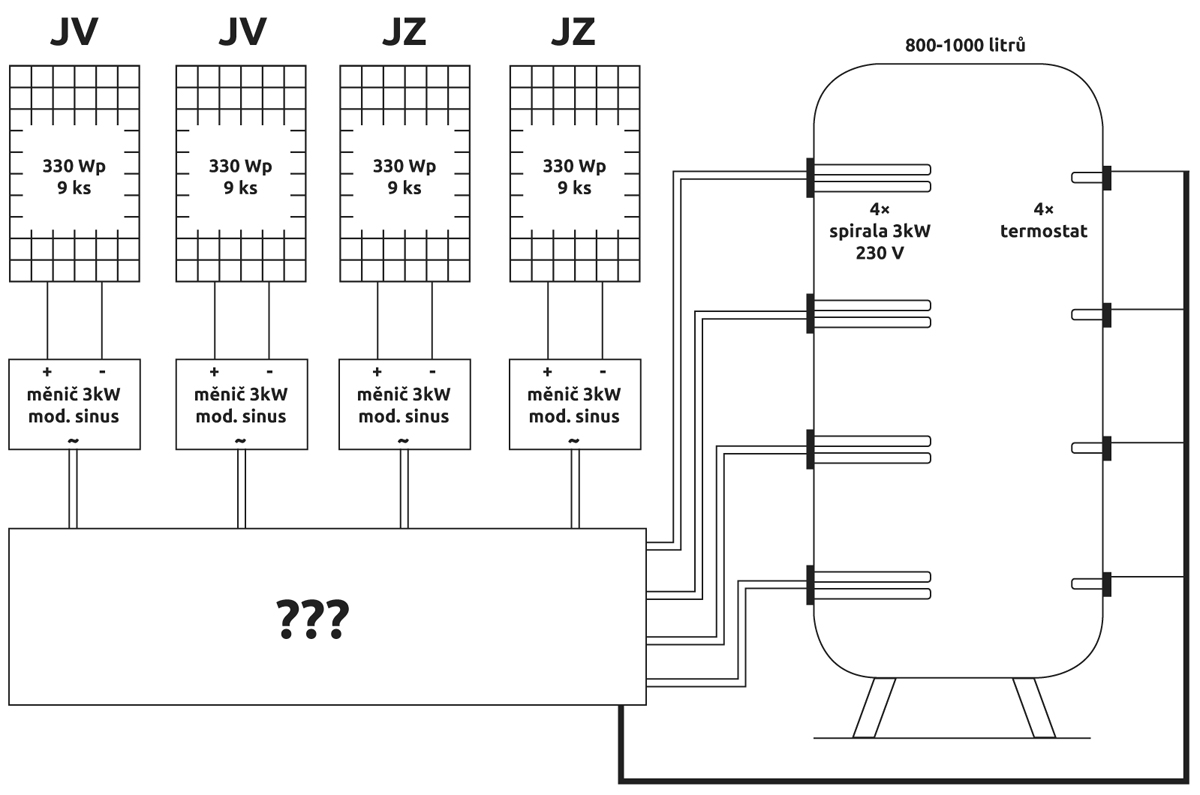
zdravím,
sice nemám hotový ještě ani ten avizovaný bojler ale už přemýšlím nad dalším, s kamarádem už od minulého týden topíme a jsme pěkně nasraní protože už to stojí peníze, tak jsem si říkali že když tolik svítí tak by se to mělo využít, zde dole schéma které mě jen tak napadlo, určitě těch spirál tam je asi moc ale to není to hlavní. Potřeboval bych nakopnout čím to "řídit" - to jsou ty otazníky tzn. aby se inteligentně pěkně hlídaně termostatem ta voda nahřívala odspodu nahoru a aby to zároveň využilo maximum co panely dají, a když bude nahřáto aby to pěkně pokračovalo směrem vzhůru.
Jednoduše řečeno to "vytěžit na úplné maximum"
Díky za každý nápad.
Zde schémátko:
sice nemám hotový ještě ani ten avizovaný bojler ale už přemýšlím nad dalším, s kamarádem už od minulého týden topíme a jsme pěkně nasraní protože už to stojí peníze, tak jsem si říkali že když tolik svítí tak by se to mělo využít, zde dole schéma které mě jen tak napadlo, určitě těch spirál tam je asi moc ale to není to hlavní. Potřeboval bych nakopnout čím to "řídit" - to jsou ty otazníky tzn. aby se inteligentně pěkně hlídaně termostatem ta voda nahřívala odspodu nahoru a aby to zároveň využilo maximum co panely dají, a když bude nahřáto aby to pěkně pokračovalo směrem vzhůru.
Jednoduše řečeno to "vytěžit na úplné maximum"
Díky za každý nápad.
Zde schémátko:
9× Jinko 225Wp + Siton210 + RPi(EmonHUb) = ohřev bojleru
http://193.165.151.70:5080/emoncms/Duke/bojler
http://193.165.151.70:5080/emoncms/Duke/bojler
- volente
- Příspěvky: 2440
- Registrován: stř srp 20, 2014 1:01 am
- Reputace: 426
- Bydliště: Brno - venkov
Re: Ohřev vody na topení - Strachotice
4x Siton a na každém si nastavíš svoji teplotu.
5,5kWp - 4x Solartec mono 180Wp +¨6x IBC 155Wp poly + 10x Solea 170Wp mono + 6x Husinage HSG 190Wp + 6x Calyxo 70Wp amorf vertikálně (JV), 2x ZN ShineSolar poly 250Wp + 2x 260Wp poly (JZ), Epever LS 3024B, Epever LS 2024B, MakeSkyBlue 20A, eSmart 3 - 60A, 19 kWh Li-Ion, Axpert MSXE PF1, 24V/3,0kW, Axpert MSXE 24V/2,4kW.
- kybos
- Příspěvky: 2826
- Registrován: sob zář 08, 2012 10:40 pm
- Reputace: 519
- Lokalita: Šternberk
- Systémové napětí: 48V
- Výkon panelů [Wp]: 15000
- Kapacita baterie [kWh]: 40
- Bydliště: v údolí mezi kopci
Re: Ohřev vody na topení - Strachotice
Na řízení postačí termostat. Je možno zakoupit spirály s termostatem. Třeba https://www.nadeta.cz/nahradni-dily/ohr ... ?ItemIdx=0 Ten pouze zabrání přehřátí nádrže. Topné spirály umístit všechny do spodní části. Při odběru do topení se voda stejně zamíchá.
15 kWp JJZ + 3x Tristar MPPT60 + Victron 150/100 + 48V LiFePO 850 Ah + UPS 8kW (MPP-Solar 8048 LC) + 4 x nabíječka 1,2 kW (DELTA) Start: 2012
-
mobilik
- Příspěvky: 2677
- Registrován: úte úno 04, 2014 9:06 am
- Reputace: 266
- Bydliště: Neďaleko Košic (SR)
Re: Ohřev vody na topení - Strachotice
Ja by som išiel do spoľahlivejšie ho riešenia ako je siton a to do regulátora od SolarEco... Je síce drahší, ale zato kvalitnejší, dnes úplne bezproblémové zariadenie.
Najprv sa učíme chodiť a hovoriť, neskôr sa učíme sedieť a držať hubu... :stupidme:
Hybridná FVE dom: 6,3kWp, Victron Energy, 12kWh Pylontech+GB-Aku
On-Grid FVE dom: 3,6kWp, FRONIUS AC Coupling+VB
OFF-Grid FVE chata: 1,5kWp, Axpert, PCM, 200Ah/24V 18650
Hybridná FVE dom: 6,3kWp, Victron Energy, 12kWh Pylontech+GB-Aku
On-Grid FVE dom: 3,6kWp, FRONIUS AC Coupling+VB
OFF-Grid FVE chata: 1,5kWp, Axpert, PCM, 200Ah/24V 18650
-
luky
- Příspěvky: 1023
- Registrován: pon kvě 19, 2014 11:38 am
- Reputace: 101
- Lokalita: za Berounem
- Systémové napětí: 48V
- Výkon panelů [Wp]: 5000
- Kapacita baterie [kWh]: 12
Re: Ohřev vody na topení - Strachotice
Ohřev vody v AKU pomocí FV už mě taky napadlo, ale je potřeba si zodpovědět pár otázek.
1) Kde to žiješ, že tam v zimě svítí slunce? Tady v ČR je v topném období víceméně tma.
2) Jakou energii tím budeš nahrazovat? 12kWp + další bižuterie nebude úplně za hubičku. Já topím odpadním dřevem. Leda na léto na ohřev bojleru, ale i tam mi ta ekonomika nevychází i při 2kWp systému. Mám příliš malou spotřebu TUV (4členná rodina) a příliš levnou elektřinu.
Jedna technická poznámka - teplá voda je lehčí než studená. Tzn. nádrž je potřeba ohřívat odshora. Prakticky ti stačí topná patrona dole a tím to nahřeješ celé bez prolémů s přepínáním. Pokud bys to chtěl opravdu vychytaný, najdi si heslo "stratifikační vestavba".
EDIT: Dodatečně jsem si všiml, kdo to vlastně píše. Takže má poznámka o investici do panelů je možná bezpředmětná
1) Kde to žiješ, že tam v zimě svítí slunce? Tady v ČR je v topném období víceméně tma.
2) Jakou energii tím budeš nahrazovat? 12kWp + další bižuterie nebude úplně za hubičku. Já topím odpadním dřevem. Leda na léto na ohřev bojleru, ale i tam mi ta ekonomika nevychází i při 2kWp systému. Mám příliš malou spotřebu TUV (4členná rodina) a příliš levnou elektřinu.
Jedna technická poznámka - teplá voda je lehčí než studená. Tzn. nádrž je potřeba ohřívat odshora. Prakticky ti stačí topná patrona dole a tím to nahřeješ celé bez prolémů s přepínáním. Pokud bys to chtěl opravdu vychytaný, najdi si heslo "stratifikační vestavba".
EDIT: Dodatečně jsem si všiml, kdo to vlastně píše. Takže má poznámka o investici do panelů je možná bezpředmětná
mobilní elektrárna: viewtopic.php?t=4597, 290Wp mono, Winston 12V/130Ah, Victron MPPT 75/15, Victron inverter 12/250VA, Victron charger 20A, Orion 30A
domácí elektrárna: viewtopic.php?t=6898, FV 5kWp, LiFe 48V/120+120Ah, Axpert King 48/5000 + PCM60X + EPever
domácí elektrárna: viewtopic.php?t=6898, FV 5kWp, LiFe 48V/120+120Ah, Axpert King 48/5000 + PCM60X + EPever
- lemra79
- Příspěvky: 603
- Registrován: sob bře 09, 2019 5:30 pm
- Reputace: 81
- Lokalita: Usteckoorlicko
- Systémové napětí: 48V
- Výkon panelů [Wp]: 12360
- Kapacita baterie [kWh]: 10?
Re: Ohřev vody na topení - Strachotice
momentalne prebytky taky umoruju do akumulacni nadrze pro topeni a v tomhle prechodovym obdobi to staci. jinak bych musel pritapet nebo si zvykat a studeny odchov.
Jinko 225 W / 6,075 kWp, GWL/Sunny Mono 310Wp / 2,79 kWp, Energetica 385 Wp / 3,495 kWp
PIP 5048 MG, Multiplus II 5kW, Fangpusun MPPT150/60TR, Victron mppt 150/35 BT
li ion 350 Ah@58V, venus@rpi3+, celkem instalováno 12,36 kWp, 460 m.n.m.
PIP 5048 MG, Multiplus II 5kW, Fangpusun MPPT150/60TR, Victron mppt 150/35 BT
li ion 350 Ah@58V, venus@rpi3+, celkem instalováno 12,36 kWp, 460 m.n.m.
- NOPARasito
- Příspěvky: 2600
- Registrován: čtv črc 19, 2018 12:14 am
- Reputace: 192
- Bydliště: Vidiek, Trhanova Lhota
Re: Ohřev vody na topení - Strachotice
Oplocky nebo Siton je to samemobilik píše:Ja by som išiel do spoľahlivejšie ho riešenia ako je siton a to do regulátora od SolarEco... Je síce drahší, ale zato kvalitnejší, dnes úplne bezproblémové zariadenie.
Stejně to pro SolarEco dle desky delal jeden z nich ;-D.
Sel bych osobne do Sitonu. Resp. u tchana budu davat.
- diablo007
- Příspěvky: 3186
- Registrován: stř lis 28, 2018 7:57 pm
- Reputace: 239
- Bydliště: Vyškov
Re: Ohřev vody na topení - Strachotice
Netají se tím že to v roce 2016 převzali po oplockem takže ano je to stejné
- NOPARasito
- Příspěvky: 2600
- Registrován: čtv črc 19, 2018 12:14 am
- Reputace: 192
- Bydliště: Vidiek, Trhanova Lhota
Re: Ohřev vody na topení - Strachotice
"Deda" Volente alias SOLAR GURU, rekl Siton a tomu bych veril 
-
KubisKV
- Příspěvky: 515
- Registrován: pon zář 04, 2017 1:06 pm
- Reputace: 64
- Bydliště: Chebsko
Re: Ohřev vody na topení - Strachotice
Na podzimním srazu jsem se doslechl o problematice s arduinem. Oplocky, Solareco je bez arduina.
Nechci nikomu nadrzovat a nikoho pomlouvat. Já mám zkušenost jen s oplockym. Každý kdo pracuje s arduinem, bude taky znát problémy provozu a nebo bezproblémový chod. Dědasolarguru ohřívá vodu axpertem
Nechci nikomu nadrzovat a nikoho pomlouvat. Já mám zkušenost jen s oplockym. Každý kdo pracuje s arduinem, bude taky znát problémy provozu a nebo bezproblémový chod. Dědasolarguru ohřívá vodu axpertem
-
kodl69
- Příspěvky: 8251
- Registrován: sob črc 19, 2014 8:56 pm
- Reputace: 1041
- Lokalita: severně od Brna
- Systémové napětí: 48V
- Výkon panelů [Wp]: 8kWp
- Kapacita baterie [kWh]: 12kWh
- Chci prodávat energii: NE
- Chci/Mám dotaci: NE
Re: Ohřev vody na topení - Strachotice
Je to tak, pokud o tom něco vím, tak jsem někde z dálky zaslechl, že TN to původně udělal pro oplockýho a firma, co to po něm převzala, to chce "právně řešit" . Co vám ale nikdo z nich neřekne, že to zařízení nesplňuje podmínky normy ČSN 33 2000-7-712/ed.2 Elektrické instalace nízkého napětí - Část 7-712: Zařízení jednoúčelová a ve zvláštních objektech - Fotovoltaické (PV) systémy tj. pro systémy s VOC při -40°C vyšším než 120V DC je potřeba mít hlídač izolačního stavu (u IT soustavy, což je toto) a nebo DC proudový chránič (s uzemněným pólem) což je problém, pokud na to někdo chce revizi a mít to v novostavbě jako něco, co zlepší energetický štítek budovy, nedejbože na "zelenou úsporám" tak svéprávnej revizák by na to neměl napsat kladnou revizi. A pokud napíše...
TN to obchází tím, že upozorňuje na to, že to není výrobek. Solareco je těžce za hranicí zákona, protože uvedlo na trh výrobek, kterej neodpovídá vůbec ničemu, elektrotechnickou zkušebnu to nevidělo, a o EMC raděj nebudu nic psát. A ještě se chlubí zelenou úsporám a výše uvedenou normu mají v "prohlášení o shodě". Je to hnus, velebnosti.
TN to obchází tím, že upozorňuje na to, že to není výrobek. Solareco je těžce za hranicí zákona, protože uvedlo na trh výrobek, kterej neodpovídá vůbec ničemu, elektrotechnickou zkušebnu to nevidělo, a o EMC raděj nebudu nic psát. A ještě se chlubí zelenou úsporám a výše uvedenou normu mají v "prohlášení o shodě". Je to hnus, velebnosti.
ostrov skoro 8kWp neustále ve stádiu zrodu: smartshunt(ex WBJR), MPPT150/45, MPPT 250/100(ex midnitesolar 150 clasic lite), 16S a různě P cca 340Ah Winston, MP II 5000,( ex Powerjack 8kW, ex samodomo cca 4kW). 48V DC rozvody a spotřebiče.
- diablo007
- Příspěvky: 3186
- Registrován: stř lis 28, 2018 7:57 pm
- Reputace: 239
- Bydliště: Vyškov
Re: Ohřev vody na topení - Strachotice
Jestli není ve výsledku jednoduzsi vzít mpp solár 3024gk má mppt na 4kw výstup 3kw a cenovka je defakto stejná jako 3kw verze oplockeho
- NOPARasito
- Příspěvky: 2600
- Registrován: čtv črc 19, 2018 12:14 am
- Reputace: 192
- Bydliště: Vidiek, Trhanova Lhota
Re: Ohřev vody na topení - Strachotice
Asi bych jeste rekl ze Siton bude technologicky nejdal
- vlkazajac
- R.I.P.
- Příspěvky: 3478
- Registrován: úte čer 11, 2013 10:40 pm
- Reputace: 528
Re: Ohřev vody na topení - Strachotice
Ja sa už dlho čudujem nadšencom majúcim FVE, ktorý prevádzkujú jednoúčelák na ohrev vody. Nejaká tisíckoruna + / - nie je vážny argument. Je možné, že všetkému nerozumiem, ale k štandardnému meniču DC/AC je už regulácia výkonu do ohrevu maličkosť. Baterky-nebaterky...
750 Wp, LS3024B, 18650 - 198P8S 30,4 V, Multiplus C 800 nonstop / všetky slabé spotrebiče
1950 Wp, 2 x LS3024B, VS2024N, olovo - 330 Ah / 24 V, Carspa 3000 sin deň / silné spotrebiče a ohrev TUV
5995 kWh za meničmi za posledné 2 roky.
1950 Wp, 2 x LS3024B, VS2024N, olovo - 330 Ah / 24 V, Carspa 3000 sin deň / silné spotrebiče a ohrev TUV
5995 kWh za meničmi za posledné 2 roky.
- NOPARasito
- Příspěvky: 2600
- Registrován: čtv črc 19, 2018 12:14 am
- Reputace: 192
- Bydliště: Vidiek, Trhanova Lhota
Re: Ohřev vody na topení - Strachotice
Axpert bude univerzalnejsi, ale Siton a Oplocky účinnější a levnejsi.
Otazka co kdo preferuje
Otazka co kdo preferuje
- vlkazajac
- R.I.P.
- Příspěvky: 3478
- Registrován: úte čer 11, 2013 10:40 pm
- Reputace: 528
Re: Ohřev vody na topení - Strachotice
Ale obidva systémy si vyhradzujú 7 panelov, ak sa nemýlim. Keď je voda nahriata, prepínajú sa snáď do FVE ? Má to niekto ?
750 Wp, LS3024B, 18650 - 198P8S 30,4 V, Multiplus C 800 nonstop / všetky slabé spotrebiče
1950 Wp, 2 x LS3024B, VS2024N, olovo - 330 Ah / 24 V, Carspa 3000 sin deň / silné spotrebiče a ohrev TUV
5995 kWh za meničmi za posledné 2 roky.
1950 Wp, 2 x LS3024B, VS2024N, olovo - 330 Ah / 24 V, Carspa 3000 sin deň / silné spotrebiče a ohrev TUV
5995 kWh za meničmi za posledné 2 roky.
-
Duke
- Příspěvky: 171
- Registrován: ned dub 29, 2018 2:28 pm
- Reputace: 32
Re: Ohřev vody na topení - Strachotice
ted když procházím ty spirály co jsou v odkazu od kybos, tak jsem tam našel i přímo pro FV na 120 V stejnosměrných, což by samozřejmě ušetřilo měnič:
https://www.nadeta.cz/nahradni-dily/ohr ... ?ItemIdx=4
stačilo by dát 3s2p a narvat to napřímo
má s tím někdo zkušenost ?
je to dostatečně účinné oproti mmpt ?
čím to odpojit když sepne termostat ?
https://www.nadeta.cz/nahradni-dily/ohr ... ?ItemIdx=4
stačilo by dát 3s2p a narvat to napřímo
má s tím někdo zkušenost ?
je to dostatečně účinné oproti mmpt ?
čím to odpojit když sepne termostat ?
9× Jinko 225Wp + Siton210 + RPi(EmonHUb) = ohřev bojleru
http://193.165.151.70:5080/emoncms/Duke/bojler
http://193.165.151.70:5080/emoncms/Duke/bojler
- vlkazajac
- R.I.P.
- Příspěvky: 3478
- Registrován: úte čer 11, 2013 10:40 pm
- Reputace: 528
Re: Ohřev vody na topení - Strachotice
"...je to dostatečně účinné oproti mmpt ?...
...čím to odpojit když sepne termostat ?..."
Nemôže byť dostatočne účinné.
Roletou cez panely.
...čím to odpojit když sepne termostat ?..."
Nemôže byť dostatočne účinné.
Roletou cez panely.
750 Wp, LS3024B, 18650 - 198P8S 30,4 V, Multiplus C 800 nonstop / všetky slabé spotrebiče
1950 Wp, 2 x LS3024B, VS2024N, olovo - 330 Ah / 24 V, Carspa 3000 sin deň / silné spotrebiče a ohrev TUV
5995 kWh za meničmi za posledné 2 roky.
1950 Wp, 2 x LS3024B, VS2024N, olovo - 330 Ah / 24 V, Carspa 3000 sin deň / silné spotrebiče a ohrev TUV
5995 kWh za meničmi za posledné 2 roky.
-
DanoP
- Příspěvky: 948
- Registrován: stř črc 06, 2016 12:27 pm
- Reputace: 216
- Bydliště: Trnava, Slovensko
Re: Ohřev vody na topení - Strachotice
Prosim prejst si aj ine vlakna tohto fora kde sa da docitat ze praca s DC nad nejakych 40V pri vacsich prudoch je komplikovana zalezitost (nezhasinajuci obluk) oproti AC.Duke píše:je to dostatečně účinné oproti mmpt ?
čím to odpojit když sepne termostat ?
Podobne su tu aj info co to je, ako pracuje MPPT a preco sa pouziva.
Dakujem.
1,77kWp monokryštál + Fangpusun MPPT 150/45, 1,6kWp +Victron MPPT 250/60, 2xStuder XTM4048 + 25kWh LiFePO4, vlastny monitoring na https://www.mms-softec.sk/pip/
- NOPARasito
- Příspěvky: 2600
- Registrován: čtv črc 19, 2018 12:14 am
- Reputace: 192
- Bydliště: Vidiek, Trhanova Lhota
Re: Ohřev vody na topení - Strachotice
Diky tomu ze pujdes do tzv. zkratu pri malem osvitu tak o mnoho energie prijdes, klidne v radu 40%, kondiky a tranzisory pro rozstridani je dle me nutnost.Duke píše:ted když procházím ty spirály co jsou v odkazu od kybos, tak jsem tam našel i přímo pro FV na 120 V stejnosměrných, což by samozřejmě ušetřilo měnič:
https://www.nadeta.cz/nahradni-dily/ohr ... ?ItemIdx=4
stačilo by dát 3s2p a narvat to napřímo
má s tím někdo zkušenost ?
je to dostatečně účinné oproti mmpt ?
čím to odpojit když sepne termostat ?
120V spirály by jsi pouzival pri napojeni stridace co umi jen 3S zapojeni panelu hodit do stridaveho na cca 90-120V, pal je spirala s timto napetim na miste.
Kdo je online
Uživatelé prohlížející si toto fórum: Claudebot [Bot], META a 1 host
