Stavba FVE - 2x strig 4 400Wp
Souhrn tématu
Uživatel z Kroměříže sdílí zkušenosti a žádá o rady při stavbě vlastní fotovoltaické elektrárny (FVE) s 2 stringy po 8 panelech 550Wp. Diskutuje o umístění panelů na plechovou střechu, výběru ochranných trubek pro kabeláž a správném oddělení vodičů. Dále řeší nastavení kombiměniče, firmware a automatizaci řízení přes Home Assistant pro optimalizaci výroby a spotřeby energie.
- GHLL
- Příspěvky: 209
- Registrován: úte pro 17, 2024 8:41 am
- Reputace:89
- Lokalita: Kroměříž
- Systémové napětí: 48V
- Výkon panelů [Wp]: 13 300
- Kapacita baterie [kWh]: 14
- Chci prodávat energii: NE
- Chci/Mám dotaci: NE
Re: Stavba FVE - 2x strig 4 400Wp
Jjj půjdou každý zvlášť v sólo chráničce...
- Victron 150/85-Tr
- Smartshunt - Homeassistant
- Kombiměnič: Voltronic 11kW
- cipis
- Moderátor
- Příspěvky: 7036
- Registrován: pon srp 16, 2021 9:31 pm
- Reputace:987
- Lokalita: blízko Brna
- Systémové napětí: 24V
- Výkon panelů [Wp]: 13+ kWp
- Kapacita baterie [kWh]: 40+26
- Chci prodávat energii: NE
- Chci/Mám dotaci: NE
- Bydliště: blízko Brna
Re: Stavba FVE - 2x strig 4 400Wp
Podle Migela možná jo, ale podle normy ne. Musí být dvojitá izolace.
Navíc tam máš víc jak 120 V, tedy to musí být celoplechová chránička.
Tedy jako vedení v plechu. Samostatný plus nebo samostatný mínus nemusí být v plechu.
Tj. natáhnout dvakrát koposku a počkat, až bude kabel k dispozici a pak ho tam zatáhnout.
Navíc tam máš víc jak 120 V, tedy to musí být celoplechová chránička.
Tedy jako vedení v plechu. Samostatný plus nebo samostatný mínus nemusí být v plechu.
Tj. natáhnout dvakrát koposku a počkat, až bude kabel k dispozici a pak ho tam zatáhnout.
16+ kWp: 9850 Wp Jih, 2040 Wp Východ, 1490 Wp Západ, 2700 Wp mikroinvertory
Regulátory Epever a Victron
MP 24/5000 + Deye mikroinvertory 1+2,2 kW (můj byt + máti byt)
MP 24/1200 inet, sit, kamery atd.
Phoenix 24/5000 vytěžování do akumulačních kamen
Epever 3kW vytěžování do bojlerů + žebříky
1 kW "nabíječka" 24 V
40+ kWh staré olovo 26+ kWh Li-Ion
několik dalších MP jako záložní zdroje na různých místech
Modře píši jako moderátor, černě jako člen.
Regulátory Epever a Victron
MP 24/5000 + Deye mikroinvertory 1+2,2 kW (můj byt + máti byt)
MP 24/1200 inet, sit, kamery atd.
Phoenix 24/5000 vytěžování do akumulačních kamen
Epever 3kW vytěžování do bojlerů + žebříky
1 kW "nabíječka" 24 V
40+ kWh staré olovo 26+ kWh Li-Ion
několik dalších MP jako záložní zdroje na různých místech
Modře píši jako moderátor, černě jako člen.
- Migel
- Příspěvky: 1820
- Registrován: ned zář 25, 2022 10:47 am
- Reputace:313
- Lokalita: Pod Karpatmi
Re: Stavba FVE - 2x strig 4 400Wp
Kabel ma svoju izolaciu a bude v zvlast chranicke cize to je dvojita izolacia.Plus to bude v zemi samostatne plus aj minus, tak vobec by som z toho nerobil take halo..
Ja viem ze norma je norma ale ruku na srdce, a to ze 80% tunajsich vytvorov by nam nikdy neschvalili...
Ja viem ze norma je norma ale ruku na srdce, a to ze 80% tunajsich vytvorov by nam nikdy neschvalili...
JZ-2s5p 3,8kWp >> Epever 8415 AN
JV-2s3p 2,7kWp >> Epever 6415 AN
2x Victron MP2 5000V/A paralelne
3x GWL SUN-2000G paralelne
48V 760Ah/35kWh Li-ion
a stále v štádiu budovania
(rozširovania)
JV-2s3p 2,7kWp >> Epever 6415 AN
2x Victron MP2 5000V/A paralelne
3x GWL SUN-2000G paralelne
48V 760Ah/35kWh Li-ion
a stále v štádiu budovania
- cipis
- Moderátor
- Příspěvky: 7036
- Registrován: pon srp 16, 2021 9:31 pm
- Reputace:987
- Lokalita: blízko Brna
- Systémové napětí: 24V
- Výkon panelů [Wp]: 13+ kWp
- Kapacita baterie [kWh]: 40+26
- Chci prodávat energii: NE
- Chci/Mám dotaci: NE
- Bydliště: blízko Brna
Re: Stavba FVE - 2x strig 4 400Wp
Ne, není to dvojitá izolace. Dvojitá izolace musí být na vodiči, ne jako úložný prostor.
Chránička je mechanická izolace, ne elektrická.
Kolega se ptal, jestli je to ok, tedy uvádím, že dle normy to ok není.
Chránička je mechanická izolace, ne elektrická.
Kolega se ptal, jestli je to ok, tedy uvádím, že dle normy to ok není.
16+ kWp: 9850 Wp Jih, 2040 Wp Východ, 1490 Wp Západ, 2700 Wp mikroinvertory
Regulátory Epever a Victron
MP 24/5000 + Deye mikroinvertory 1+2,2 kW (můj byt + máti byt)
MP 24/1200 inet, sit, kamery atd.
Phoenix 24/5000 vytěžování do akumulačních kamen
Epever 3kW vytěžování do bojlerů + žebříky
1 kW "nabíječka" 24 V
40+ kWh staré olovo 26+ kWh Li-Ion
několik dalších MP jako záložní zdroje na různých místech
Modře píši jako moderátor, černě jako člen.
Regulátory Epever a Victron
MP 24/5000 + Deye mikroinvertory 1+2,2 kW (můj byt + máti byt)
MP 24/1200 inet, sit, kamery atd.
Phoenix 24/5000 vytěžování do akumulačních kamen
Epever 3kW vytěžování do bojlerů + žebříky
1 kW "nabíječka" 24 V
40+ kWh staré olovo 26+ kWh Li-Ion
několik dalších MP jako záložní zdroje na různých místech
Modře píši jako moderátor, černě jako člen.
- unicast
- Příspěvky: 2444
- Registrován: sob bře 30, 2019 10:27 am
- Reputace:462
- Lokalita: JV od pekla :)
- Systémové napětí: 48V
- Výkon panelů [Wp]: 5100
- Kapacita baterie [kWh]: 49
- Chci/Mám dotaci: NE
Re: Stavba FVE - 2x strig 4 400Wp
Nicméně lze použít smršťovačku v celé délce kabelu, s překrytím jednotlivých segmentů té smršťovačky.
- GHLL
- Příspěvky: 209
- Registrován: úte pro 17, 2024 8:41 am
- Reputace:89
- Lokalita: Kroměříž
- Systémové napětí: 48V
- Výkon panelů [Wp]: 13 300
- Kapacita baterie [kWh]: 14
- Chci prodávat energii: NE
- Chci/Mám dotaci: NE
Re: Stavba FVE - 2x strig 4 400Wp
Už se to tu psalo, ale pokusím se to shrnou ať mám jasnocipis píše: stř říj 22, 2025 4:55 pmPodle Migela možná jo, ale podle normy ne. Musí být dvojitá izolace.
Navíc tam máš víc jak 120 V, tedy to musí být celoplechová chránička.
Tedy jako vedení v plechu. Samostatný plus nebo samostatný mínus nemusí být v plechu.
Tj. natáhnout dvakrát koposku a počkat, až bude kabel k dispozici a pak ho tam zatáhnout.
Pokud je víc jak 120V (přepokládám že se jedná o max. napětí Voc) tak tam kde se potká + a - musí být oceloplechová chránička nebo + a - táhnout zvlášť a to už může být plastová chránička? A platí to na střeše na půdě i v zemi?
- Victron 150/85-Tr
- Smartshunt - Homeassistant
- Kombiměnič: Voltronic 11kW
- cipis
- Moderátor
- Příspěvky: 7036
- Registrován: pon srp 16, 2021 9:31 pm
- Reputace:987
- Lokalita: blízko Brna
- Systémové napětí: 24V
- Výkon panelů [Wp]: 13+ kWp
- Kapacita baterie [kWh]: 40+26
- Chci prodávat energii: NE
- Chci/Mám dotaci: NE
- Bydliště: blízko Brna
Re: Stavba FVE - 2x strig 4 400Wp
Toto vedeni je samostatny pozarni usek. Tj. musi byt stavebne oddelen. Tak nejak se predpokladalo, ze to bude na strese (proto plech), pripadne vevnitr (zasekany krk ve zdi), prostupy skrz konstrukce pozarne uzavrene. Asi u toho nikdo nepredpokladal vedeni v zemi. Nicmene i tak by se to na to melo aplikovat. Pokud davas vedeni ci samostatny vodic do zeme, tak samozrejme si ho das do chranicky a take patricne desitky centimetru do zeme. Pod travnikem je to tusim min. 60 cm? Uz si to z hlavy nepamatuji.
O dvou trasach jsem mluvil v souvislosti s tim, ze se to predepisuje pri vedeni, coz jsou dva vodice vedle sebe. Ale kdyz mas plot, tak plus z jednoho konce plotu a minus z druheho konce plotu a sejde se ti to az vevnitr, tak to tahnes vodicem s dvojitou izolaci, v chranicce patricne decimetry pod zemi, a sejde se ti to az v pruchodu zdi, odkud natahnes uz plechovy zlab k reglum. Pruchod zdi zaplnis pozarnim tmelem, penou ci jinou pozarni ucpavkou.
V pripade napeti mensi nez 120 V ti akorat odpada ten plechovy zlab, muze byt jakykoliv.
O dvou trasach jsem mluvil v souvislosti s tim, ze se to predepisuje pri vedeni, coz jsou dva vodice vedle sebe. Ale kdyz mas plot, tak plus z jednoho konce plotu a minus z druheho konce plotu a sejde se ti to az vevnitr, tak to tahnes vodicem s dvojitou izolaci, v chranicce patricne decimetry pod zemi, a sejde se ti to az v pruchodu zdi, odkud natahnes uz plechovy zlab k reglum. Pruchod zdi zaplnis pozarnim tmelem, penou ci jinou pozarni ucpavkou.
V pripade napeti mensi nez 120 V ti akorat odpada ten plechovy zlab, muze byt jakykoliv.
16+ kWp: 9850 Wp Jih, 2040 Wp Východ, 1490 Wp Západ, 2700 Wp mikroinvertory
Regulátory Epever a Victron
MP 24/5000 + Deye mikroinvertory 1+2,2 kW (můj byt + máti byt)
MP 24/1200 inet, sit, kamery atd.
Phoenix 24/5000 vytěžování do akumulačních kamen
Epever 3kW vytěžování do bojlerů + žebříky
1 kW "nabíječka" 24 V
40+ kWh staré olovo 26+ kWh Li-Ion
několik dalších MP jako záložní zdroje na různých místech
Modře píši jako moderátor, černě jako člen.
Regulátory Epever a Victron
MP 24/5000 + Deye mikroinvertory 1+2,2 kW (můj byt + máti byt)
MP 24/1200 inet, sit, kamery atd.
Phoenix 24/5000 vytěžování do akumulačních kamen
Epever 3kW vytěžování do bojlerů + žebříky
1 kW "nabíječka" 24 V
40+ kWh staré olovo 26+ kWh Li-Ion
několik dalších MP jako záložní zdroje na různých místech
Modře píši jako moderátor, černě jako člen.
- Migel
- Příspěvky: 1820
- Registrován: ned zář 25, 2022 10:47 am
- Reputace:313
- Lokalita: Pod Karpatmi
Re: Stavba FVE - 2x strig 4 400Wp
"V pripade napetimmensi nez 12 V ti akorat odpada ten plechovy zlab, muze byt jakykoliv."
Asi si chcel napisat 120V
Asi si chcel napisat 120V
JZ-2s5p 3,8kWp >> Epever 8415 AN
JV-2s3p 2,7kWp >> Epever 6415 AN
2x Victron MP2 5000V/A paralelne
3x GWL SUN-2000G paralelne
48V 760Ah/35kWh Li-ion
a stále v štádiu budovania
(rozširovania)
JV-2s3p 2,7kWp >> Epever 6415 AN
2x Victron MP2 5000V/A paralelne
3x GWL SUN-2000G paralelne
48V 760Ah/35kWh Li-ion
a stále v štádiu budovania
- cipis
- Moderátor
- Příspěvky: 7036
- Registrován: pon srp 16, 2021 9:31 pm
- Reputace:987
- Lokalita: blízko Brna
- Systémové napětí: 24V
- Výkon panelů [Wp]: 13+ kWp
- Kapacita baterie [kWh]: 40+26
- Chci prodávat energii: NE
- Chci/Mám dotaci: NE
- Bydliště: blízko Brna
Re: Stavba FVE - 2x strig 4 400Wp
Ano, opraveno.
16+ kWp: 9850 Wp Jih, 2040 Wp Východ, 1490 Wp Západ, 2700 Wp mikroinvertory
Regulátory Epever a Victron
MP 24/5000 + Deye mikroinvertory 1+2,2 kW (můj byt + máti byt)
MP 24/1200 inet, sit, kamery atd.
Phoenix 24/5000 vytěžování do akumulačních kamen
Epever 3kW vytěžování do bojlerů + žebříky
1 kW "nabíječka" 24 V
40+ kWh staré olovo 26+ kWh Li-Ion
několik dalších MP jako záložní zdroje na různých místech
Modře píši jako moderátor, černě jako člen.
Regulátory Epever a Victron
MP 24/5000 + Deye mikroinvertory 1+2,2 kW (můj byt + máti byt)
MP 24/1200 inet, sit, kamery atd.
Phoenix 24/5000 vytěžování do akumulačních kamen
Epever 3kW vytěžování do bojlerů + žebříky
1 kW "nabíječka" 24 V
40+ kWh staré olovo 26+ kWh Li-Ion
několik dalších MP jako záložní zdroje na různých místech
Modře píši jako moderátor, černě jako člen.
- GHLL
- Příspěvky: 209
- Registrován: úte pro 17, 2024 8:41 am
- Reputace:89
- Lokalita: Kroměříž
- Systémové napětí: 48V
- Výkon panelů [Wp]: 13 300
- Kapacita baterie [kWh]: 14
- Chci prodávat energii: NE
- Chci/Mám dotaci: NE
Re: Stavba FVE - 2x strig 4 400Wp
A jak by se mělo řešit uzemnění a svodiče přepětí u toho plotu?
Před regulátor u DC jističe dám SVODIČ SLP-PV170 V/U, TYP2, 2X15KA, 170VDC
Panely na plotu uzemnit? Například zemnícím drátem FeZn 10, který zakončím v zemi zemnící tyčí...
A pokud panely uzemním je potřeba k nim venku ještě přidat T1 svodič?
Před regulátor u DC jističe dám SVODIČ SLP-PV170 V/U, TYP2, 2X15KA, 170VDC
Panely na plotu uzemnit? Například zemnícím drátem FeZn 10, který zakončím v zemi zemnící tyčí...
A pokud panely uzemním je potřeba k nim venku ještě přidat T1 svodič?
- Victron 150/85-Tr
- Smartshunt - Homeassistant
- Kombiměnič: Voltronic 11kW
- cipis
- Moderátor
- Příspěvky: 7036
- Registrován: pon srp 16, 2021 9:31 pm
- Reputace:987
- Lokalita: blízko Brna
- Systémové napětí: 24V
- Výkon panelů [Wp]: 13+ kWp
- Kapacita baterie [kWh]: 40+26
- Chci prodávat energii: NE
- Chci/Mám dotaci: NE
- Bydliště: blízko Brna
Re: Stavba FVE - 2x strig 4 400Wp
Uvádí se, pokud je svod delší 10m, tak máš mít přímo u panelů jedničky.
To ostatní nevím, tuhle něco psali kolegové v jiném vlákně, že je to zase jinak, přísněji, ale to bylo myslím u plechové střechy. Tady máš plot a tyčky v zemi ...
To ostatní nevím, tuhle něco psali kolegové v jiném vlákně, že je to zase jinak, přísněji, ale to bylo myslím u plechové střechy. Tady máš plot a tyčky v zemi ...
16+ kWp: 9850 Wp Jih, 2040 Wp Východ, 1490 Wp Západ, 2700 Wp mikroinvertory
Regulátory Epever a Victron
MP 24/5000 + Deye mikroinvertory 1+2,2 kW (můj byt + máti byt)
MP 24/1200 inet, sit, kamery atd.
Phoenix 24/5000 vytěžování do akumulačních kamen
Epever 3kW vytěžování do bojlerů + žebříky
1 kW "nabíječka" 24 V
40+ kWh staré olovo 26+ kWh Li-Ion
několik dalších MP jako záložní zdroje na různých místech
Modře píši jako moderátor, černě jako člen.
Regulátory Epever a Victron
MP 24/5000 + Deye mikroinvertory 1+2,2 kW (můj byt + máti byt)
MP 24/1200 inet, sit, kamery atd.
Phoenix 24/5000 vytěžování do akumulačních kamen
Epever 3kW vytěžování do bojlerů + žebříky
1 kW "nabíječka" 24 V
40+ kWh staré olovo 26+ kWh Li-Ion
několik dalších MP jako záložní zdroje na různých místech
Modře píši jako moderátor, černě jako člen.
- GHLL
- Příspěvky: 209
- Registrován: úte pro 17, 2024 8:41 am
- Reputace:89
- Lokalita: Kroměříž
- Systémové napětí: 48V
- Výkon panelů [Wp]: 13 300
- Kapacita baterie [kWh]: 14
- Chci prodávat energii: NE
- Chci/Mám dotaci: NE
Re: Stavba FVE - 2x strig 4 400Wp
Plot se povedl
Bohužel je zataženo takže se jede jen na rozptýlené světlo
čekal sem že to na tu rozptylku pojede teda líp...
- Victron 150/85-Tr
- Smartshunt - Homeassistant
- Kombiměnič: Voltronic 11kW
- Franta2776
- Příspěvky: 5748
- Registrován: pon úno 01, 2021 4:00 pm
- Reputace:595
Re: Stavba FVE - 2x strig 4 400Wp
No a kterým směrem ten plot je???
32540Wp, 90ks vakuové trubice jihozápad, (Lifepo4 17S 520Ah, trakční gel 800Ah), Axpert Max 7200VA, Easun Isolar 5500VA,Multiplus 2 48/5000,MPPT 150/85, 150/100
Pojízdná FV 200Wp=2x100Wp flexibilní+4x280Ah lifepo4+měnič 1500W
Pojízdná FV 200Wp=2x100Wp flexibilní+4x280Ah lifepo4+měnič 1500W
- GHLL
- Příspěvky: 209
- Registrován: úte pro 17, 2024 8:41 am
- Reputace:89
- Lokalita: Kroměříž
- Systémové napětí: 48V
- Výkon panelů [Wp]: 13 300
- Kapacita baterie [kWh]: 14
- Chci prodávat energii: NE
- Chci/Mám dotaci: NE
Re: Stavba FVE - 2x strig 4 400Wp
Směr plotu je na JIh..
- Victron 150/85-Tr
- Smartshunt - Homeassistant
- Kombiměnič: Voltronic 11kW
- Franta2776
- Příspěvky: 5748
- Registrován: pon úno 01, 2021 4:00 pm
- Reputace:595
Re: Stavba FVE - 2x strig 4 400Wp
Tady si můžeš udělat výpočet:
https://re.jrc.ec.europa.eu/pvg_tools/en/#PVP
https://re.jrc.ec.europa.eu/pvg_tools/en/#PVP
32540Wp, 90ks vakuové trubice jihozápad, (Lifepo4 17S 520Ah, trakční gel 800Ah), Axpert Max 7200VA, Easun Isolar 5500VA,Multiplus 2 48/5000,MPPT 150/85, 150/100
Pojízdná FV 200Wp=2x100Wp flexibilní+4x280Ah lifepo4+měnič 1500W
Pojízdná FV 200Wp=2x100Wp flexibilní+4x280Ah lifepo4+měnič 1500W
- GHLL
- Příspěvky: 209
- Registrován: úte pro 17, 2024 8:41 am
- Reputace:89
- Lokalita: Kroměříž
- Systémové napětí: 48V
- Výkon panelů [Wp]: 13 300
- Kapacita baterie [kWh]: 14
- Chci prodávat energii: NE
- Chci/Mám dotaci: NE
Re: Stavba FVE - 2x strig 4 400Wp
Ještě přidávám foto konstrukce na plot, bez těch výztuh, které jsem zhotovil z nerez pásoviny to bylo hodně vachrlaté.. Dnešek hodně zataženo, výroba takto:
Východ a západ na střeše 8 800Wp jenom z rozptýleného světla 4,5kWh
A nový plot 4 500Wp udělal 1,5kWh - kdyby ty panely byly otečený nahoru, klidně vodorovně vyrobily by nejspíš víc. Už se nemůžu dočkat až vykoukne
Východ a západ na střeše 8 800Wp jenom z rozptýleného světla 4,5kWh
A nový plot 4 500Wp udělal 1,5kWh - kdyby ty panely byly otečený nahoru, klidně vodorovně vyrobily by nejspíš víc. Už se nemůžu dočkat až vykoukne
- Victron 150/85-Tr
- Smartshunt - Homeassistant
- Kombiměnič: Voltronic 11kW
- GHLL
- Příspěvky: 209
- Registrován: úte pro 17, 2024 8:41 am
- Reputace:89
- Lokalita: Kroměříž
- Systémové napětí: 48V
- Výkon panelů [Wp]: 13 300
- Kapacita baterie [kWh]: 14
- Chci prodávat energii: NE
- Chci/Mám dotaci: NE
Re: Stavba FVE - 2x strig 4 400Wp
Tak konečně dneska pořádný 
Plot na Jih vyrobil 12,7kWh
, východ a západ 16,8kWh celkem dneska 29,5kWh, bojler napráskanej na 72°C, baterka 100% asi su ščastné 
Plot na Jih vyrobil 12,7kWh
- Victron 150/85-Tr
- Smartshunt - Homeassistant
- Kombiměnič: Voltronic 11kW
- Franta2776
- Příspěvky: 5748
- Registrován: pon úno 01, 2021 4:00 pm
- Reputace:595
Re: Stavba FVE - 2x strig 4 400Wp
Jà ti říkal, že bude dávat

.Ty výpoč̣tový kalkulátory moc nekecají.
Z instalovaných 4500Wp ti to dávalo 3400W to je masakr.
Z instalovaných 4500Wp ti to dávalo 3400W to je masakr.
32540Wp, 90ks vakuové trubice jihozápad, (Lifepo4 17S 520Ah, trakční gel 800Ah), Axpert Max 7200VA, Easun Isolar 5500VA,Multiplus 2 48/5000,MPPT 150/85, 150/100
Pojízdná FV 200Wp=2x100Wp flexibilní+4x280Ah lifepo4+měnič 1500W
Pojízdná FV 200Wp=2x100Wp flexibilní+4x280Ah lifepo4+měnič 1500W
- TomHC
- Příspěvky: 3886
- Registrován: pát lis 11, 2022 8:14 am
- Reputace:860
- Lokalita: Hlohovec, SR
- Systémové napětí: 48V
- Výkon panelů [Wp]: 8820
- Kapacita baterie [kWh]: 30
- Chci prodávat energii: NE
- Chci/Mám dotaci: NE
- Bydliště: Hlohovec, SR
Re: Stavba FVE - 2x strig 4 400Wp
Super. Ja už trpím sklonom 25°, v zime o ničom.
2x MUST PH1800 5.5kW, 9kWp V+J+Z, 600 Ah LiFePO4 s BMS JBD 200A, SW: Home Assistant na Synology DS923+ ku tomu ESPHome, Tasmota, MariaDB, InfluxDB, Telegraf, Grafana, Zigbee2MQTT..., HW: ESPlan (ESP32 + LAN 8720 + RS485). Nejaké moje projekty: MUST-ESPhome, ELTEK Flatpack2 ESPhome, ESP32-EMON, PZEM-017@WiFi, diyBMS-CurrentShunt-ESPhome , BMS UART-TS485 adaptér
- GHLL
- Příspěvky: 209
- Registrován: úte pro 17, 2024 8:41 am
- Reputace:89
- Lokalita: Kroměříž
- Systémové napětí: 48V
- Výkon panelů [Wp]: 13 300
- Kapacita baterie [kWh]: 14
- Chci prodávat energii: NE
- Chci/Mám dotaci: NE
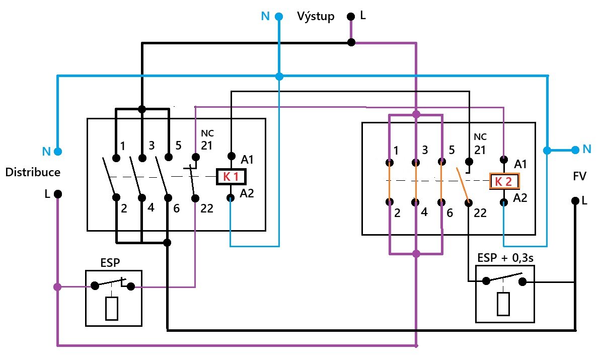
Re: Stavba FVE - 2x strig 4 400Wp
Odešel mi čínskej přepínač ATS, který přepínal kotelnu, stálý odběr cca 150W (když jely čerpadla). Naštěstí jsem byl u toho takže krom smradu a vyhozených jističů - barák po tmě, se nic nepřihodilo. Relé v ATS už pár dní sem tam procvakávalo a nakonec za zvuku jak když střílíš ze samopalu se ucvakalo
.
Takže řeším náhradu.. Přepínat se bude jen jedna fáze 16A. Našel jsem reverzační stykač Noark Ex9CSR06 01 3P 230V - 6A s mechanickým blokováním.
Stykač je na jmenovitý proud: 6A. Pokud ho zapojím tak že zapojím paralelně všechny tři fáze tak zvládne 6A x 3 = 18A. Myslím si to správně? Druhá věc, řízení zpoždění sepnutí přívodu z FV bych řešil přes ESP relé řízeným z HA, je to dobrý nápad, nebo raději dat časové relé?
Takže řeším náhradu.. Přepínat se bude jen jedna fáze 16A. Našel jsem reverzační stykač Noark Ex9CSR06 01 3P 230V - 6A s mechanickým blokováním.
Stykač je na jmenovitý proud: 6A. Pokud ho zapojím tak že zapojím paralelně všechny tři fáze tak zvládne 6A x 3 = 18A. Myslím si to správně? Druhá věc, řízení zpoždění sepnutí přívodu z FV bych řešil přes ESP relé řízeným z HA, je to dobrý nápad, nebo raději dat časové relé?
- Victron 150/85-Tr
- Smartshunt - Homeassistant
- Kombiměnič: Voltronic 11kW
Kdo je online
Uživatelé procházející toto fórum: Claudebot [Bot]
