Od sebestačnosti a Axpert k Studer a realite
Souhrn tématu
Autor sdílí zkušenosti se stavbou a provozem vlastní fotovoltaické elektrárny (FVE) s bateriemi LiFePo4, která slouží k dosažení domácí sebestačnosti. Popisuje překážky při připojení k síti, vlastní montáž systému s Axpertem a postupné rozšiřování panelů. Následně řeší problémy s provozem a spotřebou, a plánuje přechod na výkonnější měnič Studer XTM 4000-48 pro lepší řízení spotřeby a integraci elektromobilu.
- Hrebik
- Příspěvky: 37
- Registrován: čtv dub 02, 2020 12:19 am
- Reputace:1
Re: Od sebestačnosti a Axpert k Studer a realite
Díky za info. Existuje nějaké riziko, že pokud jsou baterie připojené na oba měniče, tak ze by se mohlo něco odpálit? V podstatě bude přes svorky DC propojen Axpert mpptout se studer DC in. Je nutné toto propojení nějak ošetřit?
- DanoP
- Příspěvky: 949
- Registrován: stř črc 06, 2016 12:27 pm
- Reputace:216
- Bydliště: Trnava, Slovensko
Re: Od sebestačnosti a Axpert k Studer a realite
Pre oscara - rozhasilo sa meranie napatia na PV vstupe, tiez mi to robilo. Ak sa to stane tak sa neodopne rele na PV vstupe a napatie z baterie ktore prechadza na vstup nedovoli sa mu uspat - mysli si ze ma vyrobu z panelov. Lahko to zistis tak ze si nechas na display zobrazit napatie na PV vstupe ked bude tma. Na kalibraciu je utilita. Potom uz je vsetko opat OK.oscar píše:Prve tyzdne aj u mna Axpert ako hlavny MPPT fungoval tak, ze na noc sa zastavil ventilator a vypol sa uplne a az rano sa znova rozbehol, ale posledne dni bezi v kuse, a je jedno ze je vypnute cez vypinac, nema AC na vstupe, ani z DC (tma ale aj pri odpojenej poistke). Jedina moznost ho vypnut je odpojit od baterky...josse píše:Jakou vlastní spotřebu? Když je DC/DC+střídač uspaný tak mu naměřím jen nějaké watty na ventilátory a CPU, nic co by stálo za námahu... Rozhodně to není oněch 50W! Jako před uspáním.
Teraz k spotrebe MPPT - ak je vypnuty cely menic vratane MPPT tak berie radovo desiatky mA. Ked ale nabehne MPPT (menic stale off) tak vlastna spotreba MPPT + ventilatory + riadenie je okolo 200mA (10W). Naproti tomu fangpussun 150/45 berie 20mA stale, je jedno ci je bez napatia na PV alebo s napatim na PV.
A este jedna poznamka. Klasicky PIP/Axpert 4048MS/5048MS aj ked je vypnuty a bezi MPPT a nebodaj klesne bateria pod bypass napatie zvysi svoj vlastny odber (odskusane, nemam ho pripojeny na DS len na panely a bateriu).
1,77kWp monokryštál + Fangpusun MPPT 150/45, 3,2kWp +Victron MPPT 250/60, 2xStuder XTM4048 + 47kWh LiFePO4, vlastny monitoring na https://www.mms-softec.sk/pip/
- oscar
- Příspěvky: 115
- Registrován: ned říj 14, 2018 6:53 am
- Reputace:22
Re: Od sebestačnosti a Axpert k Studer a realite
Vypýtal som od Ota odporúčanie na moje baterky v akých podmienkach používať. Jeden z odporúčaní bolo prevádzkovať pod 25 °C, čo som zatiaľ vôbec neriešil – 2,5 roka boli v uzavretej plechovej krabici ako som ich dostal.
Piatok ráno som otvoril krabicu, prihodil tam prenosný teplomer od kúrenia (24,6 °C) + Studer bočník má vlastný (viď grafy), začal svietiť slnko, baterku nabil (27.5 °C), začal vybíjať (27.6 °C) nech vidím čo to spraví.
V sobotu ráno prihodil ventilátory (73 CFM / 112 m3/h), oblepil a začali ťahať vzduch zozadu a fúkať dopredu. Výsledok bol, že baterka sa zohrial počas dna len na 26,4 °C a dnes ráno už mal 24.0 °C (včera 25.0 °C) – t.j. získal som cca - 1 °C počas celého dna.
Problém je, že v tej miestnosti síce mám odsávanie cez rekuper, ale celkovo v dome mávame okolo 24 °C.
Vy ako riešite chladenie baterky? Koľko stupňov mávate? Máte nápad čo s tým?
Mám zrušiť škatuľu, nechať medzi baterkami medzeru a nechať aby sa chladil prirodzenou cestou takto niak? https://forum.mypower.cz/download/file. ... &mode=view
Piatok ráno som otvoril krabicu, prihodil tam prenosný teplomer od kúrenia (24,6 °C) + Studer bočník má vlastný (viď grafy), začal svietiť slnko, baterku nabil (27.5 °C), začal vybíjať (27.6 °C) nech vidím čo to spraví.
V sobotu ráno prihodil ventilátory (73 CFM / 112 m3/h), oblepil a začali ťahať vzduch zozadu a fúkať dopredu. Výsledok bol, že baterka sa zohrial počas dna len na 26,4 °C a dnes ráno už mal 24.0 °C (včera 25.0 °C) – t.j. získal som cca - 1 °C počas celého dna.
Problém je, že v tej miestnosti síce mám odsávanie cez rekuper, ale celkovo v dome mávame okolo 24 °C.
Vy ako riešite chladenie baterky? Koľko stupňov mávate? Máte nápad čo s tým?
Mám zrušiť škatuľu, nechať medzi baterkami medzeru a nechať aby sa chladil prirodzenou cestou takto niak? https://forum.mypower.cz/download/file. ... &mode=view
- josse
- Příspěvky: 1356
- Registrován: úte úno 14, 2017 9:35 pm
- Reputace:160
Re: Od sebestačnosti a Axpert k Studer a realite
Pokud se baterie zahřívají je jich málo. Přidat baterky.
3,6kWp GWL Poly + 8,82kWp Canadian Mono, 3x PIP4048MS, 5x80P14S = 5600Cells 18650 (~900Ah/47kWh)
Elektrárna: https://emoncms.trenet.org/dashboard/view?id=3
TČ: https://emoncms.trenet.org/dashboard/view?id=21
Elektrárna: https://emoncms.trenet.org/dashboard/view?id=3
TČ: https://emoncms.trenet.org/dashboard/view?id=21
- lubomirz
- Příspěvky: 444
- Registrován: ned kvě 31, 2020 5:25 pm
- Reputace:26
Re: Od sebestačnosti a Axpert k Studer a realite
ja si myslim ze 26 stupnove baterky v 24 stupnovej miestnosti sa neklasifikuje ako zahrivani...
pozri, 20 stupnov na tych baterkach mat nebudes, nemas odkial. A 10 stupnov je neziaducich (pretoze nemozes nabijat vyssimi prudmi) aj keby si vedel zvonku tahat horsky vzduch, takze... daj dole krabicu, podla mna hotovo. Vacsie rozostupy medzi baterkami nespravis, prerabat to cele nebudes, a aj keby, tak im znizis teplotu mozno o stupen co nema z dlhodobeho hladiska ziadny vyznam.
Ukrutne dolezitejsie je akymi prudmi ich nabijas a vybijas && odkial pokial SoC.
Ked nemas 40 stupnov na baterke tak by som moc netlacil na pilku. Ak chces byt velmi pedantny tak by som nad 30 stupnov automaticky zapinal nieco taketo https://www.iventilatory.sk/stolovy-ven ... 85006m78r2 samozrejme umiestnene kolmo na clanky aby fukalo medzi ne. Zrejme bude treba dva kusy aby si pokryl celu sirku ale hned hovorim ze toto je blby napad
inak uprimne, hentie tri fufŕniky co tam mas su akurat tak naprd dobre ked to mas 3cm od steny... a vlastne to je dalsi jednoduchy napad, ked sa da tak krabicu aspon 10cm odtlac od tej steny, strasnym sposobom zmensis protitlak.
pozri, 20 stupnov na tych baterkach mat nebudes, nemas odkial. A 10 stupnov je neziaducich (pretoze nemozes nabijat vyssimi prudmi) aj keby si vedel zvonku tahat horsky vzduch, takze... daj dole krabicu, podla mna hotovo. Vacsie rozostupy medzi baterkami nespravis, prerabat to cele nebudes, a aj keby, tak im znizis teplotu mozno o stupen co nema z dlhodobeho hladiska ziadny vyznam.
Ukrutne dolezitejsie je akymi prudmi ich nabijas a vybijas && odkial pokial SoC.
Ked nemas 40 stupnov na baterke tak by som moc netlacil na pilku. Ak chces byt velmi pedantny tak by som nad 30 stupnov automaticky zapinal nieco taketo https://www.iventilatory.sk/stolovy-ven ... 85006m78r2 samozrejme umiestnene kolmo na clanky aby fukalo medzi ne. Zrejme bude treba dva kusy aby si pokryl celu sirku ale hned hovorim ze toto je blby napad
inak uprimne, hentie tri fufŕniky co tam mas su akurat tak naprd dobre ked to mas 3cm od steny... a vlastne to je dalsi jednoduchy napad, ked sa da tak krabicu aspon 10cm odtlac od tej steny, strasnym sposobom zmensis protitlak.
- oscar
- Příspěvky: 115
- Registrován: ned říj 14, 2018 6:53 am
- Reputace:22
Re: Od sebestačnosti a Axpert k Studer a realite
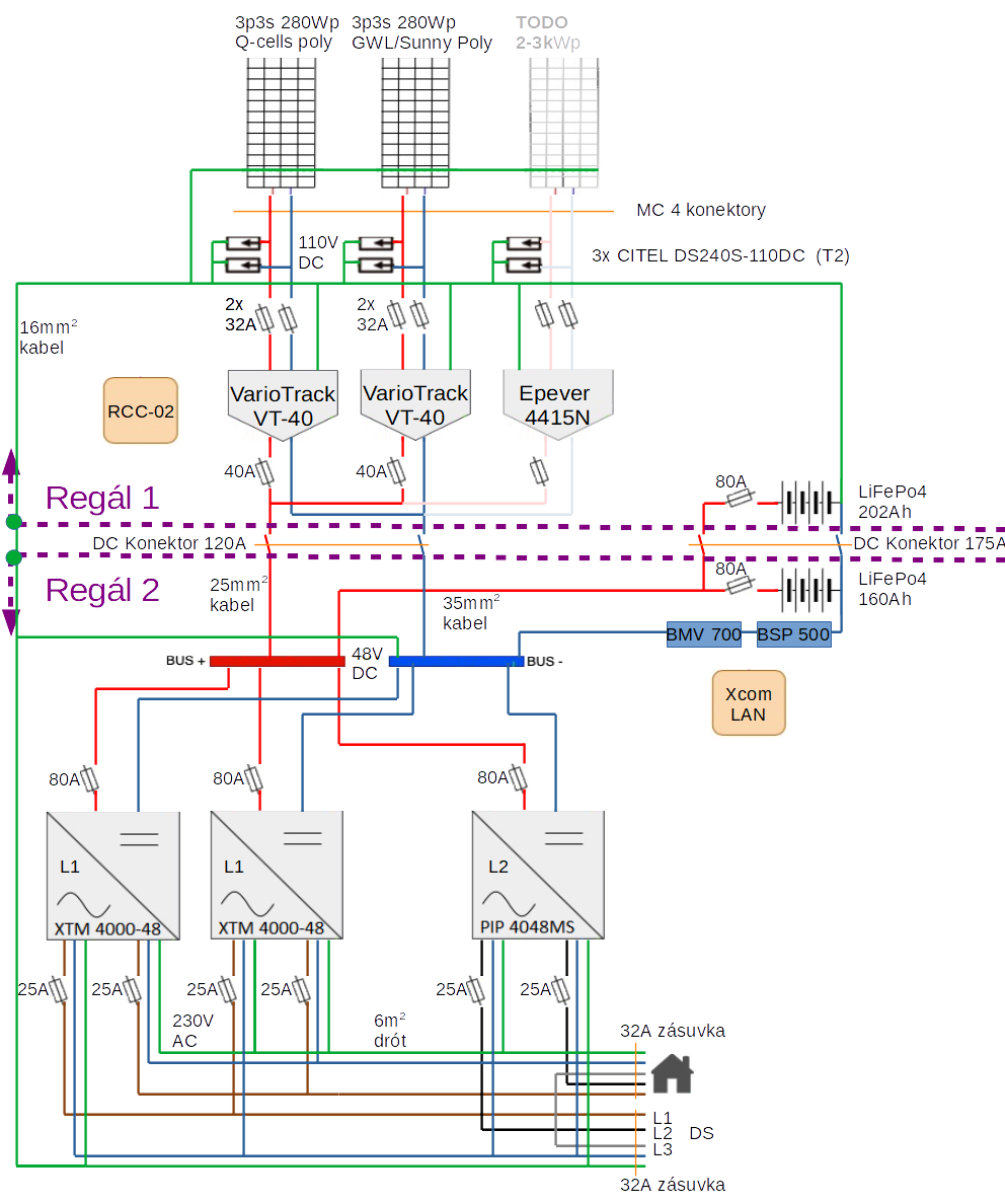
Po dlhšom rozmýšľaní ako ďalej, kde zohnať chýbajúci priestor v TZB pre ďalšiu baterku regulátory a menič, pre manželku Mikuláš doniesol novú policu na pracie prostriedky
.
Novú baterku (vdaka Mikel), regulátory dám na jeden regál na kolieskach s 18 modulovou rozvodnicou a na druhom bude zvyšok. Celé budem musieť občas vypnúť/rozpojiť/vytiahnuť von z TZB aby som sa dostal k veciam za nimi (preto tie MC 4 konektory, DC konektory a zásuvky).
Mate nijaké tipy/návrhy na zlepšenie čo sa týka zapojenia, hrúbky káblov, poistiek, ...?
Novú baterku (vdaka Mikel), regulátory dám na jeden regál na kolieskach s 18 modulovou rozvodnicou a na druhom bude zvyšok. Celé budem musieť občas vypnúť/rozpojiť/vytiahnuť von z TZB aby som sa dostal k veciam za nimi (preto tie MC 4 konektory, DC konektory a zásuvky).
Mate nijaké tipy/návrhy na zlepšenie čo sa týka zapojenia, hrúbky káblov, poistiek, ...?
- marko250
- Příspěvky: 3714
- Registrován: ned led 12, 2014 7:41 pm
- Reputace:574
- Lokalita: Hlučín
- Bydliště: Hlučín
Re: Od sebestačnosti a Axpert k Studer a realite
Na těch měničích bych dal silnější pojistky 80A x 54V=4320W a ten měnič umí podržet 6000W několik minut.A ženy dokáží nemožné.Mělo by to odpovídat výstupu z něj 25A x 230 =5750W. A 40A z vari vt-40 bych taky dal malinko větší.Z baterek 100A mi příjde taky málo na ty tři měniče a regly,pojedou spolu,nebo ta menší je jen jako záloha?
20.415kWp/JZ-39°/16x Jinko bifacial 590 ,JV-90°/8xLeapton mono 650 + <JZ-90° /15xJAsolar / mono 385
regly EASUN 2x 5.5kWp MPPT <28A> , 1x EASUN <80A> a 1x EASUN <100A>
baterka 17s 54.4VDC LFP4/1412Ah<uloží 76kWh>
dvě ŠKATULE 11kW paraelně /22kW
regly EASUN 2x 5.5kWp MPPT <28A> , 1x EASUN <80A> a 1x EASUN <100A>
baterka 17s 54.4VDC LFP4/1412Ah<uloží 76kWh>
dvě ŠKATULE 11kW paraelně /22kW
- josse
- Příspěvky: 1356
- Registrován: úte úno 14, 2017 9:35 pm
- Reputace:160
Re: Od sebestačnosti a Axpert k Studer a realite
Řádově minutu pojistka dává zhruba dvojnásobek... Záleží na charakteristice... Mě to jištění přijde ok. Ale doporučoval bych aby AC jistič vypadl dříve než DC pojistka k baterce...marko250 píše:Na těch měničích bych dal silnější pojistky 80A x 54V=4320W a ten měnič umí podržet 6000W několik minut.A ženy dokáží nemožné.Mělo by to odpovídat výstupu z něj 25A x 230 =5750W. A 40A z vari vt-40 bych taky dal malinko větší.Z baterek 100A mi příjde taky málo na ty tři měniče a regly,pojedou spolu,nebo ta menší je jen jako záloha?
3,6kWp GWL Poly + 8,82kWp Canadian Mono, 3x PIP4048MS, 5x80P14S = 5600Cells 18650 (~900Ah/47kWh)
Elektrárna: https://emoncms.trenet.org/dashboard/view?id=3
TČ: https://emoncms.trenet.org/dashboard/view?id=21
Elektrárna: https://emoncms.trenet.org/dashboard/view?id=3
TČ: https://emoncms.trenet.org/dashboard/view?id=21
- oscar
- Příspěvky: 115
- Registrován: ned říj 14, 2018 6:53 am
- Reputace:22
Re: Od sebestačnosti a Axpert k Studer a realite
oni su v paralel, ma kazdy vlastnu poistku (aby som vedel ich aj ciastocne odpojit), t.j. celkovo unesu 2x100A (mozem objednat 2x125A) co je cca 10kw - dlhodobo + panely + AC Studer pricucavanie a Axpertov prepnutie na DS pri pretazeni na cca 10 minut.marko250 píše:Z baterek 100A mi příjde taky málo na ty tři měniče a regly,pojedou spolu,nebo ta menší je jen jako záloha?
- oscar
- Příspěvky: 115
- Registrován: ned říj 14, 2018 6:53 am
- Reputace:22
Re: Od sebestačnosti a Axpert k Studer a realite
takze 3x25A*240V = 18kW vs. 200A*52V = 10.4kW?josse píše:Ale doporučoval bych aby AC jistič vypadl dříve než DC pojistka k baterce...
ono Studer dava z DC tak 4kw na 30 minut (viac len na par sekund) + Axpert tiez 4kw a prepina kompletne na DC tak dohromady max z DC strany vedia vyuzit 3*4=12kW / 52V = 230A -> tak este mozem dat namiesto 2x100A na baterku 2x125A do zalohy keby to spalilu ...
Ja sa skor obavam, ze mi zhodi 3x25A hlavny istic ked dam dvoch Studer do paralel na jednu fazu a cely dom nato, ale to az prax ukaze ci z celeho nebudu 3 samostatne fazy, alebo jeden Studer bude davat do DS do virtualnej baterky casom...
- marsal64
- Příspěvky: 1204
- Registrován: sob čer 16, 2018 1:45 pm
- Reputace:133
- Lokalita: Velké Popovice
- Systémové napětí: 48V
- Výkon panelů [Wp]: 9,3
- Kapacita baterie [kWh]: 30
- Chci prodávat energii: NE
- Chci/Mám dotaci: NE
- Bydliště: Velké Popovice
Re: Od sebestačnosti a Axpert k Studer a realite
Díky, dotazy:
- proč BMV 700 a současně i BSP 500 ?
- přepěťovky?
- kde uzemňuješ?
A ještě - čím jsi to kreslil
?
Edit:
Jsem nyní ve stadiu zrodu něčeho velmi podobného Tvé instalaci. Uvažuji osobně, že ke každému packu baterie na busbar dám pojistkový odpojovač OEZ (s nožovými pojistkami) a dále stejný pojistkový odpojovač k dvěma stringům od panelů. Vypnutí všech pojistkových odpojovačů (celkem 5x, nejprve panely 2 stringy, pak baterky 3 packy) = havarijní vypnutí FVE.
Jinde už spíše uvažuji odpojovače bez pojistek, např. na AC straně mezi jednotlivými XTM a rozvaděčem. Ale nevím zatím, jestli je to tak správně
.
Utratil jsem dost tisíc za přepěťovky, budu dávat DC před Variotracky a AC před i za měniče (tj. před i za AC FVE rozvaděč). Na půdě v kombiboxu pak T1 + T2.
No a osobně pojedu s přepínačem sítí, tj. de facto "ostrov".
- proč BMV 700 a současně i BSP 500 ?
- přepěťovky?
- kde uzemňuješ?
A ještě - čím jsi to kreslil
Edit:
Jsem nyní ve stadiu zrodu něčeho velmi podobného Tvé instalaci. Uvažuji osobně, že ke každému packu baterie na busbar dám pojistkový odpojovač OEZ (s nožovými pojistkami) a dále stejný pojistkový odpojovač k dvěma stringům od panelů. Vypnutí všech pojistkových odpojovačů (celkem 5x, nejprve panely 2 stringy, pak baterky 3 packy) = havarijní vypnutí FVE.
Jinde už spíše uvažuji odpojovače bez pojistek, např. na AC straně mezi jednotlivými XTM a rozvaděčem. Ale nevím zatím, jestli je to tak správně
Utratil jsem dost tisíc za přepěťovky, budu dávat DC před Variotracky a AC před i za měniče (tj. před i za AC FVE rozvaděč). Na půdě v kombiboxu pak T1 + T2.
No a osobně pojedu s přepínačem sítí, tj. de facto "ostrov".
- oscar
- Příspěvky: 115
- Registrován: ned říj 14, 2018 6:53 am
- Reputace:22
Re: Od sebestačnosti a Axpert k Studer a realite
BMV 700 som mal (stary system), a BSP 500 som dokupil ze to mi zachrani nepretazovanie starej baterky a nebude treba kupit dalsi lifepo4 (ale bol problem s prehrianim tej jednej) ani regulatory (necham len EPever a Axpertov MPPT - ten zas hucal celu noc lebo nezvladol pouzivanie len tejto casti) - tak teraz idem obe vymenit na 2x VT-40 za rozumnu cenu (tichy, neprehreje malu TZB).marsal64 píše:- úroč BMV 700 a současně i BSP 500 ?
Druhy dovod je, ze BMV 700 poznam, robi roky co ma, alertuje akonahle je nieco zle a BSP 500 je zatial mega zlozite konfiguracny nightmare. Ked cele bude fungovat spolahlivo tak mozno BMV 700 ide na predaj mozno aj s Axpert, ale to este potrva kym clovek sa skamarati so Studer config a vsetko roby aspon tak dobre ako stary system...
To mi raz niekto povedal, ze kym nemam kostru panelov nikam pripojene a ani regulator (axpert kedysi) nevyzaduje, ze sanca ze bude zle je male + prepetovka je draha + mam hromozvod cca 2m "nad/medzi" panelmi (na streche) a pristresok nad terasou je este nizsie + 3x susedia okolo maju aktivny bleskozvod, tak to je OK (neviem).marsal64 píše:- přepěťovky?
AC vetvku ako vsetko ostatne v dome (vratane zelezneho regalu #2 kde to bude) - "zvodic pod domom", a DC vetka zatial niak, verim, ze 48-130V DC nikoho nezabije (ale asi spojit to minimalne s regal #1 kostrou negative pole bateriek by zislo).marsal64 píše:- kde uzemňuješ?
Trosku sa bojim co sa stane ked spojim AC uzemnenie s DC negativ polom, tak to je este otvorene - je to nizkonapatove FVE...
Libre Office Draw + ukradnute obrazky od Kobra23 https://forum.mypower.cz/viewtopic.php? ... 20#p134503 (nechce sa mi studovat sofistikovanejsi tool, ked toto viem nakreslit do hodiny a je to rozumne prehladne)marsal64 píše:A ještě - čím jsi to kreslil?
ja na DC davam taketo alebo jeho mensie varianty (63A/...):marsal64 píše:Edit:
Jsem nyní ve stadiu zrodu něčeho velmi podobného Tvé instalaci. Uvažuji osobně, že ke každému packu baterie na busbar dám pojistkový odpojovač OEZ (s nožovými pojistkami) a dále stejný pojistkový odpojovač k dvěma stringům od panelů. Vypnutí všech pojistkových odpojovačů (celkem 5x, nejprve panely 2 stringy, pak baterky 3 packy) = havarijní vypnutí.
Jinde už spíše uvažuji odpojovače bez pojistek, např. na AC straně mezi jednotlivými XTM a rozvaděčem. Ale nevím zatím, jestli je to tak správně.
https://www.i-center.sk/odpinac-opvp22- ... -125a41037
viem aj odpojit, je aj poistka
a na AC strane 25A istice jednofazove som nasiel (vacsie nie, tak preto je tam vsade to), ale ked mate lepsie tipy, rad sa priucim...
Teraz napr. zhanam lisovacie klieste na 10-16-25-35mm2 kable a zatial vyhrava toto:
https://www.alza.sk/hobby/geko-krimpova ... 013515.htm
- marsal64
- Příspěvky: 1204
- Registrován: sob čer 16, 2018 1:45 pm
- Reputace:133
- Lokalita: Velké Popovice
- Systémové napětí: 48V
- Výkon panelů [Wp]: 9,3
- Kapacita baterie [kWh]: 30
- Chci prodávat energii: NE
- Chci/Mám dotaci: NE
- Bydliště: Velké Popovice
Re: Od sebestačnosti a Axpert k Studer a realite
- ad lisovací kleště - více lidí se zdá tady být spokojeno s:
https://www.shop-naradi.cz/kleste-lisov ... o-yt-22862
- ad přepěťovky - zvaž aspoň T2
. Já osobně jsem se k tomu snažil vzdělat (https://forum.mypower.cz/viewtopic.php? ... 00#p135484), čti hlavně, co píše kodl69
- najdeš i v dalších vláknech
- u Studeru je uzemnění mínus pólu baterie myslím standard (viz třeba obrázek Kobry, na který odkazuješ). Osobně jsem měl dost "probíjení" ve své první (Axpertí) instalaci bez DC uzemnění, po uzemnění mínusu baterky bez jakýchkoli obtíží i zde.
https://www.shop-naradi.cz/kleste-lisov ... o-yt-22862
- ad přepěťovky - zvaž aspoň T2
- u Studeru je uzemnění mínus pólu baterie myslím standard (viz třeba obrázek Kobry, na který odkazuješ). Osobně jsem měl dost "probíjení" ve své první (Axpertí) instalaci bez DC uzemnění, po uzemnění mínusu baterky bez jakýchkoli obtíží i zde.
- josse
- Příspěvky: 1356
- Registrován: úte úno 14, 2017 9:35 pm
- Reputace:160
Re: Od sebestačnosti a Axpert k Studer a realite
Ty baterky bych raději nepřetěžoval, 100A mi přijde MAX. Hlavně vzhledem k jejich kapacitě a dlouhodobé životnosti.oscar píše:takze 3x25A*240V = 18kW vs. 200A*52V = 10.4kW?josse píše:Ale doporučoval bych aby AC jistič vypadl dříve než DC pojistka k baterce...
ono Studer dava z DC tak 4kw na 30 minut (viac len na par sekund) + Axpert tiez 4kw a prepina kompletne na DC tak dohromady max z DC strany vedia vyuzit 3*4=12kW / 52V = 230A -> tak este mozem dat namiesto 2x100A na baterku 2x125A do zalohy keby to spalilu ...
Ja sa skor obavam, ze mi zhodi 3x25A hlavny istic ked dam dvoch Studer do paralel na jednu fazu a cely dom nato, ale to az prax ukaze ci z celeho nebudu 3 samostatne fazy, alebo jeden Studer bude davat do DS do virtualnej baterky casom...
Těch 3x25x240 jsem nepochopil...
Axpert i studer bych jistil 20A. Oficiálně to je sice teoretických 21A, ale ty baterky to nedají dost dlouho aby B20A jistič vypadl.
10.4kW trvale vypadá jako dost, ale plně nabité baterky z toho udělají mizerných 1 hodinu a 48 minut. Rychlovarnou konvici s překryvem dalšího spotřebiče to zvládne. Je třeba si představit tu spotřebu.
Jestli se dá něco pojistkám 100A oproti silnějším něco vytknout je to pouze úbytek napětí. U slabších pojistek bude vyšší úbytek, je to logické na každou pojistku připadá například 11W při nominálním proudu, počítat za domácí úkol dle U=RI, P=RII... V dokumentaci pojistky co chci použít do to najít.
Je třeba se dívat na ten čas jak dlouho baterky ten výkon zvládnou na konci dne dodávat a zakreslit si to do grafu pojistky... Pak vám bude jasné, kde jsme.
A když zvolíte pojistku vyšší, zkontrolujte si impedanci nejdelší smyčky, aby se ty pojistky vůbec při nejvzdálenějším zkratu přepálili včas...
Sice mám jen jen 2x4 kW, ale u každého měniče mám na DC 80A, na AC mám 20A. U mojí baterky mám jedinou 125A. A to si dovolím je na mých cca 600Ah tak akorát. Takže kdybych do toho šel od baterek, 360Ah které se už nebudou rozšiřovat, každé sadě bych dal maximálně 60-80A jištění. A to by znamenalo až do rozšíření baterií nepoužívat více než dva měniče max 2x4 kW. Já používám pojistky 22x58, protože mi všude stačí. Na větší proudy bych musel použít nožové, ty se hůře vejdou do rozvaděče na DIN lišty.
3,6kWp GWL Poly + 8,82kWp Canadian Mono, 3x PIP4048MS, 5x80P14S = 5600Cells 18650 (~900Ah/47kWh)
Elektrárna: https://emoncms.trenet.org/dashboard/view?id=3
TČ: https://emoncms.trenet.org/dashboard/view?id=21
Elektrárna: https://emoncms.trenet.org/dashboard/view?id=3
TČ: https://emoncms.trenet.org/dashboard/view?id=21
- marko250
- Příspěvky: 3714
- Registrován: ned led 12, 2014 7:41 pm
- Reputace:574
- Lokalita: Hlučín
- Bydliště: Hlučín
Re: Od sebestačnosti a Axpert k Studer a realite
Jen jedna z reálného života,systém namontován dle infa od majitele domu:dva pracující +syn
měnič 8kw max
regly 8kWp max
15.5kWh life(300Ah)
První spuštění v sobotu,počasí nic moc spíše baterka.Neděle ráno baterka u konce(3V) ,ale celé dopoledne a kousek poledne svítí, tak je baterka u 3.4V ,skoro full. Ale příchod osádky je až večer bez slunce a v tom ta ženská dohání den.
Zapíná myčku,pračku,indukci,kde vaří na pondělí ,a jde si během toho vyfoukat vlasy fénem a k tomu fičí na pozadí stará plazma ,PC a volnoběžka domu. No když mě to majitel s klidným hlasem řek, tak jsem šel do kolen.A to jsme probírali ty souběhy před investicí několik dnů,no naštěstí to měnič vykryl,protože se to nepotkalo vše ,ale ty proudy tam malé určitě chvílema nebyly.
A když vidím ty tři měniče zde,tak nejhorší co se může stát je odpálení toho jištění baterek.A ano jde to omezit proudově v nich,bypasovat s DS,nebo managovat jinde,ale základ je aby to nedopatřením nebylo shozeno přepálením toho co už je k dispozici. A taky mě nedává smysl koupit tank na nákup v drogerii a následně jej krotit.
To XTM umí podržet čtvrt hodiny víc než 4kW a ty baby jsou v tomto opravdu experti
.
měnič 8kw max
regly 8kWp max
15.5kWh life(300Ah)
První spuštění v sobotu,počasí nic moc spíše baterka.Neděle ráno baterka u konce(3V) ,ale celé dopoledne a kousek poledne svítí, tak je baterka u 3.4V ,skoro full. Ale příchod osádky je až večer bez slunce a v tom ta ženská dohání den.
Zapíná myčku,pračku,indukci,kde vaří na pondělí ,a jde si během toho vyfoukat vlasy fénem a k tomu fičí na pozadí stará plazma ,PC a volnoběžka domu. No když mě to majitel s klidným hlasem řek, tak jsem šel do kolen.A to jsme probírali ty souběhy před investicí několik dnů,no naštěstí to měnič vykryl,protože se to nepotkalo vše ,ale ty proudy tam malé určitě chvílema nebyly.
A když vidím ty tři měniče zde,tak nejhorší co se může stát je odpálení toho jištění baterek.A ano jde to omezit proudově v nich,bypasovat s DS,nebo managovat jinde,ale základ je aby to nedopatřením nebylo shozeno přepálením toho co už je k dispozici. A taky mě nedává smysl koupit tank na nákup v drogerii a následně jej krotit.
To XTM umí podržet čtvrt hodiny víc než 4kW a ty baby jsou v tomto opravdu experti
20.415kWp/JZ-39°/16x Jinko bifacial 590 ,JV-90°/8xLeapton mono 650 + <JZ-90° /15xJAsolar / mono 385
regly EASUN 2x 5.5kWp MPPT <28A> , 1x EASUN <80A> a 1x EASUN <100A>
baterka 17s 54.4VDC LFP4/1412Ah<uloží 76kWh>
dvě ŠKATULE 11kW paraelně /22kW
regly EASUN 2x 5.5kWp MPPT <28A> , 1x EASUN <80A> a 1x EASUN <100A>
baterka 17s 54.4VDC LFP4/1412Ah<uloží 76kWh>
dvě ŠKATULE 11kW paraelně /22kW
- oscar
- Příspěvky: 115
- Registrován: ned říj 14, 2018 6:53 am
- Reputace:22
Re: Od sebestačnosti a Axpert k Studer a realite
nechcel som ist moc do detailov aby sme sa nestratili, "vizia" pouzivania je asi takato:
- v zime 1x-2x Studer, idealne naplanovanu aby tahal domacnost Rano/Vecer (6-9 + 19-22), inak len prepustal AC bez cyklovania baterky - lebo variabilna tarifikacia https://www.magna-energia.sk/sites/defa ... 2021_0.pdf, Axpert vypnute dlhodobo
- v lete ked svieti slnko a je SOC povedzme nad 70% tak zapnutie Axperta len na dobijanie auta - ked BMV zisti ze je malo kraftu/nesvieti slnko vypnut (t.j. zbytocne nepretazovat baterku / idealne ani nepouzivat baterku len panely), 2x Studer taha domacnost, co 1x Studer toto leto (uz) nezvladal bez pricucavani.
Co viem, ze panely casom pribudnu lebo bez nich nabijanie auta aj ked svieti slnko je dnes trapenie aj pre mna aj pre system (zbytocne cyklovanie baterky vs. pomale nabijanie auta 6-10A 230V).
Axpert casom asi ide prec, ale chcem si priestorovo nechat miesto na mozneho 3. tichecho a usporneho Studera do buducna
Zacnem teda radsej s 2x80A na baterke co je uz dvojnasobok toho co je tam dnes, a nasiel som toto:
https://www.hlumar.sk/index.php?id_prod ... er=product
pripadne lepsi tip?
- v zime 1x-2x Studer, idealne naplanovanu aby tahal domacnost Rano/Vecer (6-9 + 19-22), inak len prepustal AC bez cyklovania baterky - lebo variabilna tarifikacia https://www.magna-energia.sk/sites/defa ... 2021_0.pdf, Axpert vypnute dlhodobo
- v lete ked svieti slnko a je SOC povedzme nad 70% tak zapnutie Axperta len na dobijanie auta - ked BMV zisti ze je malo kraftu/nesvieti slnko vypnut (t.j. zbytocne nepretazovat baterku / idealne ani nepouzivat baterku len panely), 2x Studer taha domacnost, co 1x Studer toto leto (uz) nezvladal bez pricucavani.
Co viem, ze panely casom pribudnu lebo bez nich nabijanie auta aj ked svieti slnko je dnes trapenie aj pre mna aj pre system (zbytocne cyklovanie baterky vs. pomale nabijanie auta 6-10A 230V).
Axpert casom asi ide prec, ale chcem si priestorovo nechat miesto na mozneho 3. tichecho a usporneho Studera do buducna
Zacnem teda radsej s 2x80A na baterke co je uz dvojnasobok toho co je tam dnes, a nasiel som toto:
https://www.hlumar.sk/index.php?id_prod ... er=product
pripadne lepsi tip?
- oscar
- Příspěvky: 115
- Registrován: ned říj 14, 2018 6:53 am
- Reputace:22
Re: Od sebestačnosti a Axpert k Studer a realite
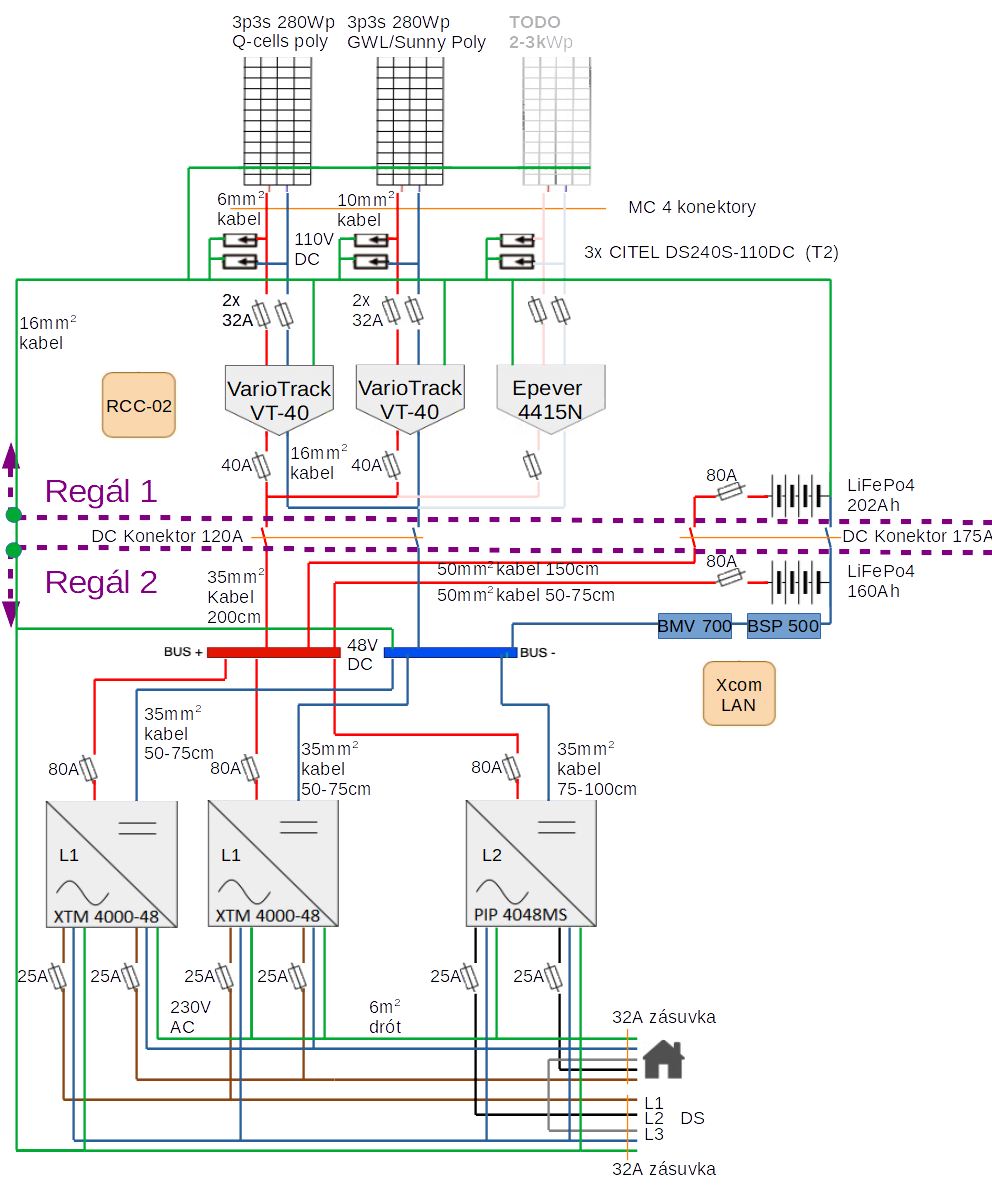
dokreslil som aj ochranu po konzultacii s kodl69, snad som ho dobre pochopil a diki moc za pomoc 
- rottenkiwi
- Příspěvky: 5451
- Registrován: pát úno 13, 2015 2:24 pm
- Reputace:287
- Lokalita: SO, SK
- Bydliště: SO, SK
Re: Od sebestačnosti a Axpert k Studer a realite
Pozor na Y rozdvojky a roztrojky MC4, lebo to skončí takto:
https://www.youtube.com/watch?v=DQtdbrxC7oU
https://www.youtube.com/watch?v=vagAxucHuR0
Podobne aj keď sú MC4 zle nakrimpované, zlý vodič, alebo
nekompatibilné MC4 od roznych výrobcov ===> prechodový odpor.
Sú tam tri meniče 4000 W - AC, to je pri 90 % éta, 4444 W na DC,
čo je pri 44 V na LiFePO ===> 101 A na menič,
čo je 303 A na DC bus a ten je napojený na baterky
cez 35 mm3 Cu neznámej dĺžky a ešte sú na baterkách len 80 + 80 A poistky,
čo má ďaleko do 300 A, napr. v prípade, že regle dávajú 0 A.
Aký je prechodový odpor na tých 120 A a 175 A konektoroch ?
Victron odporúča do 5 m DC vedenia, 70 mm2 Cu na /+/ a 70 mm2 na /-/, pri 5000 W
alebo 140 mm2 Cu na /+/ a 140 mm2 Cu na /-/ nad 5 m vedenia. / vedenie káblami s veľkým počtom vláken /
Čo sa stane keď tri meniče budú z bateriek ťahať 300 A a vypadne 80 + 80 A poistka na 1. a 2. packu LiFePO ?
A na 4444 + 4444 + 4444 W dokopy 13333 W pri 44 V ===> 303 A
dám 35 mm2 Cu ?
Chcel by som vidieť termografy z tých konektorov pri skúškach max. výkonu min. 30 min.
https://www.youtube.com/watch?v=DQtdbrxC7oU
https://www.youtube.com/watch?v=vagAxucHuR0
Podobne aj keď sú MC4 zle nakrimpované, zlý vodič, alebo
nekompatibilné MC4 od roznych výrobcov ===> prechodový odpor.
Sú tam tri meniče 4000 W - AC, to je pri 90 % éta, 4444 W na DC,
čo je pri 44 V na LiFePO ===> 101 A na menič,
čo je 303 A na DC bus a ten je napojený na baterky
cez 35 mm3 Cu neznámej dĺžky a ešte sú na baterkách len 80 + 80 A poistky,
čo má ďaleko do 300 A, napr. v prípade, že regle dávajú 0 A.
Aký je prechodový odpor na tých 120 A a 175 A konektoroch ?
Victron odporúča do 5 m DC vedenia, 70 mm2 Cu na /+/ a 70 mm2 na /-/, pri 5000 W
alebo 140 mm2 Cu na /+/ a 140 mm2 Cu na /-/ nad 5 m vedenia. / vedenie káblami s veľkým počtom vláken /
Čo sa stane keď tri meniče budú z bateriek ťahať 300 A a vypadne 80 + 80 A poistka na 1. a 2. packu LiFePO ?
A na 4444 + 4444 + 4444 W dokopy 13333 W pri 44 V ===> 303 A
dám 35 mm2 Cu ?
Chcel by som vidieť termografy z tých konektorov pri skúškach max. výkonu min. 30 min.
- oscar
- Příspěvky: 115
- Registrován: ned říj 14, 2018 6:53 am
- Reputace:22
Re: Od sebestačnosti a Axpert k Studer a realite
dik za pripomienku, Studer pre XTM-4000-48 odporuca 200A poistku na baterku a 50mm2 kabel do 3m vzdialenosti.
44V tam nebude, pri 48V uz BMV blika, huci a pocut to dost, a bezne pouzivam nad 50V po novom planujem skor do 51,5V aj preto sa pribudla nova baterka, ale to je teraz asi detail.
Kukal som toto: https://www.elso.sk/sk/blog/technologie ... v-ampacita
Zacnem od druheho konca - regulatory (lebo prave to teraz zapajam), kazdy VT-40 je pri 48V na "Regal1 regulator" bus pripojeny 16mm2 pri max 40A dlzky cca 50cm - (uvadzaju max 109A - tj 2.7 nasobok - staci tak predimenzovat?). Z tohto bus-u ide dalej 25mm2 na ten hlavny, nakresleny bus (ten bude cca 2m dlhy) - cez neho ide buduci maximum 120A (uvadzaju max 142A), hmm, tu zvacsim dimenziu na 35mm2 (do 120A DC konektoru viem strcit aj 50mm2 podla priemeru 8mm), nech je tam max 174A a bude vacsia rezerva (asi som neratal povodne s 3x40A ako je uz zakreslene) - aj kvoli vzdialenosti od hlavneho BUS.
202Ah baterka bude od nakresleneho BUS vzdialeny cca 1.5m, povodne som planoval 35mm2 kabel aj preto, lebo sam smart bms ma taky kabel hoci s 400A vlastnou, nenakreslenou poistkou, tak snad vedia co robia - tu vsak neocakavam dlhodobe velke zataze a semok ide len "polovica" vykonu z bateriek preto sa mi zdalo, ze max 174A by mohol stacit, keby som presiel na 50mm2, tak max bude 215A (o 25% viac), do 175A DC konektoru strcim az 11mm priemer, t.j. do 95mm2.
Povodne som spekuloval, ci nedat dalsi spolocny BUS na regal 1 (tam spojit 202Ah baterku s regulatormi), ale potom by tu baterku viac nabijal a zas menice by viac znicili tu 160Ah, tak preto su dve pare kablov medzi regalmi.
160Ah baterka od nakresleneho bus je vzdialenosti 50-75cm (nadnim bude rozvadzac s BUS aj s AC vecami), nadnim budu menice, tiez s kablom dlzky 50-75cm. Toto vsetko som planoval pripajat cez 35mm2 kable - ma zmysel zvacsit dimenziu na 50mm2?.
Studer XTM-4000-48 ked zoberie 4444w/51V=87A - preto 80A poistka a max 174A zatazenie je dvojnasobok, tak preto si myslim ze to na kratku vzdialenost by mohlo byt OK (teda dnes je to OK na 3m, preto som neuvazoval ze prejdem na 50mm2, ale mozem tiez).
160Ah Baterka vs. BUS - tu mam dnes historicky dokonca 25mm2 a bezi to od leta 1x XTM-4000 + Axpert dokonca na 100A poistke k baterke -> teraz idem zvacsit dimenziu na 35mm (dobre, dam 50mm tiez) pridavam +1 menic, ale aj +1 baterku, preto zmensena, dvojita poistka (aj vid vyssie odporucania od inych) - povodne som chcel dat 2x125A co je max na odpojovace.
Co sa tyka konektorov - MC4 mozem vypustit, necham dlhsi kabel (ajtak bude o 7m kratsi nez dnes) a to mi staci aby som vytiahol Regal 21 z TZB do kupelky/detskej a hotovo.
DC konektory sa mi nepacia, to asi na zaciatku vobec nenamontujem (neodrezem kabel) a skusim nechat dlhsie medzi regal 1 vs. regal 2 (oni sa navzajom skoro dotykaju jednym rohom). Toto prilezitostne teoreticky viem vyriesit odsrobovanim 4x koncoveho oka z nakresleneho bus - akurat musim nato pripravit prechodky aby presli cez nich...
Pripajam upravenu a obohatenu schemu o detaily.
44V tam nebude, pri 48V uz BMV blika, huci a pocut to dost, a bezne pouzivam nad 50V po novom planujem skor do 51,5V aj preto sa pribudla nova baterka, ale to je teraz asi detail.
Kukal som toto: https://www.elso.sk/sk/blog/technologie ... v-ampacita
Zacnem od druheho konca - regulatory (lebo prave to teraz zapajam), kazdy VT-40 je pri 48V na "Regal1 regulator" bus pripojeny 16mm2 pri max 40A dlzky cca 50cm - (uvadzaju max 109A - tj 2.7 nasobok - staci tak predimenzovat?). Z tohto bus-u ide dalej 25mm2 na ten hlavny, nakresleny bus (ten bude cca 2m dlhy) - cez neho ide buduci maximum 120A (uvadzaju max 142A), hmm, tu zvacsim dimenziu na 35mm2 (do 120A DC konektoru viem strcit aj 50mm2 podla priemeru 8mm), nech je tam max 174A a bude vacsia rezerva (asi som neratal povodne s 3x40A ako je uz zakreslene) - aj kvoli vzdialenosti od hlavneho BUS.
202Ah baterka bude od nakresleneho BUS vzdialeny cca 1.5m, povodne som planoval 35mm2 kabel aj preto, lebo sam smart bms ma taky kabel hoci s 400A vlastnou, nenakreslenou poistkou, tak snad vedia co robia - tu vsak neocakavam dlhodobe velke zataze a semok ide len "polovica" vykonu z bateriek preto sa mi zdalo, ze max 174A by mohol stacit, keby som presiel na 50mm2, tak max bude 215A (o 25% viac), do 175A DC konektoru strcim az 11mm priemer, t.j. do 95mm2.
Povodne som spekuloval, ci nedat dalsi spolocny BUS na regal 1 (tam spojit 202Ah baterku s regulatormi), ale potom by tu baterku viac nabijal a zas menice by viac znicili tu 160Ah, tak preto su dve pare kablov medzi regalmi.
160Ah baterka od nakresleneho bus je vzdialenosti 50-75cm (nadnim bude rozvadzac s BUS aj s AC vecami), nadnim budu menice, tiez s kablom dlzky 50-75cm. Toto vsetko som planoval pripajat cez 35mm2 kable - ma zmysel zvacsit dimenziu na 50mm2?.
Studer XTM-4000-48 ked zoberie 4444w/51V=87A - preto 80A poistka a max 174A zatazenie je dvojnasobok, tak preto si myslim ze to na kratku vzdialenost by mohlo byt OK (teda dnes je to OK na 3m, preto som neuvazoval ze prejdem na 50mm2, ale mozem tiez).
160Ah Baterka vs. BUS - tu mam dnes historicky dokonca 25mm2 a bezi to od leta 1x XTM-4000 + Axpert dokonca na 100A poistke k baterke -> teraz idem zvacsit dimenziu na 35mm (dobre, dam 50mm tiez) pridavam +1 menic, ale aj +1 baterku, preto zmensena, dvojita poistka (aj vid vyssie odporucania od inych) - povodne som chcel dat 2x125A co je max na odpojovace.
Co sa tyka konektorov - MC4 mozem vypustit, necham dlhsi kabel (ajtak bude o 7m kratsi nez dnes) a to mi staci aby som vytiahol Regal 21 z TZB do kupelky/detskej a hotovo.
DC konektory sa mi nepacia, to asi na zaciatku vobec nenamontujem (neodrezem kabel) a skusim nechat dlhsie medzi regal 1 vs. regal 2 (oni sa navzajom skoro dotykaju jednym rohom). Toto prilezitostne teoreticky viem vyriesit odsrobovanim 4x koncoveho oka z nakresleneho bus - akurat musim nato pripravit prechodky aby presli cez nich...
Pripajam upravenu a obohatenu schemu o detaily.
- DanoP
- Příspěvky: 949
- Registrován: stř črc 06, 2016 12:27 pm
- Reputace:216
- Bydliště: Trnava, Slovensko
Re: Od sebestačnosti a Axpert k Studer a realite
Ako uz poznamenal Kiwi, myslis ze 80A poistky na bateriach budu OK? No neviem co mam 100Ah Life tak maju udavane kratkodobe (opakovane) pretazenie 200A, poistky maju istit rozvody proti skratu, prehriatie rozvodov vzhladom na prierezy nehrozi. Podla mojho nazoru poistka na baterii je poistkou poslednej instancie - ma sluzit na ochranu proti skratu - skratovy prud 100Ah baterie je radovo v kA. Tak isto 80A pred XTM aj pred PIP sa mi zda malo. Vyrobca odporuca viac, a je dobre sa riadit jeho odporucaniami. Mimochodom PIP 4048Ms mam a da 4kW aj celych 10 minut v kuse a berie pritom nieco cez 90A. Tiez nerozumiem preco su v zapojeni v serii dva bocniky (BMV a BSP), nemozu zdielat jeden spolocny bocnik?
1,77kWp monokryštál + Fangpusun MPPT 150/45, 3,2kWp +Victron MPPT 250/60, 2xStuder XTM4048 + 47kWh LiFePO4, vlastny monitoring na https://www.mms-softec.sk/pip/
Kdo je online
Uživatelé procházející toto fórum: Claudebot [Bot]
