Leoshavla FVE
Souhrn tématu
Ve fóru Leoshavla FVE uživatelé sdílejí své zkušenosti s využitím digitálních vstupů a alarmů ve VRM systému pro fotovoltaiku. Diskutují o nastavení notifikací, ovládání relé přes Node-RED a praktických řešeních pro efektivní správu FVE. Inspirují se inovativními nápady, jako je stahování baterie pomocí vzduchu a využití PLC pro jednodušší ovládání.
- Mex
- Příspěvky: 2008
- Registrován: pát zář 29, 2023 4:12 am
- Reputace:372
- Lokalita: Brno
- Systémové napětí: >48V
Re: Leoshavla FVE
Takže i ta trubka je součástí toho plastového systému?leoshavla píše: pon bře 30, 2026 8:25 pmJe to PVC-U i ta průhledná trubka 63mm a redukce na 50 mm, je to klasická bazénová armatura a lepí se to, to těleso ze spoudu je na závit G 1 1/2
Fajn, díky za info. Inspiroval jsi mě.
- leoshavla
- Příspěvky: 539
- Registrován: stř bře 23, 2022 7:43 am
- Reputace:76
Re: Leoshavla FVE
Chtěl bych využít dig. vstup Cerba pro notifikaci.
Zkusil jsem Alarm dveře a když propojím grn. a 1. tak se nic neděje.
Má se objevit nějaká notifikace ve VRM?
Zkusil jsem Alarm dveře a když propojím grn. a 1. tak se nic neděje.
Má se objevit nějaká notifikace ve VRM?
1. Jih 300Wp, J-Z otočný 300Wp, 12V Carspa 1500W, 2x MPPT Victron 100/20, Lifepo4 105+135Ah 
2. JZ 8 kWp sklon 15st.solárni přístřešek stř. krytina 18x JA Solar Bifacial , 2x Multiplus 5000, 2x MPPT Victron 150/85, vyhřívaný bat.box 16x Lifepo4 LF304Ah JKBMS 200A V15, Cerbo GX, SmartShunt 300A
2. JZ 8 kWp sklon 15st.solárni přístřešek stř. krytina 18x JA Solar Bifacial , 2x Multiplus 5000, 2x MPPT Victron 150/85, vyhřívaný bat.box 16x Lifepo4 LF304Ah JKBMS 200A V15, Cerbo GX, SmartShunt 300A
- kodl69
- Příspěvky: 8348
- Registrován: sob črc 19, 2014 8:56 pm
- Reputace:1069
- Lokalita: severně od Brna
- Systémové napětí: 48V
- Výkon panelů [Wp]: 8kWp
- Kapacita baterie [kWh]: 12kWh
- Chci prodávat energii: NE
- Chci/Mám dotaci: NE
Re: Leoshavla FVE
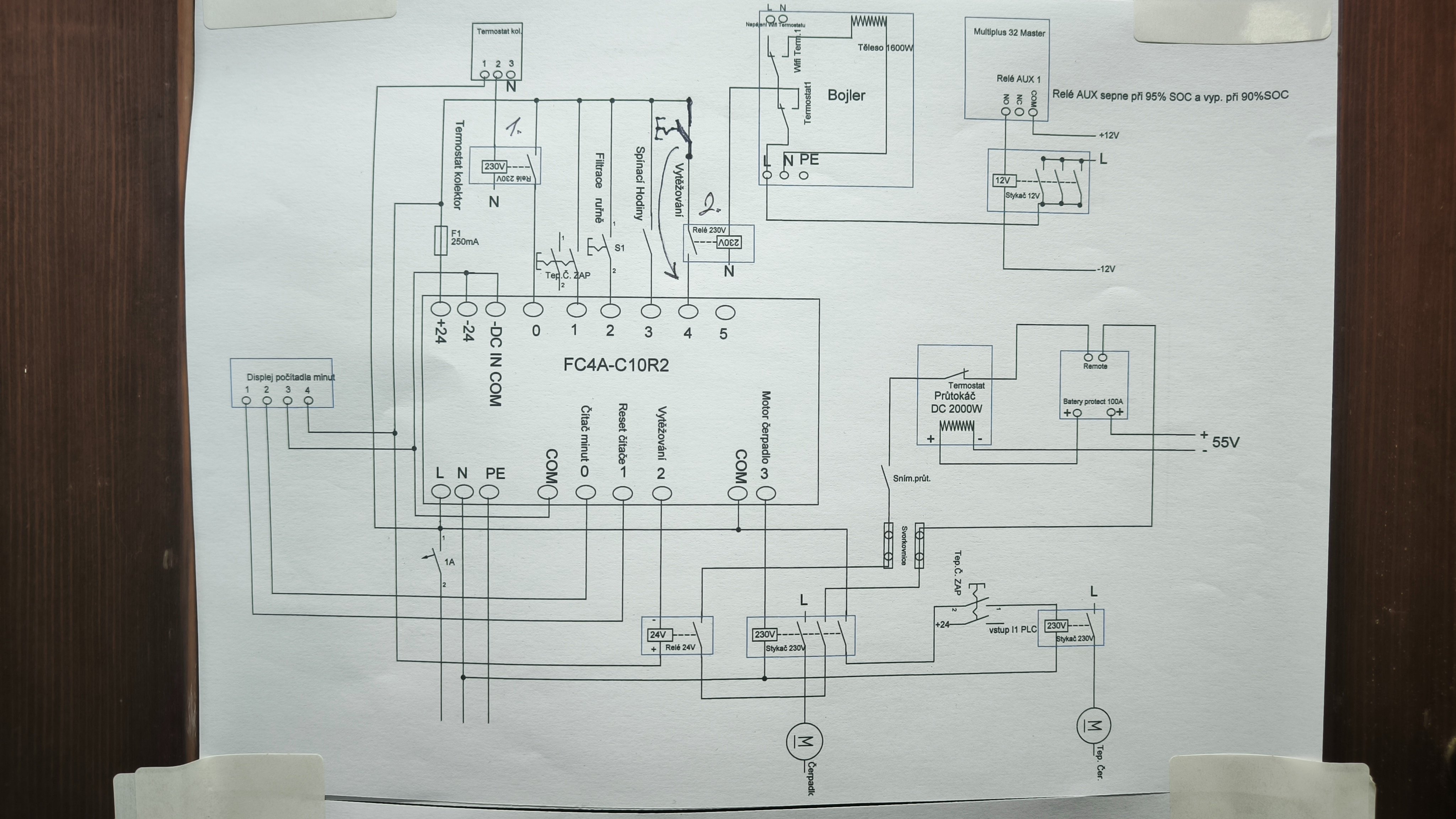
schválně jsem si to zkusil. Ve vrm nic nevidím, ať dám alarm nebo dveřní alarm. ale v node red to funguje a tady je co je to číslo 7: tj sepnutý kontakt. Jak mají fungovat ty relé přímo ve venus os netuším, ale přes node red jsou ovládat, pokud je necháš jako ručně ovládané, tak to co si naprogramuješ v node red, to funguje. relátka pozžívám na vytěžování. Je to nejjednodušší cesta jak zapnout boiler když je dost elektriky.
ostrov skoro 8kWp neustále ve stádiu zrodu: smartshunt(ex WBJR), MPPT150/45, MPPT 250/100(ex midnitesolar 150 clasic lite), 16S a různě P cca 340Ah Winston, MP II 5000,( ex Powerjack 8kW, ex samodomo cca 4kW). 48V DC rozvody a spotřebiče.
- leoshavla
- Příspěvky: 539
- Registrován: stř bře 23, 2022 7:43 am
- Reputace:76
Re: Leoshavla FVE
Už jsem na to přišel.
Musí se to nastavit ve VRM nastavení-alarmy.
Po sepnutí to sice přišlo až za 15min ale přišlo
Tak nakonec to bude celkem jednoduchý k jističi přidám jen spínač.
Přišlo to i na e-mail
Musí se to nastavit ve VRM nastavení-alarmy.
Po sepnutí to sice přišlo až za 15min ale přišlo
Tak nakonec to bude celkem jednoduchý k jističi přidám jen spínač.
Přišlo to i na e-mail
1. Jih 300Wp, J-Z otočný 300Wp, 12V Carspa 1500W, 2x MPPT Victron 100/20, Lifepo4 105+135Ah 
2. JZ 8 kWp sklon 15st.solárni přístřešek stř. krytina 18x JA Solar Bifacial , 2x Multiplus 5000, 2x MPPT Victron 150/85, vyhřívaný bat.box 16x Lifepo4 LF304Ah JKBMS 200A V15, Cerbo GX, SmartShunt 300A
2. JZ 8 kWp sklon 15st.solárni přístřešek stř. krytina 18x JA Solar Bifacial , 2x Multiplus 5000, 2x MPPT Victron 150/85, vyhřívaný bat.box 16x Lifepo4 LF304Ah JKBMS 200A V15, Cerbo GX, SmartShunt 300A
- leoshavla
- Příspěvky: 539
- Registrován: stř bře 23, 2022 7:43 am
- Reputace:76
Re: Leoshavla FVE
Není to moc učesaný, ale funguje to.
V dnešní době PLC je to mnohem jednodušší
než dřív přes časové relé 
V dnešní době PLC je to mnohem jednodušší
1. Jih 300Wp, J-Z otočný 300Wp, 12V Carspa 1500W, 2x MPPT Victron 100/20, Lifepo4 105+135Ah 
2. JZ 8 kWp sklon 15st.solárni přístřešek stř. krytina 18x JA Solar Bifacial , 2x Multiplus 5000, 2x MPPT Victron 150/85, vyhřívaný bat.box 16x Lifepo4 LF304Ah JKBMS 200A V15, Cerbo GX, SmartShunt 300A
2. JZ 8 kWp sklon 15st.solárni přístřešek stř. krytina 18x JA Solar Bifacial , 2x Multiplus 5000, 2x MPPT Victron 150/85, vyhřívaný bat.box 16x Lifepo4 LF304Ah JKBMS 200A V15, Cerbo GX, SmartShunt 300A
- leoshavla
- Příspěvky: 539
- Registrován: stř bře 23, 2022 7:43 am
- Reputace:76
Re: Leoshavla FVE
Tvl. ty alarmy to je duchařina 
Nějak to Victronu nechodí, jednou to přišlo a podruhé už nic.
Nějak to Victronu nechodí, jednou to přišlo a podruhé už nic.
1. Jih 300Wp, J-Z otočný 300Wp, 12V Carspa 1500W, 2x MPPT Victron 100/20, Lifepo4 105+135Ah 
2. JZ 8 kWp sklon 15st.solárni přístřešek stř. krytina 18x JA Solar Bifacial , 2x Multiplus 5000, 2x MPPT Victron 150/85, vyhřívaný bat.box 16x Lifepo4 LF304Ah JKBMS 200A V15, Cerbo GX, SmartShunt 300A
2. JZ 8 kWp sklon 15st.solárni přístřešek stř. krytina 18x JA Solar Bifacial , 2x Multiplus 5000, 2x MPPT Victron 150/85, vyhřívaný bat.box 16x Lifepo4 LF304Ah JKBMS 200A V15, Cerbo GX, SmartShunt 300A
- Dagus
- Příspěvky: 2197
- Registrován: ned úno 17, 2019 9:07 pm
- Reputace:227
- Lokalita: Liberec
- Systémové napětí: 48V
- Výkon panelů [Wp]: 7820
- Kapacita baterie [kWh]: 32
- Chci prodávat energii: NE
- Chci/Mám dotaci: NE
Re: Leoshavla FVE
Mě to chodí v pořádku, není někde problém? Máš to opravdu kontakt, není to nejaky dry contact přes polovodič?
7820Wp, SV 12° 1710Wp Poly, J 90° 1820Wp Mono, JZ 12° 1680Wp Poly, JZ2 12° 1800Wp Mono, J 40° 810Wp Hyundai
MP2 5000VA, MPPT1 150/60tr, MPPT2 150/60tr, 16.8kWh 17S 310Ah AKU1, 15.2kWh 17S 280Ah AKU 2, 2xJK-BMS
MP2 5000VA, MPPT1 150/60tr, MPPT2 150/60tr, 16.8kWh 17S 310Ah AKU1, 15.2kWh 17S 280Ah AKU 2, 2xJK-BMS
- leoshavla
- Příspěvky: 539
- Registrován: stř bře 23, 2022 7:43 am
- Reputace:76
Re: Leoshavla FVE
Zatím to jen testuju, klemuju přímo dig. vstup.
Ve VRM alarmy nastavím číslo dig. vstupu k tomu přiřadím alarm, teď tam mám na zkoušku Alarm CO2.
Poprvé to přišlo a pak už nic.
Když to proklemuju tak ze zobrazí OK dle foto výše, ale nic nepřijde
Ve VRM alarmy nastavím číslo dig. vstupu k tomu přiřadím alarm, teď tam mám na zkoušku Alarm CO2.
Poprvé to přišlo a pak už nic.
Když to proklemuju tak ze zobrazí OK dle foto výše, ale nic nepřijde
1. Jih 300Wp, J-Z otočný 300Wp, 12V Carspa 1500W, 2x MPPT Victron 100/20, Lifepo4 105+135Ah 
2. JZ 8 kWp sklon 15st.solárni přístřešek stř. krytina 18x JA Solar Bifacial , 2x Multiplus 5000, 2x MPPT Victron 150/85, vyhřívaný bat.box 16x Lifepo4 LF304Ah JKBMS 200A V15, Cerbo GX, SmartShunt 300A
2. JZ 8 kWp sklon 15st.solárni přístřešek stř. krytina 18x JA Solar Bifacial , 2x Multiplus 5000, 2x MPPT Victron 150/85, vyhřívaný bat.box 16x Lifepo4 LF304Ah JKBMS 200A V15, Cerbo GX, SmartShunt 300A
Kdo je online
Uživatelé procházející toto fórum: CC [Bot]
