Návrh poloostrovnej FVE pre začínajúceho nadšenca do FVE

Souhrn tématu

Téma se věnuje návrhu poloostrovní fotovoltaické elektrárny (FVE) pro začínajícího nadšence, který plánuje instalaci na střechu garáže. Diskutuje se o parametrech systému, jako je výkon panelů, typ střídače a kapacita baterie, s důrazem na bezpečnost a možnost manuálního přepínání mezi FVE a distribuční sítí. Uživatel hledá rady ohledně správného zapojení, revize a bezpečnostních opatření, aby zajistil spolehlivý a efektivní provoz.
Uživatelský avatar
Ghost86
Příspěvky: 55
Registrován: úte led 06, 2026 3:38 pm
Reputace: 0
Lokalita: SK - Kysuce
Chci prodávat energii: NE
Chci/Mám dotaci: NE

Re: Návrh poloostrovnej FVE pre začínajúceho nadšenca do FVE

Nový příspěvek od Ghost86 »

Chlapi, este raz sa teda spytam: ked prepnem takuto siet(4P prepinacom Hager) do Offgridu (cize odpojim grid z DEYE), musim prepojit N a PE za menicom (bonding), alebo nie?
SCR-20260207-irkz.png
Migel
Příspěvky: 1726
Registrován: ned zář 25, 2022 10:47 am
Reputace: 279
Lokalita: Pod Karpatmi

Re: Návrh poloostrovnej FVE pre začínajúceho nadšenca do FVE

Nový příspěvek od Migel »

A co teda chces?
Chces prepinat N ked budes v Offgride a neprepinat N ked budes v Ongride?Ci ako tomu mame rozumiet?.
S predoslych sprav co som cital som tomu aspom tak pochopil..
JZ-2s5p 3,8kWp >> Epever 8415 AN
JV-2s3p 2,7kWp >> Epever 6415 AN
2x Victron MP2 5000V/A paralelne
48V 760Ah/35kWh Li-ion
a stále v štádiu budovania :repair: (rozširovania)
PetrDubi
Příspěvky: 1840
Registrován: úte říj 12, 2021 10:43 am
Reputace: 322
Lokalita: Blízko Ústí nad Labem
Systémové napětí: 48V
Výkon panelů [Wp]: 10790
Kapacita baterie [kWh]: 13
Chci prodávat energii: NE
Chci/Mám dotaci: NE

Re: Návrh poloostrovnej FVE pre začínajúceho nadšenca do FVE

Nový příspěvek od PetrDubi »

Podle distributora ano, podle fyziky ne - N je i po odpojení spojené s PE a PE je připojené na zemnění, takže přes zemékouli je propojené PE u domu s PE u sítě a tím jsou propojené i N. Pokud je správně udělané zemnění domu i sítě, tak bude rozdíl mezi nima maximálně v ohmech a nějaké přepojování nebude mít vliv..
mobilní elektrárna 3x Uni-solar PVL-68 a Victron 75/15 MPPT
doma 3280 Wp JV, 3810 Wp JZ, 3690 Wp SZ, Easun SMW 8k (rebrandovaný MAX 8 kW), aku 13kWh 16s LiFePO4
Uživatelský avatar
Ghost86
Příspěvky: 55
Registrován: úte led 06, 2026 3:38 pm
Reputace: 0
Lokalita: SK - Kysuce
Chci prodávat energii: NE
Chci/Mám dotaci: NE

Re: Návrh poloostrovnej FVE pre začínajúceho nadšenca do FVE

Nový příspěvek od Ghost86 »

Petr: Vdaka, toto dava logiku. Ved koniec koncov, da sa to odskusat ked sa to zapoji ci vsetko spravne funguje (RCD).

Migel: Podla vsetkeho budem pouzivat len 4P prepinace, kde budu prepinat aj fazu aj N. Samozrejme, ak budem mat DEYE a budem v hybridnom rezime (tj schvalene nejake prietoky), tak potom budu prepinace HAger prepnute na FVE, ale deye bude napojeny na DS z RE.
Ak by som mal EASUN (to sa uvidi tento tyzden, aku cenu dostanem na DEYE), situacia bude asi podobna (aj ked tu mozno budem pouzivat len nabijacku na Lifepo a odpojim sa z gridu)
rva
Příspěvky: 4705
Registrován: úte dub 23, 2013 10:21 am
Reputace: 904
Lokalita: Kousek od Lysé nad Labem
Systémové napětí: 48V
Výkon panelů [Wp]: 46000
Kapacita baterie [kWh]: 40
Chci prodávat energii: NE
Chci/Mám dotaci: NE
Bydliště: Kousek od Lysé nad Labem

Re: Návrh poloostrovnej FVE pre začínajúceho nadšenca do FVE

Nový příspěvek od rva »

Pokud se N z nějakého důvodu nepřepojí, nebo přepojí o něco později, bude u 1f spotřebičů v 3f síti docela nebezpečná situace, protože budou spotřebiče jedné fáze se spotřebičemi druhé fáze zapojeny do série na mezifázové napětí.
_______________________________________________________________________
43 kWp, LiFePO4 62 kWh,
EPSolar 60 A/150 V ET6415N + 3x Isolar SM II (5 kW, 450 V, 80 A) + Axpert PIP 5048MS
cipis
Moderátor
Příspěvky: 6737
Registrován: pon srp 16, 2021 9:31 pm
Reputace: 927
Lokalita: blízko Brna
Systémové napětí: 24V
Výkon panelů [Wp]: 13+ kWp
Kapacita baterie [kWh]: 40+26
Chci prodávat energii: NE
Chci/Mám dotaci: NE
Bydliště: blízko Brna

Re: Návrh poloostrovnej FVE pre začínajúceho nadšenca do FVE

Nový příspěvek od cipis »

Ano, přesně tak. Problém není v tom přepínání jako takovém, či jestli chybí jedna půlvlna, ale v tom, co se stane, když se to z nějakého důvodu neprovede vůbec. Upadne kontakt, zlomí se nějaké táhlo atd.

Pokud se chce přepínat N, tak by se muselo přepínat i v elměr rozváděči, když je bod rozdělení tam.

Proto je lepší udělat bod rozdělení až ve finálním rozváděči. Já to tak udělal, na jednotlivé byty a dílnu jde TN-C, a až v koncovém rozváděči konkrétní jednotky dochází k rozdělení.
Tedy zrušit rozdělení na začátku, tahat všude PEN, a až v posledních rozváděčích rozdělit na PE a N.
13,38 kWp: 9850 Wp Jih, 2040 Wp Východ, 1490 Wp Západ
Regulátory Epever a Victron
Phoenix 5 kVA + MP 24/5000 (můj byt + wifi/kamery/atd. + máti byt)
MP2 24/5000 vytěžování do akumulačních kamen
Epever 3kW vytěžování do bojlerů + žebříky
1 kW "nabíječka" 24 V
40+ kWh staré olovo 26+ kWh Li-Ion
několik dalších MP jako záložní zdroje na různých místech
Modře píši jako moderátor, černě jako člen.
Uživatelský avatar
Ghost86
Příspěvky: 55
Registrován: úte led 06, 2026 3:38 pm
Reputace: 0
Lokalita: SK - Kysuce
Chci prodávat energii: NE
Chci/Mám dotaci: NE

Re: Návrh poloostrovnej FVE pre začínajúceho nadšenca do FVE

Nový příspěvek od Ghost86 »

OK chapem to riziko pri prepinani, aj ked to bude asi minimalne riziko pri rucnom 1-0-2 Hager prepinaci, ktory sa casto pouzivat nebude - stale tam to riziko je.

Umela "inteligencia" mi navrhla doplnit toto riesenie (prepinac) este o napatove rele (napr HRN-57N) a stykac, ktory po nejakom case pusti napatie do AC rozvadzaca domu. Cenovo to vychadza asi do 100€ navyse, ale malo by to pomoct pri roznych poruchach ci uz na strane DS, alebo aj na strane invertora.

Dava toto logiku a zmysel? Funguje to v praxi?
Uživatelský avatar
gupa
Příspěvky: 3639
Registrován: sob pro 29, 2012 10:22 pm
Reputace: 168
Lokalita: pod Brnem
Systémové napětí: 24V

Re: Návrh poloostrovnej FVE pre začínajúceho nadšenca do FVE

Nový příspěvek od gupa »

cipis píše: ned úno 08, 2026 2:37 pm
Ano, přesně tak. Problém není v tom přepínání jako takovém, či jestli chybí jedna půlvlna, ale v tom, co se stane, když se to z nějakého důvodu neprovede vůbec. Upadne kontakt, zlomí se nějaké táhlo atd.

Pokud se chce přepínat N, tak by se muselo přepínat i v elměr rozváděči, když je bod rozdělení tam.

Proto je lepší udělat bod rozdělení až ve finálním rozváděči. Já to tak udělal, na jednotlivé byty a dílnu jde TN-C, a až v koncovém rozváděči konkrétní jednotky dochází k rozdělení.
Tedy zrušit rozdělení na začátku, tahat všude PEN, a až v posledních rozváděčích rozdělit na PE a N.
No a neřeší separace PE a N na kraji přípojky potenciál PENu? Když se naktereslí třeba 30m PENu a na prvním metru je separace a za dalším meterem jde přes N do rozdělení třebas 20A a na konci těch třiceti metrů to samé, jak je natom samotný PE v různých bodech. Nebo jak na sloupech? PEN si uzemníš přes tyč do země před každým rozdělení?

Nevím jak to řeší v paneláku o 8sni patrech, vedou určitě od země jen PEN nebo je nějaké pospojení s armaturou panelů v každém patře?
3x2000VA-VMP-par, NiCd 24V, 22x210-320Wp, 2x85A-VMPPT, ABC-&-XYZ mypower.cz Ať ti to běží jako hodinky na baterku s čerstvou expirací! Zdejší slova: To by bylo, abychom na tom šetření nevydělali!
ElektroEzs
Příspěvky: 2754
Registrován: stř zář 21, 2022 10:03 am
Reputace: 93
Lokalita: okolí Teplic
Systémové napětí: 48V
Výkon panelů [Wp]: 8340
Kapacita baterie [kWh]: 14,4
Chci prodávat energii: NE
Chci/Mám dotaci: NE

Re: Návrh poloostrovnej FVE pre začínajúceho nadšenca do FVE

Nový příspěvek od ElektroEzs »

Ghost86 píše: ned úno 08, 2026 2:58 pm
OK chapem to riziko pri prepinani, aj ked to bude asi minimalne riziko pri rucnom 1-0-2 Hager prepinaci, ktory sa casto pouzivat nebude - stale tam to riziko je.

Umela "inteligencia" mi navrhla doplnit toto riesenie (prepinac) este o napatove rele (napr HRN-57N) a stykac, ktory po nejakom case pusti napatie do AC rozvadzaca domu. Cenovo to vychadza asi do 100€ navyse, ale malo by to pomoct pri roznych poruchach ci uz na strane DS, alebo aj na strane invertora.

Dava toto logiku a zmysel? Funguje to v praxi?
Popripade jsem sem daval schema prepinace pomoci stykacu a zapadek kdy je to automaticke a zaroven lze diky zapadkam ovladat rucne. Pokud by zustal speceny kontakt mechanicke blokovani nedovoli sepnout druhy stykac. Popripade tady je manualni prepinac siti kde je taky mechanicke blokovani https://www.emas.cz/ot80f3c?srsltid=Afm ... 3IIle0K-7o delaji se k tomu tomu pomocne kontakty pro N ktere sepnou s predstihem a odepnou se zpozdenim. Pouzivam ho take pro odstaveni FVE.
1: JZ 5460 Wp Ja Solar, JV 960 Wp Leapton, SV 1920 Wp Leapton, MPPT 250/100, MPPT 150/35, MPPT 150/45, 2x parallel Multiplus 2 5000VA, Cerbo GX + touch LCD, 16 x EVE 280Ah LiFePO4 + JK BMS 200A + SmartShunt 500A

2: JZ 3600 Wp Canadian Solar, V 1800 Wp Canadian Solar, MPPT 150/70, MPPT 150/35, Multiplus 2 5000VA, Cerbo GX + touch LCD, 16 x EVE 280Ah LiFePO4 + JK BMS 200A + BMV700
ACDC
Příspěvky: 636
Registrován: pon kvě 09, 2022 8:31 am
Reputace: 9
Lokalita: Litomyšlsko
Systémové napětí: 48V
Výkon panelů [Wp]: 5,600
Kapacita baterie [kWh]: 14,4
Chci prodávat energii: NE
Chci/Mám dotaci: NE

Re: Návrh poloostrovnej FVE pre začínajúceho nadšenca do FVE

Nový příspěvek od ACDC »

N prostě nikdy nepřepínat, běžet v TN-C. Jasné, jednoduché, elektricky blbuvzdorné. Měl jsem přívod do FTV TN-S a předělal ho zpět na C.
5,6kW , RESACS, EPEVER, Pb-C 14,4kW
Teorie=vše víme ale nic nefunguje
Praxe=vše funguje a nevíme proč
Teorie spojena s praxí=nic nefunguje a nikdo neví proč
rva
Příspěvky: 4705
Registrován: úte dub 23, 2013 10:21 am
Reputace: 904
Lokalita: Kousek od Lysé nad Labem
Systémové napětí: 48V
Výkon panelů [Wp]: 46000
Kapacita baterie [kWh]: 40
Chci prodávat energii: NE
Chci/Mám dotaci: NE
Bydliště: Kousek od Lysé nad Labem

Re: Návrh poloostrovnej FVE pre začínajúceho nadšenca do FVE

Nový příspěvek od rva »

Jo jo, přepínat N je risk a žádný zisk.
_______________________________________________________________________
43 kWp, LiFePO4 62 kWh,
EPSolar 60 A/150 V ET6415N + 3x Isolar SM II (5 kW, 450 V, 80 A) + Axpert PIP 5048MS
Migel
Příspěvky: 1726
Registrován: ned zář 25, 2022 10:47 am
Reputace: 279
Lokalita: Pod Karpatmi

Re: Návrh poloostrovnej FVE pre začínajúceho nadšenca do FVE

Nový příspěvek od Migel »

Je to take iste riziko ako skladana bateria niekde v dome...
JZ-2s5p 3,8kWp >> Epever 8415 AN
JV-2s3p 2,7kWp >> Epever 6415 AN
2x Victron MP2 5000V/A paralelne
48V 760Ah/35kWh Li-ion
a stále v štádiu budovania :repair: (rozširovania)
ElektroEzs
Příspěvky: 2754
Registrován: stř zář 21, 2022 10:03 am
Reputace: 93
Lokalita: okolí Teplic
Systémové napětí: 48V
Výkon panelů [Wp]: 8340
Kapacita baterie [kWh]: 14,4
Chci prodávat energii: NE
Chci/Mám dotaci: NE

Re: Návrh poloostrovnej FVE pre začínajúceho nadšenca do FVE

Nový příspěvek od ElektroEzs »

Tak myslim ze to je uplne jedno jestli skladana nebo origo baterie😂Skodu napachaji obe kdyz se neco pos…😂
1: JZ 5460 Wp Ja Solar, JV 960 Wp Leapton, SV 1920 Wp Leapton, MPPT 250/100, MPPT 150/35, MPPT 150/45, 2x parallel Multiplus 2 5000VA, Cerbo GX + touch LCD, 16 x EVE 280Ah LiFePO4 + JK BMS 200A + SmartShunt 500A

2: JZ 3600 Wp Canadian Solar, V 1800 Wp Canadian Solar, MPPT 150/70, MPPT 150/35, Multiplus 2 5000VA, Cerbo GX + touch LCD, 16 x EVE 280Ah LiFePO4 + JK BMS 200A + BMV700
rva
Příspěvky: 4705
Registrován: úte dub 23, 2013 10:21 am
Reputace: 904
Lokalita: Kousek od Lysé nad Labem
Systémové napětí: 48V
Výkon panelů [Wp]: 46000
Kapacita baterie [kWh]: 40
Chci prodávat energii: NE
Chci/Mám dotaci: NE
Bydliště: Kousek od Lysé nad Labem

Re: Návrh poloostrovnej FVE pre začínajúceho nadšenca do FVE

Nový příspěvek od rva »

Tady jde ale o to, proč si komplikovat život přepínáním N a zbytečně tak zvyšovat riziko zničení elektrospotřebičů, když tím nezískám vůbec nic pozitivního.
_______________________________________________________________________
43 kWp, LiFePO4 62 kWh,
EPSolar 60 A/150 V ET6415N + 3x Isolar SM II (5 kW, 450 V, 80 A) + Axpert PIP 5048MS
Migel
Příspěvky: 1726
Registrován: ned zář 25, 2022 10:47 am
Reputace: 279
Lokalita: Pod Karpatmi

Re: Návrh poloostrovnej FVE pre začínajúceho nadšenca do FVE

Nový příspěvek od Migel »

Ale tu nejde o to,ze ci to chce alebo nie.Ale o to, co mu na to distributor a revizak povie.Tu sme neni v CZ ale na SK je to tak ze "iny kraj, iny mrav" a to do slova.
JZ-2s5p 3,8kWp >> Epever 8415 AN
JV-2s3p 2,7kWp >> Epever 6415 AN
2x Victron MP2 5000V/A paralelne
48V 760Ah/35kWh Li-ion
a stále v štádiu budovania :repair: (rozširovania)
Diablo1st
Příspěvky: 2212
Registrován: pon lis 01, 2021 7:41 pm
Reputace: 209
Lokalita: MY, SR
Výkon panelů [Wp]: 10200
Kapacita baterie [kWh]: 28
Bydliště: SR MY

Re: Návrh poloostrovnej FVE pre začínajúceho nadšenca do FVE

Nový příspěvek od Diablo1st »

Distribútor s týmto nič nemá, všetko je na revizákovi. Fyzicky ti nikto z distribúcie do domu nepôjde, max. po elektromer.
Victron ESS AC Coupling:
2,75kWp on-grid + 3,3kWp a 4,15kWp RS450/100 + MP2 5kVA + 2x 17x280Ah + JK BMS
Diablo1st
Příspěvky: 2212
Registrován: pon lis 01, 2021 7:41 pm
Reputace: 209
Lokalita: MY, SR
Výkon panelů [Wp]: 10200
Kapacita baterie [kWh]: 28
Bydliště: SR MY

Re: Návrh poloostrovnej FVE pre začínajúceho nadšenca do FVE

Nový příspěvek od Diablo1st »

ACDC píše: ned úno 08, 2026 6:22 pm
N prostě nikdy nepřepínat, běžet v TN-C. Jasné, jednoduché, elektricky blbuvzdorné. Měl jsem přívod do FTV TN-S a předělal ho zpět na C.
Toto si v SR neviem dosť dobre predstaviť, lebo u ZSDis (západné Slovensko) sa robí bod rozdelenia v RE, takže od elektromera už máš TN-S.
Victron ESS AC Coupling:
2,75kWp on-grid + 3,3kWp a 4,15kWp RS450/100 + MP2 5kVA + 2x 17x280Ah + JK BMS
Mex
Příspěvky: 1783
Registrován: pát zář 29, 2023 4:12 am
Reputace: 327
Lokalita: Brno
Systémové napětí: >48V

Re: Návrh poloostrovnej FVE pre začínajúceho nadšenca do FVE

Nový příspěvek od Mex »

A čemu by mělo vadit to rozdělení na TN-S hned za elektroměrem?
A k čemu by mělo být dobré předělat TN-S na TN-C? K ušetření jednoho drátu?

Oba ty dráty, N i PE, vedou stejný potenciál, potenciál země.
Rozdíl je mezi nimi jen v tom, že drát PE nevede za běžných okolností žádný proud, ten je tam případně jen v poruchovém stavu.
Proto na PE nevzniká úbytek napětí. Na rozdíl od N, kde za provozu vzniká.
Klidně můžu ty dráty, rozdělené už někde na sloupku na hranici pozemku, pak přitáhnout na měnič.
Jde jen o to, aby případné proudové chrániče byly až za měničem.

Za mě: N nikdy (opakuji: nikdy) v běžných instalacích nepřepínat.
Pěkně pořádně utáhnout pod šroubek.
N je extrémně důležitý drát, navíc je to často ten nejzatíženější vodič.
Tak ho zcela zbytečně přepínat (a tím snižovat jeho spolehlivost) podle mě není vůbec dobrý nápad.
Uživatelský avatar
Ghost86
Příspěvky: 55
Registrován: úte led 06, 2026 3:38 pm
Reputace: 0
Lokalita: SK - Kysuce
Chci prodávat energii: NE
Chci/Mám dotaci: NE

Re: Návrh poloostrovnej FVE pre začínajúceho nadšenca do FVE

Nový příspěvek od Ghost86 »

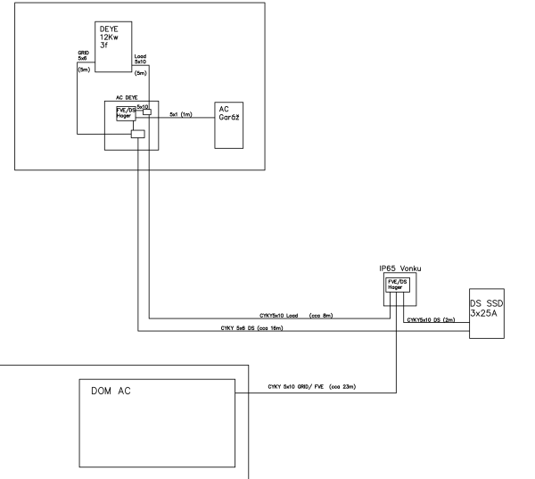
OK cize, keby som aj pouzil 4P hager (napr na reviziu?) a potom neskor nim prepinal len vsetky tri fazy: vsetko by mi fungovalo spravne (napr RCD) a bolo by to aj bezpecnejsie ? Aj v pripade, ze pojdem cisto na ostrov, alebo hybrid?
Ak ano, takto to spravim, necham si poradit :D

Este raz davam schemu ak to dnes niekto vidi prvy krat.
SCR-20260207-irkz.png

Kdo je online

Uživatelé prohlížející si toto fórum: Claudebot [Bot], Ghost86 a 1 host