Stavba FVE - 2x strig 4 400Wp

Uživatelský avatar
GHLL
Příspěvky: 147
Registrován: úte pro 17, 2024 8:41 am
Reputace: 52
Lokalita: Kroměříž
Systémové napětí: 48V
Výkon panelů [Wp]: 13 300
Kapacita baterie [kWh]: 14
Chci prodávat energii: NE
Chci/Mám dotaci: NE

Re: Stavba FVE - 2x strig 4 400Wp

Nový příspěvek od GHLL »

Jjj půjdou každý zvlášť v sólo chráničce...
::pv:: PV_1 Východ 4 400Wp *batt* Baterie 48V - 280Ah > 14kWh - JK BMS 200A - Smartshunt - Homeassistant
::pv:: PV_2 Západ 4 400Wp - Kombiměnič: Voltronic 11kW
::pv:: PV_3 Jih plot 4 500Wp - Victron 150/85-Tr
cipis
Moderátor
Příspěvky: 6355
Registrován: pon srp 16, 2021 9:31 pm
Reputace: 863
Lokalita: blízko Brna
Systémové napětí: 24V
Výkon panelů [Wp]: 13+ kWp
Kapacita baterie [kWh]: 40+15
Chci prodávat energii: NE
Chci/Mám dotaci: NE
Bydliště: blízko Brna

Re: Stavba FVE - 2x strig 4 400Wp

Nový příspěvek od cipis »

Podle Migela možná jo, ale podle normy ne. Musí být dvojitá izolace.

Navíc tam máš víc jak 120 V, tedy to musí být celoplechová chránička.
Tedy jako vedení v plechu. Samostatný plus nebo samostatný mínus nemusí být v plechu.

Tj. natáhnout dvakrát koposku a počkat, až bude kabel k dispozici a pak ho tam zatáhnout.
13,38 kWp: 9850 Wp Jih, 2040 Wp Východ, 1490 Wp Západ
Regulátory Epever a Victron
Phoenix 5 kVA + MP 24/5000 (můj byt + wifi/kamery/atd. + máti byt)
MP2 24/5000 vytěžování do akumulačních kamen
Epever 3kW vytěžování do bojlerů + žebříky
1 kW "nabíječka" 24 V
40 680 Wh staré olovo 15 258 Wh Li-Ion
záloha čerpadla ve sklepě MP12/3000/120-16 + 100Ah 12V monbat
Modře píši jako moderátor, černě jako člen.
Migel
Příspěvky: 1640
Registrován: ned zář 25, 2022 10:47 am
Reputace: 245
Lokalita: Pod Karpatmi

Re: Stavba FVE - 2x strig 4 400Wp

Nový příspěvek od Migel »

Kabel ma svoju izolaciu a bude v zvlast chranicke cize to je dvojita izolacia.Plus to bude v zemi samostatne plus aj minus, tak vobec by som z toho nerobil take halo..
Ja viem ze norma je norma ale ruku na srdce, a to ze 80% tunajsich vytvorov by nam nikdy neschvalili...😉
JZ-2s5p 3,8kWp >> Epever 8415 AN
JV-2s3p 2,7kWp >> Epever 6415 AN
2x Victron MP2 5000V/A paralelne
48V 760Ah/35kWh Li-ion
a stále v štádiu budovania :repair: (rozširovania)
cipis
Moderátor
Příspěvky: 6355
Registrován: pon srp 16, 2021 9:31 pm
Reputace: 863
Lokalita: blízko Brna
Systémové napětí: 24V
Výkon panelů [Wp]: 13+ kWp
Kapacita baterie [kWh]: 40+15
Chci prodávat energii: NE
Chci/Mám dotaci: NE
Bydliště: blízko Brna

Re: Stavba FVE - 2x strig 4 400Wp

Nový příspěvek od cipis »

Ne, není to dvojitá izolace. Dvojitá izolace musí být na vodiči, ne jako úložný prostor.
Chránička je mechanická izolace, ne elektrická.

Kolega se ptal, jestli je to ok, tedy uvádím, že dle normy to ok není.
13,38 kWp: 9850 Wp Jih, 2040 Wp Východ, 1490 Wp Západ
Regulátory Epever a Victron
Phoenix 5 kVA + MP 24/5000 (můj byt + wifi/kamery/atd. + máti byt)
MP2 24/5000 vytěžování do akumulačních kamen
Epever 3kW vytěžování do bojlerů + žebříky
1 kW "nabíječka" 24 V
40 680 Wh staré olovo 15 258 Wh Li-Ion
záloha čerpadla ve sklepě MP12/3000/120-16 + 100Ah 12V monbat
Modře píši jako moderátor, černě jako člen.
unicast
Příspěvky: 2102
Registrován: sob bře 30, 2019 10:27 am
Reputace: 374
Lokalita: JV od pekla :)
Systémové napětí: 48V
Výkon panelů [Wp]: 5100
Kapacita baterie [kWh]: 33
Chci/Mám dotaci: NE

Re: Stavba FVE - 2x strig 4 400Wp

Nový příspěvek od unicast »

Nicméně lze použít smršťovačku v celé délce kabelu, s překrytím jednotlivých segmentů té smršťovačky.
Uživatelský avatar
GHLL
Příspěvky: 147
Registrován: úte pro 17, 2024 8:41 am
Reputace: 52
Lokalita: Kroměříž
Systémové napětí: 48V
Výkon panelů [Wp]: 13 300
Kapacita baterie [kWh]: 14
Chci prodávat energii: NE
Chci/Mám dotaci: NE

Re: Stavba FVE - 2x strig 4 400Wp

Nový příspěvek od GHLL »

cipis píše: stř říj 22, 2025 4:55 pm
Podle Migela možná jo, ale podle normy ne. Musí být dvojitá izolace.

Navíc tam máš víc jak 120 V, tedy to musí být celoplechová chránička.
Tedy jako vedení v plechu. Samostatný plus nebo samostatný mínus nemusí být v plechu.

Tj. natáhnout dvakrát koposku a počkat, až bude kabel k dispozici a pak ho tam zatáhnout.
Už se to tu psalo, ale pokusím se to shrnou ať mám jasno :sm1:
Pokud je víc jak 120V (přepokládám že se jedná o max. napětí Voc) tak tam kde se potká + a - musí být oceloplechová chránička nebo + a - táhnout zvlášť a to už může být plastová chránička? A platí to na střeše na půdě i v zemi?
::pv:: PV_1 Východ 4 400Wp *batt* Baterie 48V - 280Ah > 14kWh - JK BMS 200A - Smartshunt - Homeassistant
::pv:: PV_2 Západ 4 400Wp - Kombiměnič: Voltronic 11kW
::pv:: PV_3 Jih plot 4 500Wp - Victron 150/85-Tr
cipis
Moderátor
Příspěvky: 6355
Registrován: pon srp 16, 2021 9:31 pm
Reputace: 863
Lokalita: blízko Brna
Systémové napětí: 24V
Výkon panelů [Wp]: 13+ kWp
Kapacita baterie [kWh]: 40+15
Chci prodávat energii: NE
Chci/Mám dotaci: NE
Bydliště: blízko Brna

Re: Stavba FVE - 2x strig 4 400Wp

Nový příspěvek od cipis »

Toto vedeni je samostatny pozarni usek. Tj. musi byt stavebne oddelen. Tak nejak se predpokladalo, ze to bude na strese (proto plech), pripadne vevnitr (zasekany krk ve zdi), prostupy skrz konstrukce pozarne uzavrene. Asi u toho nikdo nepredpokladal vedeni v zemi. Nicmene i tak by se to na to melo aplikovat. Pokud davas vedeni ci samostatny vodic do zeme, tak samozrejme si ho das do chranicky a take patricne desitky centimetru do zeme. Pod travnikem je to tusim min. 60 cm? Uz si to z hlavy nepamatuji.
O dvou trasach jsem mluvil v souvislosti s tim, ze se to predepisuje pri vedeni, coz jsou dva vodice vedle sebe. Ale kdyz mas plot, tak plus z jednoho konce plotu a minus z druheho konce plotu a sejde se ti to az vevnitr, tak to tahnes vodicem s dvojitou izolaci, v chranicce patricne decimetry pod zemi, a sejde se ti to az v pruchodu zdi, odkud natahnes uz plechovy zlab k reglum. Pruchod zdi zaplnis pozarnim tmelem, penou ci jinou pozarni ucpavkou.
V pripade napeti mensi nez 120 V ti akorat odpada ten plechovy zlab, muze byt jakykoliv.
13,38 kWp: 9850 Wp Jih, 2040 Wp Východ, 1490 Wp Západ
Regulátory Epever a Victron
Phoenix 5 kVA + MP 24/5000 (můj byt + wifi/kamery/atd. + máti byt)
MP2 24/5000 vytěžování do akumulačních kamen
Epever 3kW vytěžování do bojlerů + žebříky
1 kW "nabíječka" 24 V
40 680 Wh staré olovo 15 258 Wh Li-Ion
záloha čerpadla ve sklepě MP12/3000/120-16 + 100Ah 12V monbat
Modře píši jako moderátor, černě jako člen.
Migel
Příspěvky: 1640
Registrován: ned zář 25, 2022 10:47 am
Reputace: 245
Lokalita: Pod Karpatmi

Re: Stavba FVE - 2x strig 4 400Wp

Nový příspěvek od Migel »

"V pripade napetimmensi nez 12 V ti akorat odpada ten plechovy zlab, muze byt jakykoliv."
Asi si chcel napisat 120V
JZ-2s5p 3,8kWp >> Epever 8415 AN
JV-2s3p 2,7kWp >> Epever 6415 AN
2x Victron MP2 5000V/A paralelne
48V 760Ah/35kWh Li-ion
a stále v štádiu budovania :repair: (rozširovania)
cipis
Moderátor
Příspěvky: 6355
Registrován: pon srp 16, 2021 9:31 pm
Reputace: 863
Lokalita: blízko Brna
Systémové napětí: 24V
Výkon panelů [Wp]: 13+ kWp
Kapacita baterie [kWh]: 40+15
Chci prodávat energii: NE
Chci/Mám dotaci: NE
Bydliště: blízko Brna

Re: Stavba FVE - 2x strig 4 400Wp

Nový příspěvek od cipis »

Ano, opraveno.
13,38 kWp: 9850 Wp Jih, 2040 Wp Východ, 1490 Wp Západ
Regulátory Epever a Victron
Phoenix 5 kVA + MP 24/5000 (můj byt + wifi/kamery/atd. + máti byt)
MP2 24/5000 vytěžování do akumulačních kamen
Epever 3kW vytěžování do bojlerů + žebříky
1 kW "nabíječka" 24 V
40 680 Wh staré olovo 15 258 Wh Li-Ion
záloha čerpadla ve sklepě MP12/3000/120-16 + 100Ah 12V monbat
Modře píši jako moderátor, černě jako člen.
Uživatelský avatar
GHLL
Příspěvky: 147
Registrován: úte pro 17, 2024 8:41 am
Reputace: 52
Lokalita: Kroměříž
Systémové napětí: 48V
Výkon panelů [Wp]: 13 300
Kapacita baterie [kWh]: 14
Chci prodávat energii: NE
Chci/Mám dotaci: NE

Re: Stavba FVE - 2x strig 4 400Wp

Nový příspěvek od GHLL »

A jak by se mělo řešit uzemnění a svodiče přepětí u toho plotu?
Před regulátor u DC jističe dám SVODIČ SLP-PV170 V/U, TYP2, 2X15KA, 170VDC
Panely na plotu uzemnit? Například zemnícím drátem FeZn 10, který zakončím v zemi zemnící tyčí...
A pokud panely uzemním je potřeba k nim venku ještě přidat T1 svodič?
::pv:: PV_1 Východ 4 400Wp *batt* Baterie 48V - 280Ah > 14kWh - JK BMS 200A - Smartshunt - Homeassistant
::pv:: PV_2 Západ 4 400Wp - Kombiměnič: Voltronic 11kW
::pv:: PV_3 Jih plot 4 500Wp - Victron 150/85-Tr
cipis
Moderátor
Příspěvky: 6355
Registrován: pon srp 16, 2021 9:31 pm
Reputace: 863
Lokalita: blízko Brna
Systémové napětí: 24V
Výkon panelů [Wp]: 13+ kWp
Kapacita baterie [kWh]: 40+15
Chci prodávat energii: NE
Chci/Mám dotaci: NE
Bydliště: blízko Brna

Re: Stavba FVE - 2x strig 4 400Wp

Nový příspěvek od cipis »

Uvádí se, pokud je svod delší 10m, tak máš mít přímo u panelů jedničky.
To ostatní nevím, tuhle něco psali kolegové v jiném vlákně, že je to zase jinak, přísněji, ale to bylo myslím u plechové střechy. Tady máš plot a tyčky v zemi ...
13,38 kWp: 9850 Wp Jih, 2040 Wp Východ, 1490 Wp Západ
Regulátory Epever a Victron
Phoenix 5 kVA + MP 24/5000 (můj byt + wifi/kamery/atd. + máti byt)
MP2 24/5000 vytěžování do akumulačních kamen
Epever 3kW vytěžování do bojlerů + žebříky
1 kW "nabíječka" 24 V
40 680 Wh staré olovo 15 258 Wh Li-Ion
záloha čerpadla ve sklepě MP12/3000/120-16 + 100Ah 12V monbat
Modře píši jako moderátor, černě jako člen.
Uživatelský avatar
GHLL
Příspěvky: 147
Registrován: úte pro 17, 2024 8:41 am
Reputace: 52
Lokalita: Kroměříž
Systémové napětí: 48V
Výkon panelů [Wp]: 13 300
Kapacita baterie [kWh]: 14
Chci prodávat energii: NE
Chci/Mám dotaci: NE

Re: Stavba FVE - 2x strig 4 400Wp

Nový příspěvek od GHLL »

Plot se povedl :celebrate4:
Panely_JIH_plot.jpg
Bohužel je zataženo takže se jede jen na rozptýlené světlo :sm1: čekal sem že to na tu rozptylku pojede teda líp...
3 PV.jpg
3 PV.jpg (22.56 KiB) Zobrazeno 556 x
::pv:: PV_1 Východ 4 400Wp *batt* Baterie 48V - 280Ah > 14kWh - JK BMS 200A - Smartshunt - Homeassistant
::pv:: PV_2 Západ 4 400Wp - Kombiměnič: Voltronic 11kW
::pv:: PV_3 Jih plot 4 500Wp - Victron 150/85-Tr
Franta2776
Příspěvky: 4855
Registrován: pon úno 01, 2021 4:00 pm
Reputace: 418

Re: Stavba FVE - 2x strig 4 400Wp

Nový příspěvek od Franta2776 »

No a kterým směrem ten plot je???
18190Wp=13500Wp jihovýchod 27x500Wp, 4690Wpjihozápad Leapton 14x335Wp, cca 8000W 90ks vakuové trubice jihozápad, Lifepo4 17Sx260Ah, trakční gel 800Ah), Axpert Max 7200VA, Easun Isolar 5500VA,Multiplus 2 48/5000,MPPT 150/85
Pojízdná FV 200Wp=2x100Wp flexibilní+4x280Ah lifepo4+měnič 1500W
Uživatelský avatar
GHLL
Příspěvky: 147
Registrován: úte pro 17, 2024 8:41 am
Reputace: 52
Lokalita: Kroměříž
Systémové napětí: 48V
Výkon panelů [Wp]: 13 300
Kapacita baterie [kWh]: 14
Chci prodávat energii: NE
Chci/Mám dotaci: NE

Re: Stavba FVE - 2x strig 4 400Wp

Nový příspěvek od GHLL »

Směr plotu je na JIh..
::pv:: PV_1 Východ 4 400Wp *batt* Baterie 48V - 280Ah > 14kWh - JK BMS 200A - Smartshunt - Homeassistant
::pv:: PV_2 Západ 4 400Wp - Kombiměnič: Voltronic 11kW
::pv:: PV_3 Jih plot 4 500Wp - Victron 150/85-Tr
Franta2776
Příspěvky: 4855
Registrován: pon úno 01, 2021 4:00 pm
Reputace: 418

Re: Stavba FVE - 2x strig 4 400Wp

Nový příspěvek od Franta2776 »

Tady si můžeš udělat výpočet:
https://re.jrc.ec.europa.eu/pvg_tools/en/#PVP
18190Wp=13500Wp jihovýchod 27x500Wp, 4690Wpjihozápad Leapton 14x335Wp, cca 8000W 90ks vakuové trubice jihozápad, Lifepo4 17Sx260Ah, trakční gel 800Ah), Axpert Max 7200VA, Easun Isolar 5500VA,Multiplus 2 48/5000,MPPT 150/85
Pojízdná FV 200Wp=2x100Wp flexibilní+4x280Ah lifepo4+měnič 1500W
Uživatelský avatar
GHLL
Příspěvky: 147
Registrován: úte pro 17, 2024 8:41 am
Reputace: 52
Lokalita: Kroměříž
Systémové napětí: 48V
Výkon panelů [Wp]: 13 300
Kapacita baterie [kWh]: 14
Chci prodávat energii: NE
Chci/Mám dotaci: NE

Re: Stavba FVE - 2x strig 4 400Wp

Nový příspěvek od GHLL »

Ještě přidávám foto konstrukce na plot, bez těch výztuh, které jsem zhotovil z nerez pásoviny to bylo hodně vachrlaté..
Zed_jih_konstrukce.JPG
Dnešek hodně zataženo, výroba takto:
Východ a západ na střeše 8 800Wp jenom z rozptýleného světla 4,5kWh
A nový plot 4 500Wp udělal 1,5kWh - kdyby ty panely byly otečený nahoru, klidně vodorovně vyrobily by nejspíš víc. Už se nemůžu dočkat až vykoukne *sun*
::pv:: PV_1 Východ 4 400Wp *batt* Baterie 48V - 280Ah > 14kWh - JK BMS 200A - Smartshunt - Homeassistant
::pv:: PV_2 Západ 4 400Wp - Kombiměnič: Voltronic 11kW
::pv:: PV_3 Jih plot 4 500Wp - Victron 150/85-Tr
Uživatelský avatar
GHLL
Příspěvky: 147
Registrován: úte pro 17, 2024 8:41 am
Reputace: 52
Lokalita: Kroměříž
Systémové napětí: 48V
Výkon panelů [Wp]: 13 300
Kapacita baterie [kWh]: 14
Chci prodávat energii: NE
Chci/Mám dotaci: NE

Re: Stavba FVE - 2x strig 4 400Wp

Nový příspěvek od GHLL »

Tak konečně dneska pořádný *sun*
Plot na Jih vyrobil 12,7kWh :celebrate4:, východ a západ 16,8kWh celkem dneska 29,5kWh, bojler napráskanej na 72°C, baterka 100% asi su ščastné ::rolleyes::
Výroba plot JIH dnes
Výroba plot JIH dnes
::pv:: PV_1 Východ 4 400Wp *batt* Baterie 48V - 280Ah > 14kWh - JK BMS 200A - Smartshunt - Homeassistant
::pv:: PV_2 Západ 4 400Wp - Kombiměnič: Voltronic 11kW
::pv:: PV_3 Jih plot 4 500Wp - Victron 150/85-Tr
Franta2776
Příspěvky: 4855
Registrován: pon úno 01, 2021 4:00 pm
Reputace: 418

Re: Stavba FVE - 2x strig 4 400Wp

Nový příspěvek od Franta2776 »

Jà ti říkal, že bude dávat😂😂😂.Ty výpoč̣tový kalkulátory moc nekecají.
Z instalovaných 4500Wp ti to dávalo 3400W to je masakr.
18190Wp=13500Wp jihovýchod 27x500Wp, 4690Wpjihozápad Leapton 14x335Wp, cca 8000W 90ks vakuové trubice jihozápad, Lifepo4 17Sx260Ah, trakční gel 800Ah), Axpert Max 7200VA, Easun Isolar 5500VA,Multiplus 2 48/5000,MPPT 150/85
Pojízdná FV 200Wp=2x100Wp flexibilní+4x280Ah lifepo4+měnič 1500W
Uživatelský avatar
TomHC
Příspěvky: 3209
Registrován: pát lis 11, 2022 8:14 am
Reputace: 633
Lokalita: Hlohovec, SR
Systémové napětí: 48V
Výkon panelů [Wp]: 8820
Kapacita baterie [kWh]: 30
Chci prodávat energii: NE
Chci/Mám dotaci: NE
Bydliště: Hlohovec, SR

Re: Stavba FVE - 2x strig 4 400Wp

Nový příspěvek od TomHC »

Super. Ja už trpím sklonom 25°, v zime o ničom.
2x MUST PH1800 5.5kW, 9kWp V+J+Z, 600 Ah LiFePO4 s BMS JBD 200A, SW: Home Assistant na Synology DS923+ ku tomu ESPHome, Tasmota, MariaDB, InfluxDB, Telegraf, Grafana, Zigbee2MQTT..., HW: ESPlan (ESP32 + LAN 8720 + RS485). Nejaké moje projekty: MUST-ESPhome, ELTEK Flatpack2 ESPhome, ESP32-EMON, PZEM-017@WiFi, diyBMS-CurrentShunt-ESPhome , BMS UART-TS485 adaptér
Uživatelský avatar
GHLL
Příspěvky: 147
Registrován: úte pro 17, 2024 8:41 am
Reputace: 52
Lokalita: Kroměříž
Systémové napětí: 48V
Výkon panelů [Wp]: 13 300
Kapacita baterie [kWh]: 14
Chci prodávat energii: NE
Chci/Mám dotaci: NE

Re: Stavba FVE - 2x strig 4 400Wp

Nový příspěvek od GHLL »

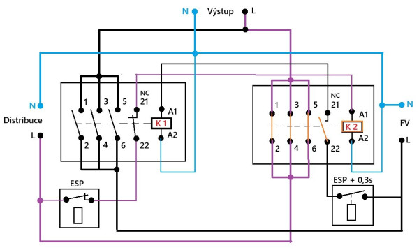
Odešel mi čínskej přepínač ATS, který přepínal kotelnu, stálý odběr cca 150W (když jely čerpadla). Naštěstí jsem byl u toho takže krom smradu a vyhozených jističů - barák po tmě, se nic nepřihodilo. Relé v ATS už pár dní sem tam procvakávalo a nakonec za zvuku jak když střílíš ze samopalu se ucvakalo :hell:.
Takže řeším náhradu.. Přepínat se bude jen jedna fáze 16A. Našel jsem reverzační stykač Noark Ex9CSR06 01 3P 230V - 6A s mechanickým blokováním.
Stykač je na jmenovitý proud: 6A. Pokud ho zapojím tak že zapojím paralelně všechny tři fáze tak zvládne 6A x 3 = 18A. Myslím si to správně?
Prepinani_siti_nakres.jpg
Druhá věc, řízení zpoždění sepnutí přívodu z FV bych řešil přes ESP relé řízeným z HA, je to dobrý nápad, nebo raději dat časové relé?
::pv:: PV_1 Východ 4 400Wp *batt* Baterie 48V - 280Ah > 14kWh - JK BMS 200A - Smartshunt - Homeassistant
::pv:: PV_2 Západ 4 400Wp - Kombiměnič: Voltronic 11kW
::pv:: PV_3 Jih plot 4 500Wp - Victron 150/85-Tr

Kdo je online

Uživatelé prohlížející si toto fórum: Adrianb, Baidu [Spider], Claudebot [Bot], Google Adsense [Bot], leoshavla, Semrush [Bot], soami, Yandex [Bot] a 1 host