Napětí vůči zemi?
Souhrn tématu
Uživatelé řeší problém s napětím vůči zemi u solárního měniče 3 kW typu Axpert, kde mezi nulákem výstupu měniče a zemí naměřili 110 V, což vyvolalo otázky o správném zapojení a bezpečnosti. Diskuze zahrnuje zkušenosti s elektroměry, přetoky energie do sítě a možné příčiny indukce či nesprávného propojení nuláku a země. Uživatelé sdílejí tipy na správné zapojení, význam zemnění a vliv chytrých elektroměrů na měření přetoků v domácí elektrické instalaci.
- soami
- Příspěvky: 1069
- Registrován: pon lis 08, 2021 9:10 pm
- Reputace:110
- Lokalita: Posázaví
- Systémové napětí: 48V
- Chci prodávat energii: NE
- Chci/Mám dotaci: NE
- Bydliště: Posázaví
Re: Napětí vůči zemi?
Pro případné uzemnění hledej "test žárovkou". Např. viewtopic.php?p=160926&hilit=test+%C5%B ... ef#p160926
- bokser01
- Příspěvky: 1666
- Registrován: pon úno 07, 2022 2:43 pm
- Reputace:122
- Lokalita: Okolí Pardubic
- Systémové napětí: 24V
- Výkon panelů [Wp]: 10120
- Kapacita baterie [kWh]: 28
- Chci prodávat energii: NE
- Chci/Mám dotaci: NE
Re: Napětí vůči zemi?
Projeď si toto vlákno a zkus metodu ověření možnosti uzemnění N vodiče přes žárovku. Některé měniče by totiž uzemnění mohlo zničit. Většinou ale ty čínské krabice a měniče, tuto možnost mají a pak ti leze krásných 220-230V
MUST 3KW 80A MPPT 24V/ 3,75kWp stringy 5s3P 200wp + 5s1P 150wp. 2 měnič MUST 3KW 80A MPPT 24V 6370Wp stringy 2S4P 400wp bifacial + 2S1P 410wp + 2S3P 395wp Baterie 28KWh lifepo4 (4X 8S 280Ah EVE), Celek tedy 10120Wp
- Mex
- Příspěvky: 2027
- Registrován: pát zář 29, 2023 4:12 am
- Reputace:379
- Lokalita: Brno
- Systémové napětí: >48V
Re: Napětí vůči zemi?
Podle mě když není nic na tom zemněno a celý ten systém plave jako galvanicky odizolovaný, tak by nemělo nic bránit tomu jeden z těch vývodů uzemnit.
Pro sichr bych to zkusil tak, že bych napřed jeden a pak druhý z těch výstupů připojil přes normální žárovku na N nějaké nejbližší zásuvky.
Případně ještě přes ampérmetr.
Předpokládám, že tam nepoteče nic.
Takže pak bych prostě jeden z těch výstupů připojil na N a zacházel bych s tím jako s běžným napájením AC 230V.
EDIT: vidím, že už ti to napsalo víc lidí. Měl jsem to dlouho otevřené v browseru a neodeslal. Mazat už to ale nebudu.
Pro sichr bych to zkusil tak, že bych napřed jeden a pak druhý z těch výstupů připojil přes normální žárovku na N nějaké nejbližší zásuvky.
Případně ještě přes ampérmetr.
Předpokládám, že tam nepoteče nic.
Takže pak bych prostě jeden z těch výstupů připojil na N a zacházel bych s tím jako s běžným napájením AC 230V.
EDIT: vidím, že už ti to napsalo víc lidí. Měl jsem to dlouho otevřené v browseru a neodeslal. Mazat už to ale nebudu.
- Dolfinho
- Příspěvky: 118
- Registrován: úte pro 15, 2020 4:23 pm
- Reputace:1
- Bydliště: Moravská Třebová
Re: Napětí vůči zemi?
Děkuji chlapi za rychlé odpovědi. Dnes po práci to vyzkouším. Měnič má jen šroub jako kostru a PE od kolíku vede někam do desky. Pokud by to šlo, tak by to pro mě obnášelo udělat zemnění pomocí např. dvou zemnících tyčí, z nich vyvést 10mm na svorku a z ní 16mm zž kabelem do rozvaděče, je to tak? No a z měniče nebo z takových obyč měničů sevto řeší jak ten výstup? Normálně z jeho zásuvky " prodlužkou" do rozvaděče a tam už to přes jistič zapojit do svorek PE a N?
3,63kWp, Solax, Wattrouter, přebytky 2 bojlery
Ostrov pro pohon čerpadla v jezírku.
710Wp, Makesky 60A, bat. Lifepo4 12V/280Ah, měnič 12V/230V Soluowill 300W
Ohřev vody 2,3kWp, Green boost eco
Elektroskútr
Ostrov pro pohon čerpadla v jezírku.
710Wp, Makesky 60A, bat. Lifepo4 12V/280Ah, měnič 12V/230V Soluowill 300W
Ohřev vody 2,3kWp, Green boost eco
Elektroskútr
- Dolfinho
- Příspěvky: 118
- Registrován: úte pro 15, 2020 4:23 pm
- Reputace:1
- Bydliště: Moravská Třebová
Re: Napětí vůči zemi?
[quote=Mex post_id=247062 time=1729195126 user_id
Pro sichr bych to zkusil tak, že bych napřed jeden a pak druhý z těch výstupů připojil přes normální žárovku na N nějaké nejbližší zásuvky.
Případně ještě přes ampérmetr.
Předpokládám, že tam nepoteče nic.
Takže pak bych prostě jeden z těch výstupů připojil na N a zacházel bych s tím jako s běžným napájením AC 230V.
[/quote]
Provedl jsem zkoušku podle návodů jiných,ani v jednom případě žárovka nasvítila, ale Mex píše spojit s N v nejbližší zásuvce...
V nejbližší zásuvce je PE spojeno s N, skutečně to takto mám zkusit? A pokud se tedy žárovka ani tan nerozsvítí, tak můžu uzemnit.
Dá se použít i PEN zásuvek nebo určitě udělat svoje zemnění?
Pro sichr bych to zkusil tak, že bych napřed jeden a pak druhý z těch výstupů připojil přes normální žárovku na N nějaké nejbližší zásuvky.
Případně ještě přes ampérmetr.
Předpokládám, že tam nepoteče nic.
Takže pak bych prostě jeden z těch výstupů připojil na N a zacházel bych s tím jako s běžným napájením AC 230V.
[/quote]
Provedl jsem zkoušku podle návodů jiných,ani v jednom případě žárovka nasvítila, ale Mex píše spojit s N v nejbližší zásuvce...
V nejbližší zásuvce je PE spojeno s N, skutečně to takto mám zkusit? A pokud se tedy žárovka ani tan nerozsvítí, tak můžu uzemnit.
Dá se použít i PEN zásuvek nebo určitě udělat svoje zemnění?
3,63kWp, Solax, Wattrouter, přebytky 2 bojlery
Ostrov pro pohon čerpadla v jezírku.
710Wp, Makesky 60A, bat. Lifepo4 12V/280Ah, měnič 12V/230V Soluowill 300W
Ohřev vody 2,3kWp, Green boost eco
Elektroskútr
Ostrov pro pohon čerpadla v jezírku.
710Wp, Makesky 60A, bat. Lifepo4 12V/280Ah, měnič 12V/230V Soluowill 300W
Ohřev vody 2,3kWp, Green boost eco
Elektroskútr
- Mex
- Příspěvky: 2027
- Registrován: pát zář 29, 2023 4:12 am
- Reputace:379
- Lokalita: Brno
- Systémové napětí: >48V
Re: Napětí vůči zemi?
Tak když máš síť TN-C a tedy společný PEN, tak se nedá nic dělat a připojíš to na na ten PEN.
Pokud tam nic neteče (přes žárovku a ampérmetr), tak je ten měnič galvanicky izolovaný a žádnou neplechu tam neudělá,
Samozřejmě vždy je lepší pevná kabeláž, tj. dát to pod šroubek a ne jen pohyblivým přívodem.
Nakonec všelijaké ty balkónové sety se taky připojují do běžné zásuvky.
Jen tam mají ještě navíc hlídání, že když to někdo z té zásuvky vytáhne, tak to přestane generovat elektriku.
To tady mít nebudeš, tak proto by bylo lepší to dát pod šroubek.
Ideálně samozřejmě sólo drátem až na centrální přípojnici. Ale pokud je to daleko a bylo by to neekonomické, tak to klidně bude fungovat i z té zásuvky.
Pokud tam nic neteče (přes žárovku a ampérmetr), tak je ten měnič galvanicky izolovaný a žádnou neplechu tam neudělá,
Samozřejmě vždy je lepší pevná kabeláž, tj. dát to pod šroubek a ne jen pohyblivým přívodem.
Nakonec všelijaké ty balkónové sety se taky připojují do běžné zásuvky.
Jen tam mají ještě navíc hlídání, že když to někdo z té zásuvky vytáhne, tak to přestane generovat elektriku.
To tady mít nebudeš, tak proto by bylo lepší to dát pod šroubek.
Ideálně samozřejmě sólo drátem až na centrální přípojnici. Ale pokud je to daleko a bylo by to neekonomické, tak to klidně bude fungovat i z té zásuvky.
- petekmet
- Příspěvky: 14
- Registrován: stř zář 28, 2022 1:06 pm
- Reputace:0
Re: Napětí vůči zemi?
Zdravím, řešil jsem stejný problém a měl jsem jasno v tom, že Victron MP2 5k(ostrov, bez povolených přetoků) AC-OUT N by mělo byt spojeno s N, který je pak v hlavním domovním rozvaděči připojen na PEN v bodě rozdělení TNS-C. ČEZ do domu je přiveden jako TNC (L1-3,PEN). Všechno se zdálo v pořádku až do doby, kdy jsem z důvodu chamtivosti a vidiny nižších cen přešel na spotový tarif a požádal o výměnu elektroměru za typ B. Ten je ale už docela chytrý a krutopřísně hlídá zpětné vlyvy na DS, včetně "přetoků". Přestože AC-OUT (L,N) je od DS oddělený přes dvoupólový přepínač sítí, v PND se objevily přetoky - sice marginální ale přesto. Viz screenshot. Rozpojením N z DS a N z AC-OUT elektroměru už pak nic nevadí. Z tohoto vlákna mám ale pocit, že je to potenciálně nebezpečné takto provozovat, přesto, že AC-OUT připojen (kromě prepínače sítí) přes chránič se spotřebiči (zásuvkami) TNS. Nebo uvedené přetoky můžou být v důsledku jiné chyby zapojení ?
Děkuji.
P.
PS: smysl přepínačů sítí je mít možnost selektivně přepínat různé okruhy buď na DS nebo záložný zdroj podle stavu baterie a potřeby provozu spotrebičů.
Děkuji.
P.
PS: smysl přepínačů sítí je mít možnost selektivně přepínat různé okruhy buď na DS nebo záložný zdroj podle stavu baterie a potřeby provozu spotrebičů.
- kodl69
- Příspěvky: 8365
- Registrován: sob črc 19, 2014 8:56 pm
- Reputace:1073
- Lokalita: severně od Brna
- Systémové napětí: 48V
- Výkon panelů [Wp]: 8kWp
- Kapacita baterie [kWh]: 12kWh
- Chci prodávat energii: NE
- Chci/Mám dotaci: NE
Re: Napětí vůči zemi?
Ve victronu je "mezizemní relé " tj relé, který v ostrovním provozu spojí N s PE, címž vytvoří lokální TNS síť, v bypasu je N průchozí přes měnič. Nevím, co je na tom složitýho. Stačí nakrmit opici a je hotovo... https://www.victronenergy.com/upload/do ... pdf-en.pdf strana 37. Kdo tohle nechápe, nemá snad ani strkat spotřebiče do zásuvky, nejebože něco zapojovat.
ostrov skoro 8kWp neustále ve stádiu zrodu: smartshunt(ex WBJR), MPPT150/45, MPPT 250/100(ex midnitesolar 150 clasic lite), 16S a různě P cca 340Ah Winston, MP II 5000,( ex Powerjack 8kW, ex samodomo cca 4kW). 48V DC rozvody a spotřebiče.
- Dolfinho
- Příspěvky: 118
- Registrován: úte pro 15, 2020 4:23 pm
- Reputace:1
- Bydliště: Moravská Třebová
Re: Napětí vůči zemi?
To já to chci mít jako čistý ostrov, aby to nebylo vůbec spojeno s DS, takže si vytvořím u garáže zvlášť zemnění dvěma zemnícíma tyčema.
3,63kWp, Solax, Wattrouter, přebytky 2 bojlery
Ostrov pro pohon čerpadla v jezírku.
710Wp, Makesky 60A, bat. Lifepo4 12V/280Ah, měnič 12V/230V Soluowill 300W
Ohřev vody 2,3kWp, Green boost eco
Elektroskútr
Ostrov pro pohon čerpadla v jezírku.
710Wp, Makesky 60A, bat. Lifepo4 12V/280Ah, měnič 12V/230V Soluowill 300W
Ohřev vody 2,3kWp, Green boost eco
Elektroskútr
- cipis
- Moderátor
- Příspěvky: 7026
- Registrován: pon srp 16, 2021 9:31 pm
- Reputace:986
- Lokalita: blízko Brna
- Systémové napětí: 24V
- Výkon panelů [Wp]: 13+ kWp
- Kapacita baterie [kWh]: 40+26
- Chci prodávat energii: NE
- Chci/Mám dotaci: NE
- Bydliště: blízko Brna
Re: Napětí vůči zemi?
A jak odizolujes tu hlinu od DS?
16+ kWp: 9850 Wp Jih, 2040 Wp Východ, 1490 Wp Západ, 2700 Wp mikroinvertory
Regulátory Epever a Victron
MP 24/5000 + Deye mikroinvertory 1+2,2 kW (můj byt + máti byt)
MP 24/1200 inet, sit, kamery atd.
Phoenix 24/5000 vytěžování do akumulačních kamen
Epever 3kW vytěžování do bojlerů + žebříky
1 kW "nabíječka" 24 V
40+ kWh staré olovo 26+ kWh Li-Ion
několik dalších MP jako záložní zdroje na různých místech
Modře píši jako moderátor, černě jako člen.
Regulátory Epever a Victron
MP 24/5000 + Deye mikroinvertory 1+2,2 kW (můj byt + máti byt)
MP 24/1200 inet, sit, kamery atd.
Phoenix 24/5000 vytěžování do akumulačních kamen
Epever 3kW vytěžování do bojlerů + žebříky
1 kW "nabíječka" 24 V
40+ kWh staré olovo 26+ kWh Li-Ion
několik dalších MP jako záložní zdroje na různých místech
Modře píši jako moderátor, černě jako člen.
- Dolfinho
- Příspěvky: 118
- Registrován: úte pro 15, 2020 4:23 pm
- Reputace:1
- Bydliště: Moravská Třebová
Re: Napětí vůči zemi?
Takže zbytečné?
3,63kWp, Solax, Wattrouter, přebytky 2 bojlery
Ostrov pro pohon čerpadla v jezírku.
710Wp, Makesky 60A, bat. Lifepo4 12V/280Ah, měnič 12V/230V Soluowill 300W
Ohřev vody 2,3kWp, Green boost eco
Elektroskútr
Ostrov pro pohon čerpadla v jezírku.
710Wp, Makesky 60A, bat. Lifepo4 12V/280Ah, měnič 12V/230V Soluowill 300W
Ohřev vody 2,3kWp, Green boost eco
Elektroskútr
- Mex
- Příspěvky: 2027
- Registrován: pát zář 29, 2023 4:12 am
- Reputace:379
- Lokalita: Brno
- Systémové napětí: >48V
Re: Napětí vůči zemi?
Musíš použít speciální ostrovní hlínu.
- Dolfinho
- Příspěvky: 118
- Registrován: úte pro 15, 2020 4:23 pm
- Reputace:1
- Bydliště: Moravská Třebová
Re: Napětí vůči zemi?
Tak se na to vyprdnout, velebnosti? Myslel jsem to tak, že by to prostě nebylo drátově spojený, ale jestli to je zbytečnost, tak pro mě jen dobře.
3,63kWp, Solax, Wattrouter, přebytky 2 bojlery
Ostrov pro pohon čerpadla v jezírku.
710Wp, Makesky 60A, bat. Lifepo4 12V/280Ah, měnič 12V/230V Soluowill 300W
Ohřev vody 2,3kWp, Green boost eco
Elektroskútr
Ostrov pro pohon čerpadla v jezírku.
710Wp, Makesky 60A, bat. Lifepo4 12V/280Ah, měnič 12V/230V Soluowill 300W
Ohřev vody 2,3kWp, Green boost eco
Elektroskútr
- petekmet
- Příspěvky: 14
- Registrován: stř zář 28, 2022 1:06 pm
- Reputace:0
Re: Napětí vůči zemi?
Ground relé Victronu jsem aktivoval, tlejivková zkoušečka na N výstupu už nesvítí. Portál naměřených dat žádnou výrobu neukazuje. Zatím všechno dobrý. Budu postupně přehazovat jednotlivé spotřebiče okruhů L1/L3 na L2 abych identifikoval, který způsobuje, že AC-OUT "tak trochu" přetéká mezi okruhy L1 a L3, směrem který je zrovna přepnutý na napájení z DS. Je pravda, že chránič okruhu L3 vybavuje ale velmi sporadicky, typicky při nahazování, při běžném používání ne. Podle PND dodávám v tomhle chybovém stavu z L1 do L3 (resp. naopak) necelé 4W (cca 16mA). Mám objednaný leakage detector.
- lwj
- Příspěvky: 36
- Registrován: stř úno 17, 2021 8:45 am
- Reputace:2
- Lokalita: Plzeň
- Systémové napětí: 48V
- Výkon panelů [Wp]: 14,35kWp
- Kapacita baterie [kWh]: 40,8kWh
- Chci/Mám dotaci: NE
- Bydliště: Horní Bříza
Re: Napětí vůči zemi?
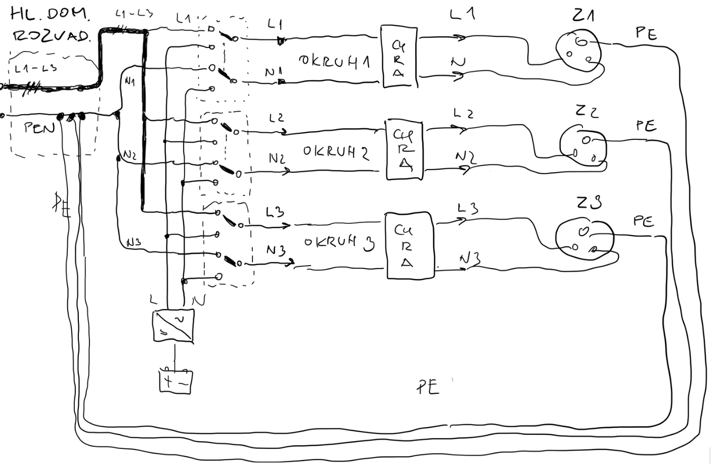
To, že máš malinkatý přetoky do sítě je spíš vlastnost měničů připojených ke gridu, regulační smyčka reguluje, ale není dostatečně rychlá (není to perpetuum mobile), tak tam něco přeletí, jsou to technické přetoky, hlavu bych si s tím nelámal, jsou povolené, tuším 615Wh/čtvthodinu...petekmet píše: ned říj 20, 2024 9:37 pmZdravím, řešil jsem stejný problém a měl jsem jasno v tom, že Victron MP2 5k(ostrov, bez povolených přetoků) AC-OUT N by mělo byt spojeno s N, který je pak v hlavním domovním rozvaděči připojen na PEN v bodě rozdělení TNS-C. ČEZ do domu je přiveden jako TNC (L1-3,PEN). Všechno se zdálo v pořádku až do doby, kdy jsem z důvodu chamtivosti a vidiny nižších cen přešel na spotový tarif a požádal o výměnu elektroměru za typ B. Ten je ale už docela chytrý a krutopřísně hlídá zpětné vlyvy na DS, včetně "přetoků". Přestože AC-OUT (L,N) je od DS oddělený přes dvoupólový přepínač sítí, v PND se objevily přetoky - sice marginální ale přesto. Viz screenshot.
Screenshot 2024-10-20 182141.png
Rozpojením N z DS a N z AC-OUT elektroměru už pak nic nevadí. Z tohoto vlákna mám ale pocit, že je to potenciálně nebezpečné takto provozovat, přesto, že AC-OUT připojen (kromě prepínače sítí) přes chránič se spotřebiči (zásuvkami) TNS.
Schema-prepinace.png
Nebo uvedené přetoky můžou být v důsledku jiné chyby zapojení ?
Děkuji.
P.
PS: smysl přepínačů sítí je mít možnost selektivně přepínat různé okruhy buď na DS nebo záložný zdroj podle stavu baterie a potřeby provozu spotrebičů.
lwj
14,35kWp
40,8kWh Pylontech
Xtend Solarmi SUN-12K-SG04LP3-EU
14,35kWp
40,8kWh Pylontech
Xtend Solarmi SUN-12K-SG04LP3-EU
- cipis
- Moderátor
- Příspěvky: 7026
- Registrován: pon srp 16, 2021 9:31 pm
- Reputace:986
- Lokalita: blízko Brna
- Systémové napětí: 24V
- Výkon panelů [Wp]: 13+ kWp
- Kapacita baterie [kWh]: 40+26
- Chci prodávat energii: NE
- Chci/Mám dotaci: NE
- Bydliště: blízko Brna
Re: Napětí vůči zemi?
Zem je jen jedna, tj. kdyz uz dalsi tyce apod., tak vse spojit dohromady.
Ty pretoky nejsou tak jednoduche. Za a) je limit 315 a za b) plati pouze v pripade smlouvy. Pokud je to pripojeno a neni smlouva s nulovou dodavkou, tak je to sankcionovano jinak.
Ty pretoky nejsou tak jednoduche. Za a) je limit 315 a za b) plati pouze v pripade smlouvy. Pokud je to pripojeno a neni smlouva s nulovou dodavkou, tak je to sankcionovano jinak.
16+ kWp: 9850 Wp Jih, 2040 Wp Východ, 1490 Wp Západ, 2700 Wp mikroinvertory
Regulátory Epever a Victron
MP 24/5000 + Deye mikroinvertory 1+2,2 kW (můj byt + máti byt)
MP 24/1200 inet, sit, kamery atd.
Phoenix 24/5000 vytěžování do akumulačních kamen
Epever 3kW vytěžování do bojlerů + žebříky
1 kW "nabíječka" 24 V
40+ kWh staré olovo 26+ kWh Li-Ion
několik dalších MP jako záložní zdroje na různých místech
Modře píši jako moderátor, černě jako člen.
Regulátory Epever a Victron
MP 24/5000 + Deye mikroinvertory 1+2,2 kW (můj byt + máti byt)
MP 24/1200 inet, sit, kamery atd.
Phoenix 24/5000 vytěžování do akumulačních kamen
Epever 3kW vytěžování do bojlerů + žebříky
1 kW "nabíječka" 24 V
40+ kWh staré olovo 26+ kWh Li-Ion
několik dalších MP jako záložní zdroje na různých místech
Modře píši jako moderátor, černě jako člen.
- Atman
- Příspěvky: 483
- Registrován: ned čer 20, 2021 10:09 am
- Reputace:52
- Lokalita: Śenkvice
- Systémové napětí: 48V
- Výkon panelů [Wp]: 16100
- Kapacita baterie [kWh]: 43
- Chci prodávat energii: NE
- Chci/Mám dotaci: NE
- Bydliště: Šenkvice - Slovensko
Re: Napětí vůči zemi?
Nerozumiem, ti vety si odporujú - Mal si rozdelené aj N a robilo pri prepnutí 4w pretoky a teraz zrazu nie sú?petekmet píše: ned říj 20, 2024 9:37 pmPřestože AC-OUT (L,N) je od DS oddělený přes dvoupólový přepínač sítí, v PND se objevily přetoky - sice marginální ale přesto. Viz screenshot.
Screenshot 2024-10-20 182141.png
.
.
.
Rozpojením N z DS a N z AC-OUT elektroměru už pak nic nevadí.
Mne sa to nezdá, používanie victronu v ostrove s prepínačom sietí čistá DS/čistý ostrov nemôže generovať ani minimálny pretok. Vidím tam ale inú možnosť, ty máš vlastne 3 prepínače sietí a 3 rozpájače N, či tam ten 4W nárazový pretok nevznikne v dôsledku milisekundových rozdielov v čase prepínania jednotlivých blokov z dôvodu rôznych vôlí a veľkosti medzier medzi kontaktami a pod. Ja mám jeden 4pólový prepínač (navyše 1-0-2 a prepínam s 10s medzerou aby som netrápil rozbehnuté rotačné spotrebiče) )a z neho to rozvetvujem na všetky fázy, tam sa z podstaty veci rozpína N všetko naraz.
spolu 16,1kWp - JVV 2,2kWp sklon 45°, JJZ 4,9kWp sklon 55°, JJZ 4,4kWp sklon 24°, bifaciálna pergola 4,6 kWp 9°
Victron Easysolar 5000/48V + Epever Ipower plus 5000/48V iba na vyťažovanie TUV, ÚK, bazén + ďalší 5kW Ipower záloha a príprava na nabíjanie elektromobilu.
Victron Bluesolar MPPT 150/35, 2x Smartsolar 250/85. Lifepo4 48V/840Ah - 43kWh -3x16x 280Ah spolu na Victron Smartshunte.
Victron Easysolar 5000/48V + Epever Ipower plus 5000/48V iba na vyťažovanie TUV, ÚK, bazén + ďalší 5kW Ipower záloha a príprava na nabíjanie elektromobilu.
Victron Bluesolar MPPT 150/35, 2x Smartsolar 250/85. Lifepo4 48V/840Ah - 43kWh -3x16x 280Ah spolu na Victron Smartshunte.
- petekmet
- Příspěvky: 14
- Registrován: stř zář 28, 2022 1:06 pm
- Reputace:0
Re: Napětí vůči zemi?
Evidentě ground-relé nebyl problém přetoků a možná je to i logické. Tuhle část jsem uzavřel. Ty přetoky vznikají, zřejmě v důsledku přetoků mezi různými větvemi. Konkrétně v uvedeném prípadě přepnutím L2 na měnič nezaznamenává elektroměr žádný přetok dlouhodobě. Přepnutím další větve L1 na měnič nebo L3 na měnič začne elektroměr ukazovat nepatrnou výrobu, která je více-méně kontinuální dokud L1 nebo L3 nepřepnu zpátky na DS. Přepnutí L1 a L3 zároveň jsem už ani nezkoušel. Výroba je marginální 0.004kW, zaznamenaná zhruba každou druhou-třetí čtvrthodinu (viz screenshot), zřejme je to pod rozlišovací schopnost elektroměru v dané čtvrthodině nicméně možná je tam nějaký sumační obvod, který naakumuluje i menší přetoky a zobrazí v dalších čtvthodinách.
Těžko se to řeší bez leakage detektoru, protože elektroměr přenáší data do PND jen 2x denně, navíc poprvé někdy po tretí hodině ráno, pak ve stejný čas odpoledne. Mám i svůj vnitřní elektroměr DTSU666 ale ten měří dodávku s rozlišením 1/100Wh a na něm je "negative active energy" pořád 0.00kWh.
Těžko se to řeší bez leakage detektoru, protože elektroměr přenáší data do PND jen 2x denně, navíc poprvé někdy po tretí hodině ráno, pak ve stejný čas odpoledne. Mám i svůj vnitřní elektroměr DTSU666 ale ten měří dodávku s rozlišením 1/100Wh a na něm je "negative active energy" pořád 0.00kWh.
- Nortonko
- Příspěvky: 167
- Registrován: pon čer 24, 2024 10:02 am
- Reputace:29
- Lokalita: Horná Nitra
- Systémové napětí: 48V
- Výkon panelů [Wp]: 5330
- Kapacita baterie [kWh]: 6
- Chci prodávat energii: NE
- Chci/Mám dotaci: NE
Re: Napětí vůči zemi?
keď to takto máš predpokladám že 3f spotrebič rsp.2f(indukcia) nemáš žiadny. Ten ELM vie rozlíšiť či sa jedná o činnú alebo jalovú dodávku?
- petekmet
- Příspěvky: 14
- Registrován: stř zář 28, 2022 1:06 pm
- Reputace:0
Re: Napětí vůči zemi?
3f spotřebič (varná deska/trouba) je ale ta je trvale připojená (přes svůj jistič a chránič) na DS. Doufám, že tam problém není.
Ten vnitřní ELM měří active positive, reactive positive power na každé f. Předpokládám, že negative active energy je dodávka činné energie (Wh). Pak měří negative active total energy a ještě reactive total energy (quadrant) ale z uvedeného není zřejmé jestli je to "negative", viz reg. 4032h, viz screenshot:
Ten vnitřní ELM měří active positive, reactive positive power na každé f. Předpokládám, že negative active energy je dodávka činné energie (Wh). Pak měří negative active total energy a ještě reactive total energy (quadrant) ale z uvedeného není zřejmé jestli je to "negative", viz reg. 4032h, viz screenshot:
Kdo je online
Uživatelé procházející toto fórum: Claudebot [Bot], Google Adsense [Bot]
