zdroj Eltek Flatpack 48V/2000W
Souhrn tématu
Diskuze se zaměřuje na zdroj Eltek Flatpack 48V/2000W, který uživatelé využívají pro nabíjení elektrických vozidel a dalších zařízení. Probírá se regulace proudu přes CAN sběrnici, problémy s automatickým nastavením výkonu a zkušenosti s chlazením a instalací zdroje. Uživatelé sdílejí tipy na optimalizaci provozu a řešení možných omezení při využití přebytků energie.
- gupa
- Příspěvky: 3914
- Registrován: sob pro 29, 2012 10:22 pm
- Reputace:177
- Lokalita: pod Brnem
- Systémové napětí: 24V
Re: zdroj Eltek Flatpack 48V/2000W
Přidám ještě pár ukořistěných schémat a foto.
3x2000VA-VMP-par, NiCd 24V, 22x210-320Wp, 2x85A-VMPPT, ABC-&-XYZ mypower.czAť ti to běží jako hodinky na baterku s čerstvou expirací! Zdejší slova: To by bylo, abychom na tom šetření nevydělali! Nový a aktuálně platný je termín v diskuzích na Seznam.cz mediokratická totalita.
- gupa
- Příspěvky: 3914
- Registrován: sob pro 29, 2012 10:22 pm
- Reputace:177
- Lokalita: pod Brnem
- Systémové napětí: 24V
Re: zdroj Eltek Flatpack 48V/2000W
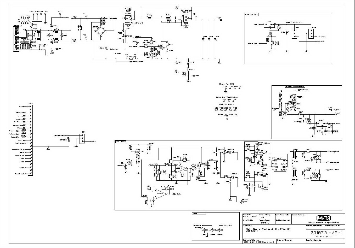
Ještě nějaké další schémata v PDF v jednom.
- Přílohy
FlatPack2_Schem.png.pdf- (2.04 MiB) Staženo 288 x
3x2000VA-VMP-par, NiCd 24V, 22x210-320Wp, 2x85A-VMPPT, ABC-&-XYZ mypower.czAť ti to běží jako hodinky na baterku s čerstvou expirací! Zdejší slova: To by bylo, abychom na tom šetření nevydělali! Nový a aktuálně platný je termín v diskuzích na Seznam.cz mediokratická totalita.
- ElektroEzs
- Příspěvky: 3098
- Registrován: stř zář 21, 2022 10:03 am
- Reputace:126
- Lokalita: okolí Teplic
- Systémové napětí: 48V
- Výkon panelů [Wp]: 8340
- Kapacita baterie [kWh]: 14,4
- Chci prodávat energii: NE
- Chci/Mám dotaci: NE
Re: zdroj Eltek Flatpack 48V/2000W
Jen ta verze HE ma trosku jine ty moduly tak nevim jestli nema i jine zapojeni. Zkusim se tim nejak prokousat:-) Diky
1: JZ 5460 Wp Ja Solar, JV 960 Wp Leapton, SV 1920 Wp Leapton, MPPT 250/100, MPPT 150/35, MPPT 150/45, 2x parallel Multiplus 2 5000VA, Cerbo GX + touch LCD, 2x 16 x EVE 332Ah LiFePO4 + JK BMS 200A + SmartShunt 500A
2: JZ 3600 Wp Canadian Solar, V 1800 Wp Canadian Solar, MPPT 150/70, MPPT 150/35, Multiplus 2 5000VA, Cerbo GX + touch LCD, 16 x EVE 280Ah LiFePO4 + JK BMS 200A + BMV700
2: JZ 3600 Wp Canadian Solar, V 1800 Wp Canadian Solar, MPPT 150/70, MPPT 150/35, Multiplus 2 5000VA, Cerbo GX + touch LCD, 16 x EVE 280Ah LiFePO4 + JK BMS 200A + BMV700
- gupa
- Příspěvky: 3914
- Registrován: sob pro 29, 2012 10:22 pm
- Reputace:177
- Lokalita: pod Brnem
- Systémové napětí: 24V
Re: zdroj Eltek Flatpack 48V/2000W
Nemá to ještě nějaké digitální konfigurační piny?
3x2000VA-VMP-par, NiCd 24V, 22x210-320Wp, 2x85A-VMPPT, ABC-&-XYZ mypower.czAť ti to běží jako hodinky na baterku s čerstvou expirací! Zdejší slova: To by bylo, abychom na tom šetření nevydělali! Nový a aktuálně platný je termín v diskuzích na Seznam.cz mediokratická totalita.
- ElektroEzs
- Příspěvky: 3098
- Registrován: stř zář 21, 2022 10:03 am
- Reputace:126
- Lokalita: okolí Teplic
- Systémové napětí: 48V
- Výkon panelů [Wp]: 8340
- Kapacita baterie [kWh]: 14,4
- Chci prodávat energii: NE
- Chci/Mám dotaci: NE
Re: zdroj Eltek Flatpack 48V/2000W
Na tohle jsem koukal uz predtim. Zdroj ma vyvedeno jen L N PE, + -, CAN H CAN L CAN GND nic vic. Ale co jsem cetl tak to vypada ze je asi mrtva ta ridici deska, vecer ji zkusim promerit.
1: JZ 5460 Wp Ja Solar, JV 960 Wp Leapton, SV 1920 Wp Leapton, MPPT 250/100, MPPT 150/35, MPPT 150/45, 2x parallel Multiplus 2 5000VA, Cerbo GX + touch LCD, 2x 16 x EVE 332Ah LiFePO4 + JK BMS 200A + SmartShunt 500A
2: JZ 3600 Wp Canadian Solar, V 1800 Wp Canadian Solar, MPPT 150/70, MPPT 150/35, Multiplus 2 5000VA, Cerbo GX + touch LCD, 16 x EVE 280Ah LiFePO4 + JK BMS 200A + BMV700
2: JZ 3600 Wp Canadian Solar, V 1800 Wp Canadian Solar, MPPT 150/70, MPPT 150/35, Multiplus 2 5000VA, Cerbo GX + touch LCD, 16 x EVE 280Ah LiFePO4 + JK BMS 200A + BMV700
- ElektroEzs
- Příspěvky: 3098
- Registrován: stř zář 21, 2022 10:03 am
- Reputace:126
- Lokalita: okolí Teplic
- Systémové napětí: 48V
- Výkon panelů [Wp]: 8340
- Kapacita baterie [kWh]: 14,4
- Chci prodávat energii: NE
- Chci/Mám dotaci: NE
Re: zdroj Eltek Flatpack 48V/2000W
Ted mi prisla nabidka od prodejce na tenhle Eltek https://www.ebay.com/itm/145285615313?h ... R6z474CmYw za 70E i s postou. Akorat koukam ze ma vic pinu nez klasicky Eltek
1: JZ 5460 Wp Ja Solar, JV 960 Wp Leapton, SV 1920 Wp Leapton, MPPT 250/100, MPPT 150/35, MPPT 150/45, 2x parallel Multiplus 2 5000VA, Cerbo GX + touch LCD, 2x 16 x EVE 332Ah LiFePO4 + JK BMS 200A + SmartShunt 500A
2: JZ 3600 Wp Canadian Solar, V 1800 Wp Canadian Solar, MPPT 150/70, MPPT 150/35, Multiplus 2 5000VA, Cerbo GX + touch LCD, 16 x EVE 280Ah LiFePO4 + JK BMS 200A + BMV700
2: JZ 3600 Wp Canadian Solar, V 1800 Wp Canadian Solar, MPPT 150/70, MPPT 150/35, Multiplus 2 5000VA, Cerbo GX + touch LCD, 16 x EVE 280Ah LiFePO4 + JK BMS 200A + BMV700
- TomHC
- Příspěvky: 3989
- Registrován: pát lis 11, 2022 8:14 am
- Reputace:900
- Lokalita: Hlohovec, SR
- Systémové napětí: 48V
- Výkon panelů [Wp]: 8820
- Kapacita baterie [kWh]: 30
- Chci prodávat energii: NE
- Chci/Mám dotaci: NE
- Bydliště: Hlohovec, SR
Re: zdroj Eltek Flatpack 48V/2000W
Je na to aj doska, https://www.ebay.co.uk/itm/194518608979 , ale neviem či to má rovnaký CAN protokol. Ale myslím že áno.
Hlavný spotrebič: VW ID.4 | 2x MUST PH1800 5.5kW + GWL-SUN2000, 9kWp V+J+Z | 600 Ah LiFePO4 s BMS JBD 200A | SW: Home Assistant na Synology DS923+ ku tomu ESPHome, Tasmota, MariaDB, InfluxDB, Telegraf, Grafana, Zigbee2MQTT... | HW: ESPlan (ESP32 + LAN 8720 + RS485).
Nejaké moje projekty: MUST-ESPhome, ELTEK Flatpack2 ESPhome, ESP32-EMON, PZEM-017@WiFi, diyBMS-CurrentShunt-ESPhome , BMS UART-TS485 adaptér
Nejaké moje projekty: MUST-ESPhome, ELTEK Flatpack2 ESPhome, ESP32-EMON, PZEM-017@WiFi, diyBMS-CurrentShunt-ESPhome , BMS UART-TS485 adaptér
- TomHC
- Příspěvky: 3989
- Registrován: pát lis 11, 2022 8:14 am
- Reputace:900
- Lokalita: Hlohovec, SR
- Systémové napětí: 48V
- Výkon panelů [Wp]: 8820
- Kapacita baterie [kWh]: 30
- Chci prodávat energii: NE
- Chci/Mám dotaci: NE
- Bydliště: Hlohovec, SR
Re: Eltek Flatpack2 48/2000
Len pre referenciu, tu je celá téma aj s riešením - viewtopic.php?t=11676
Hlavný spotrebič: VW ID.4 | 2x MUST PH1800 5.5kW + GWL-SUN2000, 9kWp V+J+Z | 600 Ah LiFePO4 s BMS JBD 200A | SW: Home Assistant na Synology DS923+ ku tomu ESPHome, Tasmota, MariaDB, InfluxDB, Telegraf, Grafana, Zigbee2MQTT... | HW: ESPlan (ESP32 + LAN 8720 + RS485).
Nejaké moje projekty: MUST-ESPhome, ELTEK Flatpack2 ESPhome, ESP32-EMON, PZEM-017@WiFi, diyBMS-CurrentShunt-ESPhome , BMS UART-TS485 adaptér
Nejaké moje projekty: MUST-ESPhome, ELTEK Flatpack2 ESPhome, ESP32-EMON, PZEM-017@WiFi, diyBMS-CurrentShunt-ESPhome , BMS UART-TS485 adaptér
- ElektroEzs
- Příspěvky: 3098
- Registrován: stř zář 21, 2022 10:03 am
- Reputace:126
- Lokalita: okolí Teplic
- Systémové napětí: 48V
- Výkon panelů [Wp]: 8340
- Kapacita baterie [kWh]: 14,4
- Chci prodávat energii: NE
- Chci/Mám dotaci: NE
Re: zdroj Eltek Flatpack 48V/2000W
Prave se bojim aby to nemelo jinej protokol.
1: JZ 5460 Wp Ja Solar, JV 960 Wp Leapton, SV 1920 Wp Leapton, MPPT 250/100, MPPT 150/35, MPPT 150/45, 2x parallel Multiplus 2 5000VA, Cerbo GX + touch LCD, 2x 16 x EVE 332Ah LiFePO4 + JK BMS 200A + SmartShunt 500A
2: JZ 3600 Wp Canadian Solar, V 1800 Wp Canadian Solar, MPPT 150/70, MPPT 150/35, Multiplus 2 5000VA, Cerbo GX + touch LCD, 16 x EVE 280Ah LiFePO4 + JK BMS 200A + BMV700
2: JZ 3600 Wp Canadian Solar, V 1800 Wp Canadian Solar, MPPT 150/70, MPPT 150/35, Multiplus 2 5000VA, Cerbo GX + touch LCD, 16 x EVE 280Ah LiFePO4 + JK BMS 200A + BMV700
- glottis
- Příspěvky: 3922
- Registrován: stř úno 02, 2022 10:30 am
- Reputace:523
- Lokalita: okolí Mělníka
- Systémové napětí: 48V
- Výkon panelů [Wp]: 13000
- Kapacita baterie [kWh]: 30
Re: zdroj Eltek Flatpack 48V/2000W
nemuselo by, snad i ty huaway zdroje maj steny protokol? 70E za zdroj 3kw je pekny, mam svrbeni ale zase aby se mi tu valel a ja ho nezapojil, to je drahy
mista malo, ... boze
- ElektroEzs
- Příspěvky: 3098
- Registrován: stř zář 21, 2022 10:03 am
- Reputace:126
- Lokalita: okolí Teplic
- Systémové napětí: 48V
- Výkon panelů [Wp]: 8340
- Kapacita baterie [kWh]: 14,4
- Chci prodávat energii: NE
- Chci/Mám dotaci: NE
Re: zdroj Eltek Flatpack 48V/2000W
Ja ho nutne taky nepotrebuju ze site nabijim malo ale chci to jako rezervu pro centralu:-)
1: JZ 5460 Wp Ja Solar, JV 960 Wp Leapton, SV 1920 Wp Leapton, MPPT 250/100, MPPT 150/35, MPPT 150/45, 2x parallel Multiplus 2 5000VA, Cerbo GX + touch LCD, 2x 16 x EVE 332Ah LiFePO4 + JK BMS 200A + SmartShunt 500A
2: JZ 3600 Wp Canadian Solar, V 1800 Wp Canadian Solar, MPPT 150/70, MPPT 150/35, Multiplus 2 5000VA, Cerbo GX + touch LCD, 16 x EVE 280Ah LiFePO4 + JK BMS 200A + BMV700
2: JZ 3600 Wp Canadian Solar, V 1800 Wp Canadian Solar, MPPT 150/70, MPPT 150/35, Multiplus 2 5000VA, Cerbo GX + touch LCD, 16 x EVE 280Ah LiFePO4 + JK BMS 200A + BMV700
- ElektroEzs
- Příspěvky: 3098
- Registrován: stř zář 21, 2022 10:03 am
- Reputace:126
- Lokalita: okolí Teplic
- Systémové napětí: 48V
- Výkon panelů [Wp]: 8340
- Kapacita baterie [kWh]: 14,4
- Chci prodávat energii: NE
- Chci/Mám dotaci: NE
Re: zdroj Eltek Flatpack 48V/2000W
Ja chtel vcera trosku otestovat ten co mam doma ale nestihl jsem to daval jsem klimosky na rozvadec, priprava na leto
1: JZ 5460 Wp Ja Solar, JV 960 Wp Leapton, SV 1920 Wp Leapton, MPPT 250/100, MPPT 150/35, MPPT 150/45, 2x parallel Multiplus 2 5000VA, Cerbo GX + touch LCD, 2x 16 x EVE 332Ah LiFePO4 + JK BMS 200A + SmartShunt 500A
2: JZ 3600 Wp Canadian Solar, V 1800 Wp Canadian Solar, MPPT 150/70, MPPT 150/35, Multiplus 2 5000VA, Cerbo GX + touch LCD, 16 x EVE 280Ah LiFePO4 + JK BMS 200A + BMV700
2: JZ 3600 Wp Canadian Solar, V 1800 Wp Canadian Solar, MPPT 150/70, MPPT 150/35, Multiplus 2 5000VA, Cerbo GX + touch LCD, 16 x EVE 280Ah LiFePO4 + JK BMS 200A + BMV700
- gupa
- Příspěvky: 3914
- Registrován: sob pro 29, 2012 10:22 pm
- Reputace:177
- Lokalita: pod Brnem
- Systémové napětí: 24V
Re: zdroj Eltek Flatpack 48V/2000W
No já myslel že je problém s novým kusem a ono to je ojetý, to je ojetý v té škatuli všechno. Kdy si lidi uvědomí zákony nutné recyklace každé součástky. Proto se to prodává, končí tomu živostnost a někdo to dostal ze servisáků na starost (dostal zaplaceno) aby to vyhodil. Takže dvakrát zaplaceno. Chytré. Nemá to cenu v podstatě ani těch součástek. Možná pro kutily za symbolickou cenu. Zdroje u IT bufeťáků co jsem kupoval v tvz. rebufished ("tisíce problémů") šly vždy do kopru v krátké době. Protože je to jako s ojetým autem a skrytými vadami. Nemá cenu pro dlouhodobý užívání.ElektroEzs píše: pon led 22, 2024 8:28 amTed mi prisla nabidka od prodejce na tenhle Eltek https://www.ebay.com/itm/145285615313?h ... R6z474CmYw za 70E i s postou. Akorat koukam ze ma vic pinu nez klasicky Eltek
3x2000VA-VMP-par, NiCd 24V, 22x210-320Wp, 2x85A-VMPPT, ABC-&-XYZ mypower.czAť ti to běží jako hodinky na baterku s čerstvou expirací! Zdejší slova: To by bylo, abychom na tom šetření nevydělali! Nový a aktuálně platný je termín v diskuzích na Seznam.cz mediokratická totalita.
- ElektroEzs
- Příspěvky: 3098
- Registrován: stř zář 21, 2022 10:03 am
- Reputace:126
- Lokalita: okolí Teplic
- Systémové napětí: 48V
- Výkon panelů [Wp]: 8340
- Kapacita baterie [kWh]: 14,4
- Chci prodávat energii: NE
- Chci/Mám dotaci: NE
Re: zdroj Eltek Flatpack 48V/2000W
Tak ono ten Eltek kupovat novej je asi nesmysl cenove. Ten kus co mam doma neni z tehle nabidky. Vratil mi penize takze to neresim jen sem ho chtel ze zvedavosti zkusit rozchodit:-)
1: JZ 5460 Wp Ja Solar, JV 960 Wp Leapton, SV 1920 Wp Leapton, MPPT 250/100, MPPT 150/35, MPPT 150/45, 2x parallel Multiplus 2 5000VA, Cerbo GX + touch LCD, 2x 16 x EVE 332Ah LiFePO4 + JK BMS 200A + SmartShunt 500A
2: JZ 3600 Wp Canadian Solar, V 1800 Wp Canadian Solar, MPPT 150/70, MPPT 150/35, Multiplus 2 5000VA, Cerbo GX + touch LCD, 16 x EVE 280Ah LiFePO4 + JK BMS 200A + BMV700
2: JZ 3600 Wp Canadian Solar, V 1800 Wp Canadian Solar, MPPT 150/70, MPPT 150/35, Multiplus 2 5000VA, Cerbo GX + touch LCD, 16 x EVE 280Ah LiFePO4 + JK BMS 200A + BMV700
- gupa
- Příspěvky: 3914
- Registrován: sob pro 29, 2012 10:22 pm
- Reputace:177
- Lokalita: pod Brnem
- Systémové napětí: 24V
Re: zdroj Eltek Flatpack 48V/2000W
Je to zřejmě ale furt to samý. Docela zajímavý pro opravy. Sleduji něco jako opravy elektroniky na youtubu, je to velký opravárenský hit a komický proslov, když někdo na ebay koupí použitý herní notebook za skvělou cenu bez záruky a on má po diagnostice třeba vypálený procesor který jako náhradní díl vůbec fabrika neposkytuje na trhu. Já kdysi takto koupil svářecí stroj, který stojí normálně přes stovku, ale ojetý s příběhem na jedné ostravské magistrále. Naštěstí se opravil bez problémů ve fabrice v které se vyrobil. Od té doby nic elektronického použitého nekupuji ze zásady jako funkční i kdyby byl prodejce alza, aukro, bazoš, ebay atp, jen na váhu za symbolicky nízkou cenu. A poslední symbolický plně funkční čtyřkanálový xeon server měl 27 kg tz. 270Kč je už také dost i ze studijních rozebírkových pohnutek.
3x2000VA-VMP-par, NiCd 24V, 22x210-320Wp, 2x85A-VMPPT, ABC-&-XYZ mypower.czAť ti to běží jako hodinky na baterku s čerstvou expirací! Zdejší slova: To by bylo, abychom na tom šetření nevydělali! Nový a aktuálně platný je termín v diskuzích na Seznam.cz mediokratická totalita.
- ElektroEzs
- Příspěvky: 3098
- Registrován: stř zář 21, 2022 10:03 am
- Reputace:126
- Lokalita: okolí Teplic
- Systémové napětí: 48V
- Výkon panelů [Wp]: 8340
- Kapacita baterie [kWh]: 14,4
- Chci prodávat energii: NE
- Chci/Mám dotaci: NE
Re: zdroj Eltek Flatpack 48V/2000W
Jako taky se vyhybam pouzitym vecem ale nechce se mi davat za novy 400E aspon se k tomu prodejce postavil a vratil penize:-)
1: JZ 5460 Wp Ja Solar, JV 960 Wp Leapton, SV 1920 Wp Leapton, MPPT 250/100, MPPT 150/35, MPPT 150/45, 2x parallel Multiplus 2 5000VA, Cerbo GX + touch LCD, 2x 16 x EVE 332Ah LiFePO4 + JK BMS 200A + SmartShunt 500A
2: JZ 3600 Wp Canadian Solar, V 1800 Wp Canadian Solar, MPPT 150/70, MPPT 150/35, Multiplus 2 5000VA, Cerbo GX + touch LCD, 16 x EVE 280Ah LiFePO4 + JK BMS 200A + BMV700
2: JZ 3600 Wp Canadian Solar, V 1800 Wp Canadian Solar, MPPT 150/70, MPPT 150/35, Multiplus 2 5000VA, Cerbo GX + touch LCD, 16 x EVE 280Ah LiFePO4 + JK BMS 200A + BMV700
- georg_cz
- Příspěvky: 58
- Registrován: čtv bře 26, 2020 12:58 pm
- Reputace:0
- Lokalita: Čáslav
- Systémové napětí: 48V
- Výkon panelů [Wp]: 9000
- Kapacita baterie [kWh]: 32
- Chci prodávat energii: NE
- Chci/Mám dotaci: NE
Re: Eltek Flatpack2 48/2000
přesunuto
- ElektroEzs
- Příspěvky: 3098
- Registrován: stř zář 21, 2022 10:03 am
- Reputace:126
- Lokalita: okolí Teplic
- Systémové napětí: 48V
- Výkon panelů [Wp]: 8340
- Kapacita baterie [kWh]: 14,4
- Chci prodávat energii: NE
- Chci/Mám dotaci: NE
Re: zdroj Eltek Flatpack 48V/2000W
Tak dle odkazu na ruskem forum, zmereno napeti u ridici desky mezi pinem 14-12 mam 15,7V pise ze ma byt kolem 16V takze to je v pohode mezi pinem 14-8 ma byt 5V a to tam nemam tak jsem zkousel jak je popsano pri odpojenem zdrojit pripojit externi zdroj 5V a blikne LED varovani takze asi uplne mrtva nebude. Jeste je na ridici desce stabilizator 78L05 a ten ma na vstupu 15,7V a na vystupu 5V a dal se v tom ztracim
1: JZ 5460 Wp Ja Solar, JV 960 Wp Leapton, SV 1920 Wp Leapton, MPPT 250/100, MPPT 150/35, MPPT 150/45, 2x parallel Multiplus 2 5000VA, Cerbo GX + touch LCD, 2x 16 x EVE 332Ah LiFePO4 + JK BMS 200A + SmartShunt 500A
2: JZ 3600 Wp Canadian Solar, V 1800 Wp Canadian Solar, MPPT 150/70, MPPT 150/35, Multiplus 2 5000VA, Cerbo GX + touch LCD, 16 x EVE 280Ah LiFePO4 + JK BMS 200A + BMV700
2: JZ 3600 Wp Canadian Solar, V 1800 Wp Canadian Solar, MPPT 150/70, MPPT 150/35, Multiplus 2 5000VA, Cerbo GX + touch LCD, 16 x EVE 280Ah LiFePO4 + JK BMS 200A + BMV700
- gupa
- Příspěvky: 3914
- Registrován: sob pro 29, 2012 10:22 pm
- Reputace:177
- Lokalita: pod Brnem
- Systémové napětí: 24V
Re: zdroj Eltek Flatpack 48V/2000W
To IC, ML 4821 funguje dobře? Má 20 důležitých nožiček. Tak jestli podle datasheetu fungují.
3x2000VA-VMP-par, NiCd 24V, 22x210-320Wp, 2x85A-VMPPT, ABC-&-XYZ mypower.czAť ti to běží jako hodinky na baterku s čerstvou expirací! Zdejší slova: To by bylo, abychom na tom šetření nevydělali! Nový a aktuálně platný je termín v diskuzích na Seznam.cz mediokratická totalita.
- ElektroEzs
- Příspěvky: 3098
- Registrován: stř zář 21, 2022 10:03 am
- Reputace:126
- Lokalita: okolí Teplic
- Systémové napětí: 48V
- Výkon panelů [Wp]: 8340
- Kapacita baterie [kWh]: 14,4
- Chci prodávat energii: NE
- Chci/Mám dotaci: NE
Re: zdroj Eltek Flatpack 48V/2000W
Muzu ho maximalne vymenit nevim co tam merit:-)
1: JZ 5460 Wp Ja Solar, JV 960 Wp Leapton, SV 1920 Wp Leapton, MPPT 250/100, MPPT 150/35, MPPT 150/45, 2x parallel Multiplus 2 5000VA, Cerbo GX + touch LCD, 2x 16 x EVE 332Ah LiFePO4 + JK BMS 200A + SmartShunt 500A
2: JZ 3600 Wp Canadian Solar, V 1800 Wp Canadian Solar, MPPT 150/70, MPPT 150/35, Multiplus 2 5000VA, Cerbo GX + touch LCD, 16 x EVE 280Ah LiFePO4 + JK BMS 200A + BMV700
2: JZ 3600 Wp Canadian Solar, V 1800 Wp Canadian Solar, MPPT 150/70, MPPT 150/35, Multiplus 2 5000VA, Cerbo GX + touch LCD, 16 x EVE 280Ah LiFePO4 + JK BMS 200A + BMV700
Kdo je online
Uživatelé procházející toto fórum: Claudebot [Bot]
