InfiniSolar 3P 10kW nevidí baterie - hlásí kód 15
- marsal64
- Příspěvky: 1204
- Registrován: sob čer 16, 2018 1:45 pm
- Reputace: 133
- Lokalita: Velké Popovice
- Systémové napětí: 48V
- Výkon panelů [Wp]: 9,3
- Kapacita baterie [kWh]: 30
- Chci prodávat energii: NE
- Chci/Mám dotaci: NE
- Bydliště: Velké Popovice
Re: InfiniSolar 3P 10kW nevidí baterie - hlásí kód 15
Jen tak mimochodem, lze nožovku vel. 1 s trvale nasazenou žehličkou považovat za "odpojovač"
? A pokud ne, proč bych tam případně nějaké FH1 měl dodávat?

-
- Příspěvky: 861
- Registrován: stř bře 20, 2019 4:05 pm
- Reputace: 74
Re: InfiniSolar 3P 10kW nevidí baterie - hlásí kód 15
youda píše:Oldwest,
chápu, že díky záruce to nemáš jednoduché a budeš se muset domluvit s firmou, jejíž pracovník samozřejmě nepřizná, že to zmatlal, nepřemýšlel u toho, neotevřel manuál od měniče ani od baterek.
Když vidím, jaké špeky jsme našli v nastavení parametrů a připojení baterie, docela si říkám, jak je asi provedeno připojení panelů, jejich jištění a přepěťová ochrana. Taky v instalaci Eastronu se toho dá dost podělat, například prohodit dodávku a výrobu, nebo nastavit součtovou regulaci místo regulace po fázích. Na tyto dva problémy většinou přijdeš až teprve tehdy, když ti od ČEZu dorazí faktura, která je větší, než jsi měl před instalací FVE. Ano, i takové případy jsme tu na fóru měli.
Zcela samostatnou otázkou k zamyšlení je, jakou váhu má asi záruka od firmy, která ti 15S LFP nabíjela na smrtelných 56V.
Tak držím palce, ať se s nimi dohodneš, povede se to uvést do pořádku a případně dohledat i další možné špeky.
No to teda koukám, to čumím, čeho jsou "profesionálové" z odborné firmy schopni. To se snad víc vyplatí rok v tom ležet a snažit se nastudovat problematiku FVE co nejvíc a pak si to opatrně zbastlit sám, než se spolehnout na realizaci "na klíč". Smutné zjištění...
11S (8 REC 295Wp POLY + 3 Canadian Solar 300Wp) Axpert VM II 24V/3000W, 2P Canadian Solar + MPPT Victron Smart Solar 100/20 + Carspa 24/230, 600W Pure sine + 4x Varta 6V/232Ah.
-
- Příspěvky: 39
- Registrován: pát úno 08, 2019 4:50 pm
- Reputace: 3
Re: InfiniSolar 3P 10kW nevidí baterie - hlásí kód 15
Připojuji se se stejným dotazem.marsal64 píše:Jen tak mimochodem, lze nožovku vel. 1 s trvale nasazenou žehličkou považovat za "odpojovač"? A pokud ne, proč bych tam případně nějaké FH1 měl dodávat?
- youda
- Příspěvky: 3155
- Registrován: stř dub 27, 2016 12:12 am
- Reputace: 961
Re: InfiniSolar 3P 10kW nevidí baterie - hlásí kód 15
Obávám se, že pojistkový spodek namontovaný na zeď, skutečně není plnohodnotným ekvivalentem DC odpínače. A fakt, že je na něm nasazena žehlička nebo rukáv, na tom nic nemění. Taková sestava patří někam do rozvaděče nebo do rozvodny, ale určitě ne do technické místnosti rodinného domu.
Na druhou stranu, takhle to tady má každý druhý, protože spodek stojí stovku, zatímco odpínač dva litry. Takže jestli vám to funguje a nepoučené osoby k tomu nemají přístup, tak bych si s tím hlavu nelámal. Jasně, revizi by to určitě nedostalo, ale to by nedostala skoro žádná z našich samodomo instalací.
Já osobně odpínače používám, v LABáku mám třípólový OEZ FH00, který stojí jen litr a umí 160A pojistky. Tudíž pro jištění 3 x 5kW měniče při 50V AKU úplně stačí.
Výhody použití odpínače pro AKU jsou asi tyto:
Na druhou stranu, takhle to tady má každý druhý, protože spodek stojí stovku, zatímco odpínač dva litry. Takže jestli vám to funguje a nepoučené osoby k tomu nemají přístup, tak bych si s tím hlavu nelámal. Jasně, revizi by to určitě nedostalo, ale to by nedostala skoro žádná z našich samodomo instalací.
Já osobně odpínače používám, v LABáku mám třípólový OEZ FH00, který stojí jen litr a umí 160A pojistky. Tudíž pro jištění 3 x 5kW měniče při 50V AKU úplně stačí.
Výhody použití odpínače pro AKU jsou asi tyto:
- Ani při největší snaze nelze neopatrností způsobit zkrat nebo si přivodit úraz
- Jedním trhnutím se odpojí všechny tři invertory (to může současně být i nevýhoda)
- Mívá to očko na bezpečnostní zámeček proti všetečkům
- Vypadá to na zdi lépe, než pojistkový spodek
- Má-li pojistka na sobě indikaci (terčík), lze spálenou pojistku vidět přímo přes průhledný přední kryt. Naopak, průhlednou žehličku jsem ještě neviděl.
- Některé typy mají signalizační kontakty pro indikaci spálené pojistky, které lze zapojit do vstupů monitoringu
Youdova ostrovní laboratoř 20kWp: https://youda.mypower.cz
- oldwest
- Příspěvky: 47
- Registrován: čtv led 30, 2020 5:45 pm
- Reputace: 4
- Bydliště: Podbořany
Re: InfiniSolar 3P 10kW nevidí baterie - hlásí kód 15
Včera jsem zaslal email Ekotechnik.cz v tomto znění:youda píše:Obávám se, že pojistkový spodek namontovaný na zeď, skutečně není plnohodnotným ekvivalentem DC odpínače. A fakt, že je na něm nasazena žehlička nebo rukáv, na tom nic nemění. Taková sestava patří někam do rozvaděče nebo do rozvodny, ale určitě ne do technické místnosti rodinného domu.
Na druhou stranu, takhle to tady má každý druhý, protože spodek stojí stovku, zatímco odpínač dva litry. Takže jestli vám to funguje a nepoučené osoby k tomu nemají přístup, tak bych si s tím hlavu nelámal. Jasně, revizi by to určitě nedostalo, ale to by nedostala skoro žádná z našich samodomo instalací.
Já osobně odpínače používám, v LABáku mám třípólový OEZ FH00, který stojí jen litr a umí 160A pojistky. Tudíž pro jištění 3 x 5kW měniče při 50V AKU úplně stačí.
Výhody použití odpínače pro AKU jsou asi tyto:
- Ani při největší snaze nelze neopatrností způsobit zkrat nebo si přivodit úraz
- Jedním trhnutím se odpojí všechny tři invertory (to může současně být i nevýhoda)
- Mívá to očko na bezpečnostní zámeček proti všetečkům
- Vypadá to na zdi lépe, než pojistkový spodek
- Má-li pojistka na sobě indikaci (terčík), lze spálenou pojistku vidět přímo přes průhledný přední kryt. Naopak, průhlednou žehličku jsem ještě neviděl.
- Některé typy mají signalizační kontakty pro indikaci spálené pojistky, které lze zapojit do vstupů monitoringu
Dobrý den,
vzhledem k tomu, že nereagujete na mé výzvy, byl jsem nucen konzultovat problém s nezávislým experty na FVE,kde mi zdělili, že zapojení akumulátorových baterií a jejich ochrana neodpovídá technickým požadavkům a normám pro provoz. Jištění baterii pojistkami 50A je nedostatečné a průřez přívodních vodičů k měniči je pro dané zatížení nevyhovující a pro další provoz nebezpečný. Žádám Vás tímto o nápravu a požaduji provést výměnu pojistek a vodičů dle platných norem. V opačném případě byl bych nucen požádat nezávislou firmu k provedení odborné pomoci _revizi celkového díla a veškeré náklady a důsledky v rámci záruky řešit soudní cestou.
Tomu emailu předcházel ještě jeden a to oznámení o problému s nabíjením,jako reklamace _ to už známe.

A dnes bleskem odpověděli, že to předají tech.oddělení a v nejbližším termínu mě budou kontaktovat.
No a teď by mě zajímalo, když odejde pojistka, tak jak dlouho bych musel čekat na pražáky_že.

Všechno to se nám zdá a nebo vidíme, je jenom sen ve snu.
E.A.Poe
E.A.Poe
-
- Příspěvky: 444
- Registrován: ned bře 31, 2019 1:49 pm
- Reputace: 19
Re: InfiniSolar 3P 10kW nevidí baterie - hlásí kód 15
Ty nemáš jištěne panely s vodiči a doplněne svodičem přepětím ? Prosimtě nafot to jak to maš zapojený
FV 3,57 Kwp měnič GW3648D-ES bat 4x pylontech us2000 .FV 2 Kwp měnič GW5048 D-ES bat 3x pylontech us2000
- oldwest
- Příspěvky: 47
- Registrován: čtv led 30, 2020 5:45 pm
- Reputace: 4
- Bydliště: Podbořany
Re: InfiniSolar 3P 10kW nevidí baterie - hlásí kód 15
Bílé husí krky jako chráničky vedení od panelů, která jsou zapojeny v měniči.zbek píše:Ty nemáš jištěne panely s vodiči a doplněne svodičem přepětím ? Prosimtě nafot to jak to maš zapojený
Všechno to se nám zdá a nebo vidíme, je jenom sen ve snu.
E.A.Poe
E.A.Poe
-
- Příspěvky: 444
- Registrován: ned bře 31, 2019 1:49 pm
- Reputace: 19
Re: InfiniSolar 3P 10kW nevidí baterie - hlásí kód 15
Tohle je k plači . Hod sem ještě par fotek z větši dalky a přidej i foto panelu s kabelama . Bile husy krky jsou dobry maximalně do betonu to zkřehne za čas
FV 3,57 Kwp měnič GW3648D-ES bat 4x pylontech us2000 .FV 2 Kwp měnič GW5048 D-ES bat 3x pylontech us2000
-
- Příspěvky: 3541
- Registrován: ned led 29, 2012 3:59 pm
- Reputace: 265
- Lokalita: Žabčice
- Systémové napětí: 48V
- Výkon panelů [Wp]: 29139
- Kapacita baterie [kWh]: 65
- Chci prodávat energii: ANO
- Chci/Mám dotaci: NE
Re: InfiniSolar 3P 10kW nevidí baterie - hlásí kód 15
To jsou hovada. Panely pres pojistkove odpojovace, prepetovky. A neze ty prepetovky pripoji na neblizsi zelenozluty a hotovo. To by pripadna proudova spicka proletela zemnicim vodicem soubehem s ostatnimi vodici a je to k nicemu. Uzemneni prepetovej idealne k ekvisvorce pokud je. Nacti si neco o instalaci prepetovek. Kdyz jsem byl na skoleni od salteku tak tam zaznelo ze spatna instalace prepetovky muze stav i zhorsit.
Kdyz jsme u toho divam se ze ten modrej ethernet kabel mas v soubehu se silovkou je aspon stinenej? - bacha na to pokud silovkou proleti nejaka proudova spicka muze se to naindukovat a odpalit porty. Cert vem port nekde v routru ten stoji prd, ale co port ve stridaci. Je tam vymenna karticka? a i kdyby co kdyz se to propali dal do elektroniky...
Me se to loni stalo - pisu z vlastni zkusenosti - drobne prepeti cca 150m od mista uderu blesku. jedno mppt, jeden modem ok. Zbytek fve zachranilo to ze mam vsechny !! kominukacni kabely mezi zarizenima opticky oddeleny, takze prezili.Jen optoizolatory za par korun byly doslova na uhel. Toto resi i pripadny nezadouci toky po komunikacni gnd.
A ten rozvadecek pokud delali oni mel by mit vyrobni stitek, vse by melo mit revizi. V tom rozvadecku vidim velkou prasarnu co ty RSA svorky proboha? nejsou nahodou ty sroubecky pod napetim? Silne pochybuji ze toto splnuje kryti ktere by mely domaci rozvadece mit.
Je to skoda. Mas dobry zelezo a mohla to byt krasna instalace.
Osobne bych to videl stridac, pod nim baterky v nejake skrini (bazar rack???) a vedle velkou skrin kde bude vse pekne zadratovano jak AC tak DC cast a zbude tam i misto pro pripadny uprgrade, pripadny rizeni atp
Kdyz jsme u toho divam se ze ten modrej ethernet kabel mas v soubehu se silovkou je aspon stinenej? - bacha na to pokud silovkou proleti nejaka proudova spicka muze se to naindukovat a odpalit porty. Cert vem port nekde v routru ten stoji prd, ale co port ve stridaci. Je tam vymenna karticka? a i kdyby co kdyz se to propali dal do elektroniky...
Me se to loni stalo - pisu z vlastni zkusenosti - drobne prepeti cca 150m od mista uderu blesku. jedno mppt, jeden modem ok. Zbytek fve zachranilo to ze mam vsechny !! kominukacni kabely mezi zarizenima opticky oddeleny, takze prezili.Jen optoizolatory za par korun byly doslova na uhel. Toto resi i pripadny nezadouci toky po komunikacni gnd.
A ten rozvadecek pokud delali oni mel by mit vyrobni stitek, vse by melo mit revizi. V tom rozvadecku vidim velkou prasarnu co ty RSA svorky proboha? nejsou nahodou ty sroubecky pod napetim? Silne pochybuji ze toto splnuje kryti ktere by mely domaci rozvadece mit.
Je to skoda. Mas dobry zelezo a mohla to byt krasna instalace.
Osobne bych to videl stridac, pod nim baterky v nejake skrini (bazar rack???) a vedle velkou skrin kde bude vse pekne zadratovano jak AC tak DC cast a zbude tam i misto pro pripadny uprgrade, pripadny rizeni atp
-
- Příspěvky: 3541
- Registrován: ned led 29, 2012 3:59 pm
- Reputace: 265
- Lokalita: Žabčice
- Systémové napětí: 48V
- Výkon panelů [Wp]: 29139
- Kapacita baterie [kWh]: 65
- Chci prodávat energii: ANO
- Chci/Mám dotaci: NE
Re: InfiniSolar 3P 10kW nevidí baterie - hlásí kód 15
jsem se dival na jejich reference. Vetsinou fotky jen panelu a vnitrek bud zadna slava nebo jen kde se to povedlo 
Pokud si to masti doma amater tak bych nic nerikal ale po odborne firme by měla zustat odborna instalace.
Ze to bylo na dotaci?
Smutne.

Pokud si to masti doma amater tak bych nic nerikal ale po odborne firme by měla zustat odborna instalace.
Ze to bylo na dotaci?
Smutne.
- oldwest
- Příspěvky: 47
- Registrován: čtv led 30, 2020 5:45 pm
- Reputace: 4
- Bydliště: Podbořany
Re: InfiniSolar 3P 10kW nevidí baterie - hlásí kód 15
JJ_bohužel na dotaci:Těším se až přijedou.PavelR píše:jsem se dival na jejich reference. Vetsinou fotky jen panelu a vnitrek bud zadna slava nebo jen kde se to povedlo
Pokud si to masti doma amater tak bych nic nerikal ale po odborne firme by měla zustat odborna instalace.
Ze to bylo na dotaci?
Smutne.
Všechno to se nám zdá a nebo vidíme, je jenom sen ve snu.
E.A.Poe
E.A.Poe
- oldwest
- Příspěvky: 47
- Registrován: čtv led 30, 2020 5:45 pm
- Reputace: 4
- Bydliště: Podbořany
Re: InfiniSolar 3P 10kW nevidí baterie - hlásí kód 15
Nelze provést záběr z větší dálky pro omezený půdní prostor chalupy, kde je měnič.Z toho malého rozvaděče s jištěním měniče z DS a jištěním zálohy AC,vedou kabely k domovnímu rozvaděči s přepínačem sítí DS a zálohy AC.Potřebuji ale vědět co s tím jištěním panelů.zbek píše:Tohle je k plači . Hod sem ještě par fotek z větši dalky a přidej i foto panelu s kabelama . Bile husy krky jsou dobry maximalně do betonu to zkřehne za čas
Všechno to se nám zdá a nebo vidíme, je jenom sen ve snu.
E.A.Poe
E.A.Poe
-
- Příspěvky: 3541
- Registrován: ned led 29, 2012 3:59 pm
- Reputace: 265
- Lokalita: Žabčice
- Systémové napětí: 48V
- Výkon panelů [Wp]: 29139
- Kapacita baterie [kWh]: 65
- Chci prodávat energii: ANO
- Chci/Mám dotaci: NE
Re: InfiniSolar 3P 10kW nevidí baterie - hlásí kód 15
jj takze firma nakoupila HW za levne VO ceny, dali tam instalacni material za cca 2000kc ve VO cenach, odfkali praci aby nemuseli platit lidi. Takze tipuju ty jsi to cely zaplatil i s jejich ziskem a oni jako bonus vyzrali dotaci. To je parada.
Priste kasli na dotace a prijd tady za nami az budes vylepsovat ...
Hlavne at v tom rozvadeci udelaji neco s tema svorkama. To neni moc bezpecny.
Priste kasli na dotace a prijd tady za nami az budes vylepsovat ...
Hlavne at v tom rozvadeci udelaji neco s tema svorkama. To neni moc bezpecny.
-
- Příspěvky: 3541
- Registrován: ned led 29, 2012 3:59 pm
- Reputace: 265
- Lokalita: Žabčice
- Systémové napětí: 48V
- Výkon panelů [Wp]: 29139
- Kapacita baterie [kWh]: 65
- Chci prodávat energii: ANO
- Chci/Mám dotaci: NE
Re: InfiniSolar 3P 10kW nevidí baterie - hlásí kód 15
jisteni panelu? nezbytne minumum ...
https://gbc-solino.cz/wp-content/upload ... 151120.pdf
stranka 12 nahore.
Pokud by tam doopravdy davali jistice tak se nenech odrbat. Urcite dvoupolovy (je to IT sit) jistic a pro takova napeti urcite stejnosmerny, dodrzet polaritu !! Jenze to by musel byt jistic ktery umi zhaset takovy napeti.
Na jakym napeti mas stringy na prazdno?
Pise se tam i o ochrane proti prepeti.
Jo a kdyby tam chytraci chteli dat pojistky proc ne ale pozor na vysokonapetove stringy se pouzivaji jine pojistkove odpojovace do 1000V DC a hlavne solarni (drazsi) pojistky ktere umi zhaset DC do 1000V. Aby tam nedaly obycejny pojistky a neskoncilo to nestestim. Ona totiz takova pojistka se prodava klidne ke dvoum stovkam za kus.
https://gbc-solino.cz/wp-content/upload ... 151120.pdf
stranka 12 nahore.
Pokud by tam doopravdy davali jistice tak se nenech odrbat. Urcite dvoupolovy (je to IT sit) jistic a pro takova napeti urcite stejnosmerny, dodrzet polaritu !! Jenze to by musel byt jistic ktery umi zhaset takovy napeti.
Na jakym napeti mas stringy na prazdno?
Pise se tam i o ochrane proti prepeti.
Jo a kdyby tam chytraci chteli dat pojistky proc ne ale pozor na vysokonapetove stringy se pouzivaji jine pojistkove odpojovace do 1000V DC a hlavne solarni (drazsi) pojistky ktere umi zhaset DC do 1000V. Aby tam nedaly obycejny pojistky a neskoncilo to nestestim. Ona totiz takova pojistka se prodava klidne ke dvoum stovkam za kus.
Naposledy upravil(a) PavelR dne stř úno 05, 2020 5:49 pm, celkem upraveno 1 x.
-
- Příspěvky: 1309
- Registrován: úte úno 14, 2017 9:35 pm
- Reputace: 155
Re: InfiniSolar 3P 10kW nevidí baterie - hlásí kód 15
Dodali revizi? Kontaktovat revizáka, co je pod tím podepsaný jestli to vůbec viděl, jestli to nechce napravit, za to by mohl o paragraf devět přijít... Jestli se s revizí ani nenamáhali, měli by, určitě to bylo součástí smlouvy.
3,6kWp GWL Poly + 8,82kWp Canadian Mono, 3x PIP4048MS, 5x80P14S = 5600Cells 18650 (~900Ah/47kWh)
Elektrárna: https://emoncms.trenet.org/dashboard/view?id=3
TČ: https://emoncms.trenet.org/dashboard/view?id=21
Elektrárna: https://emoncms.trenet.org/dashboard/view?id=3
TČ: https://emoncms.trenet.org/dashboard/view?id=21
- diablo007
- Příspěvky: 3192
- Registrován: stř lis 28, 2018 7:57 pm
- Reputace: 239
- Bydliště: Vyškov
Re: InfiniSolar 3P 10kW nevidí baterie - hlásí kód 15
Uvadis že je to půda takže tam v zimě i mrzne že? Pro baterky likvidační
- volente
- Příspěvky: 2439
- Registrován: stř srp 20, 2014 1:01 am
- Reputace: 426
- Bydliště: Brno - venkov
Re: InfiniSolar 3P 10kW nevidí baterie - hlásí kód 15
Masakr, takže ty panely nelze odpojit jinak než rozpojit ty MC4?
5,5kWp - 4x Solartec mono 180Wp +¨6x IBC 155Wp poly + 10x Solea 170Wp mono + 6x Husinage HSG 190Wp + 6x Calyxo 70Wp amorf vertikálně (JV), 2x ZN ShineSolar poly 250Wp + 2x 260Wp poly (JZ), Epever LS 3024B, Epever LS 2024B, MakeSkyBlue 20A, eSmart 3 - 60A, 19 kWh Li-Ion, Axpert MSXE PF1, 24V/3,0kW, Axpert MSXE 24V/2,4kW.
- oldwest
- Příspěvky: 47
- Registrován: čtv led 30, 2020 5:45 pm
- Reputace: 4
- Bydliště: Podbořany
Re: InfiniSolar 3P 10kW nevidí baterie - hlásí kód 15
Půda je zateplená a teploty nikdy nešly níže než k nule i když venku mrzlo.diablo007 píše:Uvadis že je to půda takže tam v zimě i mrzne že? Pro baterky likvidační
Všechno to se nám zdá a nebo vidíme, je jenom sen ve snu.
E.A.Poe
E.A.Poe
- youda
- Příspěvky: 3155
- Registrován: stř dub 27, 2016 12:12 am
- Reputace: 961
Re: InfiniSolar 3P 10kW nevidí baterie - hlásí kód 15
Ano, měly by.oldwest píše:Ještě dotaz,neměly by být jištěny pojistkami i vodiče od panelů? Podle mne určitě ano, vzhledem k vysokým napětím a proudům které, tam potečou.
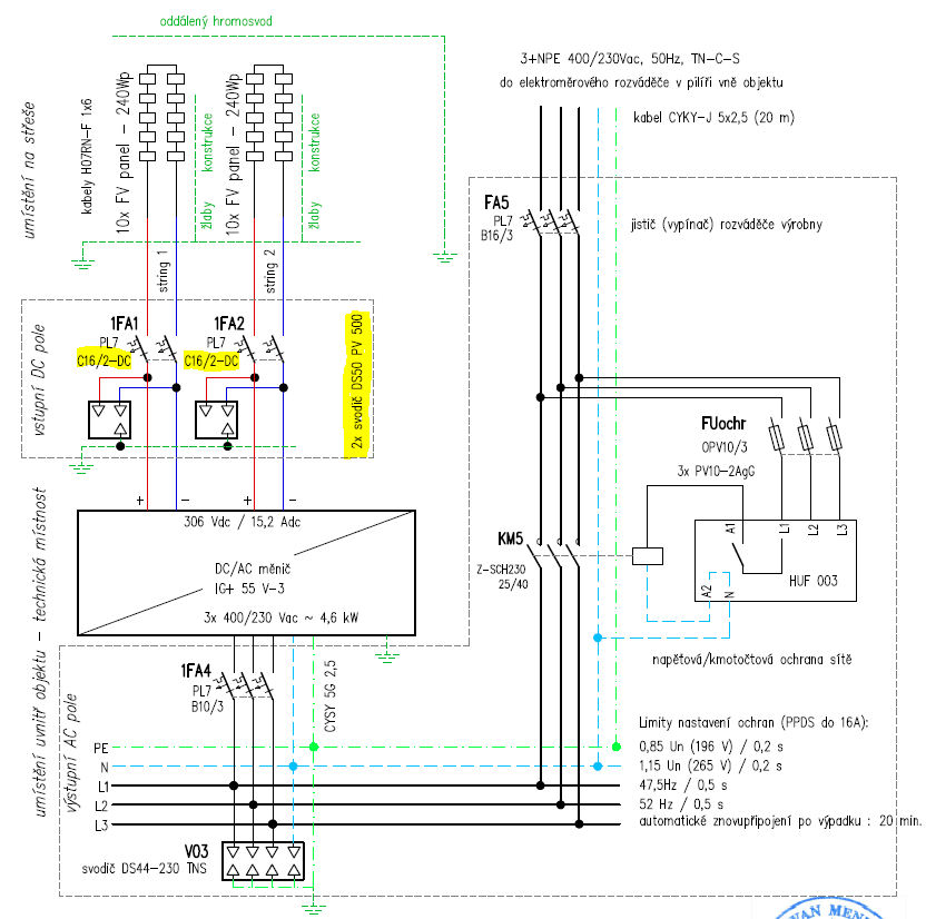
Pro referenci mrkni na toto schéma, jištění a ochrana PV vstupů je v levé části: 1)
Solární kabely z panelů se navedou do dvoupólového DC jističe, případě do pojistkového odpínače na válcové pojistky 10x38. Tvůj typ střídače potřebuje na vstupu jištění 20A per vodič, tak jak je napsáno v přeloženém manuálu, který ti sem dával PavelR.
Pozor na to, že střídač InfiniSolar zvládá HV stringy s napětím až 900V DC, na což musí být dimenzován jak DC jistič, tak případný pojistkový odpínač a DC pojistky. Odpínač tehdy, pokud by jistič byl moc drahý. Většina AC věcí je dimenzována do cca 600V, což není dostatečné. Rozhodně tedy nelze pro jištění PV vstupu použít AC jistič za stovku. A to jak kvůli absenci zhášecí komůrky, tak nedostatečnému jmenovitému napětí.
Jako odpínač PV je vhodný například NOARK Ex9FP To P na konci znamená právě určení pro PV-systémy. 2)
Výstup z odpínače/jističe se dále navede do přepěťové ochrany, například DS60VGPV-1000, případně CITEL DS50-PVS1000. Pozor, jeden takový modul na DIN lištu stojí několik tisíc Kč. A každý string musí mít vlastní modul a do něj zaveden plus i mínus.
Tak asi tak...
Youdova ostrovní laboratoř 20kWp: https://youda.mypower.cz
- oldwest
- Příspěvky: 47
- Registrován: čtv led 30, 2020 5:45 pm
- Reputace: 4
- Bydliště: Podbořany
Re: InfiniSolar 3P 10kW nevidí baterie - hlásí kód 15
FVE je plně funkční od připojení k ČEZU od 12/2019 s tím, že ve smlouvě je zmínka o výchozí revizi,kterou musí dodavatel provést. Toto jsem uvedl v první reklamaci, když to přestalo nabíjet. Pochopitelně jí budu požadovat.josse píše:Dodali revizi? Kontaktovat revizáka, co je pod tím podepsaný jestli to vůbec viděl, jestli to nechce napravit, za to by mohl o paragraf devět přijít... Jestli se s revizí ani nenamáhali, měli by, určitě to bylo součástí smlouvy.
Všechno to se nám zdá a nebo vidíme, je jenom sen ve snu.
E.A.Poe
E.A.Poe
Kdo je online
Uživatelé prohlížející si toto fórum: Claudebot [Bot] a 0 hostů