Úprava měniče step down
Souhrn tématu
Diskuse se věnuje úpravě měniče step down SZBK07 s řídícím procesorem LM5116, který je určen pro vstupní napětí do 42 V, ale uživatel potřebuje pracovat s 45-50 V ze solárních panelů. Probírá se možnost posunutí přepěťové ochrany výměnou součástek a úprava obvodu pro stabilní výstupní napětí 30-33 V při max. 5 A. Uživatelé doporučují zvážit nové návrhy měničů, vhodnější indukčnosti nebo jiné komponenty pro lepší stabilitu a spolehlivost v solárních aplikacích.
- fajst
- Příspěvky: 36
- Registrován: čtv srp 11, 2022 10:59 am
- Reputace:0
Úprava měniče step down
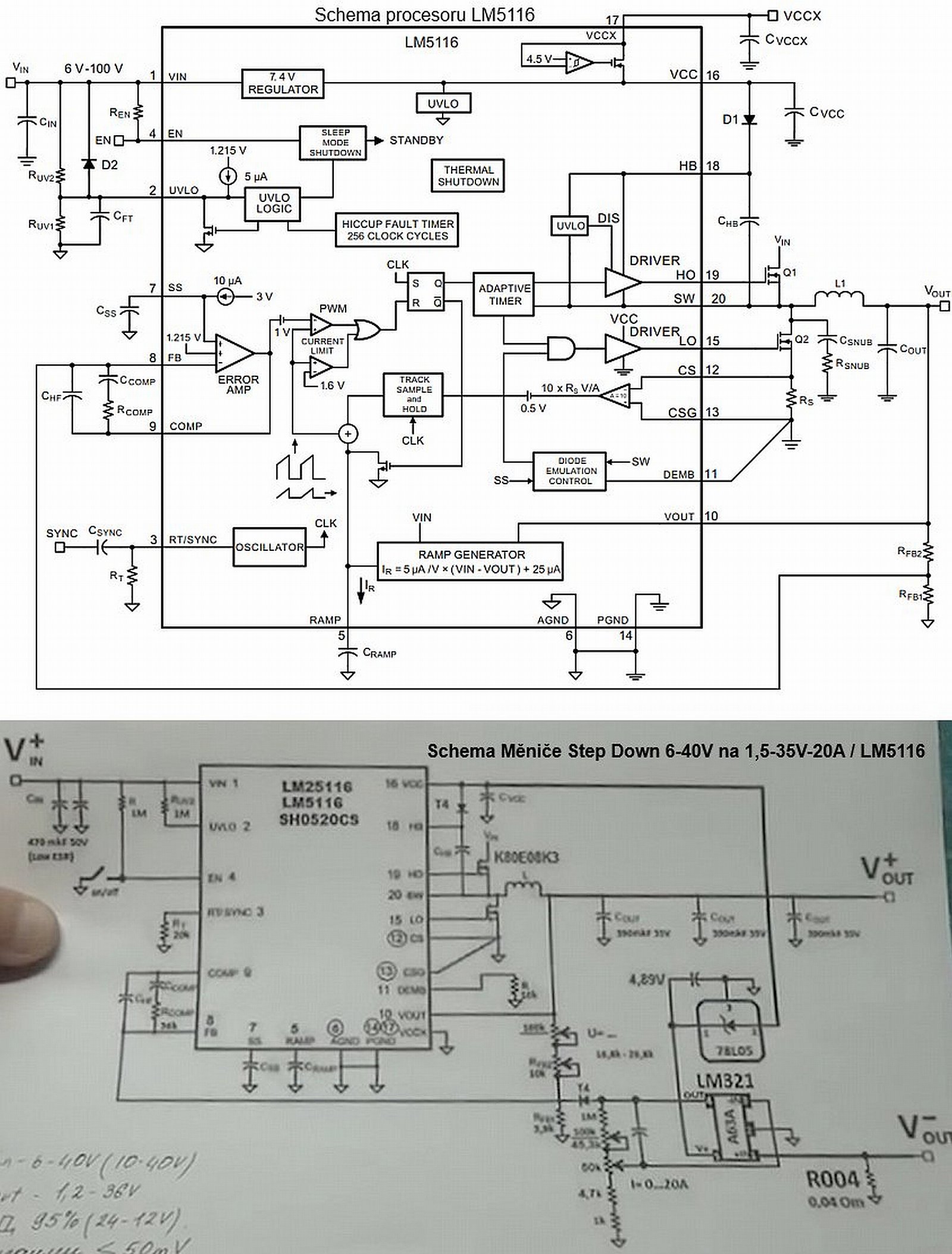
Zdravím přátelé, obracím se na vás pro radu. Potřebuji převést ze solárních panelů 45-50v na 30-33v / 5A max. Za tímto účelem jsem již zakoupil velice známé Měniče Step Down 6-40V na 1,5-35V-20A (SZBK07), které obsahují řídící procesor LM5116. Tento procesor je stavěný na 80-100v. Ale tyto moduly jsou nastaveny na vstupní napětí do 42voltů a při pokusu zavést napětí vyšší se zřejmě aktivuje přepěťová ochrana. Bylo by možné tuto ochranu malinko posunout pomocí výměny určitých součástek na tomto modulu? Našel jsem pouze podpěťovou ochranu, která je na 2 pinu IO LM5116. Přikládám schema tohoto obvodu.
- jahodovák
- Příspěvky: 2051
- Registrován: ned dub 02, 2017 3:45 pm
- Reputace:235
- Lokalita: podhůří Orlických hor
- Výkon panelů [Wp]: 7500
- Chci prodávat energii: NE
- Chci/Mám dotaci: NE
Re: Úprava měniče step down
Já bych použil toto https://www.laskakit.cz/step-down-menic-hw-636-60v-5a/
7,5kWp-
aexpert max 8 kw,power jack 10 kw a cca 45kW LIFE A LION
aexpert max 8 kw,power jack 10 kw a cca 45kW LIFE A LION
- Kostěj
- Příspěvky: 884
- Registrován: úte úno 25, 2014 9:33 pm
- Reputace:116
- Lokalita: Dobrovicko
- Systémové napětí: ~60 V
- Výkon panelů [Wp]: 9200
- Kapacita baterie [kWh]: 34
- Chci prodávat energii: NE
- Chci/Mám dotaci: NE
Re: Úprava měniče step down
Nevidím u IM5116 přepěťovou ochranu, natož nastavenou na 40V. Možná jde o dimenzování vstupních kondenzátorů v modulu (jejich max. napětí) a spínacích tranzistorů. Ale je to špatně čitelný obrázek.
7.8kWp (12x650Wp jih 35°: 2p3s EpeverTracer6420AN, 3p2s AxpertKing), AxpertKing 5kW/150V. LiFePo 34kWh: 18x280Ah (2022)+18x315Ah (2026). 2xJBDBMS-UART->ESP32->grafana+vytěžování 60V/4.8kW do NADO750. 5x280Wp (2013)-> přímotop.
- kodl69
- Příspěvky: 8318
- Registrován: sob črc 19, 2014 8:56 pm
- Reputace:1058
- Lokalita: severně od Brna
- Systémové napětí: 48V
- Výkon panelů [Wp]: 8kWp
- Kapacita baterie [kWh]: 12kWh
- Chci prodávat energii: NE
- Chci/Mám dotaci: NE
Re: Úprava měniče step down
Nenazývej obyčejnej buck kontroler procesorem, je to pro procesor urážka 
Podle mě je to nestandartním zapojením pinu 2 - Uvlo - stačí sepodívat do datasheetu a přečíst si tohle:
Ostatně co tím hodláš krmit? Počítáš s tím, že pokud bude panel dávat málo, že se to bude cyklicky zapínat a vypínat?
P.S. modulek z laskakit dobrej, ale drahej... Kupuju z ali skoro 10x levněj, ale na menší proud, ostatně elektronika zas tlik nežere : https://vi.aliexpress.com/item/10050014 ... pt=glo2vnm
Podle mě je to nestandartním zapojením pinu 2 - Uvlo - stačí sepodívat do datasheetu a přečíst si tohle:
takže bych milej odpor co je tam zapojenej odpojil a hotovo, případně zapojit to podle datasheetu: https://www.ti.com/lit/ug/snva285a/snva ... 8226736753 tj 100k k +, 10k k gnd, kondenzátor 1M proti zemi (keramike, ne elektrolyt) a dioda antiparalelně k plusu. CO je v EVM, to funguje... Ještě u toho modulu pozor na to, že v - polu má zapojenej bočník pro omezení proudu, tj pokud nějakým způsobem propojíš - vstupa výstup, tak nebude fungovat proudovej limit. Další průšvih může být ta 7805 zapojená na výstup vnitřního zdroje 7.5V, kterej má max. zatižitelnost 26mA, a má na starosti i jiný věci, než krmit 10mA do "pažravé" 7805... Další věc je, že tenhle modul nemá ochranu proti zkratu, mrkni do AN nebo datasheetu, odpor 0.01 ohm a piny CS a CSG... Asi by bylo jednodušší to navrhnout podle datasheetu znovu a pořádně.The UVLO pin has a 5-μA internal
pull up current that allows this pin to left open if the input undervoltage lockout function is not needed. For
applications which require fast on/off cycling, the UVLO pin with an open collector control signal can be used to
ensure proper start-up sequencing.
Ostatně co tím hodláš krmit? Počítáš s tím, že pokud bude panel dávat málo, že se to bude cyklicky zapínat a vypínat?
P.S. modulek z laskakit dobrej, ale drahej... Kupuju z ali skoro 10x levněj, ale na menší proud, ostatně elektronika zas tlik nežere : https://vi.aliexpress.com/item/10050014 ... pt=glo2vnm
ostrov skoro 8kWp neustále ve stádiu zrodu: smartshunt(ex WBJR), MPPT150/45, MPPT 250/100(ex midnitesolar 150 clasic lite), 16S a různě P cca 340Ah Winston, MP II 5000,( ex Powerjack 8kW, ex samodomo cca 4kW). 48V DC rozvody a spotřebiče.
- Mex
- Příspěvky: 1926
- Registrován: pát zář 29, 2023 4:12 am
- Reputace:364
- Lokalita: Brno
- Systémové napětí: >48V
Re: Úprava měniče step down
Ty chipy XL40xx (pro nízké napětí) nebo XL70xx (pro vyšší napětí) jsou podle mě opravdu podařené.
Pokud je to možné, tak beru moduly už jenom s nimi.
Pokud je to možné, tak beru moduly už jenom s nimi.
- fajst
- Příspěvky: 36
- Registrován: čtv srp 11, 2022 10:59 am
- Reputace:0
Re: Úprava měniče step down
Kostěj píše: ned říj 06, 2024 8:48 pmNevidím u IM5116 přepěťovou ochranu, natož nastavenou na 40V. Možná jde o dimenzování vstupních kondenzátorů v modulu (jejich max. napětí) a spínacích tranzistorů. Ale je to špatně čitelný obrázek.
- Kostěj
- Příspěvky: 884
- Registrován: úte úno 25, 2014 9:33 pm
- Reputace:116
- Lokalita: Dobrovicko
- Systémové napětí: ~60 V
- Výkon panelů [Wp]: 9200
- Kapacita baterie [kWh]: 34
- Chci prodávat energii: NE
- Chci/Mám dotaci: NE
Re: Úprava měniče step down
Ty tranzistory jsou na 85V, kdybych to měl napájet vyšším napětím, zkontroloval bych špičky na tranzistorech osciloskopem. Přijde mi to dost na hraně.
7.8kWp (12x650Wp jih 35°: 2p3s EpeverTracer6420AN, 3p2s AxpertKing), AxpertKing 5kW/150V. LiFePo 34kWh: 18x280Ah (2022)+18x315Ah (2026). 2xJBDBMS-UART->ESP32->grafana+vytěžování 60V/4.8kW do NADO750. 5x280Wp (2013)-> přímotop.
- gupa
- Příspěvky: 3722
- Registrován: sob pro 29, 2012 10:22 pm
- Reputace:169
- Lokalita: pod Brnem
- Systémové napětí: 24V
Re: Úprava měniče step down
Je možné ten měnič nafotit aby byly čitelné hodnoty a propoje?
Napřed jsem si myslel díky informaci že při přepětí měnič vypne, informaci že má odepínač podle podpětí a přidal jsem příspěvek že se to nastavuje EV pinem. Je za ním sleep mode a shutdown.
Hned jsem ten můj příspěvek smazal abych nešířil nějaké mé omyly.
Jak to stím EV pinem prakticky je? Dimenzování ostatních součástek podle vstupního napětí a nastavení kmitočtu a nejnižšího napětí a rozdílu napětí jsem se dočetl. Také důležitá informace z TI serveru je, že je kritická vzdálenost propoje na PCB od IC k výstupnímu elektrolytu kvůli jakémusi zacyklení.(esli jsem to správně pochopil)
Napřed jsem si myslel díky informaci že při přepětí měnič vypne, informaci že má odepínač podle podpětí a přidal jsem příspěvek že se to nastavuje EV pinem. Je za ním sleep mode a shutdown.
Hned jsem ten můj příspěvek smazal abych nešířil nějaké mé omyly.
Jak to stím EV pinem prakticky je? Dimenzování ostatních součástek podle vstupního napětí a nastavení kmitočtu a nejnižšího napětí a rozdílu napětí jsem se dočetl. Také důležitá informace z TI serveru je, že je kritická vzdálenost propoje na PCB od IC k výstupnímu elektrolytu kvůli jakémusi zacyklení.(esli jsem to správně pochopil)
3x2000VA-VMP-par, NiCd 24V, 22x210-320Wp, 2x85A-VMPPT, ABC-&-XYZ mypower.czAť ti to běží jako hodinky na baterku s čerstvou expirací! Zdejší slova: To by bylo, abychom na tom šetření nevydělali!
- fajst
- Příspěvky: 36
- Registrován: čtv srp 11, 2022 10:59 am
- Reputace:0
Re: Úprava měniče step down
V příloze zasílám foto, jedná se o modul, který je prodáván jako Step Down 6-40V na 1,5-35V-20A (SZBK07) původně s IO LM25116. Ale já jsem zakoupil stejný moduly s IO LM5116. Řídící obvod LM25116 (SH0520CS) je do 45V, ale LM5116 je do 100V. Ale i když je použit IO LM5116 stále se to tváří jako LM25116. Tak si říkám že musí někde být nastavené omezení na vstupní napětí maximálně do 40v. No a já potřebuji o kousek víc maximálně do 48v. Pokud zvýším vstupní napětí na 42-50v tak výstupní napětí a proud klesnou na minimum. Nic se nehřeje, z ničeho se nekouří. Na výstupu mám pokusně zapojenou autožárovku 24v/21W. Výstup nastaven na 25V/4A. Do 40v běží vše ok. Někde musí být nějaká Čínská finta a ta mě nedá spát.gupa píše: pon říj 07, 2024 9:16 pmJe možné ten měnič nafotit aby byly čitelné hodnoty a propoje?
Napřed jsem si myslel díky informaci že při přepětí měnič vypne, informaci že má odepínač podle podpětí a přidal jsem příspěvek že se to nastavuje EV pinem. Je za ním sleep mode a shutdown.
Hned jsem ten můj příspěvek smazal abych nešířil nějaké mé omyly.
Jak to stím EV pinem prakticky je? Dimenzování ostatních součástek podle vstupního napětí a nastavení kmitočtu a nejnižšího napětí a rozdílu napětí jsem se dočetl. Také důležitá informace z TI serveru je, že je kritická vzdálenost propoje na PCB od IC k výstupnímu elektrolytu kvůli jakémusi zacyklení.(esli jsem to správně pochopil)
- gupa
- Příspěvky: 3722
- Registrován: sob pro 29, 2012 10:22 pm
- Reputace:169
- Lokalita: pod Brnem
- Systémové napětí: 24V
Re: Úprava měniče step down
Mezi prvním (pod tečkou) a čtvrtým pinem U1 se naměří jaká rezistence? A pokud se věc zapojí, jaké napětí probíhá mezi těmi piny(1a4)když stoupá k těm 40V a při jakém napětí, mezi těmi piny (1a4), ten měnič vypne?
Jako i když se dojde nato kde to lze posunout malinko výš, stále je problém s těmi tlumiči a zákmity na mosfetech a také na možném jiném projevu z důvodu nevyváženosti zapojení. Těch max 40V tam není jen tak nastavených, na jiném IC s vyšším napětí moc nezáleží, záleží na mnohem více věcech okolo něj, obzvlášť když byl připájen do obvodu do 40VINmax.
Jako i když se dojde nato kde to lze posunout malinko výš, stále je problém s těmi tlumiči a zákmity na mosfetech a také na možném jiném projevu z důvodu nevyváženosti zapojení. Těch max 40V tam není jen tak nastavených, na jiném IC s vyšším napětí moc nezáleží, záleží na mnohem více věcech okolo něj, obzvlášť když byl připájen do obvodu do 40VINmax.
3x2000VA-VMP-par, NiCd 24V, 22x210-320Wp, 2x85A-VMPPT, ABC-&-XYZ mypower.czAť ti to běží jako hodinky na baterku s čerstvou expirací! Zdejší slova: To by bylo, abychom na tom šetření nevydělali!
- fajst
- Příspěvky: 36
- Registrován: čtv srp 11, 2022 10:59 am
- Reputace:0
Re: Úprava měniče step down
Mezi prvním a čtvrtým pinem U1 je odpor 1M (odpor R2 na schematu). Napětí mezi těmito piny při 30v = 12v, při 40v = 20v a při 50v = 30v. Měnič vypne když je mezi piny 22v. Měřeno + pol na 1 pinu a -pol na 4 pinu.gupa píše: úte říj 08, 2024 8:27 pmMezi prvním (pod tečkou) a čtvrtým pinem U1 se naměří jaká rezistence? A pokud se věc zapojí, jaké napětí probíhá mezi těmi piny(1a4)když stoupá k těm 40V a při jakém napětí, mezi těmi piny (1a4), ten měnič vypne?
Jako i když se dojde nato kde to lze posunout malinko výš, stále je problém s těmi tlumiči a zákmity na mosfetech a také na možném jiném projevu z důvodu nevyváženosti zapojení. Těch max 40V tam není jen tak nastavených, na jiném IC s vyšším napětí moc nezáleží, záleží na mnohem více věcech okolo něj, obzvlášť když byl připájen do obvodu do 40VINmax.
- gupa
- Příspěvky: 3722
- Registrován: sob pro 29, 2012 10:22 pm
- Reputace:169
- Lokalita: pod Brnem
- Systémové napětí: 24V
Re: Úprava měniče step down
No a nyní jaké je vypínací napětí mezi dvojkou a jedničkou, tam je dělič, chápu to tak podle datasheetu, že nikdy nesmí překročit napětí na pinu 2, 16V. Čím výše se nadělí rezistence pro vstupní napětí na pinu 2, tím vyšší bude zřejmě vypínací napětí.fajst píše: úte říj 08, 2024 9:25 pm
Mezi prvním a čtvrtým pinem U1 je odpor 1M (odpor R2 na schematu). Napětí mezi těmito piny při 30v = 12v, při 40v = 20v a při 50v = 30v. Měnič vypne když je mezi piny 22v. Měřeno + pol na 1 pinu a -pol na 4 pinu.
Pravidlo pro VInMAX je
RUV2 > 500 ✕ VIN(MAX) Where VIN(MAX)
tz. 40Vx500 znamená, že tam někde je 20k odpor a ten lze přepočítat tak, aby ale na pinu 2 nebylo více jak 16V.
Jaké vstupní napětí je zamýšleno? Protože toto je dle datasheetu bod 1, pro výpočet RUv1 je bod dva dle datasheetu.
3x2000VA-VMP-par, NiCd 24V, 22x210-320Wp, 2x85A-VMPPT, ABC-&-XYZ mypower.czAť ti to běží jako hodinky na baterku s čerstvou expirací! Zdejší slova: To by bylo, abychom na tom šetření nevydělali!
- fajst
- Příspěvky: 36
- Registrován: čtv srp 11, 2022 10:59 am
- Reputace:0
Re: Úprava měniče step down
Napětí mezi minusem a pinem 2 : Při 20V=16v, při 30v=18v, při 42v(vypínací) =18v a při 50v=18voltů.gupa píše: úte říj 08, 2024 10:21 pmNo a nyní jaké je vypínací napětí mezi dvojkou a jedničkou, tam je dělič, chápu to tak podle datasheetu, že nikdy nesmí překročit napětí na pinu 2, 16V. Čím výše se nadělí rezistence pro vstupní napětí na pinu 2, tím vyšší bude zřejmě vypínací napětí.fajst píše: úte říj 08, 2024 9:25 pm
Mezi prvním a čtvrtým pinem U1 je odpor 1M (odpor R2 na schematu). Napětí mezi těmito piny při 30v = 12v, při 40v = 20v a při 50v = 30v. Měnič vypne když je mezi piny 22v. Měřeno + pol na 1 pinu a -pol na 4 pinu.
Pravidlo pro VInMAX je
RUV2 > 500 ✕ VIN(MAX) Where VIN(MAX)
tz. 40Vx500 znamená, že tam někde je 20k odpor a ten lze přepočítat tak, aby ale na pinu 2 nebylo více jak 16V.
Jaké vstupní napětí je zamýšleno? Protože toto je dle datasheetu bod 1, pro výpočet RUv1 je bod dva dle datasheetu.
LM5116 Wide Range Synchronous Buck Controller datasheet (Rev. I).png
Napětí mezi pinem 1 (+pol) a pinem 2 : Při 30v=18v, při 42v(vypínací)=22v a při 50v=32voltů.
Mezi pin 2 a mínus pol (zem) jsem zkoušel přidat odpor 47k (RUV1) no ale pouze se změnilo vypnutí při podpětí, měnič začal fungovat až od 15 voltů a opět při 40-42v se vypnul. Jo a 20k odpor je mezi pinem 3 a zemí.
Toto schema je totožné s mým modulem:
- fajst
- Příspěvky: 36
- Registrován: čtv srp 11, 2022 10:59 am
- Reputace:0
Re: Úprava měniče step down
Také jsem našel ještě toto:fajst píše: stř říj 09, 2024 9:49 amNapětí mezi minusem a pinem 2 : Při 20V=16v, při 30v=18v, při 42v(vypínací) =18v a při 50v=18voltů.gupa píše: úte říj 08, 2024 10:21 pmNo a nyní jaké je vypínací napětí mezi dvojkou a jedničkou, tam je dělič, chápu to tak podle datasheetu, že nikdy nesmí překročit napětí na pinu 2, 16V. Čím výše se nadělí rezistence pro vstupní napětí na pinu 2, tím vyšší bude zřejmě vypínací napětí.fajst píše: úte říj 08, 2024 9:25 pm
Mezi prvním a čtvrtým pinem U1 je odpor 1M (odpor R2 na schematu). Napětí mezi těmito piny při 30v = 12v, při 40v = 20v a při 50v = 30v. Měnič vypne když je mezi piny 22v. Měřeno + pol na 1 pinu a -pol na 4 pinu.
Pravidlo pro VInMAX je
RUV2 > 500 ✕ VIN(MAX) Where VIN(MAX)
tz. 40Vx500 znamená, že tam někde je 20k odpor a ten lze přepočítat tak, aby ale na pinu 2 nebylo více jak 16V.
Jaké vstupní napětí je zamýšleno? Protože toto je dle datasheetu bod 1, pro výpočet RUv1 je bod dva dle datasheetu.
LM5116 Wide Range Synchronous Buck Controller datasheet (Rev. I).png
Napětí mezi pinem 1 (+pol) a pinem 2 : Při 30v=18v, při 42v(vypínací)=22v a při 50v=32voltů.
Mezi pin 2 a mínus pol (zem) jsem zkoušel přidat odpor 47k (RUV1) no ale pouze se změnilo vypnutí při podpětí, měnič začal fungovat až od 15 voltů a opět při 40-42v se vypnul. Jo a 20k odpor je mezi pinem 3 a zemí.
Toto schema je totožné s mým modulem: Schema zapojení modulu LM25116+LM5116 - 02.jpg
- Přílohy
Vyhodnocovací deska LM5116 - CZ.pdf- (1.61 MiB) Staženo 137 x
- gupa
- Příspěvky: 3722
- Registrován: sob pro 29, 2012 10:22 pm
- Reputace:169
- Lokalita: pod Brnem
- Systémové napětí: 24V
Re: Úprava měniče step down
3x2000VA-VMP-par, NiCd 24V, 22x210-320Wp, 2x85A-VMPPT, ABC-&-XYZ mypower.czAť ti to běží jako hodinky na baterku s čerstvou expirací! Zdejší slova: To by bylo, abychom na tom šetření nevydělali!
- fajst
- Příspěvky: 36
- Registrován: čtv srp 11, 2022 10:59 am
- Reputace:0
Re: Úprava měniče step down
Bohužel nejde to. Pouze se upravuje vypnutí při podpětí. Ale jinak děkuji za snahu pomoci.
- gupa
- Příspěvky: 3722
- Registrován: sob pro 29, 2012 10:22 pm
- Reputace:169
- Lokalita: pod Brnem
- Systémové napětí: 24V
Re: Úprava měniče step down
Neházel bych flintu do žita, co dělá VCC pin 16? Neklesne napětí pro 5v pro stabilizátor při překračování 40VIN? VCCX je také na groundu, to to VCC nastavuje přes kapacitu.
3x2000VA-VMP-par, NiCd 24V, 22x210-320Wp, 2x85A-VMPPT, ABC-&-XYZ mypower.czAť ti to běží jako hodinky na baterku s čerstvou expirací! Zdejší slova: To by bylo, abychom na tom šetření nevydělali!
- fajst
- Příspěvky: 36
- Registrován: čtv srp 11, 2022 10:59 am
- Reputace:0
Re: Úprava měniče step down
Pin 16 VCC je ok, stálé napětí 7,2v i při napájení 50v. Potřeboval by jsem sehnat schema od tohoto měniče, neboť používá také IO LM5116 a je funkční do 90v. http://www.hezkyden.cz/shop/dc-dc-menic-cn3900/gupa píše: pát říj 11, 2024 11:28 amNeházel bych flintu do žita, co dělá VCC pin 16? Neklesne napětí pro 5v pro stabilizátor při překračování 40VIN? VCCX je také na groundu, to to VCC nastavuje přes kapacitu.
- Kostěj
- Příspěvky: 884
- Registrován: úte úno 25, 2014 9:33 pm
- Reputace:116
- Lokalita: Dobrovicko
- Systémové napětí: ~60 V
- Výkon panelů [Wp]: 9200
- Kapacita baterie [kWh]: 34
- Chci prodávat energii: NE
- Chci/Mám dotaci: NE
Re: Úprava měniče step down
Spíš to vidím na sepnutí proudového omezení, ostatně to v dokumentaci zmiňují. Volně: Když je vstupní napětí příliš vysoké (a nebo rozdíl vstupní-výstupní napětí je velký) a indukčnost příliš malá, výstupní proudový impulz do indukčnosti může být tak velký, že způsobí zareagování proudové ochrany. Laboroval bych tam. Složité, je to na hranici mých znalostí.
7.8kWp (12x650Wp jih 35°: 2p3s EpeverTracer6420AN, 3p2s AxpertKing), AxpertKing 5kW/150V. LiFePo 34kWh: 18x280Ah (2022)+18x315Ah (2026). 2xJBDBMS-UART->ESP32->grafana+vytěžování 60V/4.8kW do NADO750. 5x280Wp (2013)-> přímotop.
- gupa
- Příspěvky: 3722
- Registrován: sob pro 29, 2012 10:22 pm
- Reputace:169
- Lokalita: pod Brnem
- Systémové napětí: 24V
Re: Úprava měniče step down
Pokud někde v datasheetu napíšou, že na pinu je maximální napětí 16V ale přitom se tam ukazuje mnohem více, je to buď jiný čip než se píše nebo je nějak okolními součástkami přeprogramovaný, nebo je záměrně na tom pinu nějak IC upravený ( částečná destrukce) aby to napětí prostě VIN nikdy nemohlo být tím že odpálím nějaký operák za pinem který to může nastavit.
Chápat to ale lze i tak podle datasheetu, že pokud napětí na pinu 2 překročí 16V, programování maxi VIN nefunguje. Takže poslední možnost to vidím spočítat děličku pro pin 2 tak, aby nebylo překročeno napětí 16V při variabilním vstupu VIN.
Má opravdu ten smd rezistor k pinu 2 rezistenci 1Mohm?
Chápat to ale lze i tak podle datasheetu, že pokud napětí na pinu 2 překročí 16V, programování maxi VIN nefunguje. Takže poslední možnost to vidím spočítat děličku pro pin 2 tak, aby nebylo překročeno napětí 16V při variabilním vstupu VIN.
Má opravdu ten smd rezistor k pinu 2 rezistenci 1Mohm?
3x2000VA-VMP-par, NiCd 24V, 22x210-320Wp, 2x85A-VMPPT, ABC-&-XYZ mypower.czAť ti to běží jako hodinky na baterku s čerstvou expirací! Zdejší slova: To by bylo, abychom na tom šetření nevydělali!
Kdo je online
Uživatelé procházející toto fórum: Claudebot [Bot]

