Zapojenie Akumulacnej nadrze
-
- Příspěvky: 965
- Registrován: stř říj 02, 2013 8:57 am
- Reputace: 70
Re: Zapojenie Akumulacnej nadrze
K tomu Atmosu asi je lepší regulace (levnější) jak Ladomat. A zaústění zpátečky bojleru by mělo být samostatně protože se z bojleru vrací dost teplá voda a ta se v tomto případě žene do spodku AN a ta se brzo zamíchá. Hlavně použít elektronická čerpadla s malou spotřebou. Jestli chcete reg. s displejem tak tento https://www.kotlenauhli.cz/kotle/eshop/ ... CS-i-1-TUV ná v sobě i řízení bojleru. A jestli chcete ušetřit tak tento https://www.jabloshop.cz/r3v-a1-regulat ... ch-ventilu
Teploměry lze použít třeba tyto https://dratek.cz/arduino/148632-cerny- ... oqEALw_wcB
Teploměry lze použít třeba tyto https://dratek.cz/arduino/148632-cerny- ... oqEALw_wcB
-
- Příspěvky: 2117
- Registrován: pon lis 01, 2021 7:41 pm
- Reputace: 188
- Lokalita: MY, SR
- Výkon panelů [Wp]: 10200
- Kapacita baterie [kWh]: 28
- Bydliště: SR MY
Re: Zapojenie Akumulacnej nadrze
Hydraulické schémy zapojenia ponúka aj Attack - TU
Na ochranu spiatočky asi nie je lacnejšie riešenie ako termostatický trojcestný ventil + čerpadlo.
Pre nabíjanie bojlera sa dá použiť všeličo, buď trojcestný rozdelovací ventil so servom ovládaný príložným termostatom (otvorené A výstup alebo otvorený B výstup) alebo čerpadlo.
Do domu sa dá zasa použiť viacero možností, či už trojcestný so servopohonom, alebo termostatický trojcestný ventil príp. ručne ovládaný ventil.
Starý kotol som mal napojený takto: Nový mám napojený podobne len s tým rozdielom, že už má ochranu spiatočky integrovanú v sebe.
Na ochranu spiatočky asi nie je lacnejšie riešenie ako termostatický trojcestný ventil + čerpadlo.
Pre nabíjanie bojlera sa dá použiť všeličo, buď trojcestný rozdelovací ventil so servom ovládaný príložným termostatom (otvorené A výstup alebo otvorený B výstup) alebo čerpadlo.
Do domu sa dá zasa použiť viacero možností, či už trojcestný so servopohonom, alebo termostatický trojcestný ventil príp. ručne ovládaný ventil.
Starý kotol som mal napojený takto: Nový mám napojený podobne len s tým rozdielom, že už má ochranu spiatočky integrovanú v sebe.
Victron ESS AC Coupling:
2,75kWp on-grid + 3,3kWp a 4,15kWp RS450/100 + MP2 5kVA + 2x 17x280Ah + JK BMS
2,75kWp on-grid + 3,3kWp a 4,15kWp RS450/100 + MP2 5kVA + 2x 17x280Ah + JK BMS
-
- Příspěvky: 965
- Registrován: stř říj 02, 2013 8:57 am
- Reputace: 70
Re: Zapojenie Akumulacnej nadrze
V původním nákresu je bojler zapojený asi jako samotížka. Osobně nedoporučuji ohřívat bojler 24h protože má větší ztrátu jak trochu dobře zaizolovaná AN. Kupovanou izolaci AN nepovažuji za dostačující. Hlavně když je AN umístěná v kotelně.
-
- Příspěvky: 25
- Registrován: stř pro 14, 2022 3:44 pm
- Reputace: 0
- Lokalita: Mohelnice
Re: Zapojenie Akumulacnej nadrze
Zdravím,
mám 2x AN 1000L, spirálu 3x2.5KW jsem měl umístěnou v horní polovině, opakovaně se mi stávalo, že se mi voda v horní části nahřála na 90st a spirála se mi vypnula, dole voda byla 30st, vprostřed třeba jen 40st. Spirálu jsem nyní umístil do dolní poloviny a zlepšilo se to.
mám 2x AN 1000L, spirálu 3x2.5KW jsem měl umístěnou v horní polovině, opakovaně se mi stávalo, že se mi voda v horní části nahřála na 90st a spirála se mi vypnula, dole voda byla 30st, vprostřed třeba jen 40st. Spirálu jsem nyní umístil do dolní poloviny a zlepšilo se to.
-
- Příspěvky: 1595
- Registrován: ned zář 25, 2022 10:47 am
- Reputace: 231
- Lokalita: Pod Karpatmi
Re: Zapojenie Akumulacnej nadrze
Bojler mam aj teraz zapojeny samotiazou este pred stvorcestnym ventilom a nemam stym ziadny problem funguje to takto uz osem rokov akurat teraz ked to bude zapojene s AN tak mozno by som pouzil cerpadlo nan lebo nadrz bude trochu dalej od bojlera..
Máš to dost komplikovaně, blbě a nesmyslně. (Pardon za upřímnost.)
Vobec sa neospravedlnuj je to tu nato aby somsi nechal poradit a vypocul viacero nazorov..
Nevedel som kam asi dat tie trojcestne ventily ale uz viem..,,Pawel" nemam vobec v plane robit stoho dalsiu elektronikou prepchanu strojovnu mam rad veci jednoduche najlepsie mechanicke nakolko nechcem zvysovat spotrebu elektriny v zimnych mesiacoch riadiacim systemom,uz dost tam bude naviac cerpadla co su,ale nevravym ze by sa mi to tak nelubilo...no ako pise ,,Diablo1st" tak mam v plane len termostaty s cerpadlami.jednoduche a lacne riesenie.teraz som vpraci a nestiham citat tak ked pridem dnes domov mam to vplane prekreslit a dodat popis ktomu ..tak zatial pani..
Máš to dost komplikovaně, blbě a nesmyslně. (Pardon za upřímnost.)
Vobec sa neospravedlnuj je to tu nato aby somsi nechal poradit a vypocul viacero nazorov..
Nevedel som kam asi dat tie trojcestne ventily ale uz viem..,,Pawel" nemam vobec v plane robit stoho dalsiu elektronikou prepchanu strojovnu mam rad veci jednoduche najlepsie mechanicke nakolko nechcem zvysovat spotrebu elektriny v zimnych mesiacoch riadiacim systemom,uz dost tam bude naviac cerpadla co su,ale nevravym ze by sa mi to tak nelubilo...no ako pise ,,Diablo1st" tak mam v plane len termostaty s cerpadlami.jednoduche a lacne riesenie.teraz som vpraci a nestiham citat tak ked pridem dnes domov mam to vplane prekreslit a dodat popis ktomu ..tak zatial pani..
JZ-2s5p 3,8kWp >> Epever 8415 AN
JV-2s3p 2,7kWp >> Epever 6415 AN
2x Victron MP2 5000V/A paralelne
48V 760Ah/35kWh Li-ion
a stále v štádiu budovania
(rozširovania)
JV-2s3p 2,7kWp >> Epever 6415 AN
2x Victron MP2 5000V/A paralelne
48V 760Ah/35kWh Li-ion
a stále v štádiu budovania

-
- Příspěvky: 1595
- Registrován: ned zář 25, 2022 10:47 am
- Reputace: 231
- Lokalita: Pod Karpatmi
Re: Zapojenie Akumulacnej nadrze
A este ktej izolaci AN co by bolo vhodnejsie?v tom linku su aj izolacie penove v ponuke aj vata..
JZ-2s5p 3,8kWp >> Epever 8415 AN
JV-2s3p 2,7kWp >> Epever 6415 AN
2x Victron MP2 5000V/A paralelne
48V 760Ah/35kWh Li-ion
a stále v štádiu budovania
(rozširovania)
JV-2s3p 2,7kWp >> Epever 6415 AN
2x Victron MP2 5000V/A paralelne
48V 760Ah/35kWh Li-ion
a stále v štádiu budovania

-
- Příspěvky: 965
- Registrován: stř říj 02, 2013 8:57 am
- Reputace: 70
Re: Zapojenie Akumulacnej nadrze
Mám vatu zakrytou polystyrenem min.30cm.
-
- Příspěvky: 2117
- Registrován: pon lis 01, 2021 7:41 pm
- Reputace: 188
- Lokalita: MY, SR
- Výkon panelů [Wp]: 10200
- Kapacita baterie [kWh]: 28
- Bydliště: SR MY
Re: Zapojenie Akumulacnej nadrze
Ja som toto moc neriešil, keďže straty domu mám väčšie, nejaká strata na nádržiach ma netrápi. Navyše až tak veľa miesta tam nemám.Migel píše:A este ktej izolaci AN co by bolo vhodnejsie?v tom linku su aj izolacie penove v ponuke aj vata..
Victron ESS AC Coupling:
2,75kWp on-grid + 3,3kWp a 4,15kWp RS450/100 + MP2 5kVA + 2x 17x280Ah + JK BMS
2,75kWp on-grid + 3,3kWp a 4,15kWp RS450/100 + MP2 5kVA + 2x 17x280Ah + JK BMS
-
- Příspěvky: 965
- Registrován: stř říj 02, 2013 8:57 am
- Reputace: 70
Re: Zapojenie Akumulacnej nadrze
Je lepší poslat teplo nahoru než topit do kotelny. Ovšem jestli nejsou AN umístěny v místnosti kde pracujete v době topné sezony.
-
- Příspěvky: 1595
- Registrován: ned zář 25, 2022 10:47 am
- Reputace: 231
- Lokalita: Pod Karpatmi
Re: Zapojenie Akumulacnej nadrze
Takze. Ude stacit ta izolacia co je ktomu ja tiez nemam miesto..vecer dodam fotky kde to bude umiestnene..
JZ-2s5p 3,8kWp >> Epever 8415 AN
JV-2s3p 2,7kWp >> Epever 6415 AN
2x Victron MP2 5000V/A paralelne
48V 760Ah/35kWh Li-ion
a stále v štádiu budovania
(rozširovania)
JV-2s3p 2,7kWp >> Epever 6415 AN
2x Victron MP2 5000V/A paralelne
48V 760Ah/35kWh Li-ion
a stále v štádiu budovania

-
- Příspěvky: 1595
- Registrován: ned zář 25, 2022 10:47 am
- Reputace: 231
- Lokalita: Pod Karpatmi
Re: Zapojenie Akumulacnej nadrze
JZ-2s5p 3,8kWp >> Epever 8415 AN
JV-2s3p 2,7kWp >> Epever 6415 AN
2x Victron MP2 5000V/A paralelne
48V 760Ah/35kWh Li-ion
a stále v štádiu budovania
(rozširovania)
JV-2s3p 2,7kWp >> Epever 6415 AN
2x Victron MP2 5000V/A paralelne
48V 760Ah/35kWh Li-ion
a stále v štádiu budovania

-
- Příspěvky: 2117
- Registrován: pon lis 01, 2021 7:41 pm
- Reputace: 188
- Lokalita: MY, SR
- Výkon panelů [Wp]: 10200
- Kapacita baterie [kWh]: 28
- Bydliště: SR MY
Re: Zapojenie Akumulacnej nadrze
Toho priestoru tam síce moc nie je, ale myslím, že to napojiť pôjde.
Napravo od kotla dať ochranu spiatočky a expanzku a potom po stene pokračovať do akumulačky. Z akumulačky sa potom pri strope dopojiť do súčasného systému.
Bojler by sa dal jednoducho napojiť rozdelovacím trojcestným ventilom hneď za ochranou spiatočky napr. toto ovládaným príložným termostatom.
Dalo by sa to aj druhým čerpadlom, ale tu už by som odporučil použiť "lepší" termostat, napr. Euroster 11Z. Tento som používal pár rokov a teraz už pár rokov beží v inej inštalácii.
Čerpadlo do domu by malo byť ovládané vnútorným termostatov. Zmiešavanie sa dá riešiť hocijakým trojcestným ventilom, či už manuálnym, termostatickým alebo so servo pohonom. Len treba to čerpadlo spínať na základe potreby tepla v dome, aby sa zbytočne nevybíjala akumulačka, keď to nie je potrebné.
Napravo od kotla dať ochranu spiatočky a expanzku a potom po stene pokračovať do akumulačky. Z akumulačky sa potom pri strope dopojiť do súčasného systému.
Bojler by sa dal jednoducho napojiť rozdelovacím trojcestným ventilom hneď za ochranou spiatočky napr. toto ovládaným príložným termostatom.
Dalo by sa to aj druhým čerpadlom, ale tu už by som odporučil použiť "lepší" termostat, napr. Euroster 11Z. Tento som používal pár rokov a teraz už pár rokov beží v inej inštalácii.
Čerpadlo do domu by malo byť ovládané vnútorným termostatov. Zmiešavanie sa dá riešiť hocijakým trojcestným ventilom, či už manuálnym, termostatickým alebo so servo pohonom. Len treba to čerpadlo spínať na základe potreby tepla v dome, aby sa zbytočne nevybíjala akumulačka, keď to nie je potrebné.
Victron ESS AC Coupling:
2,75kWp on-grid + 3,3kWp a 4,15kWp RS450/100 + MP2 5kVA + 2x 17x280Ah + JK BMS
2,75kWp on-grid + 3,3kWp a 4,15kWp RS450/100 + MP2 5kVA + 2x 17x280Ah + JK BMS
-
- Příspěvky: 991
- Registrován: pon kvě 19, 2014 11:38 am
- Reputace: 96
- Lokalita: za Berounem
- Systémové napětí: 48V
- Výkon panelů [Wp]: 5000
- Kapacita baterie [kWh]: 12
Re: Zapojenie Akumulacnej nadrze
Tak v kostce moje myšlenky pro přečtení dalších příspěvků:
- bojler se samotíží nabíjet z AN nebude, protože v tomhle prostoru nedostáhneš rozdílu výšek. A jakmile tam dáš čerpadlo, musíš zapomenout na "jednoduché mechanické řešení", protože to nevymyslíš. Ten Euroster jsem jeden čas používal u strejdy v kotelně. No a pak jsem to předělal na PLC a funguje to lépe. Ty regulátory od Atmosu (což je Honeywell) nebo od Siemensu (albatros) jsou starý, předražený a moc toho neumí.
- izolace akumulační nádrže: osobně mám 2-4 vrstvy 100mm vaty (kvůli teplotě) a celé je to obestavěné 100mm polystyrenu (slepené pěnou). Stojí mi to VENKU. Když vdím tu kotelnu, asi bych doporučil vykopat díru v podlaze, aby se ti tam vešla nějaká rozumná nádrž.
- ochrana zpátečky kotle přes termostatický ventil je spolehlivá. Když se to koupí zvlášť (ventil + čepadlo), vyjde to podstatně levněji než Laddomat a podobný pixly.
- obecně uřídit 3 čepadla a ventil se servem není jednoduchý. Jestli nechceš v kotelně elektroniku, tak si tam nech současný zapojení. Jestli ti bude někdo tvrdit, že to jde uřídit nějakýma bimetalama, tak ho vyžeň násadou od lopaty až za obzor.
- bojler se samotíží nabíjet z AN nebude, protože v tomhle prostoru nedostáhneš rozdílu výšek. A jakmile tam dáš čerpadlo, musíš zapomenout na "jednoduché mechanické řešení", protože to nevymyslíš. Ten Euroster jsem jeden čas používal u strejdy v kotelně. No a pak jsem to předělal na PLC a funguje to lépe. Ty regulátory od Atmosu (což je Honeywell) nebo od Siemensu (albatros) jsou starý, předražený a moc toho neumí.
- izolace akumulační nádrže: osobně mám 2-4 vrstvy 100mm vaty (kvůli teplotě) a celé je to obestavěné 100mm polystyrenu (slepené pěnou). Stojí mi to VENKU. Když vdím tu kotelnu, asi bych doporučil vykopat díru v podlaze, aby se ti tam vešla nějaká rozumná nádrž.
- ochrana zpátečky kotle přes termostatický ventil je spolehlivá. Když se to koupí zvlášť (ventil + čepadlo), vyjde to podstatně levněji než Laddomat a podobný pixly.
- obecně uřídit 3 čepadla a ventil se servem není jednoduchý. Jestli nechceš v kotelně elektroniku, tak si tam nech současný zapojení. Jestli ti bude někdo tvrdit, že to jde uřídit nějakýma bimetalama, tak ho vyžeň násadou od lopaty až za obzor.
mobilní elektrárna: viewtopic.php?t=4597, 290Wp mono, Winston 12V/130Ah, Victron MPPT 75/15, Victron inverter 12/250VA, Victron charger 20A, Orion 30A
domácí elektrárna: viewtopic.php?t=6898, FV 5kWp, LiFe 48V/120+120Ah, Axpert King 48/5000 + PCM60X + EPever
domácí elektrárna: viewtopic.php?t=6898, FV 5kWp, LiFe 48V/120+120Ah, Axpert King 48/5000 + PCM60X + EPever
-
- Příspěvky: 1595
- Registrován: ned zář 25, 2022 10:47 am
- Reputace: 231
- Lokalita: Pod Karpatmi
Re: Zapojenie Akumulacnej nadrze
Tak zmena!neska som volal s panom stej stranky(pravdepodobne majitel)a zistil som ze ked dam izolaciu tak sa nezmestim do tych rozmerou stropu.
Maju v ponuke este tuto co by mi vyhovovalo na vysku s izolaciou a preslo by to aj cez dvere pivnice.
https://akumulacne-nadrze.eu/lvti-0600-d700-0v.php
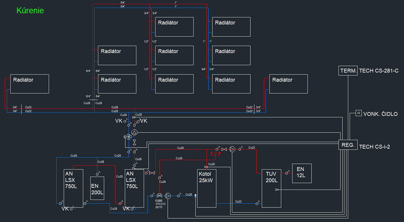
Ma vsetky vyvody rovnake tak by sa dalo dat aj do spodu nadrze spirala..vecer to prekreslim tym padom celu tu schemu a hodim to sem..
Maju v ponuke este tuto co by mi vyhovovalo na vysku s izolaciou a preslo by to aj cez dvere pivnice.
https://akumulacne-nadrze.eu/lvti-0600-d700-0v.php
Ma vsetky vyvody rovnake tak by sa dalo dat aj do spodu nadrze spirala..vecer to prekreslim tym padom celu tu schemu a hodim to sem..
JZ-2s5p 3,8kWp >> Epever 8415 AN
JV-2s3p 2,7kWp >> Epever 6415 AN
2x Victron MP2 5000V/A paralelne
48V 760Ah/35kWh Li-ion
a stále v štádiu budovania
(rozširovania)
JV-2s3p 2,7kWp >> Epever 6415 AN
2x Victron MP2 5000V/A paralelne
48V 760Ah/35kWh Li-ion
a stále v štádiu budovania

-
- Příspěvky: 2117
- Registrován: pon lis 01, 2021 7:41 pm
- Reputace: 188
- Lokalita: MY, SR
- Výkon panelů [Wp]: 10200
- Kapacita baterie [kWh]: 28
- Bydliště: SR MY
Re: Zapojenie Akumulacnej nadrze
Ak by si nahradil jedno čerpadlom rozdelovacím ventilom a nepoužil trojcestný so servom, tak by to podľa mňa išlo spraviť takto: Samozrejme konfort prevádzky je otázna, lebo čerpadlo by z akumulačne bralo teplo stále. Ak by sa pridal izbový termostat na ovládanie čerpadla z akumulačky, už by sa musel zmeniť aj systém ovládania, lebo by mohlo hroziť prekúrenie akumulačnej nádoby.luky píše:- obecně uřídit 3 čepadla a ventil se servem není jednoduchý. Jestli nechceš v kotelně elektroniku, tak si tam nech současný zapojení. Jestli ti bude někdo tvrdit, že to jde uřídit nějakýma bimetalama, tak ho vyžeň násadou od lopaty až za obzor.
Victron ESS AC Coupling:
2,75kWp on-grid + 3,3kWp a 4,15kWp RS450/100 + MP2 5kVA + 2x 17x280Ah + JK BMS
2,75kWp on-grid + 3,3kWp a 4,15kWp RS450/100 + MP2 5kVA + 2x 17x280Ah + JK BMS
-
- Příspěvky: 965
- Registrován: stř říj 02, 2013 8:57 am
- Reputace: 70
Re: Zapojenie Akumulacnej nadrze
Jakmile se zapne bojler tak celý výkon kotle půjde jen do bojleru a to naložený kotel asi neustojí. Bojler bude ohřívat vodu jen když se bude topit v kotli. A 65 st na zpátečce se mi zdá docela dost. Tento kotel žádnou nízkoteplotní korozí netrpí. Určitě není podmínka že když se topí do nádrže že se musí topit i do domu. To přehřátí AN se jen tak nestane a nechá se to asi lehce ošetřit.
-
- Příspěvky: 1595
- Registrován: ned zář 25, 2022 10:47 am
- Reputace: 231
- Lokalita: Pod Karpatmi
Re: Zapojenie Akumulacnej nadrze
Ak sa bude kurit tak zaroven sa bude kurit aj do domu takto je to zamyslane.nemam v plane len nakurit nadrz a potom znej brat, to by som tam musel mat 1500 litrovu nadrz aby to tak fungovalo..
Spiraly tam budu ukladat prebytky plus jedna spirala ktora bude mat svoje fv pole a striedac bel..
Teraz je bojler zapojeny este pred cerpadlom takze ked zopne cerpadlo tak berie viacej teplej vody ako ide cez bojler ale nie viac ako je nastaveny 4cv a ostatne sa vracia do spiatocky do kotla
Spiraly tam budu ukladat prebytky plus jedna spirala ktora bude mat svoje fv pole a striedac bel..
Teraz je bojler zapojeny este pred cerpadlom takze ked zopne cerpadlo tak berie viacej teplej vody ako ide cez bojler ale nie viac ako je nastaveny 4cv a ostatne sa vracia do spiatocky do kotla
JZ-2s5p 3,8kWp >> Epever 8415 AN
JV-2s3p 2,7kWp >> Epever 6415 AN
2x Victron MP2 5000V/A paralelne
48V 760Ah/35kWh Li-ion
a stále v štádiu budovania
(rozširovania)
JV-2s3p 2,7kWp >> Epever 6415 AN
2x Victron MP2 5000V/A paralelne
48V 760Ah/35kWh Li-ion
a stále v štádiu budovania

-
- Příspěvky: 2117
- Registrován: pon lis 01, 2021 7:41 pm
- Reputace: 188
- Lokalita: MY, SR
- Výkon panelů [Wp]: 10200
- Kapacita baterie [kWh]: 28
- Bydliště: SR MY
Re: Zapojenie Akumulacnej nadrze
Mne sa niečo podobné stalo na starom Attacku keď som nemal akumulačky. Odišlo mi čerpadlo do domu a prakticky celý výkon išiel do bojleru. Bojler udržal kotol pod 100°C, takže toho prepínania by som sa až tak nebál.Pawel píše:Jakmile se zapne bojler tak celý výkon kotle půjde jen do bojleru a to naložený kotel asi neustojí. Bojler bude ohřívat vodu jen když se bude topit v kotli. A 65 st na zpátečce se mi zdá docela dost. Tento kotel žádnou nízkoteplotní korozí netrpí. Určitě není podmínka že když se topí do nádrže že se musí topit i do domu. To přehřátí AN se jen tak nestane a nechá se to asi lehce ošetřit.
65°C na spiatočke som mal rovnako pri starom Attacku. Celkom sa mi to osvedčilo, voda v kotle mala okolo 82-85°C
Ale išlo by to spraviť aj takto:
Victron ESS AC Coupling:
2,75kWp on-grid + 3,3kWp a 4,15kWp RS450/100 + MP2 5kVA + 2x 17x280Ah + JK BMS
2,75kWp on-grid + 3,3kWp a 4,15kWp RS450/100 + MP2 5kVA + 2x 17x280Ah + JK BMS
-
- Příspěvky: 2117
- Registrován: pon lis 01, 2021 7:41 pm
- Reputace: 188
- Lokalita: MY, SR
- Výkon panelů [Wp]: 10200
- Kapacita baterie [kWh]: 28
- Bydliště: SR MY
Re: Zapojenie Akumulacnej nadrze
Len v tomto vidím troška problém, keďže plánuješ do akumulačky dať špirály. Ak to čerpadlo do domu budeš ovládať len cez jednoduchý termostat a nie aj cez izobový termostat tak v lete sa ti môže stať to, že akumulačka sa nahreje a spustí ti čerpadlo do domu, aj keď budeš mať doma 26°C. Neviem, či toto je zamýšlané chovanie.Migel píše:Ak sa bude kurit tak zaroven sa bude kurit aj do domu takto je to zamyslane.nemam v plane len nakurit nadrz a potom znej brat, to by som tam musel mat 1500 litrovu nadrz aby to tak fungovalo..
Spiraly tam budu ukladat prebytky plus jedna spirala ktora bude mat svoje fv pole a striedac bel..
Teraz je bojler zapojeny este pred cerpadlom takze ked zopne cerpadlo tak berie viacej teplej vody ako ide cez bojler ale nie viac ako je nastaveny 4cv a ostatne sa vracia do spiatocky do kotla
Victron ESS AC Coupling:
2,75kWp on-grid + 3,3kWp a 4,15kWp RS450/100 + MP2 5kVA + 2x 17x280Ah + JK BMS
2,75kWp on-grid + 3,3kWp a 4,15kWp RS450/100 + MP2 5kVA + 2x 17x280Ah + JK BMS
-
- Příspěvky: 1595
- Registrován: ned zář 25, 2022 10:47 am
- Reputace: 231
- Lokalita: Pod Karpatmi
Re: Zapojenie Akumulacnej nadrze
To mi je jasne a preto cez leto co budu prebytky tak len do bojlera ktory ma svoju spiralu.Diablo1st píše:Len v tomto vidím troška problém, keďže plánuješ do akumulačky dať špirály. Ak to čerpadlo do domu budeš ovládať len cez jednoduchý termostat a nie aj cez izobový termostat tak v lete sa ti môže stať to, že akumulačka sa nahreje a spustí ti čerpadlo do domu, aj keď budeš mať doma 26°C. Neviem, či toto je zamýšlané chovanie.Migel píše:Ak sa bude kurit tak zaroven sa bude kurit aj do domu takto je to zamyslane.nemam v plane len nakurit nadrz a potom znej brat, to by som tam musel mat 1500 litrovu nadrz aby to tak fungovalo..
Spiraly tam budu ukladat prebytky plus jedna spirala ktora bude mat svoje fv pole a striedac bel..
Teraz je bojler zapojeny este pred cerpadlom takze ked zopne cerpadlo tak berie viacej teplej vody ako ide cez bojler ale nie viac ako je nastaveny 4cv a ostatne sa vracia do spiatocky do kotla
Cez leto to budu vypate spiraly v AN.
JZ-2s5p 3,8kWp >> Epever 8415 AN
JV-2s3p 2,7kWp >> Epever 6415 AN
2x Victron MP2 5000V/A paralelne
48V 760Ah/35kWh Li-ion
a stále v štádiu budovania
(rozširovania)
JV-2s3p 2,7kWp >> Epever 6415 AN
2x Victron MP2 5000V/A paralelne
48V 760Ah/35kWh Li-ion
a stále v štádiu budovania

Kdo je online
Uživatelé prohlížející si toto fórum: Claudebot [Bot], Yandex [Bot] a 0 hostů