Horalova FVE
Souhrn tématu
Uživatel popisuje vlastní zkušenosti s instalací fotovoltaické elektrárny (FVE) na rodinném domě a hospodářské budově. Systém zahrnuje 36 panelů JA Solar, Victron střídače a LiFePO4 baterie, přičemž klade důraz na efektivní využití přebytků energie a postupnou modernizaci. Diskutuje také o vhodném dimenzování kabeláže a plánuje rozšíření o bifaciální panely na zahradě pro prodloužení nabíjecí sezóny.
-
glottis
- Příspěvky: 3664
- Registrován: stř úno 02, 2022 10:30 am
- Reputace: 472
- Lokalita: okolí Mělníka
- Systémové napětí: 48V
- Výkon panelů [Wp]: 13000
- Kapacita baterie [kWh]: 15
Re: Horalova FVE
a kde mas propojeny MET s hromosvodem? Neni to moc daleko? Sis dal prepetovku na nizsi napeti a pak to muzes degradovat tim, ze prepetovka bude na uplne jinem potencialu nez tvoje zem.
-
pibi
- Příspěvky: 1635
- Registrován: ned led 01, 2023 6:17 pm
- Reputace: 363
- Lokalita: Východně od 3nce
- Systémové napětí: 48V
- Výkon panelů [Wp]: 16kWp
- Kapacita baterie [kWh]: 44kWh
- Chci prodávat energii: NE
- Chci/Mám dotaci: NE
Re: Horalova FVE
U té garáže jsou svody od uzemění panelů a hromosvodů připojeny ke stejnému pásku v zemi, ten pak pokračuje pod dvorem k domu, tam je připojena MET a další svody.
9,2kWp JV 45°, 4,6kWp JZ 45°, 2,3kWp JV 90°, 2 x Victron MP II 5kVA, 3 x SmartSolar 150/70, Smartshunt, Cerbo, 16x280Ah + 16X300Ah + 16x300Ah LiFePO4 + 3xJK BMS.
K levné elektřině se dostaneme jen vytrvalou prací a svým kapitálem. Vladimír List, Elektrisace Československa 1934
K levné elektřině se dostaneme jen vytrvalou prací a svým kapitálem. Vladimír List, Elektrisace Československa 1934
-
VencaHejral
- Příspěvky: 63
- Registrován: stř pro 25, 2024 3:51 pm
- Reputace: 3
- Lokalita: Semily
Re: Horalova FVE
Pibi, máš prosím komplet blokové schéma zapojení? Mohl by jsi ho sem prosím dát? Myslím že by se mohlo spousta lidí podle tebe přiučit. Včetně mě. Díky.
-
pibi
- Příspěvky: 1635
- Registrován: ned led 01, 2023 6:17 pm
- Reputace: 363
- Lokalita: Východně od 3nce
- Systémové napětí: 48V
- Výkon panelů [Wp]: 16kWp
- Kapacita baterie [kWh]: 44kWh
- Chci prodávat energii: NE
- Chci/Mám dotaci: NE
Re: Horalova FVE
Čeho přesně?
Sám se učím za pochodu.
Sám se učím za pochodu.
9,2kWp JV 45°, 4,6kWp JZ 45°, 2,3kWp JV 90°, 2 x Victron MP II 5kVA, 3 x SmartSolar 150/70, Smartshunt, Cerbo, 16x280Ah + 16X300Ah + 16x300Ah LiFePO4 + 3xJK BMS.
K levné elektřině se dostaneme jen vytrvalou prací a svým kapitálem. Vladimír List, Elektrisace Československa 1934
K levné elektřině se dostaneme jen vytrvalou prací a svým kapitálem. Vladimír List, Elektrisace Československa 1934
-
VencaHejral
- Příspěvky: 63
- Registrován: stř pro 25, 2024 3:51 pm
- Reputace: 3
- Lokalita: Semily
Re: Horalova FVE
Podstatě všeho co jsi teď vytvořil. Nebo to co máš namalované.
-
pibi
- Příspěvky: 1635
- Registrován: ned led 01, 2023 6:17 pm
- Reputace: 363
- Lokalita: Východně od 3nce
- Systémové napětí: 48V
- Výkon panelů [Wp]: 16kWp
- Kapacita baterie [kWh]: 44kWh
- Chci prodávat energii: NE
- Chci/Mám dotaci: NE
Re: Horalova FVE
Během příštího víkendu zkusím malůvky uvést do aktuálního stavu a dát sem.
9,2kWp JV 45°, 4,6kWp JZ 45°, 2,3kWp JV 90°, 2 x Victron MP II 5kVA, 3 x SmartSolar 150/70, Smartshunt, Cerbo, 16x280Ah + 16X300Ah + 16x300Ah LiFePO4 + 3xJK BMS.
K levné elektřině se dostaneme jen vytrvalou prací a svým kapitálem. Vladimír List, Elektrisace Československa 1934
K levné elektřině se dostaneme jen vytrvalou prací a svým kapitálem. Vladimír List, Elektrisace Československa 1934
-
pibi
- Příspěvky: 1635
- Registrován: ned led 01, 2023 6:17 pm
- Reputace: 363
- Lokalita: Východně od 3nce
- Systémové napětí: 48V
- Výkon panelů [Wp]: 16kWp
- Kapacita baterie [kWh]: 44kWh
- Chci prodávat energii: NE
- Chci/Mám dotaci: NE
Re: Horalova FVE
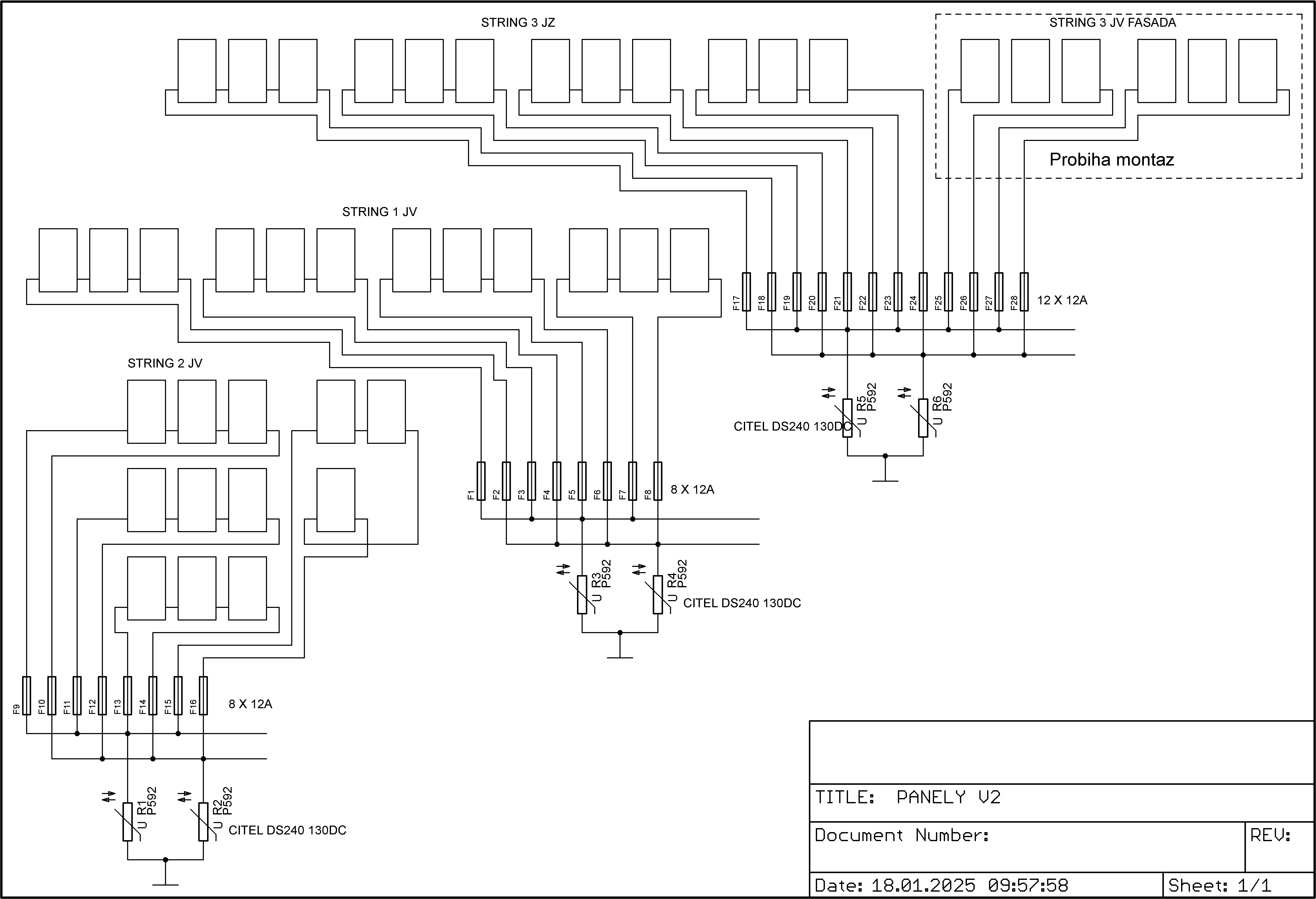
Trochu jsem aktualizoval schémata zapojení a dokreslil nejbližší plány.VencaHejral píše: pon led 13, 2025 11:22 pmPodstatě všeho co jsi teď vytvořil. Nebo to co máš namalované.
Příští týden hlásí příjemné počasí, tak chci namontovat a připojit 6 panelů na JV fasádu a ve sklepě vybetonovat soklík pro 2 racky v kotelně + vyvrtat pár prostupů.
https://dedra.pl/product-cze-41758-Vrta ... 7616S.html
9,2kWp JV 45°, 4,6kWp JZ 45°, 2,3kWp JV 90°, 2 x Victron MP II 5kVA, 3 x SmartSolar 150/70, Smartshunt, Cerbo, 16x280Ah + 16X300Ah + 16x300Ah LiFePO4 + 3xJK BMS.
K levné elektřině se dostaneme jen vytrvalou prací a svým kapitálem. Vladimír List, Elektrisace Československa 1934
K levné elektřině se dostaneme jen vytrvalou prací a svým kapitálem. Vladimír List, Elektrisace Československa 1934
-
Nortonko
- Příspěvky: 163
- Registrován: pon čer 24, 2024 10:02 am
- Reputace: 28
- Lokalita: Horná Nitra
- Systémové napětí: 48V
- Výkon panelů [Wp]: 5330
- Kapacita baterie [kWh]: 6
- Chci prodávat energii: NE
- Chci/Mám dotaci: NE
Re: Horalova FVE
len malý dotaz. v čom kreslíš schémy prosím?
-
pibi
- Příspěvky: 1635
- Registrován: ned led 01, 2023 6:17 pm
- Reputace: 363
- Lokalita: Východně od 3nce
- Systémové napětí: 48V
- Výkon panelů [Wp]: 16kWp
- Kapacita baterie [kWh]: 44kWh
- Chci prodávat energii: NE
- Chci/Mám dotaci: NE
Re: Horalova FVE
Ve starém Eagle. 
9,2kWp JV 45°, 4,6kWp JZ 45°, 2,3kWp JV 90°, 2 x Victron MP II 5kVA, 3 x SmartSolar 150/70, Smartshunt, Cerbo, 16x280Ah + 16X300Ah + 16x300Ah LiFePO4 + 3xJK BMS.
K levné elektřině se dostaneme jen vytrvalou prací a svým kapitálem. Vladimír List, Elektrisace Československa 1934
K levné elektřině se dostaneme jen vytrvalou prací a svým kapitálem. Vladimír List, Elektrisace Československa 1934
-
VencaHejral
- Příspěvky: 63
- Registrován: stř pro 25, 2024 3:51 pm
- Reputace: 3
- Lokalita: Semily
Re: Horalova FVE
Super, díky. Zase se mám kde inspirovat.
- gupa
- Příspěvky: 3641
- Registrován: sob pro 29, 2012 10:22 pm
- Reputace: 168
- Lokalita: pod Brnem
- Systémové napětí: 24V
Re: Horalova FVE
Jak je řešený běžné pospojování rámů u FVE? Panely vidím bez uzemnění, naopak minus je uzemněn u Victron regulátoru což mi něco říká, že to Victron vyloženě nedoporučuje nebo zakazuje. Lze to nějak obecně rozvést, jestli to je pracovní verze nebo ne finální a tudíž ve skutečnosti to bude jinak. ??
3x2000VA-VMP-par, NiCd 24V, 22x210-320Wp, 2x85A-VMPPT, ABC-&-XYZ mypower.cz Ať ti to běží jako hodinky na baterku s čerstvou expirací! Zdejší slova: To by bylo, abychom na tom šetření nevydělali!
-
pibi
- Příspěvky: 1635
- Registrován: ned led 01, 2023 6:17 pm
- Reputace: 363
- Lokalita: Východně od 3nce
- Systémové napětí: 48V
- Výkon panelů [Wp]: 16kWp
- Kapacita baterie [kWh]: 44kWh
- Chci prodávat energii: NE
- Chci/Mám dotaci: NE
Re: Horalova FVE
Rámy panelů mám uzeměné 8mm AlMgSi kulatinou, která je vedena spolu s kabely do země a v kombiboxu spojená s přepěťovkou.
Minus je uzeměn za regulátory (48VDC), Victron naopak nařizuje uzemění jednoho pólu.
Minus je uzeměn za regulátory (48VDC), Victron naopak nařizuje uzemění jednoho pólu.
9,2kWp JV 45°, 4,6kWp JZ 45°, 2,3kWp JV 90°, 2 x Victron MP II 5kVA, 3 x SmartSolar 150/70, Smartshunt, Cerbo, 16x280Ah + 16X300Ah + 16x300Ah LiFePO4 + 3xJK BMS.
K levné elektřině se dostaneme jen vytrvalou prací a svým kapitálem. Vladimír List, Elektrisace Československa 1934
K levné elektřině se dostaneme jen vytrvalou prací a svým kapitálem. Vladimír List, Elektrisace Československa 1934
-
pibi
- Příspěvky: 1635
- Registrován: ned led 01, 2023 6:17 pm
- Reputace: 363
- Lokalita: Východně od 3nce
- Systémové napětí: 48V
- Výkon panelů [Wp]: 16kWp
- Kapacita baterie [kWh]: 44kWh
- Chci prodávat energii: NE
- Chci/Mám dotaci: NE
Re: Horalova FVE
Dnes jsem namontoval a připojil 2kWp
pro využití dopoledního sluníčka.
9,2kWp JV 45°, 4,6kWp JZ 45°, 2,3kWp JV 90°, 2 x Victron MP II 5kVA, 3 x SmartSolar 150/70, Smartshunt, Cerbo, 16x280Ah + 16X300Ah + 16x300Ah LiFePO4 + 3xJK BMS.
K levné elektřině se dostaneme jen vytrvalou prací a svým kapitálem. Vladimír List, Elektrisace Československa 1934
K levné elektřině se dostaneme jen vytrvalou prací a svým kapitálem. Vladimír List, Elektrisace Československa 1934
-
MikroCZ
- Příspěvky: 167
- Registrován: čtv led 02, 2025 12:47 pm
- Reputace: 6
- Lokalita: STredni čechy
- Systémové napětí: 48V
- Výkon panelů [Wp]: 9600
- Kapacita baterie [kWh]: 20
- Chci prodávat energii: NE
- Chci/Mám dotaci: NE
Re: Horalova FVE
Pekná práce, zeptám se, co to máš za AL profily? Jsou to ty na ploche střechy?
Díky.
Díky.
-
pibi
- Příspěvky: 1635
- Registrován: ned led 01, 2023 6:17 pm
- Reputace: 363
- Lokalita: Východně od 3nce
- Systémové napětí: 48V
- Výkon panelů [Wp]: 16kWp
- Kapacita baterie [kWh]: 44kWh
- Chci prodávat energii: NE
- Chci/Mám dotaci: NE
Re: Horalova FVE
https://www.ehlinik.cz/al-profil-solar- ... 00101.html
Každý je ukotven 12ks nerezových vrutů 8x90 v hmoždince 14x75mm
Každý je ukotven 12ks nerezových vrutů 8x90 v hmoždince 14x75mm
9,2kWp JV 45°, 4,6kWp JZ 45°, 2,3kWp JV 90°, 2 x Victron MP II 5kVA, 3 x SmartSolar 150/70, Smartshunt, Cerbo, 16x280Ah + 16X300Ah + 16x300Ah LiFePO4 + 3xJK BMS.
K levné elektřině se dostaneme jen vytrvalou prací a svým kapitálem. Vladimír List, Elektrisace Československa 1934
K levné elektřině se dostaneme jen vytrvalou prací a svým kapitálem. Vladimír List, Elektrisace Československa 1934
-
MikroCZ
- Příspěvky: 167
- Registrován: čtv led 02, 2025 12:47 pm
- Reputace: 6
- Lokalita: STredni čechy
- Systémové napětí: 48V
- Výkon panelů [Wp]: 9600
- Kapacita baterie [kWh]: 20
- Chci prodávat energii: NE
- Chci/Mám dotaci: NE
Re: Horalova FVE
Bezva díky moc 
-
Migel
- Příspěvky: 1735
- Registrován: ned zář 25, 2022 10:47 am
- Reputace: 280
- Lokalita: Pod Karpatmi
Re: Horalova FVE
Pekna fasada

mna to caka zajtra..
mna to caka zajtra..
JZ-2s5p 3,8kWp >> Epever 8415 AN
JV-2s3p 2,7kWp >> Epever 6415 AN
2x Victron MP2 5000V/A paralelne
48V 760Ah/35kWh Li-ion
a stále v štádiu budovania
(rozširovania)
JV-2s3p 2,7kWp >> Epever 6415 AN
2x Victron MP2 5000V/A paralelne
48V 760Ah/35kWh Li-ion
a stále v štádiu budovania
-
skybor
- Příspěvky: 1476
- Registrován: pon dub 24, 2023 8:47 am
- Reputace: 220
- Lokalita: Lašská brána Beskyd
- Systémové napětí: 48V
- Výkon panelů [Wp]: 8kWp
- Kapacita baterie [kWh]: 20kWh
Re: Horalova FVE
Hmm. Pěkné. Já mám fasádu zakázanou 
SkyFVE 8 kWp na výzkumné "chytré" chatě. 4x MPPT Epever XTRA4415N 4x40A, 3x LG Chem Li-Ion 12s 156Ah (cca 20 kWh/44V), SkyPowerBox LF 4810 1kVA, Victron MP 48/3000, REVO VM II 5.5kW + PLC Siemens Logo! + Dell Optiplex 3040 Micro (Proxmox: HA, Node-RED, InfluxDB, Grafana, Mqtt, Zigbee2Mqtt, Samba, Tailscale)
-
pibi
- Příspěvky: 1635
- Registrován: ned led 01, 2023 6:17 pm
- Reputace: 363
- Lokalita: Východně od 3nce
- Systémové napětí: 48V
- Výkon panelů [Wp]: 16kWp
- Kapacita baterie [kWh]: 44kWh
- Chci prodávat energii: NE
- Chci/Mám dotaci: NE
Re: Horalova FVE
To je hospodářská budova, fasáda nebyla žádná hitparáda, teď vypadá líp.
9,2kWp JV 45°, 4,6kWp JZ 45°, 2,3kWp JV 90°, 2 x Victron MP II 5kVA, 3 x SmartSolar 150/70, Smartshunt, Cerbo, 16x280Ah + 16X300Ah + 16x300Ah LiFePO4 + 3xJK BMS.
K levné elektřině se dostaneme jen vytrvalou prací a svým kapitálem. Vladimír List, Elektrisace Československa 1934
K levné elektřině se dostaneme jen vytrvalou prací a svým kapitálem. Vladimír List, Elektrisace Československa 1934
-
pibi
- Příspěvky: 1635
- Registrován: ned led 01, 2023 6:17 pm
- Reputace: 363
- Lokalita: Východně od 3nce
- Systémové napětí: 48V
- Výkon panelů [Wp]: 16kWp
- Kapacita baterie [kWh]: 44kWh
- Chci prodávat energii: NE
- Chci/Mám dotaci: NE
Re: Horalova FVE
Vrtání prostupů do rozvodny.
Tento týden je u nás poměrně slunečný, je třeba si to trochu užít.
9,2kWp JV 45°, 4,6kWp JZ 45°, 2,3kWp JV 90°, 2 x Victron MP II 5kVA, 3 x SmartSolar 150/70, Smartshunt, Cerbo, 16x280Ah + 16X300Ah + 16x300Ah LiFePO4 + 3xJK BMS.
K levné elektřině se dostaneme jen vytrvalou prací a svým kapitálem. Vladimír List, Elektrisace Československa 1934
K levné elektřině se dostaneme jen vytrvalou prací a svým kapitálem. Vladimír List, Elektrisace Československa 1934
Kdo je online
Uživatelé prohlížející si toto fórum: cipis, Claudebot [Bot], Ghost86, META, PetrDubi a 2 hosti