epever tracer 10420AN - problem s výkonem při zapnutém střídači
-
- Moderátor
- Příspěvky: 6249
- Registrován: pon srp 16, 2021 9:31 pm
- Reputace: 849
- Lokalita: blízko Brna
- Systémové napětí: 24V
- Výkon panelů [Wp]: 13+ kWp
- Kapacita baterie [kWh]: 40+15
- Chci prodávat energii: NE
- Chci/Mám dotaci: NE
- Bydliště: blízko Brna
Re: epever tracer 10420AN - problem s výkonem při zapnutém střídači
Nemam tam 4 panely v serii, mel jsem tam 3s2p. Prvne 3s1p na kazdem z 4415, pak jsem to spojil dohromady, tak to bylo o neco malo lepsi. Stale ale vyrazne mene nez jeden 8420.
4210 se chova o dost lepe, maji to tam asi jinak naprogramovane.
4210 se chova o dost lepe, maji to tam asi jinak naprogramovane.
13,38 kWp: 9850 Wp Jih, 2040 Wp Východ, 1490 Wp Západ
Regulátory Epever a Victron
Phoenix 5 kVA + MP 24/5000 (můj byt + wifi/kamery/atd. + máti byt)
MP2 24/5000 vytěžování do akumulačních kamen
Epever 3kW vytěžování do bojlerů + žebříky
1 kW "nabíječka" 24 V
40 680 Wh staré olovo 15 258 Wh Li-Ion
záloha čerpadla ve sklepě MP12/3000/120-16 + 100Ah 12V monbat
Modře píši jako moderátor, černě jako člen.
Regulátory Epever a Victron
Phoenix 5 kVA + MP 24/5000 (můj byt + wifi/kamery/atd. + máti byt)
MP2 24/5000 vytěžování do akumulačních kamen
Epever 3kW vytěžování do bojlerů + žebříky
1 kW "nabíječka" 24 V
40 680 Wh staré olovo 15 258 Wh Li-Ion
záloha čerpadla ve sklepě MP12/3000/120-16 + 100Ah 12V monbat
Modře píši jako moderátor, černě jako člen.
-
- Příspěvky: 191
- Registrován: pon čer 20, 2022 12:59 pm
- Reputace: 1
- Lokalita: Újezd u Nového Veselí
- Systémové napětí: 24V
- Výkon panelů [Wp]: 2200
- Kapacita baterie [kWh]: Zatím bez baterie
Re: epever tracer 10420AN - problem s výkonem při zapnutém střídači
Je zajimavé že ta 3210 vykazuje stejné chování jako 4415 a přitom je to jiná ,,řada" nebo jak to říct, Možná ji zkusím připojit jeden panel navíc paralelně a uvidíme. Protože já ho vlastně nikdy s jedním nepoužíval. Vždy dva nebo tři a vždy paralelně.
-
- Příspěvky: 23
- Registrován: úte led 10, 2023 11:02 pm
- Reputace: 0
- Lokalita: Praha
Re: epever tracer 10420AN - problem s výkonem při zapnutém střídači
Ahoj. Tak to máme dost podobně- u mě dvakrát 10420 a přes 485 do HA. Jen jsou jestě spojeny mezi sebou právě přes PAL. Ty je máš propojené tedy prosím jen datově mezi sebou nebo má každý samostatný převodní RS485 a o sobě vůbec nevědí?lwj píše: úte črc 09, 2024 6:32 amAhoj!
Také provozuji měnič Xtend (Deye) s regulátorama Epever (mám jich celkem 6ks, 3x XTR4415, 5420AN, 6420AN a 10420AN) a zatím žádnej problém. Nemám je napojené do žádného boxu, pouze čtu data z RS485 do HA. Jaké je nastavení toho 10420AN?
-
- Moderátor
- Příspěvky: 6249
- Registrován: pon srp 16, 2021 9:31 pm
- Reputace: 849
- Lokalita: blízko Brna
- Systémové napětí: 24V
- Výkon panelů [Wp]: 13+ kWp
- Kapacita baterie [kWh]: 40+15
- Chci prodávat energii: NE
- Chci/Mám dotaci: NE
- Bydliště: blízko Brna
Re: epever tracer 10420AN - problem s výkonem při zapnutém střídači
Jednu chvíli jsem měl těch epever regulátorů 9. Všechno na jedné RS485 a k tomu převodník 485/tcp a vyčítání tím jejich solarstation.
Krom toho nesmyslného padání napětí panelů 4415 a řekněme pomalejšího náběhu 64/8420 (vůči victronu), jsem žádné problémy nepozoroval.
Jinak se koukám, máš nastavené baterky na lifepo, co jsem tak kdysi zjistil, tak to většina přepla zpátky na "olovo" a user nastavení.
Jediné, čím se to liší, je to overtemp, a to máš stejně vyplé.
Přepni to na User olovo, a zadej napětí, co tam máš nastavené, a vyzkoušej.
Krom toho nesmyslného padání napětí panelů 4415 a řekněme pomalejšího náběhu 64/8420 (vůči victronu), jsem žádné problémy nepozoroval.
Jinak se koukám, máš nastavené baterky na lifepo, co jsem tak kdysi zjistil, tak to většina přepla zpátky na "olovo" a user nastavení.
Jediné, čím se to liší, je to overtemp, a to máš stejně vyplé.
Přepni to na User olovo, a zadej napětí, co tam máš nastavené, a vyzkoušej.
13,38 kWp: 9850 Wp Jih, 2040 Wp Východ, 1490 Wp Západ
Regulátory Epever a Victron
Phoenix 5 kVA + MP 24/5000 (můj byt + wifi/kamery/atd. + máti byt)
MP2 24/5000 vytěžování do akumulačních kamen
Epever 3kW vytěžování do bojlerů + žebříky
1 kW "nabíječka" 24 V
40 680 Wh staré olovo 15 258 Wh Li-Ion
záloha čerpadla ve sklepě MP12/3000/120-16 + 100Ah 12V monbat
Modře píši jako moderátor, černě jako člen.
Regulátory Epever a Victron
Phoenix 5 kVA + MP 24/5000 (můj byt + wifi/kamery/atd. + máti byt)
MP2 24/5000 vytěžování do akumulačních kamen
Epever 3kW vytěžování do bojlerů + žebříky
1 kW "nabíječka" 24 V
40 680 Wh staré olovo 15 258 Wh Li-Ion
záloha čerpadla ve sklepě MP12/3000/120-16 + 100Ah 12V monbat
Modře píši jako moderátor, černě jako člen.
- v600
- Příspěvky: 107
- Registrován: ned srp 13, 2023 4:21 pm
- Reputace: 13
- Lokalita: RK
- Systémové napětí: 48V
- Výkon panelů [Wp]: 7000
- Kapacita baterie [kWh]: 20
- Chci prodávat energii: NE
- Chci/Mám dotaci: NE
Re: epever tracer 10420AN - problem s výkonem při zapnutém střídači
Tohle by se dalo i jinak:
Mám sice prismatické LiionNMC, ale bude to podobné.
Eqalizace i Boost na stejnou hodnotu, v podstatě i Float by mělo být stejné.
U obojího čas na nejmenší možní minimum
(Rozdílné hodnoty se využívajé u olověnek)
Běží to už 3/4 roku jako ostrov, měnič je taky EpEver 5kW a nezlobí to.
Dokonce půl roku byly kabely z Regulátoru přímo na měnič a na svorkách měniče byly další kabely do baterie...
To jsem po půl roce předělal a na propoje udělal busbar - kvůli druhé baterii
Nemám u toho ale žádný extra monitoring takže údaje jenobčas zkouknu online na notebooku.
15 panelů Solarmi 7000Wp (východ+západ), EPEVER Tracer 10420AN, 2x10kW Liion CALB, 2x5kW střídač EPEVER IP 5000 Plus - Jednofázový ostrov (dva okruhy).
7xLongi, 2500W (jih), SITON, ohřev 160L Dražice.
7xLongi, 2500W (jih), SITON, ohřev 160L Dražice.
-
- Příspěvky: 32
- Registrován: stř úno 17, 2021 8:45 am
- Reputace: 2
- Lokalita: Plzeň
- Systémové napětí: 48V
- Výkon panelů [Wp]: 14,35kWp
- Kapacita baterie [kWh]: 40,8kWh
- Chci/Mám dotaci: NE
- Bydliště: Horní Bříza
Re: epever tracer 10420AN - problem s výkonem při zapnutém střídači
Mám to jedné lince 485 pro čtení dat a Epevery o sobě nevědí. Jsou nastaveny všichni stejně na LFP 15s Pylontechy.
lwj
14,35kWp
40,8kWh Pylontech
Xtend Solarmi SUN-12K-SG04LP3-EU
14,35kWp
40,8kWh Pylontech
Xtend Solarmi SUN-12K-SG04LP3-EU
-
- Příspěvky: 784
- Registrován: úte úno 25, 2014 9:33 pm
- Reputace: 95
- Lokalita: Dobrovicko
- Systémové napětí: 48V
- Výkon panelů [Wp]: 9200
- Kapacita baterie [kWh]: 16
- Chci prodávat energii: NE
- Chci/Mám dotaci: NE
Re: epever tracer 10420AN - problem s výkonem při zapnutém střídači
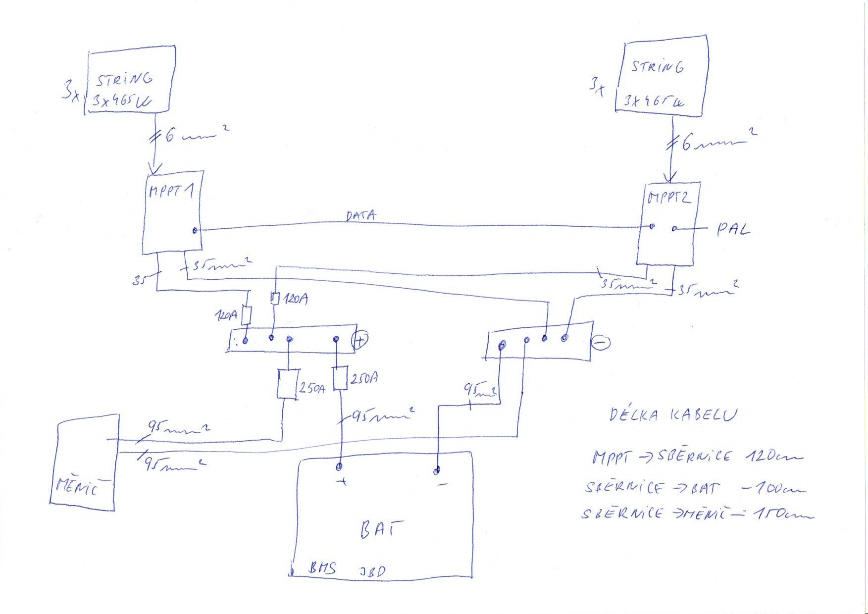
Můžeš sem dát od ruky schéma zapojení obou Epeverů a toho měniče, jen tu část 48V. U každého vodiče napiš průřez a délku, jestli jsou v cestě pojistky a BMS, tak i jejich popis. A ještě tři printscreeny ze Solar monitoru - okno nastavení a 2x okno Monitoring (OK a KO stav). Dík.
-
- Příspěvky: 2066
- Registrován: sob bře 30, 2019 10:27 am
- Reputace: 370
- Lokalita: JV od pekla :)
- Systémové napětí: 48V
- Výkon panelů [Wp]: 5100
- Kapacita baterie [kWh]: 33
- Chci/Mám dotaci: NE
Re: epever tracer 10420AN - problem s výkonem při zapnutém střídači
Tak jaký je výsledek? Bylo to tak?Marek4444 píše: pon črc 08, 2024 2:02 pmJj, vypadá to tak, že tam opravdu něco leze, co to "nakopne" - osciloskop už je poptaný a dojede během par dní, tak sem pak hodím ukázku, co se objeví. Každopádně po dnešním hledání ještě na dalších zahraničních fórech to opravdu není ojedinělý problém - vždy se to týká jen 10420AN. Jen to řešení nikde krom víše zmíněného celkem zvláštního videa s kondíkem nikde není uvedeno.
-
- Příspěvky: 23
- Registrován: úte led 10, 2023 11:02 pm
- Reputace: 0
- Lokalita: Praha
Re: epever tracer 10420AN - problem s výkonem při zapnutém střídači
Ahoj všem. Tak teprve dnes jsem se k tomu dostal. A musím konstatovat, že tam opravdu něco (dost) leze zpátky z měniče po DC lince. 1. obrázek je, když má měnič výkon do 200W ], druhý obrázek do cca 1500W a třetí už nad 3000W . Lítá tam něco v rozmezí od cca 105Hz až do cca 900Hz. Přikládám i pořízené video . Mezitím zkoušeno vše zde uvedené (odpojení části stringů, napěťová " sonda" z mppt na kontakt baterie, vyřazení komunikace mezi MPPT a i vyřazení toho PAL a dnešní výsledek je opět dost divný . Vždy pomůže odpojit úplně stringy a znovu připojit a pak zas nějakou dobu jede. Měřil jsem to delší dobu a to, co je ve videu tam leze stále pokud jede měnič ( 105Hz-cca 900Hz), ale jen někdy to způsobí tento problém s epevery.unicast píše: pon črc 15, 2024 1:49 pmTak jaký je výsledek? Bylo to tak?Marek4444 píše: pon črc 08, 2024 2:02 pmJj, vypadá to tak, že tam opravdu něco leze, co to "nakopne" - osciloskop už je poptaný a dojede během par dní, tak sem pak hodím ukázku, co se objeví. Každopádně po dnešním hledání ještě na dalších zahraničních fórech to opravdu není ojedinělý problém - vždy se to týká jen 10420AN. Jen to řešení nikde krom víše zmíněného celkem zvláštního videa s kondíkem nikde není uvedeno.
-
- Příspěvky: 23
- Registrován: úte led 10, 2023 11:02 pm
- Reputace: 0
- Lokalita: Praha
Re: epever tracer 10420AN - problem s výkonem při zapnutém střídači
Ahoj. Zde je zjednodušeně 48V část. Solar monitor nepoužívám. Má posíláno přímo info z epeverů do HA.Kostěj píše: ned črc 14, 2024 3:17 pmMůžeš sem dát od ruky schéma zapojení obou Epeverů a toho měniče, jen tu část 48V. U každého vodiče napiš průřez a délku, jestli jsou v cestě pojistky a BMS, tak i jejich popis. A ještě tři printscreeny ze Solar monitoru - okno nastavení a 2x okno Monitoring (OK a KO stav). Dík.
-
- Příspěvky: 2066
- Registrován: sob bře 30, 2019 10:27 am
- Reputace: 370
- Lokalita: JV od pekla :)
- Systémové napětí: 48V
- Výkon panelů [Wp]: 5100
- Kapacita baterie [kWh]: 33
- Chci/Mám dotaci: NE
Re: epever tracer 10420AN - problem s výkonem při zapnutém střídači
Měřil jsi napětí nebo proud?
-
- Příspěvky: 784
- Registrován: úte úno 25, 2014 9:33 pm
- Reputace: 95
- Lokalita: Dobrovicko
- Systémové napětí: 48V
- Výkon panelů [Wp]: 9200
- Kapacita baterie [kWh]: 16
- Chci prodávat energii: NE
- Chci/Mám dotaci: NE
Re: epever tracer 10420AN - problem s výkonem při zapnutém střídači
Díky za schéma.Marek4444 píše: pon črc 15, 2024 7:19 pmSolar monitor nepoužívám. Má posíláno přímo info z epeverů do HA.
Solar monitor má na stránce Monitoring pole s názvy: Solar Status, Charging Status, Battery Status, Device Status, Battery SOC(%) a Battery Voltage. Máš je i v HA? Pro mne jsou údaje v těchto polích zásadní, bez nich těžko poradím. Nicméně ta myšlenka, že měnič vlastně využívá kondenzátory v Epeveru, což způsobí toky proudů do a z Epeveru, což zmate jeho řídící procesor - to se mi zdá jako pravděpodobné. Zkusil bych nastavit všechna napětí v Epeveru na velmi vysoké hodnoty, jestli to bude i tak zlobit.
- gupa
- Příspěvky: 3417
- Registrován: sob pro 29, 2012 10:22 pm
- Reputace: 155
- Lokalita: pod Brnem
- Systémové napětí: 24V
Re: epever tracer 10420AN - problem s výkonem při zapnutém střídači
Jsou dle návodu použity filtrační prstýnky?
3x2000VA-VMP-par, NiCd 24V, 22x210-320Wp, 2x85A-VMPPT, ABC-&-XYZ mypower.cz Ať ti to běží jako hodinky na baterku s čerstvou expirací! Zdejší slova: To by bylo, abychom na tom šetření nevydělali!
- gupa
- Příspěvky: 3417
- Registrován: sob pro 29, 2012 10:22 pm
- Reputace: 155
- Lokalita: pod Brnem
- Systémové napětí: 24V
Re: epever tracer 10420AN - problem s výkonem při zapnutém střídači
Řekl bych už od počátku diskuze, že epever tracer 10420AN, je v tom nevinně. Jak vypadá sinusoida na line out měniče při různých zatížení? Pokud je načatý (vadný) nějaký tlumič polovodičového spínače, mohlo by to být ono. Obrázek nastavení BMS v menu měniče je jaké? Podoba nastavení něco jako toto:
Úplně nejjednodušší je na lišty +- nainstalovat jiný měnič přes 2kW a prostě postupovat známou logickou vylučovací metodou.3x2000VA-VMP-par, NiCd 24V, 22x210-320Wp, 2x85A-VMPPT, ABC-&-XYZ mypower.cz Ať ti to běží jako hodinky na baterku s čerstvou expirací! Zdejší slova: To by bylo, abychom na tom šetření nevydělali!
-
- Příspěvky: 374
- Registrován: pát říj 28, 2016 2:30 pm
- Reputace: 57
Re: epever tracer 10420AN - problem s výkonem při zapnutém střídači
Hele, jestli je to podle schématu, tak zkus na DC bus barech prohodit připojení baterky a měniče. Jsou to sice mikroohmy, ale při větších proudech i to málo může dělat divy. Když budeš mít baterii připojenou uprostřed bus baru, na jedné straně měniče a na druhé MPPT, tak bude baterie mezi tím ty špičky krotit. Takhle máš měnič na bus barech hned vedle mppt a baterie je až na konci, takže ty špičky z měniče se potkávajís MPPT...třeba to tím nebude, ale zhoršit se to tím prohozením měnič/baterie nedá.Marek4444 píše: pon črc 15, 2024 7:19 pmAhoj. Zde je zjednodušeně 48V část. Solar monitor nepoužívám. Má posíláno přímo info z epeverů do HA.
epever.jpg
-
- Příspěvky: 309
- Registrován: ned led 15, 2023 5:29 pm
- Reputace: 8
- Lokalita: Frenštát pod Radhoštěm
Re: epever tracer 10420AN - problem s výkonem při zapnutém střídači
Nemůže Deye nějak kontolovat baterku těmi pulzy, které pak ale na druhou stranu vyřadí vlastní ochrana od Epevrů ?
Ještě by možná stálo za zkoušku připojit Deye aspoň jeden string, jestli nebude na švestku, že mu tam nic nejde z nabíječky nebo solaru a nabíjí se baterka.
Ještě by možná stálo za zkoušku připojit Deye aspoň jeden string, jestli nebude na švestku, že mu tam nic nejde z nabíječky nebo solaru a nabíjí se baterka.
Kdo je online
Uživatelé prohlížející si toto fórum: Claudebot [Bot] a 0 hostů