Multiplus ii AUX rele
-
ElektroEzs
- Příspěvky: 2551
- Registrován: stř zář 21, 2022 10:03 am
- Reputace: 83
- Lokalita: okolí Teplic
- Systémové napětí: 48V
- Výkon panelů [Wp]: 8340
- Kapacita baterie [kWh]: 14,4
- Chci prodávat energii: NE
- Chci/Mám dotaci: NE
Re: Multiplus ii AUX rele
Jak to mas udelane ze vidis ty rele i v remote console?
Diablo1st píše: stř bře 06, 2024 7:59 amJj presne tak. Ide to cez RS485 prevodník do USB Cerba. Následne sa tieto 4x (podporovaný je modul s max 8x relé) dajú ovládať priamo z remote console, Nodered dashboard alebo cez Nodered.
Celý problém je v tom, že toto bez NodeRed nejde, takže sa musia nainštalovať aj nové palety do Nodered a to sa u mňa nestalo. Neviem prečo, ale všimol som si to až včera, keď som si pustil NodeRed, že tam nemám to, čo by tam malo byť (podľa návodu).
Tak som dal ten RemoteGPIO preinštalvoať a už to chodí.
Ešte foto z testu![]()
IMG_20240306_080537.jpg
1: JZ 5460 Wp Ja Solar, JV 960 Wp Leapton, SV 1920 Wp Leapton, MPPT 250/100, MPPT 150/35, MPPT 150/45, 2x parallel Multiplus 2 5000VA, Cerbo GX + touch LCD, 16 x EVE 280Ah LiFePO4 + JK BMS 200A + SmartShunt 500A
2: JZ 3600 Wp Canadian Solar, V 1800 Wp Canadian Solar, MPPT 150/70, MPPT 150/35, Multiplus 2 5000VA, Cerbo GX + touch LCD, 16 x EVE 280Ah LiFePO4 + JK BMS 200A + BMV700
2: JZ 3600 Wp Canadian Solar, V 1800 Wp Canadian Solar, MPPT 150/70, MPPT 150/35, Multiplus 2 5000VA, Cerbo GX + touch LCD, 16 x EVE 280Ah LiFePO4 + JK BMS 200A + BMV700
-
Diablo1st
- Příspěvky: 2141
- Registrován: pon lis 01, 2021 7:41 pm
- Reputace: 195
- Lokalita: MY, SR
- Výkon panelů [Wp]: 10200
- Kapacita baterie [kWh]: 28
- Bydliště: SR MY
Re: Multiplus ii AUX rele
Tak to je veľmi ťažká otázka, na ktorú vôbec neviem odpovedať.
Všetko sa to nainštalovalo automaticky.
Takto to vyzerá na hlavnej ploche v remote console: Takto v zložke Relay: A je pridaná aj funkcia premenovania názvu relé:
Všetko sa to nainštalovalo automaticky.
Takto to vyzerá na hlavnej ploche v remote console: Takto v zložke Relay: A je pridaná aj funkcia premenovania názvu relé:
Victron ESS AC Coupling:
2,75kWp on-grid + 3,3kWp a 4,15kWp RS450/100 + MP2 5kVA + 2x 17x280Ah + JK BMS
2,75kWp on-grid + 3,3kWp a 4,15kWp RS450/100 + MP2 5kVA + 2x 17x280Ah + JK BMS
-
ElektroEzs
- Příspěvky: 2551
- Registrován: stř zář 21, 2022 10:03 am
- Reputace: 83
- Lokalita: okolí Teplic
- Systémové napětí: 48V
- Výkon panelů [Wp]: 8340
- Kapacita baterie [kWh]: 14,4
- Chci prodávat energii: NE
- Chci/Mám dotaci: NE
Re: Multiplus ii AUX rele
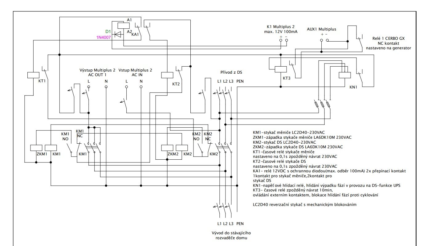
Jeste pridavam upravene schema pro stykacomat a Multiplus kdyby nekdo laboroval jako ja:-) Chtel jsem pouzit asistenta RELAY LOCKER abych zamezil cyklovani pri vypadku DS a opetovnem zapnuti ale bohuzel kdyz se prida vice asistentu RELAY LOCKER tak mezi sebou maji nejaky konflik tak jsem k napetovemu rele musel pridat jeste casove.
1: JZ 5460 Wp Ja Solar, JV 960 Wp Leapton, SV 1920 Wp Leapton, MPPT 250/100, MPPT 150/35, MPPT 150/45, 2x parallel Multiplus 2 5000VA, Cerbo GX + touch LCD, 16 x EVE 280Ah LiFePO4 + JK BMS 200A + SmartShunt 500A
2: JZ 3600 Wp Canadian Solar, V 1800 Wp Canadian Solar, MPPT 150/70, MPPT 150/35, Multiplus 2 5000VA, Cerbo GX + touch LCD, 16 x EVE 280Ah LiFePO4 + JK BMS 200A + BMV700
2: JZ 3600 Wp Canadian Solar, V 1800 Wp Canadian Solar, MPPT 150/70, MPPT 150/35, Multiplus 2 5000VA, Cerbo GX + touch LCD, 16 x EVE 280Ah LiFePO4 + JK BMS 200A + BMV700
-
ElektroEzs
- Příspěvky: 2551
- Registrován: stř zář 21, 2022 10:03 am
- Reputace: 83
- Lokalita: okolí Teplic
- Systémové napětí: 48V
- Výkon panelů [Wp]: 8340
- Kapacita baterie [kWh]: 14,4
- Chci prodávat energii: NE
- Chci/Mám dotaci: NE
Re: Multiplus ii AUX rele
Ja to snad budu muset taky vyzkouset mas nekde nejaky navod jak jsi to tam dostal?:-)
Diablo1st píše: čtv bře 07, 2024 1:33 pmTak to je veľmi ťažká otázka, na ktorú vôbec neviem odpovedať.![]()
Všetko sa to nainštalovalo automaticky.
Takto to vyzerá na hlavnej ploche v remote console:
2024-03-07_13-26-25.jpg
Takto v zložke Relay:
2024-03-07_13-27-19.jpg
A je pridaná aj funkcia premenovania názvu relé:
2024-03-07_13-30-21.jpg
1: JZ 5460 Wp Ja Solar, JV 960 Wp Leapton, SV 1920 Wp Leapton, MPPT 250/100, MPPT 150/35, MPPT 150/45, 2x parallel Multiplus 2 5000VA, Cerbo GX + touch LCD, 16 x EVE 280Ah LiFePO4 + JK BMS 200A + SmartShunt 500A
2: JZ 3600 Wp Canadian Solar, V 1800 Wp Canadian Solar, MPPT 150/70, MPPT 150/35, Multiplus 2 5000VA, Cerbo GX + touch LCD, 16 x EVE 280Ah LiFePO4 + JK BMS 200A + BMV700
2: JZ 3600 Wp Canadian Solar, V 1800 Wp Canadian Solar, MPPT 150/70, MPPT 150/35, Multiplus 2 5000VA, Cerbo GX + touch LCD, 16 x EVE 280Ah LiFePO4 + JK BMS 200A + BMV700
-
Diablo1st
- Příspěvky: 2141
- Registrován: pon lis 01, 2021 7:41 pm
- Reputace: 195
- Lokalita: MY, SR
- Výkon panelů [Wp]: 10200
- Kapacita baterie [kWh]: 28
- Bydliště: SR MY
Re: Multiplus ii AUX rele
TU je návod 
Victron ESS AC Coupling:
2,75kWp on-grid + 3,3kWp a 4,15kWp RS450/100 + MP2 5kVA + 2x 17x280Ah + JK BMS
2,75kWp on-grid + 3,3kWp a 4,15kWp RS450/100 + MP2 5kVA + 2x 17x280Ah + JK BMS
-
cipis
- Moderátor
- Příspěvky: 6479
- Registrován: pon srp 16, 2021 9:31 pm
- Reputace: 884
- Lokalita: blízko Brna
- Systémové napětí: 24V
- Výkon panelů [Wp]: 13+ kWp
- Kapacita baterie [kWh]: 40+15
- Chci prodávat energii: NE
- Chci/Mám dotaci: NE
- Bydliště: blízko Brna
Re: Multiplus ii AUX rele
Hele, ale ta tvoje krabice má i ethernet a modbus, to by mělo jít i takto, nejen přes převodník ...
13,38 kWp: 9850 Wp Jih, 2040 Wp Východ, 1490 Wp Západ
Regulátory Epever a Victron
Phoenix 5 kVA + MP 24/5000 (můj byt + wifi/kamery/atd. + máti byt)
MP2 24/5000 vytěžování do akumulačních kamen
Epever 3kW vytěžování do bojlerů + žebříky
1 kW "nabíječka" 24 V
40 680 Wh staré olovo 15 258 Wh Li-Ion
záloha čerpadla ve sklepě MP12/3000/120-16 + 100Ah 12V monbat
Modře píši jako moderátor, černě jako člen.
Regulátory Epever a Victron
Phoenix 5 kVA + MP 24/5000 (můj byt + wifi/kamery/atd. + máti byt)
MP2 24/5000 vytěžování do akumulačních kamen
Epever 3kW vytěžování do bojlerů + žebříky
1 kW "nabíječka" 24 V
40 680 Wh staré olovo 15 258 Wh Li-Ion
záloha čerpadla ve sklepě MP12/3000/120-16 + 100Ah 12V monbat
Modře píši jako moderátor, černě jako člen.
-
Diablo1st
- Příspěvky: 2141
- Registrován: pon lis 01, 2021 7:41 pm
- Reputace: 195
- Lokalita: MY, SR
- Výkon panelů [Wp]: 10200
- Kapacita baterie [kWh]: 28
- Bydliště: SR MY
Re: Multiplus ii AUX rele
Cipis: je to možné, ale ja taký frajer nie som, že by som to sám od seba rozchodil. 
V tomto som totálny amatér, takže pokiaľ nenájdem nejaký návod ako to spraviť tak to nespravím.
V tomto som totálny amatér, takže pokiaľ nenájdem nejaký návod ako to spraviť tak to nespravím.
Victron ESS AC Coupling:
2,75kWp on-grid + 3,3kWp a 4,15kWp RS450/100 + MP2 5kVA + 2x 17x280Ah + JK BMS
2,75kWp on-grid + 3,3kWp a 4,15kWp RS450/100 + MP2 5kVA + 2x 17x280Ah + JK BMS
-
cipis
- Moderátor
- Příspěvky: 6479
- Registrován: pon srp 16, 2021 9:31 pm
- Reputace: 884
- Lokalita: blízko Brna
- Systémové napětí: 24V
- Výkon panelů [Wp]: 13+ kWp
- Kapacita baterie [kWh]: 40+15
- Chci prodávat energii: NE
- Chci/Mám dotaci: NE
- Bydliště: blízko Brna
Re: Multiplus ii AUX rele
No tak to je nás víc 
13,38 kWp: 9850 Wp Jih, 2040 Wp Východ, 1490 Wp Západ
Regulátory Epever a Victron
Phoenix 5 kVA + MP 24/5000 (můj byt + wifi/kamery/atd. + máti byt)
MP2 24/5000 vytěžování do akumulačních kamen
Epever 3kW vytěžování do bojlerů + žebříky
1 kW "nabíječka" 24 V
40 680 Wh staré olovo 15 258 Wh Li-Ion
záloha čerpadla ve sklepě MP12/3000/120-16 + 100Ah 12V monbat
Modře píši jako moderátor, černě jako člen.
Regulátory Epever a Victron
Phoenix 5 kVA + MP 24/5000 (můj byt + wifi/kamery/atd. + máti byt)
MP2 24/5000 vytěžování do akumulačních kamen
Epever 3kW vytěžování do bojlerů + žebříky
1 kW "nabíječka" 24 V
40 680 Wh staré olovo 15 258 Wh Li-Ion
záloha čerpadla ve sklepě MP12/3000/120-16 + 100Ah 12V monbat
Modře píši jako moderátor, černě jako člen.
-
Diablo1st
- Příspěvky: 2141
- Registrován: pon lis 01, 2021 7:41 pm
- Reputace: 195
- Lokalita: MY, SR
- Výkon panelů [Wp]: 10200
- Kapacita baterie [kWh]: 28
- Bydliště: SR MY
Re: Multiplus ii AUX rele
Niečo som našiel - RemoteGPIO TCP-IP, keď budem mať čas a chuť tak vyskúšam.
Victron ESS AC Coupling:
2,75kWp on-grid + 3,3kWp a 4,15kWp RS450/100 + MP2 5kVA + 2x 17x280Ah + JK BMS
2,75kWp on-grid + 3,3kWp a 4,15kWp RS450/100 + MP2 5kVA + 2x 17x280Ah + JK BMS
Kdo je online
Uživatelé prohlížející si toto fórum: Claudebot [Bot], GPTBot, Skrat a 0 hostů