Kozel solárníkem

Uživatelský avatar
marko250
Příspěvky: 3473
Registrován: ned led 12, 2014 7:41 pm
Reputace: 525
Lokalita: Hlučín
Bydliště: Hlučín

Re: Kozel solárníkem

Nový příspěvek od marko250 »

Pěkně Ti to roste,bude 3f a jaké baterečky skončí v té skříni?
16kWp/JZ-50°/20xChaori 230 ,JV-90°/8xLeapton 650 + <JZ-90° /15xJAsolar / Mono 385, regl Midnite Classic 150<89A> , 1x EASUN <80A> a 1x EASUN <100A>,baterka 17s 54.4VDC LFP4/784Ah<uloží 42kWh>,ŠKATULE 11kW
Uživatelský avatar
marsal64
Příspěvky: 1204
Registrován: sob čer 16, 2018 1:45 pm
Reputace: 133
Lokalita: Velké Popovice
Systémové napětí: 48V
Výkon panelů [Wp]: 9,3
Kapacita baterie [kWh]: 30
Chci prodávat energii: NE
Chci/Mám dotaci: NE
Bydliště: Velké Popovice

Re: Kozel solárníkem

Nový příspěvek od marsal64 »

marko250 píše:
Pěkně Ti to roste,bude 3f a jaké baterečky skončí v té skříni?
Díky!
Ve skříni dole je zatím 200Ah od Mikela, doufám, že tak v březnu budou peníze na dalších 200Ah (48V zajisté), dráty připraveny na tři packy.
Furt to probírám v hlavě, jestli 3f nebo 1f paralel, už jsem tady o tom i veřejně meditoval (https://forum.mypower.cz/viewtopic.php? ... er#p139891) :ugeek:. To je ten můj "systémově iterativní přistup", kdy furt nevím, co z toho vlastně nakonec vyleze...
Uživatelský avatar
marko250
Příspěvky: 3473
Registrován: ned led 12, 2014 7:41 pm
Reputace: 525
Lokalita: Hlučín
Bydliště: Hlučín

Re: Kozel solárníkem

Nový příspěvek od marko250 »

Řešil bych to dle toho co se může na fázi potkat,protože razíž stejnou filozofii: "Pryč s přetoky do DS." Ale ty souběhy znáš jen Ty. Pokud máš nyní 3x25A pojistky máš k dispozici 5750W na fázi z DS a to XTM umí podržet pár minut klidně 6kW(120A),ale ty baterky to nebudou mít s 200Ah lehké,chtělo by to ještě jednu sadu a osobně bych ji nedělil ,ale paraelně přidával.Pak tam možné proudy nic nenapáchají.A přepnutí XTM je možné z něho na základě vnitřního nastavení uživatelem.Jako bonus transfer relé bude nafázované,smartboost a dodávka do DS samozřejmě vypnuty.Dále jde v XTM nastavit to přepnutí na DS tak,ať to nevyráží právě jističe.To ti zjednodušší přepínání.Takže když je tři už máš,tak je škoda toho nevyužít na 3f,další bonus 3f točící stroje.Když si nastavíš postupné přepnutí XTM na DS tak využiješ i slabou baterku třeba jen s jedním měničem a dva už budou přeplé. A v budoucnu nám možná do zákona dají nějaký povolený mikropřetok a spustíš smartboost a plynulý přechod(tomu ale nevěřím).
Taky můžeš uspávat xtm mezi sebou,když na jejich fázích nic nepojede.S otázkou galvanického oddělení se budeš muset poprat vnitřně :-). Mě už to kontrolovali,ale nemusel jsem je pustit dál jak k hodinám,bylo to mé rozhodnutí.
16kWp/JZ-50°/20xChaori 230 ,JV-90°/8xLeapton 650 + <JZ-90° /15xJAsolar / Mono 385, regl Midnite Classic 150<89A> , 1x EASUN <80A> a 1x EASUN <100A>,baterka 17s 54.4VDC LFP4/784Ah<uloží 42kWh>,ŠKATULE 11kW
Uživatelský avatar
marsal64
Příspěvky: 1204
Registrován: sob čer 16, 2018 1:45 pm
Reputace: 133
Lokalita: Velké Popovice
Systémové napětí: 48V
Výkon panelů [Wp]: 9,3
Kapacita baterie [kWh]: 30
Chci prodávat energii: NE
Chci/Mám dotaci: NE
Bydliště: Velké Popovice

Re: Kozel solárníkem

Nový příspěvek od marsal64 »

marko250 píše:
"Pryč s přetoky do DS."
Marko, to se mi líbí, díky moc! Stále budu o tom meditovat, ale už mám asi informace na hromadě a je to opravdu o rozhodnutí :-).
Mám jistič dokonce jen 3x20A, budu ověřovat, koliže bere ten sporák na jedné z nich (šlo to někam k 4kW).
Ano, doufám, že někdy v březnu přidám paralelně 200Ah (s vlastní BMS a vyčítáním), toto je málo, začátek.
Přepínání transfer relé, které uvádíš, znamená opravdu bonus synchronizace s DS, to s přepínačem sítí neudělám a trochu se těch rázů obávám, takovou pračku a ledničku máme nové a tlumivky budou i jinde...

Jak konkrétně myslíš to uspávání XTM? Určitě něco takového plánuji, protože "stále trochu dobíjím i ze sítě", jak to má XTM, pokud dobře rozumím, se mi vůbec nelíbí. Budu mít PLC, takže žádný problém, ale nevím kterou z variant "vypínání" zvolit:
- pomocí externího signálu přivedeného na vypínací svorky XTM
- vypínáním AC IN (dělá to tuším milhaus) nějakým stykačem
- pomocí X-COM 232 programově
?
Edit:
Teď si ovšem uvědomuji, že to jsou stále varianty pro cestu "přepínač sítí". Jak to tedy prosím uspáváš Ty?
Uživatelský avatar
marko250
Příspěvky: 3473
Registrován: ned led 12, 2014 7:41 pm
Reputace: 525
Lokalita: Hlučín
Bydliště: Hlučín

Re: Kozel solárníkem

Nový příspěvek od marko250 »

Jde o to,že když zvolíš 3f,tak pověsíš na jeden volnoběžnou a na těch dalších dvou nebude nic a uspí se.To přepnutí transfer jde zase vymyslet tak ,že na konci baterky do dvou zadáš přepnutí transfer a v tom jednom jej nastavíš níž.
Já mám jeden měnič XTH a přepínám na tvrdo do 3f a uspat nejde jelikoš je stále volnoběžná spotřeba na něm samotném.
16kWp/JZ-50°/20xChaori 230 ,JV-90°/8xLeapton 650 + <JZ-90° /15xJAsolar / Mono 385, regl Midnite Classic 150<89A> , 1x EASUN <80A> a 1x EASUN <100A>,baterka 17s 54.4VDC LFP4/784Ah<uloží 42kWh>,ŠKATULE 11kW
Uživatelský avatar
marsal64
Příspěvky: 1204
Registrován: sob čer 16, 2018 1:45 pm
Reputace: 133
Lokalita: Velké Popovice
Systémové napětí: 48V
Výkon panelů [Wp]: 9,3
Kapacita baterie [kWh]: 30
Chci prodávat energii: NE
Chci/Mám dotaci: NE
Bydliště: Velké Popovice

První studeří krůčky - zkušenost a zádrhele

Nový příspěvek od marsal64 »

Studeří sestavu jsem zapojil zatím provizorně bez AC, ale první dojmy jsou velmi dobré, základní oživování bylo nečekaně rychlé, v zásadě plug and play, zatím jsem nenarazil při prvním startování sestavy 3xXTM + 2xVT + XCOM-LAN + XCOM-232 + BSP + RCC02 (včetně updatu software a připojení se na portál) na něco, co by na první pohled vyloženě nefungovalo.

Nějaké zádrhele by tu nicméně byly, budu rád za případné komentáře hlavně k obrázku se zprávami:
- portál občas háže timeouts - to je normální?
- když jsem z obou XCOMů vyndal po konfiguraci SD kartu, jak zruším tu přiblblou message o konci logování?
- proč mi to hlásí watchdog, že by proto, že XCOM-232 není vůbec zapojená?
Přílohy
20210108_222649.jpg
Studer Remote.jpg
StuderMessages.jpg
Uživatelský avatar
mgx
Příspěvky: 576
Registrován: stř dub 15, 2015 1:14 pm
Reputace: 114
Bydliště: Tatranska Lomnica

Re: Kozel solárníkem

Nový příspěvek od mgx »

- portál občas háže timeouts - to je normální?

ano, portal studeru nie je z najlepsich. ignorovat.

- když jsem z obou XCOMů vyndal po konfiguraci SD kartu, jak zruším tu přiblblou message o konci logování?

ja tam mam SD kartu vrazenu non-stop, hlavne preto ze sa na nu priebezne loguje. Upload dennych dat na studer.com prebieha po polnoci, ale z SD karty. Ak tam nie je, data neuploadne.

- proč mi to hlásí watchdog, že by proto, že XCOM-232 není vůbec zapojená?

skor by som typol, ze mu v xcom232i chyba tiez sd karta. ja mam sd kartu pichnutu aj v xcom232i, aj v rcc02/03. ak pripojim xcom485 (mam ho), necham sd kartu aj v nom
Uživatelský avatar
marsal64
Příspěvky: 1204
Registrován: sob čer 16, 2018 1:45 pm
Reputace: 133
Lokalita: Velké Popovice
Systémové napětí: 48V
Výkon panelů [Wp]: 9,3
Kapacita baterie [kWh]: 30
Chci prodávat energii: NE
Chci/Mám dotaci: NE
Bydliště: Velké Popovice

Re: Kozel solárníkem

Nový příspěvek od marsal64 »

mgx píše:
ja tam mam SD kartu vrazenu non-stop, hlavne preto ze sa na nu priebezne loguje. Upload dennych dat na studer.com prebieha po polnoci, ale z SD karty. Ak tam nie je, data neuploadne.

skor by som typol, ze mu v xcom232i chyba tiez sd karta
Díky, aha, tak dám SD kartu kromě RCC i do Xcom232 i XcomLan ... ;)
To pak tedy logují všechna tři tato zařízení??
DanoP
Příspěvky: 948
Registrován: stř črc 06, 2016 12:27 pm
Reputace: 216
Bydliště: Trnava, Slovensko

Re: Kozel solárníkem

Nový příspěvek od DanoP »

Logovanie na SD sa da v RCC vypnut, ale s dosledkami (portal). XCom nepotrebuje SD kartu - watchdog (Scom watchdog caused the reset of Xcom-232i) suvisi s tym ze XCom232 nema pravidelnu komunikaciu cez RS232, ja mam vycitanie parametrov cez RS232, takze watchdog reset sa objavi len ak odpojim vycitavanie. Malo by sa to dat vypnut z RCC ak mas Installer heslo alebo nastavenim parametru 5095 cez XCom.
SComWatchdog.png
1,77kWp monokryštál + Fangpusun MPPT 150/45, 1,6kWp +Victron MPPT 250/60, 2xStuder XTM4048 + 25kWh LiFePO4, vlastny monitoring na https://www.mms-softec.sk/pip/
Uživatelský avatar
mgx
Příspěvky: 576
Registrován: stř dub 15, 2015 1:14 pm
Reputace: 114
Bydliště: Tatranska Lomnica

Re: Kozel solárníkem

Nový příspěvek od mgx »

Ja mam 5095 na = NO. Ale nikdy som to nemenil, takze to bolo asi tovarne nastavene.
Uživatelský avatar
marsal64
Příspěvky: 1204
Registrován: sob čer 16, 2018 1:45 pm
Reputace: 133
Lokalita: Velké Popovice
Systémové napětí: 48V
Výkon panelů [Wp]: 9,3
Kapacita baterie [kWh]: 30
Chci prodávat energii: NE
Chci/Mám dotaci: NE
Bydliště: Velké Popovice

Re: Kozel solárníkem

Nový příspěvek od marsal64 »

Tak ten watchdog jsem dohledal tady na fóru, pardon.
https://forum.mypower.cz/viewtopic.php? ... 91#p133526 a dál
Uživatelský avatar
marsal64
Příspěvky: 1204
Registrován: sob čer 16, 2018 1:45 pm
Reputace: 133
Lokalita: Velké Popovice
Systémové napětí: 48V
Výkon panelů [Wp]: 9,3
Kapacita baterie [kWh]: 30
Chci prodávat energii: NE
Chci/Mám dotaci: NE
Bydliště: Velké Popovice

Studery a AC rozvod

Nový příspěvek od marsal64 »

Po všech meditacích dám nakonec na dobré rady beethovena (https://forum.mypower.cz/viewtopic.php? ... ze#p139898), marka a dalších.
Nechám 3xXTM Studery po fázích (případně ještě dokoupím jednoho na posílení nejproblematičtější fáze) a zapojení udělám ve stylu chytré horákyně, aby byly zachovány obě možnosti, tedy "galvanické oddělení" i "normální studerácký provoz".
Stykač pro "galvanické oddělení" je díky inspiraci tady na fóru (tuším milhaus?) současně i k možnosti odpojení AC IN (pokud nečekám přetížení a nechci, aby se baterky dobíjely ze sítě).
Za skouknutí návrhu a případné komentáře budu vděčný.
Díky
Přílohy
Rozvaděč.jpg
Uživatelský avatar
redcrown
Příspěvky: 1138
Registrován: pát říj 12, 2012 8:15 pm
Reputace: 75
Bydliště: Severní Čechy

Re: Kozel solárníkem

Nový příspěvek od redcrown »

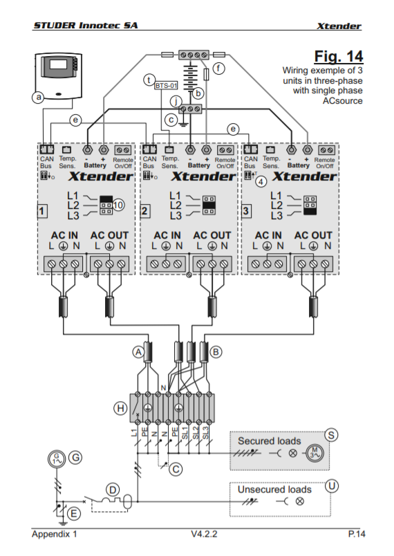
A budeš dělat ACin 1f nebo 3f? Jestli jsem to dobře pochopil, mělo by jít udělat kombinace fig.14 a fig.15 - tedy ACin 1f, ACout 3f (2xL1,L2,L3). Pochopil jsem tu možnost to kombinovat správně?
Fig_14.png
Fig_15.png
V provozu: ostrov 20kWp s dobíjením z DS, 6x XTM4000-48, 4xVT80, 80kWh LFP + Batrium
Uživatelský avatar
marsal64
Příspěvky: 1204
Registrován: sob čer 16, 2018 1:45 pm
Reputace: 133
Lokalita: Velké Popovice
Systémové napětí: 48V
Výkon panelů [Wp]: 9,3
Kapacita baterie [kWh]: 30
Chci prodávat energii: NE
Chci/Mám dotaci: NE
Bydliště: Velké Popovice

Re: Kozel solárníkem

Nový příspěvek od marsal64 »

Meditoval jsem v tom vlákně odkazovaném výše, ale nakonec 3f - 3f.
Uživatelský avatar
redcrown
Příspěvky: 1138
Registrován: pát říj 12, 2012 8:15 pm
Reputace: 75
Bydliště: Severní Čechy

Re: Kozel solárníkem

Nový příspěvek od redcrown »

U ACin 1f a ACout 3f by vlastně nešel udělat hybridní režim na 3f. Přepínání snad jo.
V provozu: ostrov 20kWp s dobíjením z DS, 6x XTM4000-48, 4xVT80, 80kWh LFP + Batrium
netko
Příspěvky: 174
Registrován: sob zář 01, 2012 12:43 am
Reputace: 10
Lokalita: Orava

Re: Studery a AC rozvod

Nový příspěvek od netko »

Pôvodne pred 8 rokmi som tiež uvažoval o 3f systeme ale nakoniec som urobil jedno fazovy a som rad ze som to tak urobil. Ono pokial nevyuzivas 3f motory tak je uplne zbytocne mat 3f system a lepsie je mat silnu 1 fazu. Inak i a privod do rozvadzaca potrebujes mat vacsi prierez a zbytok ostava pôvodne rozistene ako na 3f system a nic nemenis. Vsetko riesi rucny prepinac bypas kdyby neco tam to prepojis z fve 3f na jednu ked ides z fve a ked zo siete tak zas na 3f.
marsal64 píše:
Po všech meditacích dám nakonec na dobré rady beethovena (https://forum.mypower.cz/viewtopic.php? ... ze#p139898), marka a dalších.
Nechám 3xXTM Studery po fázích (případně ještě dokoupím jednoho na posílení nejproblematičtější fáze) a zapojení udělám ve stylu chytré horákyně, aby byly zachovány obě možnosti, tedy "galvanické oddělení" i "normální studerácký provoz".
Stykač pro "galvanické oddělení" je díky inspiraci tady na fóru (tuším milhaus?) současně i k možnosti odpojení AC IN (pokud nečekám přetížení a nechci, aby se baterky dobíjely ze sítě).
Za skouknutí návrhu a případné komentáře budu vděčný.
Díky
DanoP
Příspěvky: 948
Registrován: stř črc 06, 2016 12:27 pm
Reputace: 216
Bydliště: Trnava, Slovensko

Re: Kozel solárníkem

Nový příspěvek od DanoP »

1f system mam aj ja, ale s tym ze teplovzdusna rura je pripojena na DS na druhej faze. Dovod je ten, ze pri subehu a bypasse (vybite baterie) by to hlavny istic z DS nerozchodil. Uz som uvazoval nad 2f riesenim, kde na druhej faze by boli obcasne "zrutske" spotrebice, takze menic pre druhu fazu by bol vacsinu casu v search mode, pricom pripadny bypas by fungoval tak ako doteraz.
1,77kWp monokryštál + Fangpusun MPPT 150/45, 1,6kWp +Victron MPPT 250/60, 2xStuder XTM4048 + 25kWh LiFePO4, vlastny monitoring na https://www.mms-softec.sk/pip/
Uživatelský avatar
marko250
Příspěvky: 3473
Registrován: ned led 12, 2014 7:41 pm
Reputace: 525
Lokalita: Hlučín
Bydliště: Hlučín

Re: Kozel solárníkem

Nový příspěvek od marko250 »

Nic nevypadne když to přepínáš přez dva 3f stykače ,leda bys měl na jedné fázi z DS navěšeno víc než zvládá hlavní jistič.
1f na 3f domu.jpg
16kWp/JZ-50°/20xChaori 230 ,JV-90°/8xLeapton 650 + <JZ-90° /15xJAsolar / Mono 385, regl Midnite Classic 150<89A> , 1x EASUN <80A> a 1x EASUN <100A>,baterka 17s 54.4VDC LFP4/784Ah<uloží 42kWh>,ŠKATULE 11kW
Uživatelský avatar
marsal64
Příspěvky: 1204
Registrován: sob čer 16, 2018 1:45 pm
Reputace: 133
Lokalita: Velké Popovice
Systémové napětí: 48V
Výkon panelů [Wp]: 9,3
Kapacita baterie [kWh]: 30
Chci prodávat energii: NE
Chci/Mám dotaci: NE
Bydliště: Velké Popovice

Re: Kozel solárníkem

Nový příspěvek od marsal64 »

Pokud by tedy AC OUT měničů bylo spojeno, na všechny jejich AC IN se musí přivést jedna fáze, že?
Uživatelský avatar
marko250
Příspěvky: 3473
Registrován: ned led 12, 2014 7:41 pm
Reputace: 525
Lokalita: Hlučín
Bydliště: Hlučín

Re: Kozel solárníkem

Nový příspěvek od marko250 »

Jo,proto to máš udělat 3f a pak se poprat s tím AC in ano/ne :-) .
16kWp/JZ-50°/20xChaori 230 ,JV-90°/8xLeapton 650 + <JZ-90° /15xJAsolar / Mono 385, regl Midnite Classic 150<89A> , 1x EASUN <80A> a 1x EASUN <100A>,baterka 17s 54.4VDC LFP4/784Ah<uloží 42kWh>,ŠKATULE 11kW

Kdo je online

Uživatelé prohlížející si toto fórum: Antrac1t, Claudebot [Bot], JiTr, kigen, Paulob, pcnac a 1 host