Vypadávající proudový chránič
-
- Příspěvky: 137
- Registrován: pon srp 16, 2021 8:35 pm
- Reputace: 9
Vypadávající proudový chránič
Známý má doma nově FVE, pro přepínání mezi FVE a DS jako vstupu do domu má přepínač sítí (L+N).
A při přepínání mu vypadne proudový chránič (mezi DS a vstupem přepínače sítí).
Mne napadá, že se to někde dál potkává, ale prý když to přepne a proudový chránič nahodí tak to normálně běží.
Napadá někoho co by to mohlo být?
A při přepínání mu vypadne proudový chránič (mezi DS a vstupem přepínače sítí).
Mne napadá, že se to někde dál potkává, ale prý když to přepne a proudový chránič nahodí tak to normálně běží.
Napadá někoho co by to mohlo být?
D34: 3,3kWp 174° (6*235 Wp + 6*310 Wp) + EPsolar Tracer 6420AN + Epsolar IPower IP5000-42-Plus-T + 4* VRLA GEL 12V/150Ah + 16*LiFePo4/120Ah, WIFI: 50Wp 174° + PWM KLX1230+3*VRLA AGM 12V/17Ah, Včely: 10Wp 180° + Epsolar LS LS1024B + VRLA AGM 12V/17Ah, Automatizace: 15 * Wemos D1 mini/lite
-
- Moderátor
- Příspěvky: 6277
- Registrován: pon srp 16, 2021 9:31 pm
- Reputace: 852
- Lokalita: blízko Brna
- Systémové napětí: 24V
- Výkon panelů [Wp]: 13+ kWp
- Kapacita baterie [kWh]: 40+15
- Chci prodávat energii: NE
- Chci/Mám dotaci: NE
- Bydliště: blízko Brna
Re: Vypadávající proudový chránič
A proc to ma na tak blbem miste?
Proudove chranice ma mit az na jednotlive okruhy, ne nekde na vstupu do baraku (nebo je to drevostavba?).
Navic dle normy musi mit ty chranice typ B, pokud to neni menic s trafem nebo to vyrobce menice pise v dokumentaci, ze byt B nemusi.
Proudove chranice ma mit az na jednotlive okruhy, ne nekde na vstupu do baraku (nebo je to drevostavba?).
Navic dle normy musi mit ty chranice typ B, pokud to neni menic s trafem nebo to vyrobce menice pise v dokumentaci, ze byt B nemusi.
13,38 kWp: 9850 Wp Jih, 2040 Wp Východ, 1490 Wp Západ
Regulátory Epever a Victron
Phoenix 5 kVA + MP 24/5000 (můj byt + wifi/kamery/atd. + máti byt)
MP2 24/5000 vytěžování do akumulačních kamen
Epever 3kW vytěžování do bojlerů + žebříky
1 kW "nabíječka" 24 V
40 680 Wh staré olovo 15 258 Wh Li-Ion
záloha čerpadla ve sklepě MP12/3000/120-16 + 100Ah 12V monbat
Modře píši jako moderátor, černě jako člen.
Regulátory Epever a Victron
Phoenix 5 kVA + MP 24/5000 (můj byt + wifi/kamery/atd. + máti byt)
MP2 24/5000 vytěžování do akumulačních kamen
Epever 3kW vytěžování do bojlerů + žebříky
1 kW "nabíječka" 24 V
40 680 Wh staré olovo 15 258 Wh Li-Ion
záloha čerpadla ve sklepě MP12/3000/120-16 + 100Ah 12V monbat
Modře píši jako moderátor, černě jako člen.
-
- Příspěvky: 8011
- Registrován: sob črc 19, 2014 8:56 pm
- Reputace: 1008
- Lokalita: severně od Brna
- Systémové napětí: 48V
- Výkon panelů [Wp]: 8kWp
- Kapacita baterie [kWh]: 12kWh
- Chci prodávat energii: NE
- Chci/Mám dotaci: NE
Re: Vypadávající proudový chránič
Tj když se přepne na měnič, tak je instalace bez chrániče?! to mi hlava nebere.
ostrov skoro 8kWp neustále ve stádiu zrodu: smartshunt(ex WBJR), MPPT150/45, MPPT 250/100(ex midnitesolar 150 clasic lite), 16S a různě P cca 340Ah Winston, MP II 5000,( ex Powerjack 8kW, ex samodomo cca 4kW). 48V DC rozvody a spotřebiče.
-
- Příspěvky: 137
- Registrován: pon srp 16, 2021 8:35 pm
- Reputace: 9
Re: Vypadávající proudový chránič
Asi přesněji, chránič chránil rozvody v baráku.
Teď do toho přidal FVE.
DS-Pch(DS) - Přepínač sítí - okruh
FVE-Pch(FVE) - Přepínač sítí - okruh
prostě chránič je někde na baráku.... ale přepínač sítí je uvnitř baráku (rozpojen okruh a vložen přepínač sítí). Takže celý okruh je buď na FVE nebo DS. A protože oba vstupy do přepínače sítí mají proudový chránič je vždy instalace s chráničem.
Teď do toho přidal FVE.
DS-Pch(DS) - Přepínač sítí - okruh
FVE-Pch(FVE) - Přepínač sítí - okruh
prostě chránič je někde na baráku.... ale přepínač sítí je uvnitř baráku (rozpojen okruh a vložen přepínač sítí). Takže celý okruh je buď na FVE nebo DS. A protože oba vstupy do přepínače sítí mají proudový chránič je vždy instalace s chráničem.
D34: 3,3kWp 174° (6*235 Wp + 6*310 Wp) + EPsolar Tracer 6420AN + Epsolar IPower IP5000-42-Plus-T + 4* VRLA GEL 12V/150Ah + 16*LiFePo4/120Ah, WIFI: 50Wp 174° + PWM KLX1230+3*VRLA AGM 12V/17Ah, Včely: 10Wp 180° + Epsolar LS LS1024B + VRLA AGM 12V/17Ah, Automatizace: 15 * Wemos D1 mini/lite
-
- Moderátor
- Příspěvky: 6277
- Registrován: pon srp 16, 2021 9:31 pm
- Reputace: 852
- Lokalita: blízko Brna
- Systémové napětí: 24V
- Výkon panelů [Wp]: 13+ kWp
- Kapacita baterie [kWh]: 40+15
- Chci prodávat energii: NE
- Chci/Mám dotaci: NE
- Bydliště: blízko Brna
Re: Vypadávající proudový chránič
No, tak ho musí vyřadit a dát až za výstup z přepínače na jednotlivé okruhy chrániče.
A před ty okruhy, které budou tím pádem bez chrániče, tak musí dodat jednotlivé chrániče.
Ty, na kterých se může objevit FVE, tak musí mít B chránič, pokud tam nemá trafo (anebo manuál říká, že nemusíš mít B).
A před ty okruhy, které budou tím pádem bez chrániče, tak musí dodat jednotlivé chrániče.
Ty, na kterých se může objevit FVE, tak musí mít B chránič, pokud tam nemá trafo (anebo manuál říká, že nemusíš mít B).
13,38 kWp: 9850 Wp Jih, 2040 Wp Východ, 1490 Wp Západ
Regulátory Epever a Victron
Phoenix 5 kVA + MP 24/5000 (můj byt + wifi/kamery/atd. + máti byt)
MP2 24/5000 vytěžování do akumulačních kamen
Epever 3kW vytěžování do bojlerů + žebříky
1 kW "nabíječka" 24 V
40 680 Wh staré olovo 15 258 Wh Li-Ion
záloha čerpadla ve sklepě MP12/3000/120-16 + 100Ah 12V monbat
Modře píši jako moderátor, černě jako člen.
Regulátory Epever a Victron
Phoenix 5 kVA + MP 24/5000 (můj byt + wifi/kamery/atd. + máti byt)
MP2 24/5000 vytěžování do akumulačních kamen
Epever 3kW vytěžování do bojlerů + žebříky
1 kW "nabíječka" 24 V
40 680 Wh staré olovo 15 258 Wh Li-Ion
záloha čerpadla ve sklepě MP12/3000/120-16 + 100Ah 12V monbat
Modře píši jako moderátor, černě jako člen.
-
- Příspěvky: 459
- Registrován: úte zář 06, 2022 2:47 pm
- Reputace: 31
- Lokalita: českotřebovsko
- Systémové napětí: 48V
- Chci prodávat energii: NE
- Chci/Mám dotaci: NE
- Bydliště: českotřebovsko
Re: Vypadávající proudový chránič
Mě chránič vyhazoval při přepnutí na FVE počítač, problém byl v prodlužovačce k počítači, obráceně zapojené vodiče, při připojení na síť to nevadilo. Mám TN-C
Měnič Easun SMX II 5,6 Kw, 8x Huasun HTJ 445Wp stříbrný rám, bifaciální, Lifepo4 16x 105 AH JK BMS
-
- Příspěvky: 82
- Registrován: čtv bře 17, 2022 1:14 pm
- Reputace: 14
- Lokalita: SK - Myjava, ČR -Sulice
- Systémové napětí: 24V
- Výkon panelů [Wp]: 1880
- Kapacita baterie [kWh]: 7,1
Re: Vypadávající proudový chránič
mirekcafa ak máš TN-C tak buď chránič nemáš alebo síce máš, ale zapojený tak že je nefunkčný....Jedine ak by si mal chránič do zásuvky.
1,88kWp, Victron 150/45, epsolar 3215BN, Lifepo4 8s 280Ah,JK BMS B2A8S20P, Victron smart shunt, victron phoenix smart 24/3000, rpi3b+ venus OS
-
- Příspěvky: 459
- Registrován: úte zář 06, 2022 2:47 pm
- Reputace: 31
- Lokalita: českotřebovsko
- Systémové napětí: 48V
- Chci prodávat energii: NE
- Chci/Mám dotaci: NE
- Bydliště: českotřebovsko
Re: Vypadávající proudový chránič
Řekl bych že funguje protože když připojím na N kabel se žárovkou a druhý konec na N vedle tak to vyhodí....
Měnič Easun SMX II 5,6 Kw, 8x Huasun HTJ 445Wp stříbrný rám, bifaciální, Lifepo4 16x 105 AH JK BMS
-
- Příspěvky: 1427
- Registrován: pon dub 24, 2023 8:47 am
- Reputace: 193
- Lokalita: Lašská brána Beskyd
- Systémové napětí: 48V
- Výkon panelů [Wp]: 8kWp
- Kapacita baterie [kWh]: 20kWh
Re: Vypadávající proudový chránič
mirekcafa: Pokud máš samostatně vedené N, tak to asi nebude TN-C siť.
SkyFVE 8 kWp (ve výstavbě) na výzkumné "chytré" chatě. 4x MPPT Epever XTRA4415N 4x40A, 1x AC Charger WATE 42V/10A, Li-Ion 3x 12s 156Ah (20 kWh/44V), SkyPowerBox LF 4810 1kVA, Victron Atlas 48/1600, REVO VM II 5.5kW, APC SmartUPS 5kVA + PLC Siemens Logo! + Dell Optiplex 3040 Micro (Proxmox: HA, Node-RED, InfluxDB, Grafana, Mqtt, Zigbee2Mqtt, Samba, Tailscale)
-
- Příspěvky: 459
- Registrován: úte zář 06, 2022 2:47 pm
- Reputace: 31
- Lokalita: českotřebovsko
- Systémové napětí: 48V
- Chci prodávat energii: NE
- Chci/Mám dotaci: NE
- Bydliště: českotřebovsko
Re: Vypadávající proudový chránič
Do měniče mám L + N + PE, z měniče mám L + N a na tom mám jističochrániče ke spotřebičům. Ale chtěl jsem spíš poukázat na to že binec můžou dělat prodlužovačky, ty které mám doma jsem zkontroloval a většinou jsou zapojeny obráceně. A třeba trafu k noťasu to vadilo. Chránič vypínal. Když jsem tam dal správnou prodlužku tak je to v pohodě.
Měnič Easun SMX II 5,6 Kw, 8x Huasun HTJ 445Wp stříbrný rám, bifaciální, Lifepo4 16x 105 AH JK BMS
-
- Příspěvky: 1427
- Registrován: pon dub 24, 2023 8:47 am
- Reputace: 193
- Lokalita: Lašská brána Beskyd
- Systémové napětí: 48V
- Výkon panelů [Wp]: 8kWp
- Kapacita baterie [kWh]: 20kWh
Re: Vypadávající proudový chránič
Jo jasně. Jen po rozdělení PEN na PE + N už to pak je TN-S síť a tam už ten proudový chránič (nebo jističochránič) fungovat bude.
EDIT: Prodlužovačky, rozdvojky apod. jsou maras a vlastně by se normálně vůbec neměly používat.
EDIT: Prodlužovačky, rozdvojky apod. jsou maras a vlastně by se normálně vůbec neměly používat.
SkyFVE 8 kWp (ve výstavbě) na výzkumné "chytré" chatě. 4x MPPT Epever XTRA4415N 4x40A, 1x AC Charger WATE 42V/10A, Li-Ion 3x 12s 156Ah (20 kWh/44V), SkyPowerBox LF 4810 1kVA, Victron Atlas 48/1600, REVO VM II 5.5kW, APC SmartUPS 5kVA + PLC Siemens Logo! + Dell Optiplex 3040 Micro (Proxmox: HA, Node-RED, InfluxDB, Grafana, Mqtt, Zigbee2Mqtt, Samba, Tailscale)
-
- Příspěvky: 1441
- Registrován: pát zář 29, 2023 4:12 am
- Reputace: 257
- Lokalita: Brno
- Systémové napětí: >48V
Re: Vypadávající proudový chránič
Pokud je správně zapojená a funkční síť i ten spotřebič, tak přehození L a N v prodlužovačce nebo rozdvojce nemůže ničemu vadit.mirekcafa píše: stř pro 13, 2023 7:14 pm...
Ale chtěl jsem spíš poukázat na to že binec můžou dělat prodlužovačky, ty které mám doma jsem zkontroloval a většinou jsou zapojeny obráceně. A třeba trafu k noťasu to vadilo. Chránič vypínal. Když jsem tam dal správnou prodlužku tak je to v pohodě.
Nakonec v různých zemích je poloha vodičů různá. A třeba u zásuvek Schuko tam můžeš zástrčky zasunout oběma směry.
Tak pokud Ti to s otočenou prodlužovačkou padá, zkontroloval bych ti ten noťasový zdroj.
-
- Příspěvky: 137
- Registrován: pon srp 16, 2021 8:35 pm
- Reputace: 9
Re: Vypadávající proudový chránič
Doplnění:
"Padá už jen chránič na vstupu do domu a jen když přepínač zapínám z nuly (střední polohy) na DS. V klidu nikdy nevypadne. Když přepínám páčku rychle, tak to někdy nevypadne. To se děje na FV1 okruhu se světly a zásuvkami. Okruh FV2, myčka/pračka/sušička to nedělá. "D34: 3,3kWp 174° (6*235 Wp + 6*310 Wp) + EPsolar Tracer 6420AN + Epsolar IPower IP5000-42-Plus-T + 4* VRLA GEL 12V/150Ah + 16*LiFePo4/120Ah, WIFI: 50Wp 174° + PWM KLX1230+3*VRLA AGM 12V/17Ah, Včely: 10Wp 180° + Epsolar LS LS1024B + VRLA AGM 12V/17Ah, Automatizace: 15 * Wemos D1 mini/lite
-
- Příspěvky: 966
- Registrován: stř říj 02, 2013 8:57 am
- Reputace: 70
Re: Vypadávající proudový chránič
Zástrčku která jde zastrčit i obráceně je ale 2kolik. 3kolik obráceně nezastrčíte. Ono ty zalité zástrčky na prodlužováku mají obrácené barvy modry se připojuje vlevo od kolíku na L a hnědý vpravo na N. To potom může tomu zdroji vadit.
K tomu padajícímu chrániči ten přepínač sítí je mechanický? Osobně bych postupně vypínal jističe a testoval to přepnutí aby se zjistilo kde se N dostává na PE nebo někam mimo.
K tomu padajícímu chrániči ten přepínač sítí je mechanický? Osobně bych postupně vypínal jističe a testoval to přepnutí aby se zjistilo kde se N dostává na PE nebo někam mimo.
-
- Příspěvky: 2077
- Registrován: sob bře 30, 2019 10:27 am
- Reputace: 370
- Lokalita: JV od pekla :)
- Systémové napětí: 48V
- Výkon panelů [Wp]: 5100
- Kapacita baterie [kWh]: 33
- Chci/Mám dotaci: NE
Re: Vypadávající proudový chránič
Do "německé" Schuko zásuvky nebo do italské ano. Prostě oba vodiče v zásuvce jsou pracovní a je lhostejné, který má jaký potenciál vůči zemi -- tak je k tomu potřeba přistupovat. Zdroji to vadít NESMÍ.
A u toho pomalého přepínání je to jasné -- celkový rozdílový proud na všech čtyřech vodičích po nějakou velmi krátkou dobu není menší než 30mA, takže chránič vybaví.
A u toho pomalého přepínání je to jasné -- celkový rozdílový proud na všech čtyřech vodičích po nějakou velmi krátkou dobu není menší než 30mA, takže chránič vybaví.
-
- Příspěvky: 4414
- Registrován: pon úno 07, 2022 10:11 pm
- Reputace: 289
- Lokalita: Zlaté Hory / Olomouc
- Systémové napětí: 24V
- Výkon panelů [Wp]: 3600
- Kapacita baterie [kWh]: 16
- Chci prodávat energii: NE
- Chci/Mám dotaci: NE
- Bydliště: Zlaté Hory
Re: Vypadávající proudový chránič
Prostě to dělá elektronika když přepínáš i N prostě se připne L a přes elektroniku proteče někde proud L -> PE než se připne N a chránič před přepínačem vypadne. (Různé odrušovací prvky mají kondenzátory mezi L a PE a N a PE)
Musel bys zařídit aby N se přeplo před L.
Prostě je vyházej a dej je až za přepínače sítí.
Musel bys zařídit aby N se přeplo před L.
Prostě je vyházej a dej je až za přepínače sítí.
3,6kWp
| 2x MUST PV18-3024 VHM, 3kW/24V | 16kWh 


-
- Příspěvky: 1441
- Registrován: pát zář 29, 2023 4:12 am
- Reputace: 257
- Lokalita: Brno
- Systémové napětí: >48V
Re: Vypadávající proudový chránič
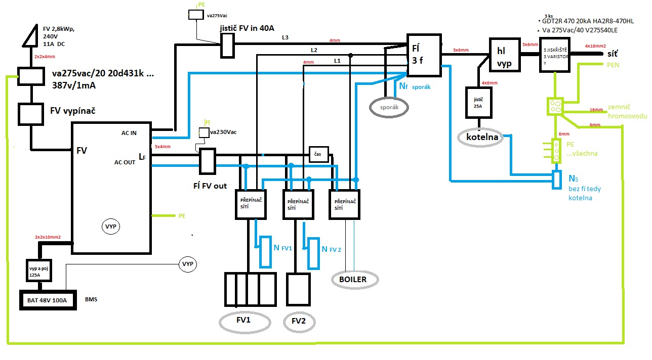
Já jsem to vlákno nesledoval, až teď ten obrázek.
To máš fakt takhle zapojené? Že to přes proudový chránič jde z jedné strany z gridu, z opačné strany z měniče?
Ten, kdo to zapojoval, byl takový šprýmař nebo byl tak ožralý?
To máš fakt takhle zapojené? Že to přes proudový chránič jde z jedné strany z gridu, z opačné strany z měniče?
Ten, kdo to zapojoval, byl takový šprýmař nebo byl tak ožralý?

-
- Moderátor
- Příspěvky: 6277
- Registrován: pon srp 16, 2021 9:31 pm
- Reputace: 852
- Lokalita: blízko Brna
- Systémové napětí: 24V
- Výkon panelů [Wp]: 13+ kWp
- Kapacita baterie [kWh]: 40+15
- Chci prodávat energii: NE
- Chci/Mám dotaci: NE
- Bydliště: blízko Brna
Re: Vypadávající proudový chránič
Však to píšeme od začátku, že je to špatně.
13,38 kWp: 9850 Wp Jih, 2040 Wp Východ, 1490 Wp Západ
Regulátory Epever a Victron
Phoenix 5 kVA + MP 24/5000 (můj byt + wifi/kamery/atd. + máti byt)
MP2 24/5000 vytěžování do akumulačních kamen
Epever 3kW vytěžování do bojlerů + žebříky
1 kW "nabíječka" 24 V
40 680 Wh staré olovo 15 258 Wh Li-Ion
záloha čerpadla ve sklepě MP12/3000/120-16 + 100Ah 12V monbat
Modře píši jako moderátor, černě jako člen.
Regulátory Epever a Victron
Phoenix 5 kVA + MP 24/5000 (můj byt + wifi/kamery/atd. + máti byt)
MP2 24/5000 vytěžování do akumulačních kamen
Epever 3kW vytěžování do bojlerů + žebříky
1 kW "nabíječka" 24 V
40 680 Wh staré olovo 15 258 Wh Li-Ion
záloha čerpadla ve sklepě MP12/3000/120-16 + 100Ah 12V monbat
Modře píši jako moderátor, černě jako člen.
-
- Příspěvky: 137
- Registrován: pon srp 16, 2021 8:35 pm
- Reputace: 9
Re: Vypadávající proudový chránič
Píšu, že já to tak nemám, já mám ostrov.
Informace předány...

Informace předány...
D34: 3,3kWp 174° (6*235 Wp + 6*310 Wp) + EPsolar Tracer 6420AN + Epsolar IPower IP5000-42-Plus-T + 4* VRLA GEL 12V/150Ah + 16*LiFePo4/120Ah, WIFI: 50Wp 174° + PWM KLX1230+3*VRLA AGM 12V/17Ah, Včely: 10Wp 180° + Epsolar LS LS1024B + VRLA AGM 12V/17Ah, Automatizace: 15 * Wemos D1 mini/lite
-
- Příspěvky: 434
- Registrován: sob srp 20, 2022 9:20 pm
- Reputace: 37
- Lokalita: Litoměřice
- Systémové napětí: 48V
- Výkon panelů [Wp]: 11kWp
- Kapacita baterie [kWh]: 48kWh
- Chci prodávat energii: NE
- Chci/Mám dotaci: NE
Re: Vypadávající proudový chránič
Zdravím.
také jsem do včera řešil vypadávající proudový chránič. Potkala mě jedna z mnoha možných příčin.
Vypadával mě původní proudový chránič, který je teď předsazený před Axpert MAX. Občas mě vylítl i jistič v hlavním rozvaděči (3x za rok) a dokonce to jednou i přešlehlo přívodní nožovou pojistku ještě před rozvaděčem (1x).
Poslední týden ale začal chránič nahodile vypadávat mnohem častěji a to hlavně během připojení DS k Axpertu (počasí už moc nepřeje, tak se na noc občas připojí DS).
Další chrániče (A) mám po přepínači sítí samostatně na každém okruhu. Ty jsou v pohodě a nevypadávají.
Problém byl tedy mezi DS a vstupem AC do Axperta, který jde samozřejmě mimo přepínač sítí.
Zapojeno mám tedy : DS > 3F jistič > 3F chránič > 1F jistič (v domácím rozvaděči) > 1F jistič (ve skříni s Axpertem před relé) > WIFI relé > AC IN Axpert.
Relé je tam z důvodu připojování a odpojování DS k Axpertu v závislosti na stavu baterií. Je to chytré relé, takže hlídá i přepětí, podpětí, proud, měří spotřebu, ovládání na dálku a pár dalších věcí. A samozřejmě i zamezuje přetokům, protože odpojuje DS od Axperta.
Relé normálně cvakalo, spínalo, rozepínalo a nic nenasvědčovalo tomu, že by u něj měl být nějaký problém. Tak jsem se začal bát o MAXe.
Postupně jsem připojoval jednotlivé prvky, až jsem došel k relé a tam opět po chvilce vylítl chránič ( ne hned!).
Vzal jsem tedy zkoušečku a i přesto, že jsem měl relé rozepnuto a MAX na AC IN nic neměl, tak mě měřák hlásil, že kontakty jsou stále spojené.
Tak jsem to rozebral. Zjistil jsem, že kontakty jsou k sobě připečené malým spojem (kráterem). Spoje jsem od sebe oddělil a mohl nafotit a poté očistit, zabrousit ultrazvukovou bruskou a snad už to bude fajn.
Sám jsem zvědav, jak dlouho to vydrží.
Třetí fotku si zvětšete, ať ten malý kráter, který vytvářel stálý kontakt, ale přesto nepouštěl plný proud, vypadá. Právě toto mě vyhazovalo fíčko
Malé do 10W nahodilé úniky. Ukazovalo to samotné relé, což jsem považoval jen za jakousi chybu měření, protože to bylo nahodilé.
relé Měřákočištění ultrazvukovou bruskou
také jsem do včera řešil vypadávající proudový chránič. Potkala mě jedna z mnoha možných příčin.
Vypadával mě původní proudový chránič, který je teď předsazený před Axpert MAX. Občas mě vylítl i jistič v hlavním rozvaděči (3x za rok) a dokonce to jednou i přešlehlo přívodní nožovou pojistku ještě před rozvaděčem (1x).
Poslední týden ale začal chránič nahodile vypadávat mnohem častěji a to hlavně během připojení DS k Axpertu (počasí už moc nepřeje, tak se na noc občas připojí DS).
Další chrániče (A) mám po přepínači sítí samostatně na každém okruhu. Ty jsou v pohodě a nevypadávají.
Problém byl tedy mezi DS a vstupem AC do Axperta, který jde samozřejmě mimo přepínač sítí.
Zapojeno mám tedy : DS > 3F jistič > 3F chránič > 1F jistič (v domácím rozvaděči) > 1F jistič (ve skříni s Axpertem před relé) > WIFI relé > AC IN Axpert.
Relé je tam z důvodu připojování a odpojování DS k Axpertu v závislosti na stavu baterií. Je to chytré relé, takže hlídá i přepětí, podpětí, proud, měří spotřebu, ovládání na dálku a pár dalších věcí. A samozřejmě i zamezuje přetokům, protože odpojuje DS od Axperta.
Relé normálně cvakalo, spínalo, rozepínalo a nic nenasvědčovalo tomu, že by u něj měl být nějaký problém. Tak jsem se začal bát o MAXe.
Postupně jsem připojoval jednotlivé prvky, až jsem došel k relé a tam opět po chvilce vylítl chránič ( ne hned!).
Vzal jsem tedy zkoušečku a i přesto, že jsem měl relé rozepnuto a MAX na AC IN nic neměl, tak mě měřák hlásil, že kontakty jsou stále spojené.
Tak jsem to rozebral. Zjistil jsem, že kontakty jsou k sobě připečené malým spojem (kráterem). Spoje jsem od sebe oddělil a mohl nafotit a poté očistit, zabrousit ultrazvukovou bruskou a snad už to bude fajn.
Sám jsem zvědav, jak dlouho to vydrží.
Třetí fotku si zvětšete, ať ten malý kráter, který vytvářel stálý kontakt, ale přesto nepouštěl plný proud, vypadá. Právě toto mě vyhazovalo fíčko

relé Měřákočištění ultrazvukovou bruskou
Naposledy upravil(a) Mogul dne stř lis 06, 2024 11:12 am, celkem upraveno 1 x.
Kdo je online
Uživatelé prohlížející si toto fórum: Claudebot [Bot], META a 0 hostů