Nastavení Multiplus2
Souhrn tématu
Diskuze se věnuje nastavení měniče Multiplus2 při oživení fotovoltaické elektrárny u uživatele. Probírá se využití AUX relé pro přepínání mezi jednofázovou FVE a třífázovou distribuční sítí, detekce výpadku DS přes AC IN a ovládání bojleru pomocí AC OUT 2. Uživatelé sdílejí zkušenosti s nastavením relé, řeší problémy s přepínáním při výpadku DS a navrhují možné doplňky, jako je třífázové hlídací napěťové relé pro spolehlivější přepínání.
- ElektroEzs
- Příspěvky: 2990
- Registrován: stř zář 21, 2022 10:03 am
- Reputace:113
- Lokalita: okolí Teplic
- Systémové napětí: 48V
- Výkon panelů [Wp]: 8340
- Kapacita baterie [kWh]: 14,4
- Chci prodávat energii: NE
- Chci/Mám dotaci: NE
Nastavení Multiplus2
Ahoj zítra se chystám oživit FVE u rodičů. Pomocí AUX relé ovládám přepínač sítí, přepínám 1F FVE a 3F DS může být použit 2x asistent start generator? AC IN mám zapojený aby měnič poznal výpadek DS a měl možnost přepnout na měnič(UPS) při provozu na DS a jejím výpadku. AC OUT 2 mám zapojený na bojler aby se vypnul při zatížení měniče + zatím spínací hodiny aby v noci neohříval z baterek, časem bude nějaká automatizace už jen kvůli tomu že přijde dodělat i klimatizace. Nějaké připomínky co nastavit jinak?:-)Díky
1: JZ 5460 Wp Ja Solar, JV 960 Wp Leapton, SV 1920 Wp Leapton, MPPT 250/100, MPPT 150/35, MPPT 150/45, 2x parallel Multiplus 2 5000VA, Cerbo GX + touch LCD, 2x 16 x EVE 332Ah LiFePO4 + JK BMS 200A + SmartShunt 500A
2: JZ 3600 Wp Canadian Solar, V 1800 Wp Canadian Solar, MPPT 150/70, MPPT 150/35, Multiplus 2 5000VA, Cerbo GX + touch LCD, 16 x EVE 280Ah LiFePO4 + JK BMS 200A + BMV700
2: JZ 3600 Wp Canadian Solar, V 1800 Wp Canadian Solar, MPPT 150/70, MPPT 150/35, Multiplus 2 5000VA, Cerbo GX + touch LCD, 16 x EVE 280Ah LiFePO4 + JK BMS 200A + BMV700
- ElektroEzs
- Příspěvky: 2990
- Registrován: stř zář 21, 2022 10:03 am
- Reputace:113
- Lokalita: okolí Teplic
- Systémové napětí: 48V
- Výkon panelů [Wp]: 8340
- Kapacita baterie [kWh]: 14,4
- Chci prodávat energii: NE
- Chci/Mám dotaci: NE
Re: Nastavení Multiplus2
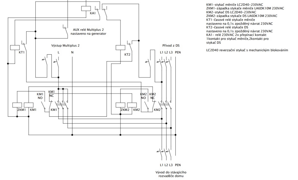
Tak nastavení vyzkoušené a funguje(skoro) ale narazil jsem na problém že pokud jsem přepnutý na DS a měnič v bypassu a vyrazím jistič DS tak tak sice Multiplus hned zapne měnič ale relé AUX Multiplusu nesepene a tím pádem nedá povel stykačům na přepnutí. Dá se nastavit aby relé reagovala i na výpadek DS na AC IN stejně jako na přetížení a SOC? Nebo mě pak napadlo dát 3f hlídací napěťové relé a spínací kontakt napěťového relé dát paraelně s AUX relé Multiplusu aby seplo a přeplo stykače při výpadku. DS. Ještě přikládám schéma jak mám přepínání sítí zapojené.
Díky za rady:)
Díky za rady:)
1: JZ 5460 Wp Ja Solar, JV 960 Wp Leapton, SV 1920 Wp Leapton, MPPT 250/100, MPPT 150/35, MPPT 150/45, 2x parallel Multiplus 2 5000VA, Cerbo GX + touch LCD, 2x 16 x EVE 332Ah LiFePO4 + JK BMS 200A + SmartShunt 500A
2: JZ 3600 Wp Canadian Solar, V 1800 Wp Canadian Solar, MPPT 150/70, MPPT 150/35, Multiplus 2 5000VA, Cerbo GX + touch LCD, 16 x EVE 280Ah LiFePO4 + JK BMS 200A + BMV700
2: JZ 3600 Wp Canadian Solar, V 1800 Wp Canadian Solar, MPPT 150/70, MPPT 150/35, Multiplus 2 5000VA, Cerbo GX + touch LCD, 16 x EVE 280Ah LiFePO4 + JK BMS 200A + BMV700
- ElektroEzs
- Příspěvky: 2990
- Registrován: stř zář 21, 2022 10:03 am
- Reputace:113
- Lokalita: okolí Teplic
- Systémové napětí: 48V
- Výkon panelů [Wp]: 8340
- Kapacita baterie [kWh]: 14,4
- Chci prodávat energii: NE
- Chci/Mám dotaci: NE
Re: Nastavení Multiplus2
Dnes pridano rele na hlidani vypadku fazi a funguje to spolehlive vyhoda ze to hlida vsechny tri faze DS ale stejne by me zajimalo jestli se da nastavit rele v Multiplusu na sepnuti pri vypadku AC IN hledal jsem to v nastaveni ale nenasel:-)
1: JZ 5460 Wp Ja Solar, JV 960 Wp Leapton, SV 1920 Wp Leapton, MPPT 250/100, MPPT 150/35, MPPT 150/45, 2x parallel Multiplus 2 5000VA, Cerbo GX + touch LCD, 2x 16 x EVE 332Ah LiFePO4 + JK BMS 200A + SmartShunt 500A
2: JZ 3600 Wp Canadian Solar, V 1800 Wp Canadian Solar, MPPT 150/70, MPPT 150/35, Multiplus 2 5000VA, Cerbo GX + touch LCD, 16 x EVE 280Ah LiFePO4 + JK BMS 200A + BMV700
2: JZ 3600 Wp Canadian Solar, V 1800 Wp Canadian Solar, MPPT 150/70, MPPT 150/35, Multiplus 2 5000VA, Cerbo GX + touch LCD, 16 x EVE 280Ah LiFePO4 + JK BMS 200A + BMV700
- Dagus
- Příspěvky: 2197
- Registrován: ned úno 17, 2019 9:07 pm
- Reputace:227
- Lokalita: Liberec
- Systémové napětí: 48V
- Výkon panelů [Wp]: 7820
- Kapacita baterie [kWh]: 32
- Chci prodávat energii: NE
- Chci/Mám dotaci: NE
Re: Nastavení Multiplus2
A jaký relé jsi tam dal?
7820Wp, SV 12° 1710Wp Poly, J 90° 1820Wp Mono, JZ 12° 1680Wp Poly, JZ2 12° 1800Wp Mono, J 40° 810Wp Hyundai
MP2 5000VA, MPPT1 150/60tr, MPPT2 150/60tr, 16.8kWh 17S 310Ah AKU1, 15.2kWh 17S 280Ah AKU 2, 2xJK-BMS
MP2 5000VA, MPPT1 150/60tr, MPPT2 150/60tr, 16.8kWh 17S 310Ah AKU1, 15.2kWh 17S 280Ah AKU 2, 2xJK-BMS
- ElektroEzs
- Příspěvky: 2990
- Registrován: stř zář 21, 2022 10:03 am
- Reputace:113
- Lokalita: okolí Teplic
- Systémové napětí: 48V
- Výkon panelů [Wp]: 8340
- Kapacita baterie [kWh]: 14,4
- Chci prodávat energii: NE
- Chci/Mám dotaci: NE
Re: Nastavení Multiplus2
Mel sem doma tohle https://www.emas.cz/oez-43245-monitorov ... gJqYPD_BwE tak jsem ho pouzil:-)
1: JZ 5460 Wp Ja Solar, JV 960 Wp Leapton, SV 1920 Wp Leapton, MPPT 250/100, MPPT 150/35, MPPT 150/45, 2x parallel Multiplus 2 5000VA, Cerbo GX + touch LCD, 2x 16 x EVE 332Ah LiFePO4 + JK BMS 200A + SmartShunt 500A
2: JZ 3600 Wp Canadian Solar, V 1800 Wp Canadian Solar, MPPT 150/70, MPPT 150/35, Multiplus 2 5000VA, Cerbo GX + touch LCD, 16 x EVE 280Ah LiFePO4 + JK BMS 200A + BMV700
2: JZ 3600 Wp Canadian Solar, V 1800 Wp Canadian Solar, MPPT 150/70, MPPT 150/35, Multiplus 2 5000VA, Cerbo GX + touch LCD, 16 x EVE 280Ah LiFePO4 + JK BMS 200A + BMV700
Kdo je online
Uživatelé procházející toto fórum: Barkrowler [Bot], Claudebot [Bot], Google Adsense [Bot]
