Jaké rozvadeče na 3F Victron
-
- Moderátor
- Příspěvky: 6257
- Registrován: pon srp 16, 2021 9:31 pm
- Reputace: 849
- Lokalita: blízko Brna
- Systémové napětí: 24V
- Výkon panelů [Wp]: 13+ kWp
- Kapacita baterie [kWh]: 40+15
- Chci prodávat energii: NE
- Chci/Mám dotaci: NE
- Bydliště: blízko Brna
Re: Jaké rozvadeče na 3F Victron
To jsi sem ale dal pospojovani, tj. treba ty plechove krabice, sasi pristroju apod.
Ne uzemneni jednoho z polu.
Na to je ta druha tabulka, co tu uz nekolikrat byla, a odvozuje se od pracovniho vodice. Ve zkratce pulka, nejmene 16 mm2 do 35 mm2, jakmile mas pracovni vodic vic jak 35 mm2, tak ta pulka. Takze kdyz tam mas 70 mm2, tak zem tahas k druhemu polu 35 mm2.
Neni to specifikace Victronu ani dalsich vyrobcu, ale jen proste ustanoveni norem. Bud proste jistis oba poly sprazenym jisticim prvkem anebo jen jeden, ale za podminky ze ten druhy je "zem".
Ne uzemneni jednoho z polu.
Na to je ta druha tabulka, co tu uz nekolikrat byla, a odvozuje se od pracovniho vodice. Ve zkratce pulka, nejmene 16 mm2 do 35 mm2, jakmile mas pracovni vodic vic jak 35 mm2, tak ta pulka. Takze kdyz tam mas 70 mm2, tak zem tahas k druhemu polu 35 mm2.
Neni to specifikace Victronu ani dalsich vyrobcu, ale jen proste ustanoveni norem. Bud proste jistis oba poly sprazenym jisticim prvkem anebo jen jeden, ale za podminky ze ten druhy je "zem".
13,38 kWp: 9850 Wp Jih, 2040 Wp Východ, 1490 Wp Západ
Regulátory Epever a Victron
Phoenix 5 kVA + MP 24/5000 (můj byt + wifi/kamery/atd. + máti byt)
MP2 24/5000 vytěžování do akumulačních kamen
Epever 3kW vytěžování do bojlerů + žebříky
1 kW "nabíječka" 24 V
40 680 Wh staré olovo 15 258 Wh Li-Ion
záloha čerpadla ve sklepě MP12/3000/120-16 + 100Ah 12V monbat
Modře píši jako moderátor, černě jako člen.
Regulátory Epever a Victron
Phoenix 5 kVA + MP 24/5000 (můj byt + wifi/kamery/atd. + máti byt)
MP2 24/5000 vytěžování do akumulačních kamen
Epever 3kW vytěžování do bojlerů + žebříky
1 kW "nabíječka" 24 V
40 680 Wh staré olovo 15 258 Wh Li-Ion
záloha čerpadla ve sklepě MP12/3000/120-16 + 100Ah 12V monbat
Modře píši jako moderátor, černě jako člen.
-
- Příspěvky: 651
- Registrován: pon lis 15, 2021 11:05 am
- Reputace: 40
Re: Jaké rozvadeče na 3F Victron
Jasně, díky za upřesnění, to je tato tab 3.
Mě (a asi většině) vede z MET do prostoru elektrárny CY 16mm. To je tak na pokrytí AC části a jejího pospojování.
Jak je ve videu, DC část by měla mít svoji sběrnici GND. To osobně udělat můžu, vč patřičné dimenzace propojení minus pólu.
Následný problém výše to ale neřeší mně a asi ani většině ostatních.
Já to můžu udělat tak, že si do dané místnost zvenčí po soklu fasády mohu dotáhnout AlMgSi vodič, napojený svorkou na zemnicí pásek v krabici,
kde je připojen jeden ze svodů hromosvodu. Zda to umožňují normy nevím.
I když nakonec je to v zemi celé páskem spojené, budu na jiném potenciálu než stávající MET uvnitř (umístěna ale přes půl objektu jinde).
Ale je to pro mě jediná cesta jak dostanu přívod GND o dimenzi 50mm2 k baterii.
Pokud bych měl dva tři packy baterek paralelně, tak to teda nevím vůbec jak bych to pro těch skoro 1000A řešil..
odbočka na okraj: důležité je možná i místo, kde se minus v systému uzemní - skrze umístění SMART SHUNT...
Mě (a asi většině) vede z MET do prostoru elektrárny CY 16mm. To je tak na pokrytí AC části a jejího pospojování.
Jak je ve videu, DC část by měla mít svoji sběrnici GND. To osobně udělat můžu, vč patřičné dimenzace propojení minus pólu.
Následný problém výše to ale neřeší mně a asi ani většině ostatních.
Já to můžu udělat tak, že si do dané místnost zvenčí po soklu fasády mohu dotáhnout AlMgSi vodič, napojený svorkou na zemnicí pásek v krabici,
kde je připojen jeden ze svodů hromosvodu. Zda to umožňují normy nevím.
I když nakonec je to v zemi celé páskem spojené, budu na jiném potenciálu než stávající MET uvnitř (umístěna ale přes půl objektu jinde).
Ale je to pro mě jediná cesta jak dostanu přívod GND o dimenzi 50mm2 k baterii.
Pokud bych měl dva tři packy baterek paralelně, tak to teda nevím vůbec jak bych to pro těch skoro 1000A řešil..
odbočka na okraj: důležité je možná i místo, kde se minus v systému uzemní - skrze umístění SMART SHUNT...
- Přílohy
-
- zemnici.vodice.jpg (43.82 KiB) Zobrazeno 369 x
poloostrov v módu AC IGNORE
VICTRON system 3F, 3x3000VA + 1F GTI GWL 2000W posila na AC OUT.
6kWp pole 8° západní pultová střecha + MPPT 150/100
3kWP pole 75° jižní fasáda + MPPT 150/45
Baterie LIFEPO4 16S, EEL V4 DIY BOX 280Ah (JK INVERTER BMS)
VICTRON system 3F, 3x3000VA + 1F GTI GWL 2000W posila na AC OUT.
6kWp pole 8° západní pultová střecha + MPPT 150/100
3kWP pole 75° jižní fasáda + MPPT 150/45
Baterie LIFEPO4 16S, EEL V4 DIY BOX 280Ah (JK INVERTER BMS)
-
- Příspěvky: 2522
- Registrován: pát srp 31, 2012 9:20 pm
- Reputace: 269
- Lokalita: Praha
- Systémové napětí: 48V
- Chci prodávat energii: NE
- Chci/Mám dotaci: NE
Re: Jaké rozvadeče na 3F Victron
Mě by zajímalo, kolika majitelům FVE jde do baráku 50mm2 zem. Já mám přívod 4x10mm2, z hlavního vedu 16mm2 do FVE rozvaděče a tam bych měl přizemnit 35mm2 baterku..? Vždyť je to naprostý nesmysl. Místo přizemnění u baterky si utavím přizemění celé FVE. Nebo jak píše Radar, bych musel vytvořit další extra zem mimo dům a přivést ji domu čistě jen na baterku. To už radši přidám pojistku na mínus u každého stringu.
10kWp JJZ, 3x SmartSolar 150/85, 3xVictron MP II 5kVA v paralelním režimu, Smartshunt, Cerbo GX, 16x400Ah LiFePO4 s JK BMS B2A24S20P + JK BMS Invertor
-
- Příspěvky: 1603
- Registrován: ned zář 25, 2022 10:47 am
- Reputace: 235
- Lokalita: Pod Karpatmi
Re: Jaké rozvadeče na 3F Victron
Naco tolko temperamentu...
ved dam tam poistky a je! Nic nemusim riesit...
JZ-2s5p 3,8kWp >> Epever 8415 AN
JV-2s3p 2,7kWp >> Epever 6415 AN
2x Victron MP2 5000V/A paralelne
48V 760Ah/35kWh Li-ion
a stále v štádiu budovania
(rozširovania)
JV-2s3p 2,7kWp >> Epever 6415 AN
2x Victron MP2 5000V/A paralelne
48V 760Ah/35kWh Li-ion
a stále v štádiu budovania

-
- Příspěvky: 651
- Registrován: pon lis 15, 2021 11:05 am
- Reputace: 40
Re: Jaké rozvadeče na 3F Victron
A musí teda být všude dvě: Nestačí jen u baterie?
Já mám v objektu do MET přiveden zemnicí pásek FeZn 30x4 = 120mm2. U novějších staveb běžné, žádná novinka to není (desítky let)
Já mám v objektu do MET přiveden zemnicí pásek FeZn 30x4 = 120mm2. U novějších staveb běžné, žádná novinka to není (desítky let)
Naposledy upravil(a) Radar dne čtv bře 27, 2025 11:03 am, celkem upraveno 1 x.
poloostrov v módu AC IGNORE
VICTRON system 3F, 3x3000VA + 1F GTI GWL 2000W posila na AC OUT.
6kWp pole 8° západní pultová střecha + MPPT 150/100
3kWP pole 75° jižní fasáda + MPPT 150/45
Baterie LIFEPO4 16S, EEL V4 DIY BOX 280Ah (JK INVERTER BMS)
VICTRON system 3F, 3x3000VA + 1F GTI GWL 2000W posila na AC OUT.
6kWp pole 8° západní pultová střecha + MPPT 150/100
3kWP pole 75° jižní fasáda + MPPT 150/45
Baterie LIFEPO4 16S, EEL V4 DIY BOX 280Ah (JK INVERTER BMS)
-
- Příspěvky: 1603
- Registrován: ned zář 25, 2022 10:47 am
- Reputace: 235
- Lokalita: Pod Karpatmi
Re: Jaké rozvadeče na 3F Victron
Menic (mp2) nemoze mat na minuse poistku ostatne komponenty regulatory, baterie, panely,.. a rozne ine dat poistky plus aj minus.
Ak chces odpinat menic naraz plus aj minus (porucha, oprava a podobne) tak treba tam dat skratovacie prepojky na minus, inak natvrdo minus mp2 napojit na minus busbar.
Ak chces odpinat menic naraz plus aj minus (porucha, oprava a podobne) tak treba tam dat skratovacie prepojky na minus, inak natvrdo minus mp2 napojit na minus busbar.
JZ-2s5p 3,8kWp >> Epever 8415 AN
JV-2s3p 2,7kWp >> Epever 6415 AN
2x Victron MP2 5000V/A paralelne
48V 760Ah/35kWh Li-ion
a stále v štádiu budovania
(rozširovania)
JV-2s3p 2,7kWp >> Epever 6415 AN
2x Victron MP2 5000V/A paralelne
48V 760Ah/35kWh Li-ion
a stále v štádiu budovania

-
- Příspěvky: 4682
- Registrován: pon úno 01, 2021 4:00 pm
- Reputace: 381
Re: Jaké rozvadeče na 3F Victron
To jsem blázen jenom asi já Já mám zaraženýcch 6 T tyčí 1,8m dlouhých cca 2metry od rozvaděče a přizemněno CY16 cca 1m drátu.Spojené to mám i s AYKY 4x16 co mi jde do domu.Nemám problém to rozpojit, kdyby třeba ČEZ mrčel.Optoti PEN to má snad 0,2ohm.eman píše: čtv bře 27, 2025 10:41 amMě by zajímalo, kolika majitelům FVE jde do baráku 50mm2 zem. Já mám přívod 4x10mm2, z hlavního vedu 16mm2 do FVE rozvaděče a tam bych měl přizemnit 35mm2 baterku..? Vždyť je to naprostý nesmysl. Místo přizemnění u baterky si utavím přizemění celé FVE. Nebo jak píše Radar, bych musel vytvořit další extra zem mimo dům a přivést ji domu čistě jen na baterku. To už radši přidám pojistku na mínus u každého stringu.
18190Wp=13500Wp jihovýchod 27x500Wp, 4690Wpjihozápad Leapton 14x335Wp, cca 8000W 90ks vakuové trubice jihozápad, Lifepo4 17Sx260Ah, trakční gel 800Ah), Axpert Max 7200VA, Easun Isolar 5500VA,Multiplus 2 48/5000,MPPT 150/85
Pojízdná FV 200Wp=2x100Wp flexibilní+4x280Ah lifepo4+měnič 1500W
Pojízdná FV 200Wp=2x100Wp flexibilní+4x280Ah lifepo4+měnič 1500W
-
- Příspěvky: 51
- Registrován: stř led 04, 2023 9:28 am
- Reputace: 1
Re: Jaké rozvadeče na 3F Victron
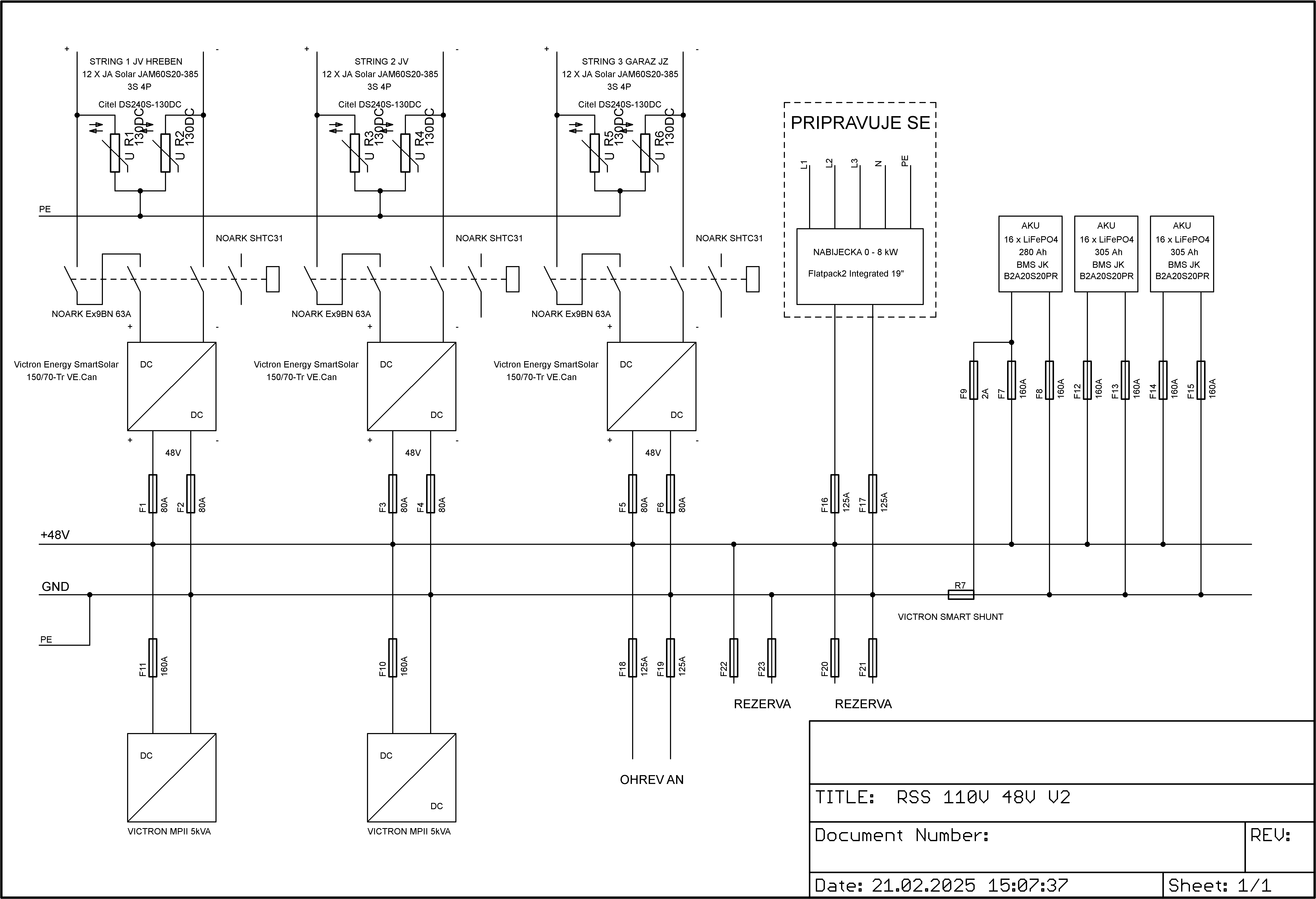
Je tady nejake schopne borec, ktere si da tu praci a udela pozicni nakres trech LiFePo baterek po 16 clancich, ktere maji samozrejme BMS a je k nim pripojeny SMRTSHUNT a to vsechno je uzemnene a odjisteny? Plus pripojeni MPPT. Zase zacinam nabyvat pocit , ze FVE se neda postavit podle zadnych predpisu ani norem.
Panely 2S9P - 450Wp__8,1kWp JZ, Victron MP II 5kVA, SmartSolar 150/70, SmartSolar 150/100, Smartshunt, Cerbo, 16x280Ah +JK BMS.
-
- Příspěvky: 8009
- Registrován: sob črc 19, 2014 8:56 pm
- Reputace: 1008
- Lokalita: severně od Brna
- Systémové napětí: 48V
- Výkon panelů [Wp]: 8kWp
- Kapacita baterie [kWh]: 12kWh
- Chci prodávat energii: NE
- Chci/Mám dotaci: NE
Re: Jaké rozvadeče na 3F Victron
Zkusil bych si neplést pojem a průjem. CY 16mm2 od MET k zemniči podle normy pro RD stačí. Od MET uděláš POSPOJOVÁNÍ (a tím i vyrovnání potenciálů) vodičem klidně CY 35mm2 (a stejně tak připojíš i to - od baterky, a když dojde ke zkratu na 48V rozvodu proti kostře, tak se poruchový obvod uzavře v těchto vodičích, do země nepoteče nic. Kdo chce, udělá pospojování 6mm2 a instaluje automatické hasicí zařízení a uzavře dobrou pojistku, se slevou, že má automatické hasicí zařízení
P.S. Na multiplusu je ta zemnicí svorka M6, a očko 6/35mm2 and ani neexistuje - EDIT: existuje https://www.sonepar.cz/oko-kabelove-lis ... 5xm-6-ku-l , já jsem věřící a mám tam vodič "jenom" 25mm2 oproti 200A gG pojistce 


ostrov skoro 8kWp neustále ve stádiu zrodu: smartshunt(ex WBJR), MPPT150/45, MPPT 250/100(ex midnitesolar 150 clasic lite), 16S a různě P cca 340Ah Winston, MP II 5000,( ex Powerjack 8kW, ex samodomo cca 4kW). 48V DC rozvody a spotřebiče.
-
- Příspěvky: 51
- Registrován: stř led 04, 2023 9:28 am
- Reputace: 1
Re: Jaké rozvadeče na 3F Victron
Np jo, ale jak uzavrit pojistku, kdyz mu na to neda pozehnani zadny revizak?
Panely 2S9P - 450Wp__8,1kWp JZ, Victron MP II 5kVA, SmartSolar 150/70, SmartSolar 150/100, Smartshunt, Cerbo, 16x280Ah +JK BMS.
-
- Příspěvky: 51
- Registrován: stř led 04, 2023 9:28 am
- Reputace: 1
Re: Jaké rozvadeče na 3F Victron
Planuji poskladat si druhou baterku, a ted vubec netusim , jak to vsechno pospojuji?
Panely 2S9P - 450Wp__8,1kWp JZ, Victron MP II 5kVA, SmartSolar 150/70, SmartSolar 150/100, Smartshunt, Cerbo, 16x280Ah +JK BMS.
-
- Příspěvky: 1603
- Registrován: ned zář 25, 2022 10:47 am
- Reputace: 235
- Lokalita: Pod Karpatmi
Re: Jaké rozvadeče na 3F Victron
Uplne jednoducho!..kazda baterka bude mat svoju poistku.ked neni uzemneny jeden pol tak treba tie poistky dat aj na plus aj na minus!Co je na tom nepochopitelne?...
JZ-2s5p 3,8kWp >> Epever 8415 AN
JV-2s3p 2,7kWp >> Epever 6415 AN
2x Victron MP2 5000V/A paralelne
48V 760Ah/35kWh Li-ion
a stále v štádiu budovania
(rozširovania)
JV-2s3p 2,7kWp >> Epever 6415 AN
2x Victron MP2 5000V/A paralelne
48V 760Ah/35kWh Li-ion
a stále v štádiu budovania

-
- Příspěvky: 51
- Registrován: stř led 04, 2023 9:28 am
- Reputace: 1
Re: Jaké rozvadeče na 3F Victron
Pto jsem chtel aby to nekdo nakreslil presne pozicne, victron chce uzemneni baterky a zaroven Shunt, aby byl na minus polu, kvuli presnosti a nekde musi byt ty BMSky
Panely 2S9P - 450Wp__8,1kWp JZ, Victron MP II 5kVA, SmartSolar 150/70, SmartSolar 150/100, Smartshunt, Cerbo, 16x280Ah +JK BMS.
-
- Příspěvky: 651
- Registrován: pon lis 15, 2021 11:05 am
- Reputace: 40
Re: Jaké rozvadeče na 3F Victron
Je tato myšlenka zde pochopena a graficky vyjádřena správně ...?kodl69 píše: čtv bře 27, 2025 12:45 pmZkusil bych si neplést pojem a průjem. CY 16mm2 od MET k zemniči podle normy pro RD stačí. Od MET uděláš POSPOJOVÁNÍ (a tím i vyrovnání potenciálů) vodičem klidně CY 35mm2 (a stejně tak připojíš i to - od baterky, a když dojde ke zkratu na 48V rozvodu proti kostře, tak se poruchový obvod uzavře v těchto vodičích, do země nepoteče nic. Kdo chce, udělá pospojování 6mm2 a instaluje automatické hasicí zařízení a uzavře dobrou pojistku, se slevou, že má automatické hasicí zařízeníP.S. Na multiplusu je ta zemnicí svorka M6, a očko 6/35mm2 and ani neexistuje - EDIT: existuje https://www.sonepar.cz/oko-kabelove-lis ... 5xm-6-ku-l , já jsem věřící a mám tam vodič "jenom" 25mm2 oproti 200A gG pojistce
![]()
Všechny hodnoty jsou jen orientační a vycházím ze skutečnosti, že průřez GND vodiče poloviční ku hlavnímu je dle normy OK
pozn. já mám v MET přímo ten zemnič
poloostrov v módu AC IGNORE
VICTRON system 3F, 3x3000VA + 1F GTI GWL 2000W posila na AC OUT.
6kWp pole 8° západní pultová střecha + MPPT 150/100
3kWP pole 75° jižní fasáda + MPPT 150/45
Baterie LIFEPO4 16S, EEL V4 DIY BOX 280Ah (JK INVERTER BMS)
VICTRON system 3F, 3x3000VA + 1F GTI GWL 2000W posila na AC OUT.
6kWp pole 8° západní pultová střecha + MPPT 150/100
3kWP pole 75° jižní fasáda + MPPT 150/45
Baterie LIFEPO4 16S, EEL V4 DIY BOX 280Ah (JK INVERTER BMS)
-
- Příspěvky: 651
- Registrován: pon lis 15, 2021 11:05 am
- Reputace: 40
Re: Jaké rozvadeče na 3F Victron
BMS bych do toho vůbec netahal. To je interní součást baterie. Prostě je PLUS a MINUS.kigen píše: čtv bře 27, 2025 1:05 pmPto jsem chtel aby to nekdo nakreslil presne pozicne, victron chce uzemneni baterky a zaroven Shunt, aby byl na minus polu, kvuli presnosti a nekde musi byt ty BMSky
Kam dát smart shunt posléze ale není jedno. Vysvětlení zde.
https://communityarchive.victronenergy. ... round.html
Takže pokud je použit SMART SHUNT, pak MINUS pól zemnit na jeho straně "load", tedy mezi mínusem baterie a shuntem ne!
poloostrov v módu AC IGNORE
VICTRON system 3F, 3x3000VA + 1F GTI GWL 2000W posila na AC OUT.
6kWp pole 8° západní pultová střecha + MPPT 150/100
3kWP pole 75° jižní fasáda + MPPT 150/45
Baterie LIFEPO4 16S, EEL V4 DIY BOX 280Ah (JK INVERTER BMS)
VICTRON system 3F, 3x3000VA + 1F GTI GWL 2000W posila na AC OUT.
6kWp pole 8° západní pultová střecha + MPPT 150/100
3kWP pole 75° jižní fasáda + MPPT 150/45
Baterie LIFEPO4 16S, EEL V4 DIY BOX 280Ah (JK INVERTER BMS)
-
- Moderátor
- Příspěvky: 6257
- Registrován: pon srp 16, 2021 9:31 pm
- Reputace: 849
- Lokalita: blízko Brna
- Systémové napětí: 24V
- Výkon panelů [Wp]: 13+ kWp
- Kapacita baterie [kWh]: 40+15
- Chci prodávat energii: NE
- Chci/Mám dotaci: NE
- Bydliště: blízko Brna
Re: Jaké rozvadeče na 3F Victron
To je myslím značené system minus, ne load minus. Už jen pro to, že shunt se dá použít i na regulátor třeba (mám tak epevery).
13,38 kWp: 9850 Wp Jih, 2040 Wp Východ, 1490 Wp Západ
Regulátory Epever a Victron
Phoenix 5 kVA + MP 24/5000 (můj byt + wifi/kamery/atd. + máti byt)
MP2 24/5000 vytěžování do akumulačních kamen
Epever 3kW vytěžování do bojlerů + žebříky
1 kW "nabíječka" 24 V
40 680 Wh staré olovo 15 258 Wh Li-Ion
záloha čerpadla ve sklepě MP12/3000/120-16 + 100Ah 12V monbat
Modře píši jako moderátor, černě jako člen.
Regulátory Epever a Victron
Phoenix 5 kVA + MP 24/5000 (můj byt + wifi/kamery/atd. + máti byt)
MP2 24/5000 vytěžování do akumulačních kamen
Epever 3kW vytěžování do bojlerů + žebříky
1 kW "nabíječka" 24 V
40 680 Wh staré olovo 15 258 Wh Li-Ion
záloha čerpadla ve sklepě MP12/3000/120-16 + 100Ah 12V monbat
Modře píši jako moderátor, černě jako člen.
-
- Příspěvky: 1460
- Registrován: ned led 01, 2023 6:17 pm
- Reputace: 300
- Lokalita: Východně od 3nce
- Systémové napětí: 48V
- Výkon panelů [Wp]: 16kWp
- Kapacita baterie [kWh]: 44kWh
- Chci prodávat energii: NE
- Chci/Mám dotaci: NE
Re: Jaké rozvadeče na 3F Victron
9,2kWp JV 45°, 4,6kWp JZ 45°, 2,3kWp JV 90°, 2 x Victron MP II 5kVA, 3 x SmartSolar 150/70, Smartshunt, Cerbo, 16x280Ah + 16X300Ah + 16x300Ah LiFePO4 + 3xJK BMS.
K levné elektřině se dostaneme jen vytrvalou prací a svým kapitálem. Vladimír List, Elektrisace Československa 1934
K levné elektřině se dostaneme jen vytrvalou prací a svým kapitálem. Vladimír List, Elektrisace Československa 1934
-
- Příspěvky: 2522
- Registrován: pát srp 31, 2012 9:20 pm
- Reputace: 269
- Lokalita: Praha
- Systémové napětí: 48V
- Chci prodávat energii: NE
- Chci/Mám dotaci: NE
Re: Jaké rozvadeče na 3F Victron
Tak podle toho nákresu jsem v háji a už to nezachráním. Tam jsou pojistky a přizemnění úplně u všeho a ne jenom u stringu. K MPPT už je nemám šanci dát, protáhnout licnu k šínám u baterek bych asi dal, ale nemám kam dát zdvojené pojistky baterek. Tvl kdo to tak má? Soused má dotační herku za 350 papírů a má tam poloviční rozvaděč na všechno, než mám já jenom na AC stranu.
10kWp JJZ, 3x SmartSolar 150/85, 3xVictron MP II 5kVA v paralelním režimu, Smartshunt, Cerbo GX, 16x400Ah LiFePO4 s JK BMS B2A24S20P + JK BMS Invertor
-
- Příspěvky: 651
- Registrován: pon lis 15, 2021 11:05 am
- Reputace: 40
Re: Jaké rozvadeče na 3F Victron
Jo, dotační HV herku s trojnásobnými DC napětími a třetinovými DC proudy !!!
Je třeba uvažovat nad věcmi ve všech souvislostech .....
Je třeba uvažovat nad věcmi ve všech souvislostech .....
poloostrov v módu AC IGNORE
VICTRON system 3F, 3x3000VA + 1F GTI GWL 2000W posila na AC OUT.
6kWp pole 8° západní pultová střecha + MPPT 150/100
3kWP pole 75° jižní fasáda + MPPT 150/45
Baterie LIFEPO4 16S, EEL V4 DIY BOX 280Ah (JK INVERTER BMS)
VICTRON system 3F, 3x3000VA + 1F GTI GWL 2000W posila na AC OUT.
6kWp pole 8° západní pultová střecha + MPPT 150/100
3kWP pole 75° jižní fasáda + MPPT 150/45
Baterie LIFEPO4 16S, EEL V4 DIY BOX 280Ah (JK INVERTER BMS)
-
- Příspěvky: 1603
- Registrován: ned zář 25, 2022 10:47 am
- Reputace: 235
- Lokalita: Pod Karpatmi
Re: Jaké rozvadeče na 3F Victron
eman píše: čtv bře 27, 2025 3:43 pmTak podle toho nákresu jsem v háji a už to nezachráním. Tam jsou pojistky a přizemnění úplně u všeho a ne jenom u stringu. K MPPT už je nemám šanci dát, protáhnout licnu k šínám u baterek bych asi dal, ale nemám kam dát zdvojené pojistky baterek. Tvl kdo to tak má? Soused má dotační herku za 350 papírů a má tam poloviční rozvaděč na všechno, než mám já jenom na AC stranu.
JZ-2s5p 3,8kWp >> Epever 8415 AN
JV-2s3p 2,7kWp >> Epever 6415 AN
2x Victron MP2 5000V/A paralelne
48V 760Ah/35kWh Li-ion
a stále v štádiu budovania
(rozširovania)
JV-2s3p 2,7kWp >> Epever 6415 AN
2x Victron MP2 5000V/A paralelne
48V 760Ah/35kWh Li-ion
a stále v štádiu budovania

Kdo je online
Uživatelé prohlížející si toto fórum: Claudebot [Bot] a 0 hostů