Ochrana před bleskem
Souhrn tématu
Diskuze se zaměřuje na správné zapojení přepěťových ochran a uzemnění ve fotovoltaických systémech, aby byla zajištěna účinná ochrana před bleskem a indukovanými přepětími. Uživatelé sdílejí své zkušenosti s instalací přepěťovek, pojistek a regulátorů, diskutují o optimálním umístění a zapojení komponent pro minimalizaci rizika poškození zařízení. Cílem je najít ideální řešení pro bezpečný a spolehlivý provoz solárních panelů a měničů.
- youda
- Příspěvky: 3153
- Registrován: stř dub 27, 2016 12:12 am
- Reputace: 961
Re: Ochrana před bleskem
Ahoj Skrat,
typicky se to dělá tak, že přepěťovkou jistíš panely na obou přívodech. Tedy plus i mínus. Se zemí se spojuje pouze rám panelů a konstrukce: Pokud bys chtěl z nějakého důvodu spojit se zemí i mínus pól panelů, pak je potřeba tuto informaci ověřit v návodu k reglu či k měniči. U některých typů je spojování se zemí výslovně zakázáno - například Axpert, InfiniSolar Plus.
typicky se to dělá tak, že přepěťovkou jistíš panely na obou přívodech. Tedy plus i mínus. Se zemí se spojuje pouze rám panelů a konstrukce: Pokud bys chtěl z nějakého důvodu spojit se zemí i mínus pól panelů, pak je potřeba tuto informaci ověřit v návodu k reglu či k měniči. U některých typů je spojování se zemí výslovně zakázáno - například Axpert, InfiniSolar Plus.
Youdova ostrovní laboratoř 20kWp: https://youda.mypower.cz
- abrams
- Příspěvky: 2780
- Registrován: ned črc 17, 2011 12:19 pm
- Reputace: 427
- Lokalita: Brno
- Bydliště: Brno
Re: Ochrana před bleskem
Zdravím ,
potřebují plovoucí DC vstup
.
U sestav
regl
měnič nebývá s uzemněním PV - pólu problém
.
Elektronům zdar
Jmenovaný střídače nemají galvanické oddělení PV DC vstupu od AC výstupuyouda píše:Pokud bys chtěl z nějakého důvodu spojit se zemí i mínus pól panelů, pak je potřeba tuto informaci ověřit v návodu k reglu či k měniči. U některých typů je spojování se zemí výslovně zakázáno - například Axpert, InfiniSolar Plus.
U sestav
Elektronům zdar
3,96kWp monokrystalů + 2x regl PCM60X + 24kWh LiFePO4 + 6kW HF sínus měnič 48MWh+ , celé na 52V systému .
Chibi v textu vyhrazeny
Chibi v textu vyhrazeny
-
dumi
- Příspěvky: 2035
- Registrován: stř zář 05, 2018 8:38 pm
- Reputace: 157
Re: Ochrana před bleskem
ale nektere axperty to oddelene maji, ne? nedavno se to tu resilo, ze oddeleni chybi jen tem starym. osobne mam porpojeny vystup menice s PE a N z DS a nic nevybouchlo.
Dumiho ostruvek: 4,7kWp, 13,3kWh, 2400W inverter
- youda
- Příspěvky: 3153
- Registrován: stř dub 27, 2016 12:12 am
- Reputace: 961
Re: Ochrana před bleskem
- Možnost propojení PE+Nin+Nout je jedna věc.
- Možnost Propojit PE+Nin+Nout+mínus pól panelů je věc druhá.
Prostě, když je v manuálu tučně napsaný, že regl nebo měnič se dá použít jen s panely, u kterých není žádný jejich pól přizemněn, tak bych se toho držel. Když tam takový zákaz napsaný není, tak by se uzemnění mínus pólu dalo zkusit
Co se týče přepěťovek, já osobně mám přepětovky pro plus i mínus, PV vstupy plovoucí.
- Možnost Propojit PE+Nin+Nout+mínus pól panelů je věc druhá.
Prostě, když je v manuálu tučně napsaný, že regl nebo měnič se dá použít jen s panely, u kterých není žádný jejich pól přizemněn, tak bych se toho držel. Když tam takový zákaz napsaný není, tak by se uzemnění mínus pólu dalo zkusit
Co se týče přepěťovek, já osobně mám přepětovky pro plus i mínus, PV vstupy plovoucí.
Youdova ostrovní laboratoř 20kWp: https://youda.mypower.cz
- Skrat
- Příspěvky: 626
- Registrován: sob zář 24, 2016 10:39 pm
- Reputace: 27
- Lokalita: Veselí nad lužnicí
- Systémové napětí: 48V
- Výkon panelů [Wp]: 7,38kWp
- Kapacita baterie [kWh]: 900Ah
- Chci prodávat energii: NE
- Chci/Mám dotaci: NE
- Bydliště: Veselí nad Lužnicí
Re: Ochrana před bleskem
Zatím používám regulátor VS2048N a tam je napsaný uzemnit negativním polem.UPS 2KW od APC má vývod taky na uzemnění.Zatím mám uzemněno: rám konstrukce,přepěťovku u panelů ,zapojeno na + i - pol,UPSku,přepěťovku za UPS na 275V .Všechny uzemňovací kabely jsou propojeny na 16ku kulatinu a ta je spojena páskou vedoucí v zemi ca10m k vývodu u baráku na hromosvod.Od spoje(spoj na kulatinu) zemnění je ještě kabelem 6kou propojeno s zemněním z DS
24V systém. V=1760Wp,Z= 3520Wp.J= 720Wp.Baterky Lion 600Ah celkem.Regulátor 2x6415AN+Must 80A/3000W+1x4415N na jižní stranu.Měnič victron 1200W+350W. Axpert VP 24/3000W na přebytky.Vše stále ve výstavbě.Začínám stavět 48V systém pro RD.Zatím 7,38kWp jih,Lion 900Ah.Epever 48/2000W na přebytky ,Victron 500W,Epever 5kW
- Skrat
- Příspěvky: 626
- Registrován: sob zář 24, 2016 10:39 pm
- Reputace: 27
- Lokalita: Veselí nad lužnicí
- Systémové napětí: 48V
- Výkon panelů [Wp]: 7,38kWp
- Kapacita baterie [kWh]: 900Ah
- Chci prodávat energii: NE
- Chci/Mám dotaci: NE
- Bydliště: Veselí nad Lužnicí
Re: Ochrana před bleskem
Možná blbej dotaz,Přepěťovka zapojená na + i - pol od panelu SLP130VB.Přepěťovka hlídá větší napětí na kladném a záporném polu ale vůči čemu, zemi??! Nechtělo by dát přepěťovku i na +a-. To jest jak se oběví větší napětí na panelech(indukovaný) tak přepěťovka sepne(do skratu) a přepálí se pojistka od panelů.Nebo jinak.- pol od jednotlivých stringu nedávat pres pojistku,ale rovnou uzemnit(když to dovolí regr a měnič).Pojistky jen na + polu a přepěťovku dát na kladný pol.Jak sepne tak přeruší pojistky od panelů a tím nepude zvýšené napětí dál do regulátoru.Co je dobře?
24V systém. V=1760Wp,Z= 3520Wp.J= 720Wp.Baterky Lion 600Ah celkem.Regulátor 2x6415AN+Must 80A/3000W+1x4415N na jižní stranu.Měnič victron 1200W+350W. Axpert VP 24/3000W na přebytky.Vše stále ve výstavbě.Začínám stavět 48V systém pro RD.Zatím 7,38kWp jih,Lion 900Ah.Epever 48/2000W na přebytky ,Victron 500W,Epever 5kW
-
camel1cz
- Příspěvky: 825
- Registrován: pon bře 21, 2011 11:12 pm
- Reputace: 57
- Lokalita: Lounsko
- Systémové napětí: 48V
- Výkon panelů [Wp]: 8430
- Kapacita baterie [kWh]: 30
- Chci prodávat energii: NE
- Chci/Mám dotaci: NE
Re: Ochrana před bleskem
Moc sem nestihl sledovat tok tvých myšlenek, ale:
- pokud nemáš žádný pól uzeměný, tak musíš dat přepěťovky na oba póly z panelů - logicky, protože přepětí může přijít oběma vodiči,
- pokud máš jeden pól uzeměný, tak když místo druhé přepěťovky připojíš zemnící vodič, tak netřeba druhé přepěťovky, ale pozor na komponenty, aby to snesly - viz diskuzi výše
Přepěťovka hlídá přepětí mezi svými svorkami - funguje to prostě jako varistor (ostatně tam i bývá). Do učitého napětí nevede téměř žádný proud a jakmile napětí překročí určitou mez, tak se chová jako vodič a spojí obě svorky. Proud pak jde cestou menšího odporu - skrz přepěťovku do zemění a zařízení s vyšším odporem zatíží výrazně méně.
- pokud nemáš žádný pól uzeměný, tak musíš dat přepěťovky na oba póly z panelů - logicky, protože přepětí může přijít oběma vodiči,
- pokud máš jeden pól uzeměný, tak když místo druhé přepěťovky připojíš zemnící vodič, tak netřeba druhé přepěťovky, ale pozor na komponenty, aby to snesly - viz diskuzi výše
Přepěťovka hlídá přepětí mezi svými svorkami - funguje to prostě jako varistor (ostatně tam i bývá). Do učitého napětí nevede téměř žádný proud a jakmile napětí překročí určitou mez, tak se chová jako vodič a spojí obě svorky. Proud pak jde cestou menšího odporu - skrz přepěťovku do zemění a zařízení s vyšším odporem zatíží výrazně méně.
5 kVA Axpert King 1 @ 5,67 kWp [3s6p AUO 315Wp mono] + 5 kVA Axpert King 1 @ 2,76 kWp [2s3p AS 460Wp mono] = paralelní 1F provoz
18 kWh [5x Pylontech US3000] + 13,4 kWh [15x 280 Ah LiFePo4, JK BMS paralelně k Pylontechům]
Rozpracováno:
a) 6x AS 460Wp mono na střeše nezapojeno
b) 2x Fangpusun MPPT 150/70 Tr (asi nepoužiji)
18 kWh [5x Pylontech US3000] + 13,4 kWh [15x 280 Ah LiFePo4, JK BMS paralelně k Pylontechům]
Rozpracováno:
a) 6x AS 460Wp mono na střeše nezapojeno
b) 2x Fangpusun MPPT 150/70 Tr (asi nepoužiji)
- Skrat
- Příspěvky: 626
- Registrován: sob zář 24, 2016 10:39 pm
- Reputace: 27
- Lokalita: Veselí nad lužnicí
- Systémové napětí: 48V
- Výkon panelů [Wp]: 7,38kWp
- Kapacita baterie [kWh]: 900Ah
- Chci prodávat energii: NE
- Chci/Mám dotaci: NE
- Bydliště: Veselí nad Lužnicí
Re: Ochrana před bleskem
jen se to snažím pochopit.Tak že to nechám tak: Konstrukce panelů pospojována a 16 kou svedena na zemnění.Jednotlivé stringi do odpojovačů a vše paraelně k sobě.Vývod +a- pol nechám na přepěťovce.Ta je uzemněná taky 16kou. Dále ca 6-8m k jističi 40A DC.Za jistič další přepěťovku na +a- pol.Také uzemněna na společný uzemnění 16kou.Pokračuji na regulátor.Z regulátoru přes jistič 40A DC na baterky.Zatím OK? Děkuji za rady a omlouvám se že stále ptám.Aspoň něco bych chtěl mít pro klid v pořátku.
24V systém. V=1760Wp,Z= 3520Wp.J= 720Wp.Baterky Lion 600Ah celkem.Regulátor 2x6415AN+Must 80A/3000W+1x4415N na jižní stranu.Měnič victron 1200W+350W. Axpert VP 24/3000W na přebytky.Vše stále ve výstavbě.Začínám stavět 48V systém pro RD.Zatím 7,38kWp jih,Lion 900Ah.Epever 48/2000W na přebytky ,Victron 500W,Epever 5kW
-
camel1cz
- Příspěvky: 825
- Registrován: pon bře 21, 2011 11:12 pm
- Reputace: 57
- Lokalita: Lounsko
- Systémové napětí: 48V
- Výkon panelů [Wp]: 8430
- Kapacita baterie [kWh]: 30
- Chci prodávat energii: NE
- Chci/Mám dotaci: NE
Re: Ochrana před bleskem
Nechápu, proč máš dvě přepěťovky.
Nebo chceš dávat zvlášť typ 1 i 2?
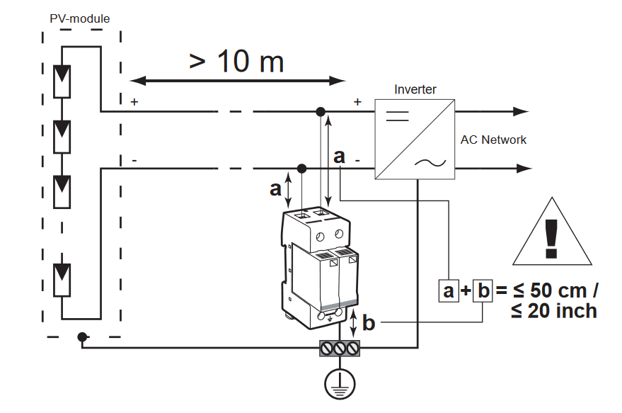
Máš tu schematko od Youdy, není nic snadnějšího než se ho držet.
Jinak já dávám místo jističů pojistky v odpojovači - kvůli ceně. Ale jestli už máš nakoupeno, tak v pohodě.
Nebo chceš dávat zvlášť typ 1 i 2?
Máš tu schematko od Youdy, není nic snadnějšího než se ho držet.
Jinak já dávám místo jističů pojistky v odpojovači - kvůli ceně. Ale jestli už máš nakoupeno, tak v pohodě.
5 kVA Axpert King 1 @ 5,67 kWp [3s6p AUO 315Wp mono] + 5 kVA Axpert King 1 @ 2,76 kWp [2s3p AS 460Wp mono] = paralelní 1F provoz
18 kWh [5x Pylontech US3000] + 13,4 kWh [15x 280 Ah LiFePo4, JK BMS paralelně k Pylontechům]
Rozpracováno:
a) 6x AS 460Wp mono na střeše nezapojeno
b) 2x Fangpusun MPPT 150/70 Tr (asi nepoužiji)
18 kWh [5x Pylontech US3000] + 13,4 kWh [15x 280 Ah LiFePo4, JK BMS paralelně k Pylontechům]
Rozpracováno:
a) 6x AS 460Wp mono na střeše nezapojeno
b) 2x Fangpusun MPPT 150/70 Tr (asi nepoužiji)
-
rva
- Příspěvky: 4716
- Registrován: úte dub 23, 2013 10:21 am
- Reputace: 914
- Lokalita: Kousek od Lysé nad Labem
- Systémové napětí: 48V
- Výkon panelů [Wp]: 46000
- Kapacita baterie [kWh]: 40
- Chci prodávat energii: NE
- Chci/Mám dotaci: NE
- Bydliště: Kousek od Lysé nad Labem
Re: Ochrana před bleskem
Zapojení je nejlepší podle b) http://www.cirprotec.com/Support/Knowle ... -Protector. A i když to tak člověk nemá, tak je dobré, aby věděl, že to může vylepšit.
_______________________________________________________________________
43 kWp, LiFePO4 62 kWh,
EPSolar 60 A/150 V ET6415N + 3x Isolar SM II (5 kW, 450 V, 80 A) + Axpert PIP 5048MS
43 kWp, LiFePO4 62 kWh,
EPSolar 60 A/150 V ET6415N + 3x Isolar SM II (5 kW, 450 V, 80 A) + Axpert PIP 5048MS
- Skrat
- Příspěvky: 626
- Registrován: sob zář 24, 2016 10:39 pm
- Reputace: 27
- Lokalita: Veselí nad lužnicí
- Systémové napětí: 48V
- Výkon panelů [Wp]: 7,38kWp
- Kapacita baterie [kWh]: 900Ah
- Chci prodávat energii: NE
- Chci/Mám dotaci: NE
- Bydliště: Veselí nad Lužnicí
Re: Ochrana před bleskem
Děkuji za plánek jak youdovy tak rva.Začínam to chápat. Tak to nechám jak to mám.Ze schématu mám zapojeno v rozvodný skříni u panelů podle youdy.U regulátoru podle rva schéma b .Jističe sem dal že je už mám.Ještě jednou děkuji.Další ochranu teda musím už dát jen na výstup z měniče a DC rozvod.Začnu DC rozvodem.Přepěťovka na 48V se dává na? za pojistku z výstupu reglu,nebo za pojistku na měnič,nebo přímo na baterky.
24V systém. V=1760Wp,Z= 3520Wp.J= 720Wp.Baterky Lion 600Ah celkem.Regulátor 2x6415AN+Must 80A/3000W+1x4415N na jižní stranu.Měnič victron 1200W+350W. Axpert VP 24/3000W na přebytky.Vše stále ve výstavbě.Začínám stavět 48V systém pro RD.Zatím 7,38kWp jih,Lion 900Ah.Epever 48/2000W na přebytky ,Victron 500W,Epever 5kW
-
kodl69
- Příspěvky: 8256
- Registrován: sob črc 19, 2014 8:56 pm
- Reputace: 1042
- Lokalita: severně od Brna
- Systémové napětí: 48V
- Výkon panelů [Wp]: 8kWp
- Kapacita baterie [kWh]: 12kWh
- Chci prodávat energii: NE
- Chci/Mám dotaci: NE
Re: Ochrana před bleskem
dvě přepěťovky mají význam až tehdy, když je vedení víc než 15m. Potom by měla stačit ta pod střechou, v jističi stringů, tj na rozhraní LPZ0a a LPZ1, ale na druhou stranu na 8m CYa 16mm2 se taky něco naindukuje. Takže bych pochopil i tu druhou přepěťovku před regulátorem.
ostrov skoro 8kWp neustále ve stádiu zrodu: smartshunt(ex WBJR), MPPT150/45, MPPT 250/100(ex midnitesolar 150 clasic lite), 16S a různě P cca 340Ah Winston, MP II 5000,( ex Powerjack 8kW, ex samodomo cca 4kW). 48V DC rozvody a spotřebiče.
- Skrat
- Příspěvky: 626
- Registrován: sob zář 24, 2016 10:39 pm
- Reputace: 27
- Lokalita: Veselí nad lužnicí
- Systémové napětí: 48V
- Výkon panelů [Wp]: 7,38kWp
- Kapacita baterie [kWh]: 900Ah
- Chci prodávat energii: NE
- Chci/Mám dotaci: NE
- Bydliště: Veselí nad Lužnicí
Re: Ochrana před bleskem
Děkuji kodl69 za potvrzení že zatím mám vše OK.Ještě vyřešit DC stranu a AC za měničem.
24V systém. V=1760Wp,Z= 3520Wp.J= 720Wp.Baterky Lion 600Ah celkem.Regulátor 2x6415AN+Must 80A/3000W+1x4415N na jižní stranu.Měnič victron 1200W+350W. Axpert VP 24/3000W na přebytky.Vše stále ve výstavbě.Začínám stavět 48V systém pro RD.Zatím 7,38kWp jih,Lion 900Ah.Epever 48/2000W na přebytky ,Victron 500W,Epever 5kW
Kdo je online
Uživatelé prohlížející si toto fórum: Claudebot [Bot] a 0 hostů
