Podlahové topení na FVE
Souhrn tématu
Diskuze se věnuje připojení podlahového topení k fotovoltaické elektrárně (FVE) s cílem optimalizovat jeho provoz podle dostupné energie a stavu baterie. Uživatelé sdílejí zkušenosti s centrálním řízením termostatů přes Fibaro a navrhují algoritmy pro automatické zapínání a vypínání topení na základě stavu nabití baterie a slunečního svitu. Cílem je minimalizovat odběr z baterií v noci a využít akumulované teplo v betonu během dne.
-
dumi
- Příspěvky: 2035
- Registrován: stř zář 05, 2018 8:38 pm
- Reputace: 157
Re: Podlahové topení na FVE
Ja je kupuju v Elfetexu, dodaci lhutu maj asi 3-5 tejdnu, nejvim jak jinde na netu :-/
Dumiho ostruvek: 4,7kWp, 13,3kWh, 2400W inverter
- youda
- Příspěvky: 3153
- Registrován: stř dub 27, 2016 12:12 am
- Reputace: 961
Re: Podlahové topení na FVE
Prosím tě, Dumi, řekni mi ještě pár věcí:
- je k tomu i spodek k nacvaknutí na DIN lištu, ideálně s chladičem?
- dáváš před to ještě EMI filtr?
- je k tomu i spodek k nacvaknutí na DIN lištu, ideálně s chladičem?
- dáváš před to ještě EMI filtr?
Youdova ostrovní laboratoř 20kWp: https://youda.mypower.cz
- tomas
- Příspěvky: 2578
- Registrován: pon bře 07, 2011 11:05 am
- Reputace: 243
- Bydliště: Třinec
Re: Podlahové topení na FVE
Dost dobrý youdo. 
Chladiče na DIN lištu se prodávají zvlášť:
https://www.enika.cz/komponenty_k3/spin ... -ssr_k636/
Chladiče na DIN lištu se prodávají zvlášť:
https://www.enika.cz/komponenty_k3/spin ... -ssr_k636/
Chci elektrárnu s licencí a s prodejem přebytků nebo komunitní výměnou energie: ANO
-
dumi
- Příspěvky: 2035
- Registrován: stř zář 05, 2018 8:38 pm
- Reputace: 157
Re: Podlahové topení na FVE
Chladic beru zvlast. Najdu ti typ, az dovecerim 
Ten typ.je na din. Ale ja beru max takze je dost dlouhej. Asi by stacil mensi.
Zadnej filtr jsem pred to nedaval.
Ten typ.je na din. Ale ja beru max takze je dost dlouhej. Asi by stacil mensi.
Zadnej filtr jsem pred to nedaval.
Dumiho ostruvek: 4,7kWp, 13,3kWh, 2400W inverter
-
kodl69
- Příspěvky: 8147
- Registrován: sob črc 19, 2014 8:56 pm
- Reputace: 1022
- Lokalita: severně od Brna
- Systémové napětí: 48V
- Výkon panelů [Wp]: 8kWp
- Kapacita baterie [kWh]: 12kWh
- Chci prodávat energii: NE
- Chci/Mám dotaci: NE
Re: Podlahové topení na FVE
Ještě by mě zajímalo, co by tohle SSR řeklo na lichoběžníky místo sinusu, jestli by to fungovalo +- správně, nebo vůbec nebo blbě...
ostrov skoro 8kWp neustále ve stádiu zrodu: smartshunt(ex WBJR), MPPT150/45, MPPT 250/100(ex midnitesolar 150 clasic lite), 16S a různě P cca 340Ah Winston, MP II 5000,( ex Powerjack 8kW, ex samodomo cca 4kW). 48V DC rozvody a spotřebiče.
-
dumi
- Příspěvky: 2035
- Registrován: stř zář 05, 2018 8:38 pm
- Reputace: 157
Re: Podlahové topení na FVE
To netusim :-/ pripojuju ho na DS. S fve doma sem.ho jeste neresil. Davame ho zakaznikum na FVE pripojeny k DS k spotrebovani prebytku. V podstate s nim.regulujeme na nulovej pretok.
Dumiho ostruvek: 4,7kWp, 13,3kWh, 2400W inverter
- tomas
- Příspěvky: 2578
- Registrován: pon bře 07, 2011 11:05 am
- Reputace: 243
- Bydliště: Třinec
Re: Podlahové topení na FVE
Měla by tam být alespoň tlumivka na omezení proudového nárazu di/dt do tyristoru když se nespíná v 0V.
http://elnika.sweb.cz/radia/odrus_reg.gif
Já tam dávám FYG10T5 který jako jediný fitr co jsem našel nemá kondenzátor mezi trlumivkou a SSR a je tedy vhodný pro toto použití.
https://www.tme.eu/cz/details/fyg10t5/o ... qlt-power/
tak to potom například vypadá zapojené s SSR:
https://forum.mypower.cz/viewtopic.php? ... 93&#p32611
http://elnika.sweb.cz/radia/odrus_reg.gif
Já tam dávám FYG10T5 který jako jediný fitr co jsem našel nemá kondenzátor mezi trlumivkou a SSR a je tedy vhodný pro toto použití.
https://www.tme.eu/cz/details/fyg10t5/o ... qlt-power/
tak to potom například vypadá zapojené s SSR:
https://forum.mypower.cz/viewtopic.php? ... 93&#p32611
Chci elektrárnu s licencí a s prodejem přebytků nebo komunitní výměnou energie: ANO
-
rva
- Příspěvky: 4644
- Registrován: úte dub 23, 2013 10:21 am
- Reputace: 877
- Lokalita: Kousek od Lysé nad Labem
- Systémové napětí: 48V
- Výkon panelů [Wp]: 46000
- Kapacita baterie [kWh]: 40
- Chci prodávat energii: NE
- Chci/Mám dotaci: NE
- Bydliště: Kousek od Lysé nad Labem
Re: Podlahové topení na FVE
Kdybych programoval spínání topení, tak bych vyšel z toho, jaké je SOC ráno a že večer potřebuji SOC 100%. Z toho mi vyjde potřebný dobíjecí proud do baterie, který bych se měl snažit udržet zapínáním/ vypínáním jednotlivých okruhů. Snad by šlo dosáhnout toho, že po dobu světla by se baterie jenom dobíjely různě velkým proudem a omezilo by se cyklování.
_______________________________________________________________________
43 kWp, LiFePO4 62 kWh,
EPSolar 60 A/150 V ET6415N + 3x Isolar SM II (5 kW, 450 V, 80 A) + Axpert PIP 5048MS
43 kWp, LiFePO4 62 kWh,
EPSolar 60 A/150 V ET6415N + 3x Isolar SM II (5 kW, 450 V, 80 A) + Axpert PIP 5048MS
- youda
- Příspěvky: 3153
- Registrován: stř dub 27, 2016 12:12 am
- Reputace: 961
Re: Podlahové topení na FVE
Díky, lichotka vždy potěšítomas píše:Dost dobrý youdo.
Chladiče na DIN lištu se prodávají zvlášť:
https://www.enika.cz/komponenty_k3/spin ... -ssr_k636/
Teoreticky by to fungovat mohlo, ale tuším, že to asi nezvládnu dotáhnout do finále. Jako ústupovou cestu jsem si v tedy záloze nechal "Vytěžovač Trochta". Narazil jsem však na problém, že nejsem schopen dát dohromady ani soupisku materiálu, abych si to mohl objednat na Vánoce:
1) GreenBono AKU, verze se vstupem k měření napětí baterie
2) měřící převodník k baterii, 70V na 5V
3) proudový transformátor 3x 50A
4) komunikační kabel
5) 5x stykač
6) 1x SSR pro fázové řízení, s chladičem, na DIN lištu
7) 1x odrušovací EMI filtr 15A
Za Boha nemůžu pochopit, která verze GB hardwaru je ta vhodná. Stačí mi 1f, ale v 1f verzi GB na eshopu je průvlakové trafo a operační zesilovač, což právě ve verzi s měřením napětí baterie naopak být nemá. Tam má být místo toho odpor, transil a vstupní svorka. Možná se má použít 3f verze...jsem z toho jelen.
Pak taky na eshopu nemůžu najít ten měřící DC-DC převodník na DIN lištu, bez kterého se to k 48V baterce připojit nedá. Nebo je to tak, že převodník i správná verze HW se objednává na zakázku?
Youdova ostrovní laboratoř 20kWp: https://youda.mypower.cz
-
dumi
- Příspěvky: 2035
- Registrován: stř zář 05, 2018 8:38 pm
- Reputace: 157
Re: Podlahové topení na FVE
jako chladic pouzivame tohle:
https://www.enika.cz/rhs45b-heatsink-ss ... k-w_z4580/
ale je fakt velkem (10cm hloubka). nevejde se do klasickyho rozvadece
https://www.enika.cz/rhs45b-heatsink-ss ... k-w_z4580/
ale je fakt velkem (10cm hloubka). nevejde se do klasickyho rozvadece
Dumiho ostruvek: 4,7kWp, 13,3kWh, 2400W inverter
- tomas
- Příspěvky: 2578
- Registrován: pon bře 07, 2011 11:05 am
- Reputace: 243
- Bydliště: Třinec
Re: Podlahové topení na FVE
Ještě to zkus bez toho GreenBona, to tvoje řešení je také velmi zajímavé.
Myslím že pro jednu fázi zapojíš v proudovém transformátoru 3 x 50A jen jeden měřící transformátor. Nebo já jsem ten měřící transformátor kupoval zvlášť, protože do stávajícího rozvaděče ten měřící modul proudu nevešel nebo jsem řešil přepínání priorit mezi více měřícími transformáotry. Je to PT3/Vi 500
http://www.pmec.cz/index.php?page=sensors
+ dva rezistory. Zatěžovací rezistor transformátoru má hodnotu 33R a sériový odpor směrem ke GreenBonu 220R. Tak nemusíš kupovat celý modul se dvěma trafy navíc.
Myslím že pro jednu fázi zapojíš v proudovém transformátoru 3 x 50A jen jeden měřící transformátor. Nebo já jsem ten měřící transformátor kupoval zvlášť, protože do stávajícího rozvaděče ten měřící modul proudu nevešel nebo jsem řešil přepínání priorit mezi více měřícími transformáotry. Je to PT3/Vi 500
http://www.pmec.cz/index.php?page=sensors
+ dva rezistory. Zatěžovací rezistor transformátoru má hodnotu 33R a sériový odpor směrem ke GreenBonu 220R. Tak nemusíš kupovat celý modul se dvěma trafy navíc.
Chci elektrárnu s licencí a s prodejem přebytků nebo komunitní výměnou energie: ANO
- Marcus81
- Příspěvky: 374
- Registrován: pát dub 28, 2017 8:05 pm
- Reputace: 4
- Lokalita: Senec
- Systémové napětí: 48V
- Výkon panelů [Wp]: cca 16kWp
- Kapacita baterie [kWh]: 30kW Pb
- Bydliště: Blízko Senec, SVK
Re: Podlahové topení na FVE
ma niekto nieco taketo rozbehane aj na raspberry alebo na arduine? Mne sa tento "youdov" experiment paci, mam tiez tuto istu myslienku ako to prezozdelit do podlahovky...Zatial mi to vsetko spinaju obycajne termostaty, ale mam v plane to potiahnut od termostatov JYTY-O kablom do rozvadzaca kde to bude spinat stykace a potom to rozdelit podobne ako "youda", len este neviem presne ako 
Hybrid, 4x260Wp Amerisolar, 6x260Wp Mono CSun, 2x260Wp Aleo, 9x 230Wp JuliSolar, 32x Astronergy 245Wp, 3f-Victron Energy Multiplus 48/5000, 750 Ah trakčná, 800 Ah OPzV stacionarne, 3xMPPT Victron Energy 150/70-Tr, 1xMPPT Victron Energy 150/45-Tr, AC-out Coupling Fronius Symo 4.5-3-M
zatial vsetko vo výstavbe...
zatial vsetko vo výstavbe...
-
willcz
- Příspěvky: 590
- Registrován: úte zář 06, 2016 2:52 pm
- Reputace: 106
Re: Podlahové topení na FVE
Podle me je velka skoda ze ta podlahovka nevede rovnou do rozvadece.
Pri tom velkem napeti stringu a podlahovce, by se ty okruhy daly dat do serie pripojit primo na podlahu. bez menice.
Pripadne nedalo by se jeden menic odpojit od baterky a zrusi ten paralelni rezim a dat jej jen na podlahy?
Pri tom velkem napeti stringu a podlahovce, by se ty okruhy daly dat do serie pripojit primo na podlahu. bez menice.
Pripadne nedalo by se jeden menic odpojit od baterky a zrusi ten paralelni rezim a dat jej jen na podlahy?
- tomas
- Příspěvky: 2578
- Registrován: pon bře 07, 2011 11:05 am
- Reputace: 243
- Bydliště: Třinec
Re: Podlahové topení na FVE
Bez InfiniSolaru by to mělo horší účinnost, protože by to těžko udržel v maximálním bodě výkonu. Navíc v InfiniSolaru přímo spotřebovaná a vyráběná energie vůbec nejde přes měnič napětí, ale jen přes střídač a tedy s účinností >95%.
Chci elektrárnu s licencí a s prodejem přebytků nebo komunitní výměnou energie: ANO
-
dumi
- Příspěvky: 2035
- Registrován: stř zář 05, 2018 8:38 pm
- Reputace: 157
Re: Podlahové topení na FVE
To co resi youda by bylo idelani i udelat tak, ze bude jedno SSR rele jehoz vystup bude pripojen na stykace ktere budou spinat jednotlive vetve podlahy. Dale kazda vetev bude mit jeste vlastni stykac pri pripojeni naprimo. Je to pak maximalne flexibilni, muze si vybrat kterou vetev bude krmit jen z casti 9pres ssr0a ostatni dle potreby pustit na primo. Vyhoda je ze mu staci jedno SSR (draha polozka) klasivky spinaci stykace stojej par korun 
Dumiho ostruvek: 4,7kWp, 13,3kWh, 2400W inverter
- tomas
- Příspěvky: 2578
- Registrován: pon bře 07, 2011 11:05 am
- Reputace: 243
- Bydliště: Třinec
Re: Podlahové topení na FVE
Proto dělám vlastní chladiče s hliníkového plechu které se do rozvaděče vlezou.dumi píše:jako chladic pouzivame tohle:
https://www.enika.cz/rhs45b-heatsink-ss ... k-w_z4580/
ale je fakt velkem (10cm hloubka). nevejde se do klasickyho rozvadece
Nově ten plech budu dávat zezadu rozvodnice a v místech SSR vyříznu do zadní desky rozvodnice otvory. Takže ten plech nebude v rozvaděči, ale bude bude mezi rozvodnicí a stěnou a mezi stěnou a plechem bude malá větrací mezera.
Toto je fázové řízení v jedné fázi s jednofázovou FVE, ovládá to dvě 3f. topná tělesa 6kW + 3kW takže je tam v jedné fázi celkem 6 regulačních stupňů. 3 po 2kW na SSR a zbývající tři po 1kW jsou přímo na relátka GreenBonO, tuším že jsou na 6A, takže je to bez relátek. Pozor, svorkovnice GreenBona je stavěná na maximální fázové napětí 230V, nesmí tam být sdružené 400V, takže kdo chce ovládat 3fáze nebo větší proudy tak musí přes externí relátka nebo stykače.
Chci elektrárnu s licencí a s prodejem přebytků nebo komunitní výměnou energie: ANO
- youda
- Příspěvky: 3153
- Registrován: stř dub 27, 2016 12:12 am
- Reputace: 961
Re: Podlahové topení na FVE
Určitě by šlo jeden měnič dedikovat. Stejně tak není problém propojit okruhy podlahovky v rozvaděči. Ony tam totiž vedou, každý okruh zcela samostatně, jen jsou v nich ještě vřazeny termostaty.
Nicméně mnohem flexibilnější je určitě vyřešit to vytěžování, než dedikovat zdroje. Energii tak bude možno použít právě tam, kde bude zrovna potřeba
Tedy buď v topení, ve vířivce, nebo ve svářečce. Či ji nacpat do Fiskeru Karma...až třeba jednou bude a dokoupím si další měniče do tandemu a panely 
Ono vůbec platí, že třeba zde na fóru oblíbené porovnávání "kolik kdo vyrobí energie" vůbec není o tom, jakou účinnost má měnič a kolik je na střeše panelů. Je to o tom, jak dobrý vytěžovač je použit a jestli existuje možnost jak energii spálit. Jestli to pálení opravdu dává smysl, to už si musí každý zodpovědět sám. Nejlépe na tom budou vždy ongridy bez baterek, které prostě z panelů vytáhnou úplně všechno a nacpou to do černé díry zvané DS.
Já nepotřebuju vytáhnout z panelů každý watt. Těší mne to, že si každé ráno uvařím kafe, nastartuju pračku i myčku, sednu do auta a odjedu. Nemusím se bát, že by to baterka, panely nebo měniče neutáhly. Jsem propstě takovej rozežranej polo-ostrovník. A pokud vyřeším i to topení, tak snad nechám useknout ty hnusný dráty z ČEZu, který mi vedou přes půl pozemku, sedaj na nich holubi a kálejí mi na zaparkovaný auta
Nicméně mnohem flexibilnější je určitě vyřešit to vytěžování, než dedikovat zdroje. Energii tak bude možno použít právě tam, kde bude zrovna potřeba
Ono vůbec platí, že třeba zde na fóru oblíbené porovnávání "kolik kdo vyrobí energie" vůbec není o tom, jakou účinnost má měnič a kolik je na střeše panelů. Je to o tom, jak dobrý vytěžovač je použit a jestli existuje možnost jak energii spálit. Jestli to pálení opravdu dává smysl, to už si musí každý zodpovědět sám. Nejlépe na tom budou vždy ongridy bez baterek, které prostě z panelů vytáhnou úplně všechno a nacpou to do černé díry zvané DS.
Já nepotřebuju vytáhnout z panelů každý watt. Těší mne to, že si každé ráno uvařím kafe, nastartuju pračku i myčku, sednu do auta a odjedu. Nemusím se bát, že by to baterka, panely nebo měniče neutáhly. Jsem propstě takovej rozežranej polo-ostrovník. A pokud vyřeším i to topení, tak snad nechám useknout ty hnusný dráty z ČEZu, který mi vedou přes půl pozemku, sedaj na nich holubi a kálejí mi na zaparkovaný auta
Youdova ostrovní laboratoř 20kWp: https://youda.mypower.cz
-
willcz
- Příspěvky: 590
- Registrován: úte zář 06, 2016 2:52 pm
- Reputace: 106
Re: Podlahové topení na FVE
Je to presne jak pises. Problem je s tim vytezovanim a toto bez vestecke koule nejde udelat nikdy idealne.
Veskere informace jsou totiz az za menicem a tady mi vykon menice neukazuje kolik sviti, ale jaky je odber.
Kdyby byla informace o tom kolik kW sviti na strechu, tak jde bez problem nastavit vytezovani optimalne.
Budu budu cyklovat baterku, tzn zkouset zvysit odber dokud se neotoci proud. nebo vytezovat malo.
Proto je otazka jestli by nebylo lepsi to brat rovnou pred menicem, mozna I paralelne k jednomu stringu.
Regulovat vykon za menicem asi neni problem, postupne pripinani vetvi a 1-2 pres SSR pro plynule prechody mezi skoky. Sam to tak mam, ale magie je prave kolem toho kolik kdy brat.
Skoda ze z MPPT neleze informace o to jak nad/pod jsme ohledne idealniho bodu. tzn jestli uz omezujeme proud protoze je maly odber, nebo obracene.
Veskere informace jsou totiz az za menicem a tady mi vykon menice neukazuje kolik sviti, ale jaky je odber.
Kdyby byla informace o tom kolik kW sviti na strechu, tak jde bez problem nastavit vytezovani optimalne.
Budu budu cyklovat baterku, tzn zkouset zvysit odber dokud se neotoci proud. nebo vytezovat malo.
Proto je otazka jestli by nebylo lepsi to brat rovnou pred menicem, mozna I paralelne k jednomu stringu.
Regulovat vykon za menicem asi neni problem, postupne pripinani vetvi a 1-2 pres SSR pro plynule prechody mezi skoky. Sam to tak mam, ale magie je prave kolem toho kolik kdy brat.
Skoda ze z MPPT neleze informace o to jak nad/pod jsme ohledne idealniho bodu. tzn jestli uz omezujeme proud protoze je maly odber, nebo obracene.
- youda
- Příspěvky: 3153
- Registrován: stř dub 27, 2016 12:12 am
- Reputace: 961
Re: Podlahové topení na FVE
Marcus81,Marcus81 píše:ma niekto nieco taketo rozbehane aj na raspberry alebo na arduine? Mne sa tento "youdov" experiment paci, mam tiez tuto istu myslienku ako to prezozdelit do podlahovky...Zatial mi to vsetko spinaju obycajne termostaty, ale mam v plane to potiahnut od termostatov JYTY-O kablom do rozvadzaca kde to bude spinat stykace a potom to rozdelit podobne ako "youda", len este neviem presne ako
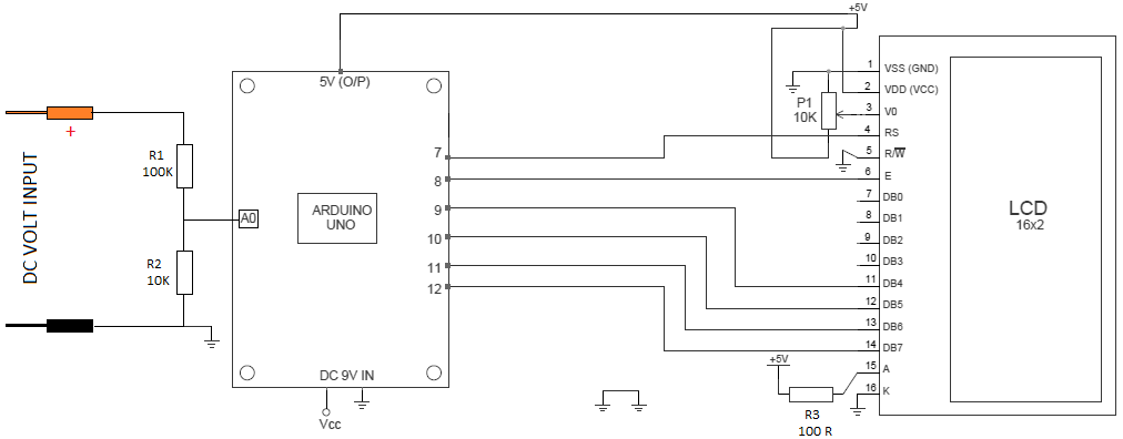
pokud to chceš vše řešit sám, bez použití hotových výrobků (WattRouter,GreenBono), tak začni tím, že zkusíš Arduinem spínat sadu několika stykačů. Asi to nepůjde napřímo, takže k Arduinu budeš muset doplnit reléový modul a tímto modulem teprve spínat silové stykače. Pokud mají tvoje okruhy pod 2kW každý, pak bys mohl spínat i napřímo: Pak to bude chtít ještě minimálně měřit napětí baterie. Na Arduinu opět celkem snadné, pomocí odporového děliče: Pozor, pro měření 48V AKU budeš muset příslušně zvětšit R1. Ideálně tak aby při 70V bylo na R2 maximální povolené napětí pro IO vstup Arduina. Displej není potřeba, stačí logovat do sériové konzole.
Už jen na základě těchto dvou bloků by mělo jít postavit jednoduchý vytěžovač. Dalším krokem pak může být to doplnění SSR relé, pro spojité řízení jedné ze zátěží (té největší) - řízením této zátěže budeš hledat maximum.
Když tě to chytne, doplníš sadu čidel DS18B20 pro měření teplot, připojíš přes 1-wire. Pak můžeš do algoritmu vytěžování doplnit i přehazování priorit na základě teplot z jednotlivých místností
Čidla DS18B20 na společné 1-wire sběrnici:
Naposledy upravil(a) youda dne čtv říj 11, 2018 9:56 pm, celkem upraveno 2 x.
Youdova ostrovní laboratoř 20kWp: https://youda.mypower.cz
-
kodl69
- Příspěvky: 8147
- Registrován: sob črc 19, 2014 8:56 pm
- Reputace: 1022
- Lokalita: severně od Brna
- Systémové napětí: 48V
- Výkon panelů [Wp]: 8kWp
- Kapacita baterie [kWh]: 12kWh
- Chci prodávat energii: NE
- Chci/Mám dotaci: NE
Re: Podlahové topení na FVE
To Tomas:
S těmi otvory do rozvodnice bych byl opatrnější:
1.) krytí - mělo by být dodrženo ze všech stran, i zezadu.
2.) rozvodnice ve dvojité izolaci - stěnou nesmí procházet kov, proto jsou v balení s rozvodnicí ty krytky na připevňovací šrouby. Jestli to někdo moc chce, najdu mu přímo odkaz na ČSN.
3.) výrobce rozvodnice udává maximální možnou tepelnou ztrátu z přístrojů a vodičů v rozvodnici, na což se odvolává jak norma pro rozvaděče v části "ověření návrhu", tak v norma pro "úplné kryty" - čti rozvodnice.
Takže řešení je rozvodnice plechová, uzemněná, a pak může být celá zadní stěna žebrovaná, a nebo zrovna skříňka z hliníku, dá se to taky pořídit. Možná už plechová bedna by stačila na chlazení těch relátek, případně s drobnou odpomocí kousku hliníku. Ostatně na dřevě je možnost oddálené montáže, což odvod tepla taky výrazně zlepší, oproti podložení 1cm cetris deskou, která celkem obstojně tepelně izoluje, a co teprve dřevo pod ní.
V tomhle oboru je už dávno všechno vymyšlený, vyrábí se to a prodává, akorát je naše tradice něco bastlit - to můžu v omezené míře sám pro sebe doma (na to pamatuje trestní zákoník pojmem obecné ohrožení) ale pro zákazníka musím vždy použít řešení, které kompletně odpovídá platným normám. A kolik to bude stát je další věc, ale určitě to není o tom, že on to chce mít co nejlevnější, nebo ještě hůř, já na tom "ušetřím" a víc vydělám. Pouze do prvního průšvihu.
S těmi otvory do rozvodnice bych byl opatrnější:
1.) krytí - mělo by být dodrženo ze všech stran, i zezadu.
2.) rozvodnice ve dvojité izolaci - stěnou nesmí procházet kov, proto jsou v balení s rozvodnicí ty krytky na připevňovací šrouby. Jestli to někdo moc chce, najdu mu přímo odkaz na ČSN.
3.) výrobce rozvodnice udává maximální možnou tepelnou ztrátu z přístrojů a vodičů v rozvodnici, na což se odvolává jak norma pro rozvaděče v části "ověření návrhu", tak v norma pro "úplné kryty" - čti rozvodnice.
Takže řešení je rozvodnice plechová, uzemněná, a pak může být celá zadní stěna žebrovaná, a nebo zrovna skříňka z hliníku, dá se to taky pořídit. Možná už plechová bedna by stačila na chlazení těch relátek, případně s drobnou odpomocí kousku hliníku. Ostatně na dřevě je možnost oddálené montáže, což odvod tepla taky výrazně zlepší, oproti podložení 1cm cetris deskou, která celkem obstojně tepelně izoluje, a co teprve dřevo pod ní.
V tomhle oboru je už dávno všechno vymyšlený, vyrábí se to a prodává, akorát je naše tradice něco bastlit - to můžu v omezené míře sám pro sebe doma (na to pamatuje trestní zákoník pojmem obecné ohrožení) ale pro zákazníka musím vždy použít řešení, které kompletně odpovídá platným normám. A kolik to bude stát je další věc, ale určitě to není o tom, že on to chce mít co nejlevnější, nebo ještě hůř, já na tom "ušetřím" a víc vydělám. Pouze do prvního průšvihu.
ostrov skoro 8kWp neustále ve stádiu zrodu: smartshunt(ex WBJR), MPPT150/45, MPPT 250/100(ex midnitesolar 150 clasic lite), 16S a různě P cca 340Ah Winston, MP II 5000,( ex Powerjack 8kW, ex samodomo cca 4kW). 48V DC rozvody a spotřebiče.
Kdo je online
Uživatelé prohlížející si toto fórum: Claudebot [Bot], Seznam [Bot] a 0 hostů