FVE ostrov 1020 Wp - Sobrance
- vlkazajac
- R.I.P.
- Příspěvky: 3479
- Registrován: úte čer 11, 2013 10:40 pm
- Reputace: 528
Re: FVE ostrov 1020 Wp - Sobrance
Žiadny. Nie sú určené pre DC.
Dám Vám iný návrh, ako prepínať panely. Použite správne dimenzovaný stykač, napríklad IKD25-40 za 19 EUR, ktorý je vhodný na prepínanie dvoch párov panelov naraz. A povinné istenie 10 A poistkami k tomu.
https://www.hagard.sk/elektroinstalacny ... e_id=24435
Dám Vám iný návrh, ako prepínať panely. Použite správne dimenzovaný stykač, napríklad IKD25-40 za 19 EUR, ktorý je vhodný na prepínanie dvoch párov panelov naraz. A povinné istenie 10 A poistkami k tomu.
https://www.hagard.sk/elektroinstalacny ... e_id=24435
750 Wp, LS3024B, 18650 - 198P8S 30,4 V, Multiplus C 800 nonstop / všetky slabé spotrebiče
1950 Wp, 2 x LS3024B, VS2024N, olovo - 330 Ah / 24 V, Carspa 3000 sin deň / silné spotrebiče a ohrev TUV
5995 kWh za meničmi za posledné 2 roky.
1950 Wp, 2 x LS3024B, VS2024N, olovo - 330 Ah / 24 V, Carspa 3000 sin deň / silné spotrebiče a ohrev TUV
5995 kWh za meničmi za posledné 2 roky.
-
ome
- Příspěvky: 159
- Registrován: úte čer 03, 2014 5:16 pm
- Reputace: 29
Re: FVE ostrov 1020 Wp - Sobrance
Asi by to ungovalo aj s tymi styroma isticami, ale pred kazdym prepojenim by si musel odpojit panely (dalsimi isticami?). Ale neviem co sa stane regulatoru ak bude mat na vstupe na chvilu skrat. (typujem ze by to mal zvladnut - pozri do manualu)
500Wp seriovo balkon JZ a 960Wp paralelne strecha J a JV,
epsolar 2210, 24v 19xKPH 150 + 12xSunica 70 cca 3,3 kW/h, menice modif. sinus 1000W cina a PJ 3000W LF
epsolar 2210, 24v 19xKPH 150 + 12xSunica 70 cca 3,3 kW/h, menice modif. sinus 1000W cina a PJ 3000W LF
- vlkazajac
- R.I.P.
- Příspěvky: 3479
- Registrován: úte čer 11, 2013 10:40 pm
- Reputace: 528
Re: FVE ostrov 1020 Wp - Sobrance
To, že má regulátor na vstupe ochranu proti skratu, neznamená, že mu ho tam môžeme cieľavedome dopriať každý deň dva razy. Tipovať za cudzie peniaze - to sa mi páči ! 
750 Wp, LS3024B, 18650 - 198P8S 30,4 V, Multiplus C 800 nonstop / všetky slabé spotrebiče
1950 Wp, 2 x LS3024B, VS2024N, olovo - 330 Ah / 24 V, Carspa 3000 sin deň / silné spotrebiče a ohrev TUV
5995 kWh za meničmi za posledné 2 roky.
1950 Wp, 2 x LS3024B, VS2024N, olovo - 330 Ah / 24 V, Carspa 3000 sin deň / silné spotrebiče a ohrev TUV
5995 kWh za meničmi za posledné 2 roky.
- rottenkiwi
- Příspěvky: 5451
- Registrován: pát úno 13, 2015 2:24 pm
- Reputace: 287
- Lokalita: SO, SK
- Bydliště: SO, SK
Re: FVE ostrov 1020 Wp - Sobrance
S tým stykačom mi to nejde do hlavy. Má 4 spínacie kontakty, ja potrebujem 2 spínacie
a 2 rozpínacie súčasne. Ako to zapojím na ten stykač ?
a 2 rozpínacie súčasne. Ako to zapojím na ten stykač ?
DC-AC inverter REC Lion DC-AC ESP32 DIY inv. 15 GB za sekundu DIY MPPT Holder
Zjedz vsetko, co si kupil, v obchode a netreba ti tasku, auto ci chladnicku.
Zjedz vsetko, co si kupil, v obchode a netreba ti tasku, auto ci chladnicku.
- vlkazajac
- R.I.P.
- Příspěvky: 3479
- Registrován: úte čer 11, 2013 10:40 pm
- Reputace: 528
Re: FVE ostrov 1020 Wp - Sobrance
OPRAVA
Ospravedlňujem sa, už som z toho zblbol.
Treba použiť stykač s kontaktami 22, teda 2 spínacie a dva rozpínacie.
Vyhľadám taký a dokončím opravu.
Sorry......
Tu je to - zatiaľ som našiel vhodnú náhradu len IK40-22, je silnejší a ovládanie 24 V.
http://www.tme.eu/sk/details/ik40-22_24 ... /30045172/
Ešte raz, prepáčte za kiks.
Ospravedlňujem sa, už som z toho zblbol.
Treba použiť stykač s kontaktami 22, teda 2 spínacie a dva rozpínacie.
Vyhľadám taký a dokončím opravu.
Sorry......
Tu je to - zatiaľ som našiel vhodnú náhradu len IK40-22, je silnejší a ovládanie 24 V.
http://www.tme.eu/sk/details/ik40-22_24 ... /30045172/
Ešte raz, prepáčte za kiks.
750 Wp, LS3024B, 18650 - 198P8S 30,4 V, Multiplus C 800 nonstop / všetky slabé spotrebiče
1950 Wp, 2 x LS3024B, VS2024N, olovo - 330 Ah / 24 V, Carspa 3000 sin deň / silné spotrebiče a ohrev TUV
5995 kWh za meničmi za posledné 2 roky.
1950 Wp, 2 x LS3024B, VS2024N, olovo - 330 Ah / 24 V, Carspa 3000 sin deň / silné spotrebiče a ohrev TUV
5995 kWh za meničmi za posledné 2 roky.
- vlkazajac
- R.I.P.
- Příspěvky: 3479
- Registrován: úte čer 11, 2013 10:40 pm
- Reputace: 528
Re: FVE ostrov 1020 Wp - Sobrance
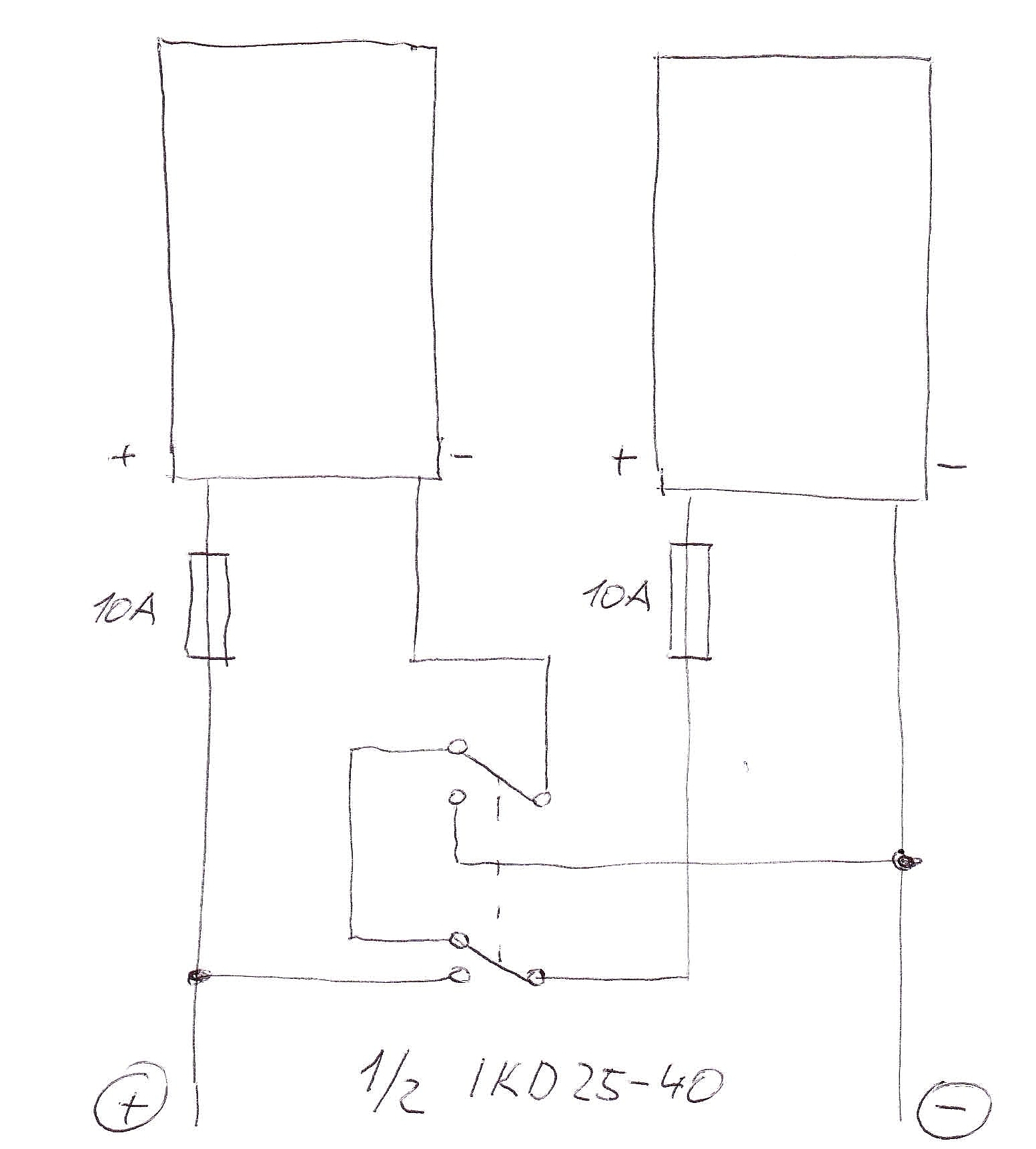
Toto by bol asi ideálny kus za púhych 14,28 EUR :
http://www.tme.eu/sk/details/ika25-22_2 ... /30046029/ Varianta IKD25-22 umožňuje ovládanie 24 V aj 230 V. Je výrazne výhodnejšia z hľadiska spotreby v zapnutom stave.
http://www.tme.eu/sk/details/ika25-22_2 ... /30046029/ Varianta IKD25-22 umožňuje ovládanie 24 V aj 230 V. Je výrazne výhodnejšia z hľadiska spotreby v zapnutom stave.
750 Wp, LS3024B, 18650 - 198P8S 30,4 V, Multiplus C 800 nonstop / všetky slabé spotrebiče
1950 Wp, 2 x LS3024B, VS2024N, olovo - 330 Ah / 24 V, Carspa 3000 sin deň / silné spotrebiče a ohrev TUV
5995 kWh za meničmi za posledné 2 roky.
1950 Wp, 2 x LS3024B, VS2024N, olovo - 330 Ah / 24 V, Carspa 3000 sin deň / silné spotrebiče a ohrev TUV
5995 kWh za meničmi za posledné 2 roky.
-
jiri59
- Příspěvky: 62
- Registrován: ned úno 26, 2017 10:29 pm
- Reputace: 17
- Systémové napětí: 24V
- Výkon panelů [Wp]: 1200
- Kapacita baterie [kWh]: malá
Re: FVE ostrov 1020 Wp - Sobrance
Pro ruční ovládání by šel použít tento reverzační přepínač https://www.hagard.sk/elektroinstalacny ... 217&page=3.
Schema zapojení 9151 je v katalogu http://www.sez-cz.cz/soubory/294-sezcz- ... ledpdf.pdf na str. 26.
Schema zapojení 9151 je v katalogu http://www.sez-cz.cz/soubory/294-sezcz- ... ledpdf.pdf na str. 26.
ostrov = panel
2s x 3p 240 Wp + EASUN 3500 + 2,8kWh Lion z 18650
-
jiri59
- Příspěvky: 62
- Registrován: ned úno 26, 2017 10:29 pm
- Reputace: 17
- Systémové napětí: 24V
- Výkon panelů [Wp]: 1200
- Kapacita baterie [kWh]: malá
Re: FVE ostrov 1020 Wp - Sobrance
Doplňuji zapojení přepínače


ostrov = panel
2s x 3p 240 Wp + EASUN 3500 + 2,8kWh Lion z 18650
- rottenkiwi
- Příspěvky: 5451
- Registrován: pát úno 13, 2015 2:24 pm
- Reputace: 287
- Lokalita: SO, SK
- Bydliště: SO, SK
Re: FVE ostrov 1020 Wp - Sobrance
Vďaka za tie prepínače.
Teraz sa trápim s pripojením meniča Meanwell TN 3000 cez sériový port k NB / PC.
Skúšal som s redukciou USB/RS232 na NB, ako aj priamo na dve PC so sériovým portom,
je tam 9600 baudov, údaje 8 bitov, parita NONE, stop bits 1, tok NONE
a stále to píše: Inverter not found
kábel je podľa návodu 3 žilový s RJ11 konektorom do Meanwellu.
Neviete kde može byť problém ?
Teraz sa trápim s pripojením meniča Meanwell TN 3000 cez sériový port k NB / PC.
Skúšal som s redukciou USB/RS232 na NB, ako aj priamo na dve PC so sériovým portom,
je tam 9600 baudov, údaje 8 bitov, parita NONE, stop bits 1, tok NONE
a stále to píše: Inverter not found
kábel je podľa návodu 3 žilový s RJ11 konektorom do Meanwellu.
Neviete kde može byť problém ?
DC-AC inverter REC Lion DC-AC ESP32 DIY inv. 15 GB za sekundu DIY MPPT Holder
Zjedz vsetko, co si kupil, v obchode a netreba ti tasku, auto ci chladnicku.
Zjedz vsetko, co si kupil, v obchode a netreba ti tasku, auto ci chladnicku.
-
goodbie
- Příspěvky: 1466
- Registrován: pát bře 08, 2013 7:19 pm
- Reputace: 73
- Bydliště: Aš
Re: FVE ostrov 1020 Wp - Sobrance
com port je zvolen správně??rottenkiwi píše:Vďaka za tie prepínače.
Teraz sa trápim s pripojením meniča Meanwell TN 3000 cez sériový port k NB / PC.
Skúšal som s redukciou USB/RS232 na NB, ako aj priamo na dve PC so sériovým portom,
je tam 9600 baudov, údaje 8 bitov, parita NONE, stop bits 1, tok NONE
a stále to píše: Inverter not found
kábel je podľa návodu 3 žilový s RJ11 konektorom do Meanwellu.
Neviete kde može byť problém ?
- rottenkiwi
- Příspěvky: 5451
- Registrován: pát úno 13, 2015 2:24 pm
- Reputace: 287
- Lokalita: SO, SK
- Bydliště: SO, SK
Re: FVE ostrov 1020 Wp - Sobrance
Hej, lebo na ostatných padne celý program. Na to správnom 2 sec. testuje
a vypíše že nič nenašiel.
Edit: Už to ide. Ten konektor RJ11 som zapojil opačne.
a vypíše že nič nenašiel.
Edit: Už to ide. Ten konektor RJ11 som zapojil opačne.
DC-AC inverter REC Lion DC-AC ESP32 DIY inv. 15 GB za sekundu DIY MPPT Holder
Zjedz vsetko, co si kupil, v obchode a netreba ti tasku, auto ci chladnicku.
Zjedz vsetko, co si kupil, v obchode a netreba ti tasku, auto ci chladnicku.
- rottenkiwi
- Příspěvky: 5451
- Registrován: pát úno 13, 2015 2:24 pm
- Reputace: 287
- Lokalita: SO, SK
- Bydliště: SO, SK
Re: FVE ostrov 1020 Wp - Sobrance
Skúšal som aktivovať nabíjačku v meniči Meanwell TN 3000 v móde Energy Saving Mode,
napatie bolo nastavené na 15 V. Menič naozaj prepína medzi Módmi Inverter a ByPass
a v režime ByPass aj aktivuje AC nabíjačku, ale nabíjačka dosiahne napatie 14.6 V,
na tom stojí 2 hodiny a ďalej nejde a ani sa nevypne.
Máte niekto Meanwell TN xy00 ? Ako sa správa, ak EQ napatie nastavíte u 12 V systému na viac
ako 14.3 V, čo je továrenské nastavenie ?
napatie bolo nastavené na 15 V. Menič naozaj prepína medzi Módmi Inverter a ByPass
a v režime ByPass aj aktivuje AC nabíjačku, ale nabíjačka dosiahne napatie 14.6 V,
na tom stojí 2 hodiny a ďalej nejde a ani sa nevypne.
Máte niekto Meanwell TN xy00 ? Ako sa správa, ak EQ napatie nastavíte u 12 V systému na viac
ako 14.3 V, čo je továrenské nastavenie ?
DC-AC inverter REC Lion DC-AC ESP32 DIY inv. 15 GB za sekundu DIY MPPT Holder
Zjedz vsetko, co si kupil, v obchode a netreba ti tasku, auto ci chladnicku.
Zjedz vsetko, co si kupil, v obchode a netreba ti tasku, auto ci chladnicku.
- rottenkiwi
- Příspěvky: 5451
- Registrován: pát úno 13, 2015 2:24 pm
- Reputace: 287
- Lokalita: SO, SK
- Bydliště: SO, SK
Re: FVE ostrov 1020 Wp - Sobrance
Podľa týchto zdrojov, napr. VRLA batérie strácajú polovicu života každých 8 *C zvýš. teploty.
LMO a LFP majú CE tiež dosť závislú na teplote, LTO, LCO a NMC zas lepšie znášajú teplotu.
Oplatí sa baterkáreň klimatizovať ? A keď hej, na akú teplotu ?
http://batteryuniversity.com/learn/arti ... ttery_life
http://batteryuniversity.com/learn/arti ... ion_to_die
LMO a LFP majú CE tiež dosť závislú na teplote, LTO, LCO a NMC zas lepšie znášajú teplotu.
Oplatí sa baterkáreň klimatizovať ? A keď hej, na akú teplotu ?
http://batteryuniversity.com/learn/arti ... ttery_life
http://batteryuniversity.com/learn/arti ... ion_to_die
DC-AC inverter REC Lion DC-AC ESP32 DIY inv. 15 GB za sekundu DIY MPPT Holder
Zjedz vsetko, co si kupil, v obchode a netreba ti tasku, auto ci chladnicku.
Zjedz vsetko, co si kupil, v obchode a netreba ti tasku, auto ci chladnicku.
- rottenkiwi
- Příspěvky: 5451
- Registrován: pát úno 13, 2015 2:24 pm
- Reputace: 287
- Lokalita: SO, SK
- Bydliště: SO, SK
Re: FVE ostrov 1020 Wp - Sobrance
Včera som prepojil 2 x 260 Wp z 2S na 2P, aby som cca. hodinu ráno a hodinu večer
zvýšil výkon, lebo najprv jeden a potom druhý panel v sérii bol parciálne tienený.
Očakával som mierne zvýšenie výkonu z dovodu rastu účinnosti MPPT konverzie,
ale nič také sa nekonalo, možno je to preto, lebo I išiel na dvojnásobok
a vzrástli straty na 15 m x 10 mm Cu vedenia, podľa vzorca IxIx 0.02 x 30 / 10.
Ale nastal jeden pozitívny efekt, tým že napatie šlo na polovicu, tak MPPT už
mení nie z 56 V na 13 V, ale z 28 V na 13, takže sa znížila teplota reglu
z 39 na 34 *C, čo má pozitívny vplyv na kapacitory.
zvýšil výkon, lebo najprv jeden a potom druhý panel v sérii bol parciálne tienený.
Očakával som mierne zvýšenie výkonu z dovodu rastu účinnosti MPPT konverzie,
ale nič také sa nekonalo, možno je to preto, lebo I išiel na dvojnásobok
a vzrástli straty na 15 m x 10 mm Cu vedenia, podľa vzorca IxIx 0.02 x 30 / 10.
Ale nastal jeden pozitívny efekt, tým že napatie šlo na polovicu, tak MPPT už
mení nie z 56 V na 13 V, ale z 28 V na 13, takže sa znížila teplota reglu
z 39 na 34 *C, čo má pozitívny vplyv na kapacitory.
DC-AC inverter REC Lion DC-AC ESP32 DIY inv. 15 GB za sekundu DIY MPPT Holder
Zjedz vsetko, co si kupil, v obchode a netreba ti tasku, auto ci chladnicku.
Zjedz vsetko, co si kupil, v obchode a netreba ti tasku, auto ci chladnicku.
- vlkazajac
- R.I.P.
- Příspěvky: 3479
- Registrován: úte čer 11, 2013 10:40 pm
- Reputace: 528
Re: FVE ostrov 1020 Wp - Sobrance
Cim ste merali prud / vykon z regulatora? Ak s MT-5, tak to je nespolahlive.
Tiez by som sa rad ubezpecil, ze regulator bol vo faze BULK. Je to tak?
Tiez by som sa rad ubezpecil, ze regulator bol vo faze BULK. Je to tak?
750 Wp, LS3024B, 18650 - 198P8S 30,4 V, Multiplus C 800 nonstop / všetky slabé spotrebiče
1950 Wp, 2 x LS3024B, VS2024N, olovo - 330 Ah / 24 V, Carspa 3000 sin deň / silné spotrebiče a ohrev TUV
5995 kWh za meničmi za posledné 2 roky.
1950 Wp, 2 x LS3024B, VS2024N, olovo - 330 Ah / 24 V, Carspa 3000 sin deň / silné spotrebiče a ohrev TUV
5995 kWh za meničmi za posledné 2 roky.
- rottenkiwi
- Příspěvky: 5451
- Registrován: pát úno 13, 2015 2:24 pm
- Reputace: 287
- Lokalita: SO, SK
- Bydliště: SO, SK
Re: FVE ostrov 1020 Wp - Sobrance
Toho mesiaca sa mi podaril rekord v histórii FVE vo výrobe za mesiac.
Za júl 2017 sa vyrobilo z 2040 Wp, 350 kWh,
to je cca. 11.29 kWh na deń priem. DC výroby.
Ak by som prešiel nakúpením ďalších panelov na 24 V / 4100 Wp, tak to by bolo
cez 700 kWh v letných mesiacoch a výrazne by sa zvýšila
výroba aj v pre nás nepriaznivom období v jeseni a v zime.
Za júl 2017 sa vyrobilo z 2040 Wp, 350 kWh,
to je cca. 11.29 kWh na deń priem. DC výroby.
Ak by som prešiel nakúpením ďalších panelov na 24 V / 4100 Wp, tak to by bolo
cez 700 kWh v letných mesiacoch a výrazne by sa zvýšila
výroba aj v pre nás nepriaznivom období v jeseni a v zime.
DC-AC inverter REC Lion DC-AC ESP32 DIY inv. 15 GB za sekundu DIY MPPT Holder
Zjedz vsetko, co si kupil, v obchode a netreba ti tasku, auto ci chladnicku.
Zjedz vsetko, co si kupil, v obchode a netreba ti tasku, auto ci chladnicku.
- rottenkiwi
- Příspěvky: 5451
- Registrován: pát úno 13, 2015 2:24 pm
- Reputace: 287
- Lokalita: SO, SK
- Bydliště: SO, SK
Re: FVE ostrov 1020 Wp - Sobrance
Zistil som, že klíma Daikin Eco Comfort FTXB35C/RXB35C na 2. stupni ventilátora,
pripojená na Victron 1600 VA menič žerie len 131 W.
https://www.youtube.com/watch?v=rvVAvYR4bmM
Tak som napísal pár predajcom email, koľko je max. nábehový prúd invertorových
chladničiek s mrazničkou, ale všetci mi odpísali, že výrobca takýto údaj neuvádza.
Nemáte niekto invertorovú chladničku s mrazničkou a neviete aký má max. nábehový
prúd ?
Lebo takáto invertorová klíma by v pohode išla aj na 500 VA menič, kdežto bežná
chladnička s mrazničkou s kompresorom na 500 VA menič nejde.
pripojená na Victron 1600 VA menič žerie len 131 W.
https://www.youtube.com/watch?v=rvVAvYR4bmM
Tak som napísal pár predajcom email, koľko je max. nábehový prúd invertorových
chladničiek s mrazničkou, ale všetci mi odpísali, že výrobca takýto údaj neuvádza.
Nemáte niekto invertorovú chladničku s mrazničkou a neviete aký má max. nábehový
prúd ?
Lebo takáto invertorová klíma by v pohode išla aj na 500 VA menič, kdežto bežná
chladnička s mrazničkou s kompresorom na 500 VA menič nejde.
DC-AC inverter REC Lion DC-AC ESP32 DIY inv. 15 GB za sekundu DIY MPPT Holder
Zjedz vsetko, co si kupil, v obchode a netreba ti tasku, auto ci chladnicku.
Zjedz vsetko, co si kupil, v obchode a netreba ti tasku, auto ci chladnicku.
- trud
- Příspěvky: 916
- Registrován: čtv úno 07, 2013 1:50 am
- Reputace: 80
Re: FVE ostrov 1020 Wp - Sobrance
Nie je to náhodou tak že invertorová chladnička beží stále ale na nízky výkon ? Predpokladám že veľký nabehový prúd bude mať len keď ju prvý krát zapojíš po privezení z obchodu. Ked už bude vychladená tak bude bežat motor stále na dáky nízky výkon, prípadne sa aj spúštat na nízkom výkone.
4830W+5*PWM+3MPPT,18650 pack 7S/60P -28,20V- 4.2kWh+18ks 40Ah/+3ks 16P18650 (Mitsubishi Outlander) 3 kWh+ pack 26650 7S/6P - 0,75kWh+7ks 60Ah (BMWi3) 1,5kWh + testovacia LTO -11*12Ah.+ 7*150Ah od pimpongáča 3,8kWh + 7* 180Ah od pimpongáča 4,6kWh ,Victron VE.Direct 375VA 24V,Victron VE.Direct 1200VA 24V,NoNAME pimpongáč 4kW, "hybrid 3,8kW pimpongač
el.skúter 48V/30Ah, Cupra Born 63/60kWh , dáke spotrebiče prestavané na Li 18650,
https://www.spritmonitor.de/en/detail/1648984.html
el.skúter 48V/30Ah, Cupra Born 63/60kWh , dáke spotrebiče prestavané na Li 18650,
https://www.spritmonitor.de/en/detail/1648984.html
- JonasPP
- Příspěvky: 1198
- Registrován: pon srp 31, 2015 11:36 am
- Reputace: 150
- Bydliště: Okolie Popradu SR
Re: FVE ostrov 1020 Wp - Sobrance
Sestra ma taku chladničku a nabehuje z pomala,žiadne rucanie,drnčanie,ani ine zvuky z nej pri nabehu nepočuť,iba take stupnujuce piskanie.A nejde nonstop,nonstop v nej ide iba vzduchovy obeh de je aj zber kondenzatu.Môžem ju skusiť nahodiť na 300W menič,že ako to dopadne.
Mix panelov podľa potreby zapojene -9,2kWp papierovo +-5,6kW skutočnych;
48v-PCM-80A+Axpert 2,4KW+PJ 6kW;Li-ion -11kWh
24v-PJ 5kW;NiCd -10kWh
12v-10A MPPT;sin~300W;PB 4kWh
48v-PCM-80A+Axpert 2,4KW+PJ 6kW;Li-ion -11kWh
24v-PJ 5kW;NiCd -10kWh
12v-10A MPPT;sin~300W;PB 4kWh
- rottenkiwi
- Příspěvky: 5451
- Registrován: pát úno 13, 2015 2:24 pm
- Reputace: 287
- Lokalita: SO, SK
- Bydliště: SO, SK
Re: FVE ostrov 1020 Wp - Sobrance
Aj vám takto skáče UOut , Udc ripple a Idc na Victrone Phoenix
alebo je to len záležitosť tohoto kusu ?
Pritom odber na AC je stabilný +- 5 W.
https://www.youtube.com/watch?v=ZrfCTz1nQqA
alebo je to len záležitosť tohoto kusu ?
Pritom odber na AC je stabilný +- 5 W.
https://www.youtube.com/watch?v=ZrfCTz1nQqA
DC-AC inverter REC Lion DC-AC ESP32 DIY inv. 15 GB za sekundu DIY MPPT Holder
Zjedz vsetko, co si kupil, v obchode a netreba ti tasku, auto ci chladnicku.
Zjedz vsetko, co si kupil, v obchode a netreba ti tasku, auto ci chladnicku.
Kdo je online
Uživatelé prohlížející si toto fórum: Bing [Bot], Claudebot [Bot], Google Adsense [Bot], leoshavla a 1 host