FVE ostrov 1020 Wp - Sobrance
Souhrn tématu
Téma popisuje zkušenosti s provozem ostrovní fotovoltaické elektrárny o výkonu 1020 Wp v Sobrancích. Autor sdílí detaily o komponentách systému, jako jsou panely, baterie, regulátory a měřicí zařízení založená na Arduinu. Součástí je i ochrana proti přepětí a statistiky výroby energie od roku 2014. Diskuze zahrnuje i otázky kompatibility měničů Victron a technické aspekty spolehlivosti komponent.
- rottenkiwi
- Příspěvky: 5451
- Registrován: pát úno 13, 2015 2:24 pm
- Reputace: 287
- Lokalita: SO, SK
- Bydliště: SO, SK
Re: FVE ostrov 1020 Wp - Sobrance
Dá sa toto použiť ako balancér, napr. 1 článok je iný a ostatné sú na 3.5 V,
tak tie 3 budú dávať 10.5 V a na žiarovke sa nastaví 14 V.
Aký bude odber z tých troch LiFe článkov, ak dáme na výstup step_up 55 W H4 ?
http://www.dx.com/cs/p/150w-dc-10-32v-t ... igFf37hDmE
tak tie 3 budú dávať 10.5 V a na žiarovke sa nastaví 14 V.
Aký bude odber z tých troch LiFe článkov, ak dáme na výstup step_up 55 W H4 ?
http://www.dx.com/cs/p/150w-dc-10-32v-t ... igFf37hDmE
-
pezizka
- Příspěvky: 741
- Registrován: úte čer 24, 2014 8:23 pm
- Reputace: 68
- Lokalita: Kyjovsko
- Systémové napětí: 48V
- Výkon panelů [Wp]: 9170
- Kapacita baterie [kWh]: 33
- Chci prodávat energii: NE
- Chci/Mám dotaci: NE
Re: FVE ostrov 1020 Wp - Sobrance
U těchto DC DC je problém s tím, že nejsou galvanicky odděleny
Takže pokud bych dotoval první článek, tak napájet z 1-x a tlačit do 1. Pokud 2 tak napájení 2 - x a tak dále, ale co z posledním? Jedině na poslední pozice osadit zaručeně nejsilnější články. Ale jistě to není to pravé ořechové
Daleko lepší by bylo třeba daleko menší DC DC, ale galvanicky oddělen.
Teď se na to dívám že je to postaveno jinak. Použít to na vybíjení konkrétního článku jistě použít šlo, ale uniká mi smysl
Z článku to bude brát 55W tj. cca. 16A plus účinnost konverze. A nejsem si jist zda tento DC DC bude fungovat korektně na 3,5V. Sic píšou tuším od 3V, nebývá to pravda a tento je navíc myslím 10A 
Teď se na to dívám že je to postaveno jinak. Použít to na vybíjení konkrétního článku jistě použít šlo, ale uniká mi smysl
- rottenkiwi
- Příspěvky: 5451
- Registrován: pát úno 13, 2015 2:24 pm
- Reputace: 287
- Lokalita: SO, SK
- Bydliště: SO, SK
Re: FVE ostrov 1020 Wp - Sobrance
Čím pripevniť 255 Wp panel na výšku k železnej tyči, cólovej a druhý k 6/4 cólovej ?
Ako ten panel na druhej strane vyvážiť, aby sa tá tyč s panelom ľahko otáčala ?
Ako ten panel na druhej strane vyvážiť, aby sa tá tyč s panelom ľahko otáčala ?
-
kodl69
- Příspěvky: 8280
- Registrován: sob črc 19, 2014 8:56 pm
- Reputace: 1044
- Lokalita: severně od Brna
- Systémové napětí: 48V
- Výkon panelů [Wp]: 8kWp
- Kapacita baterie [kWh]: 12kWh
- Chci prodávat energii: NE
- Chci/Mám dotaci: NE
Re: FVE ostrov 1020 Wp - Sobrance
to bude solární kolotoč nebo co? jsem to nějak nepochopil... Jinak na všechno jsou dobrý hliníkový profily z alupy:http://www.ehlinik.cz/hlinikove-profily ... 00101.html
ostrov skoro 8kWp neustále ve stádiu zrodu: smartshunt(ex WBJR), MPPT150/45, MPPT 250/100(ex midnitesolar 150 clasic lite), 16S a různě P cca 340Ah Winston, MP II 5000,( ex Powerjack 8kW, ex samodomo cca 4kW). 48V DC rozvody a spotřebiče.
- rottenkiwi
- Příspěvky: 5451
- Registrován: pát úno 13, 2015 2:24 pm
- Reputace: 287
- Lokalita: SO, SK
- Bydliště: SO, SK
Re: FVE ostrov 1020 Wp - Sobrance
By som chcel urobit zatial manualny tracker, tá tyč bude hore ukotvená a dole teleskopická,
takže sa bude dať meniť uhol sklonu v závislosti na ročom období.
Profily Al mám, len ako ten profil so štvorhranným prierezom ukotviť k Fe tyči/rúre ?
Zváračku nemám, tak len niečo lacné na skrutky a matky, čo udrží váhu panela.
takže sa bude dať meniť uhol sklonu v závislosti na ročom období.
Profily Al mám, len ako ten profil so štvorhranným prierezom ukotviť k Fe tyči/rúre ?
Zváračku nemám, tak len niečo lacné na skrutky a matky, čo udrží váhu panela.
-
petrs
- Příspěvky: 428
- Registrován: pon čer 30, 2014 7:02 am
- Reputace: 30
Re: FVE ostrov 1020 Wp - Sobrance
...a viděl jsem Křižíka nazpět se otáčeti ...
- rottenkiwi
- Příspěvky: 5451
- Registrován: pát úno 13, 2015 2:24 pm
- Reputace: 287
- Lokalita: SO, SK
- Bydliště: SO, SK
Re: FVE ostrov 1020 Wp - Sobrance
Keďže nemám peniaze na 24 V menič a mám dva EpSolary 40 A, rozmýšľam,
či je možné jednoducho a blbuvzdorne navrhnúť systém tak, aby som pridal
4 panely, baterky zapojil sériovo, nabil ich, a potom nejako cvak-cvak
ich prepnúť paralelne na 12 V a použivať s 12 V /3000 VA meničom, čo mám.
Je to možné, alebo to nie je možné realizovať, s tým čo mám ?
či je možné jednoducho a blbuvzdorne navrhnúť systém tak, aby som pridal
4 panely, baterky zapojil sériovo, nabil ich, a potom nejako cvak-cvak
ich prepnúť paralelne na 12 V a použivať s 12 V /3000 VA meničom, čo mám.
Je to možné, alebo to nie je možné realizovať, s tým čo mám ?
-
pezizka
- Příspěvky: 741
- Registrován: úte čer 24, 2014 8:23 pm
- Reputace: 68
- Lokalita: Kyjovsko
- Systémové napětí: 48V
- Výkon panelů [Wp]: 9170
- Kapacita baterie [kWh]: 33
- Chci prodávat energii: NE
- Chci/Mám dotaci: NE
Re: FVE ostrov 1020 Wp - Sobrance
Naprosto nechápu proč by jste to za stávajícího výkonu měl důvod takto řešit
Dle mne nula výhod, za to problémů dost 
-
vla
- Příspěvky: 1259
- Registrován: čtv bře 12, 2015 10:18 pm
- Reputace: 132
- Lokalita: Praha 6
- Kapacita baterie [kWh]: cca.10
- Chci prodávat energii: NE
- Chci/Mám dotaci: NE
- Bydliště: Praha 6
Re: FVE ostrov 1020 Wp - Sobrance
Sice jsem nepochopil jaké máte baterie, ale proč je nepospojit paralelně v 12V systému a tím by bylo vše vyřešeno, pokud tedy baterky snesou na 12V nabíjecí proud.
Nemám rád tenhle stát.
- Viktor X
- Příspěvky: 115
- Registrován: čtv črc 16, 2015 12:56 pm
- Reputace: 5
- Bydliště: Praha a okolí
Re: FVE ostrov 1020 Wp - Sobrance
Řekl bych kvůli výkonu regulátoru, dvojnásobné napětí při stejném proudu = dvojnásobný výkon. Pokud budou 100% vybylancované, tak by to cvak/cvak asi šlo.
Teď už jen omrknout nějaké přepínače na 250A, ve špičce asi víc...
Teď už jen omrknout nějaké přepínače na 250A, ve špičce asi víc...
-
FRSO
- Příspěvky: 2472
- Registrován: ned srp 14, 2011 10:13 pm
- Reputace: 163
- Lokalita: poblíž Hodonína
- Systémové napětí: >48V
- Výkon panelů [Wp]: 7200
- Kapacita baterie [kWh]: 9
Re: FVE ostrov 1020 Wp - Sobrance
Zdravím, taky nevím přesně jaké má ty aku, z tohoto to nějak nepoznám (LiFe 1 hAh+Pb 16 hAh@12 V)vla píše:Sice jsem nepochopil jaké máte baterie, ale proč je nepospojit paralelně v 12V systému a tím by bylo vše vyřešeno, pokud tedy baterky snesou na 12V nabíjecí proud.
5,4 kWp JJZ 4deg,1,8kWp JV 24deg, do 13.8.2022 bylo 3,6 kWp, MPII 5k, Victron MPPT 250/85-TR, aku 9,45 kWh Lion 15S, BMS 200A, Smart Shunt 500A.
k 27.3.2025 13250kWh
K 22.10.2025 16550kWh
k 27.3.2025 13250kWh
K 22.10.2025 16550kWh
-
Botas
- Příspěvky: 297
- Registrován: pon pro 03, 2012 8:53 pm
- Reputace: 12
Re: FVE ostrov 1020 Wp - Sobrance
Myslim ze tu byla rec o 100ah lifepo a o nejakejch trojanech jestli se nepletu.myslenka jasna dve pole panelu dva regly po 12v a dve oddelene sady baterii ale jen jeden menic a plynuli prepnuti pri vybyti jedne vetve.neco jako dc prepinac siti a aby to zvladlo proudy v zaberu pokud ma meanwell 3kw tak to bude skoro 300 amp pri plnym knedliku.mozna i tu na sopu jsem zahlid nejaky proudovy rele pro hlodani bat nebo neco takoveho asi by mela mit prednost jedna vetev a po vybiti se prepla na druhou jen otazka pak zpet jestli ruco nebo zas automatika na prvni preferovanou po dobiti
- gupa
- Příspěvky: 3699
- Registrován: sob pro 29, 2012 10:22 pm
- Reputace: 170
- Lokalita: pod Brnem
- Systémové napětí: 24V
Re: FVE ostrov 1020 Wp - Sobrance
Já to chápu tak, že jsou v zásobě nové panely a kvůli nim se přemýšlí o tom, že se bude nabíjet na 24V kvůli tomu, že nejsou peníze na další regulátory pro 12V. Já bych přidal ke stávajícím regulátorům další panely, jestli pojedou 2x40 A budou regulovat více k hornímu limitu, jestli nejsou citlivé, tak si výkon navíc prostě oříznou a v tom momentě je celá záležitost s novými čtyřmi panely na nějakou dobu než bude další nový regulátor, jednoduše vyřízena. A oto asi šlo. Na nějaké přepínání z 12 na 24 a zpět bych při možnostech které jsou zapomněl. Tedy jestli nepřijde další samaritán a něco nezainvestuje.
3x2000VA-VMP-par, NiCd 24V, 22x210-320Wp, 2x85A-VMPPT, ABC-&-XYZ mypower.cz Ať ti to běží jako hodinky na baterku s čerstvou expirací! Zdejší slova: To by bylo, abychom na tom šetření nevydělali!
- rottenkiwi
- Příspěvky: 5451
- Registrován: pát úno 13, 2015 2:24 pm
- Reputace: 287
- Lokalita: SO, SK
- Bydliště: SO, SK
Re: FVE ostrov 1020 Wp - Sobrance
Ano, je tak ako pise gupa, mám regulatory na 12 V - 2 x 40 A a mám tam prudy cca. na urovni 850 W
medzi regulatorom a baterkou, pri 12.2 až 14.8 V.
Nemám peniaze ani na nový EpSolar + 2 panely, ani na Victron 150/70 + 4 panely pri 12 V.
Mohol by som dostať od kolegu lacnejšie 4 panely, tak rozmyslam, že cez slnecný den
v lete to da, pri chladeni panelov aj tých 900 W, takže to sa k tým povodným pridať nedá.
len 12 V battery bank 200 Ah Life@12 a 1600 Ah Pb@12 prekablovať na 100 Ah Life@24
a Pb 800 Ah@24 V.
Tým by sa povodnými regulátormi dal spracovať výkon v lete aj v zime 1800 Wp.
Ale by sa musela poriešiť problematika prevodu 24 DC na 12 V DC - pre DC rozvody,
čo je notebook, router, arduino, relatka a 6 W * 12 LED @ 10 - 18 V.
Podobne by sa muselo poriešiť ako prepnúť systém po absorbcii z 24 V na 12 V,
lebo menič je 3000 VA Meanwell @ 12 V.
Na nový menič určite na 2. rok nebudú peniaze, takže preto takéto šaškovanie.
medzi regulatorom a baterkou, pri 12.2 až 14.8 V.
Nemám peniaze ani na nový EpSolar + 2 panely, ani na Victron 150/70 + 4 panely pri 12 V.
Mohol by som dostať od kolegu lacnejšie 4 panely, tak rozmyslam, že cez slnecný den
v lete to da, pri chladeni panelov aj tých 900 W, takže to sa k tým povodným pridať nedá.
len 12 V battery bank 200 Ah Life@12 a 1600 Ah Pb@12 prekablovať na 100 Ah Life@24
a Pb 800 Ah@24 V.
Tým by sa povodnými regulátormi dal spracovať výkon v lete aj v zime 1800 Wp.
Ale by sa musela poriešiť problematika prevodu 24 DC na 12 V DC - pre DC rozvody,
čo je notebook, router, arduino, relatka a 6 W * 12 LED @ 10 - 18 V.
Podobne by sa muselo poriešiť ako prepnúť systém po absorbcii z 24 V na 12 V,
lebo menič je 3000 VA Meanwell @ 12 V.
Na nový menič určite na 2. rok nebudú peniaze, takže preto takéto šaškovanie.
-
Botas
- Příspěvky: 297
- Registrován: pon pro 03, 2012 8:53 pm
- Reputace: 12
Re: FVE ostrov 1020 Wp - Sobrance
Hmm tak to jsem to spatne pochopil.jedina zasadni otazka je jestli to saskovani s prepinanim nebude drazsi nez nejaky bazarovy dalsi regl treba zase epsolar.pac to je kousek kabliku tam kousek tady nejaky jistic spinaci prvek ci relatko a pak zjisti ze vyviji nejake prepinani je to slozite a v konecnem dusledku mozna i drazsi jak nejakej levnej regl.ted je stejne zima a h usne nic nejede na max.mozna bych nove panely priradil pres zimu ke stavajicim reglum tim se ziska vic v zamracenych dnech a do jara se treba objevi bazarovej regl nebo bude kacka na novej epsolar ci treba i neco lepsiho.menawell je asi ts verze bez vestavnyho pwm reglu to je verze tn to by se dalo taky vyuzit.
- rottenkiwi
- Příspěvky: 5451
- Registrován: pát úno 13, 2015 2:24 pm
- Reputace: 287
- Lokalita: SO, SK
- Bydliště: SO, SK
Re: FVE ostrov 1020 Wp - Sobrance
Meanwell je TN, ma PWM, len to spina len ked dobre svieti slnko a mam tam 250 W rozbity
panel, co dava cca. 80 až 120.
Lenže to spina od 3 A viac, takže rano a večer nie, až keď pominie oblačnosť a hmla.
Je tam PWM 30 A do 25 Voc, ale 18 V panely 140 W stoja okolo 200 €.
http://www.neosolar.sk/solarny-panel-vi ... -140wp-12v
http://www.neosolar.sk/solarny-panel-kyocera-145wp-12v
A panely s 37 Voc tam nepojdu, a v zime možu mať aj cez 37.
To by ten PWM regulator asi nevydrzal.
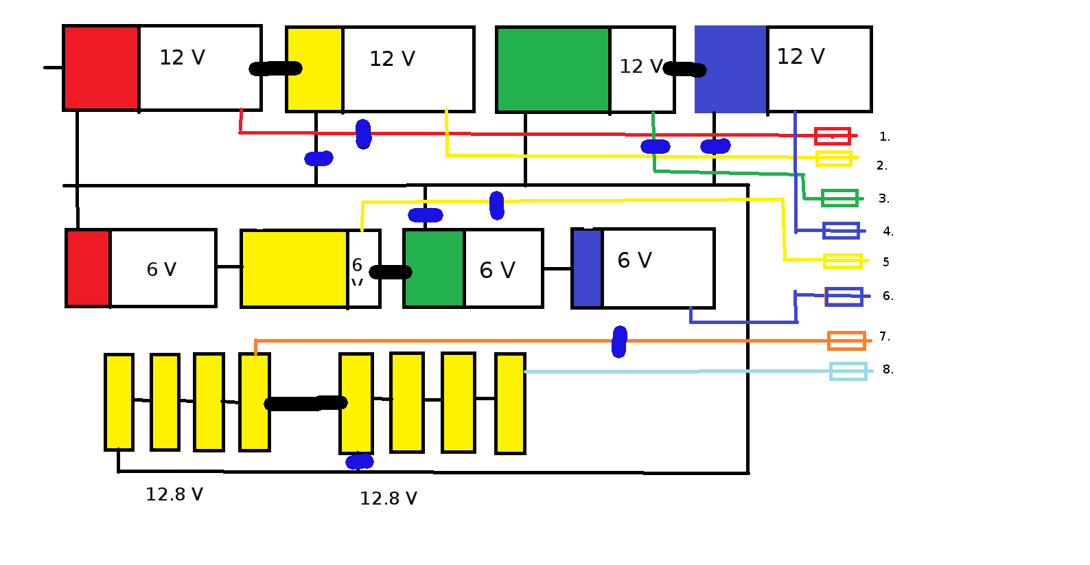
Dole pripajam obrazok, ako to mám zapojené:
1. až 6. sú poistné odpájače 63 A a sú tam Pb
7. a 8. sú LiFE cez 50 A ističe.
panel, co dava cca. 80 až 120.
Lenže to spina od 3 A viac, takže rano a večer nie, až keď pominie oblačnosť a hmla.
Je tam PWM 30 A do 25 Voc, ale 18 V panely 140 W stoja okolo 200 €.
http://www.neosolar.sk/solarny-panel-vi ... -140wp-12v
http://www.neosolar.sk/solarny-panel-kyocera-145wp-12v
A panely s 37 Voc tam nepojdu, a v zime možu mať aj cez 37.
To by ten PWM regulator asi nevydrzal.
Dole pripajam obrazok, ako to mám zapojené:
1. až 6. sú poistné odpájače 63 A a sú tam Pb
7. a 8. sú LiFE cez 50 A ističe.
- rottenkiwi
- Příspěvky: 5451
- Registrován: pát úno 13, 2015 2:24 pm
- Reputace: 287
- Lokalita: SO, SK
- Bydliště: SO, SK
Re: FVE ostrov 1020 Wp - Sobrance
Tak som nakreslil nové zapojenie, v pravo, kde končia ističe a odpájače, by boli pripojené regulátory
a menič by sa 8x63 A vypínačom odpojil.
Pribudli by teda na miesta označené čiernou ističe po 3 € kus.
Na 4 modré miesta / na - vetvy / by pribudli dalšie 4 ističe, všetko 50 A.
A ešte by sa vybrali z odpájačov 4, 63 A poistky, ergo 1. 3. 5. a 7. istič.
Dokopy 30 € na vypínače a 12 € na ističe.
Je to ok ? Či keď to urobím, tak sa zdymí a baterky, káble a menič bude na susedovom dome ?
a menič by sa 8x63 A vypínačom odpojil.
Pribudli by teda na miesta označené čiernou ističe po 3 € kus.
Na 4 modré miesta / na - vetvy / by pribudli dalšie 4 ističe, všetko 50 A.
A ešte by sa vybrali z odpájačov 4, 63 A poistky, ergo 1. 3. 5. a 7. istič.
Dokopy 30 € na vypínače a 12 € na ističe.
Je to ok ? Či keď to urobím, tak sa zdymí a baterky, káble a menič bude na susedovom dome ?
-
kodl69
- Příspěvky: 8280
- Registrován: sob črc 19, 2014 8:56 pm
- Reputace: 1044
- Lokalita: severně od Brna
- Systémové napětí: 48V
- Výkon panelů [Wp]: 8kWp
- Kapacita baterie [kWh]: 12kWh
- Chci prodávat energii: NE
- Chci/Mám dotaci: NE
Re: FVE ostrov 1020 Wp - Sobrance
Jestli by se mi chtělo.... Kdo bude vypínat ty jističe a zapínat jiný? Lidskej faktor je první krok k průšvihu...
24V je zbytečný mezistupeň.
Můj tip je: 1.) velký Pb baterky zapojit na 48V. Panely přepojit na Ump 60-80V, zapojit jenom přes diody a vypínat relé s hlídáním max. napětí na AKU. 2.) zde na bazaru koupit 3kW měnič, 12V měnič prodat. Na 48V bude chodit NB s adaptérem na 230V, stejně jako ostatní bižuterie. Až někdy: 3.) Dokoupit 8ks LiFe. 4.) Dokoupit nějakej regulátor aspoň na 3kW. 5.) další panely 6.) další baterky 7.) silnější měnič....
24V je zbytečný mezistupeň.
Můj tip je: 1.) velký Pb baterky zapojit na 48V. Panely přepojit na Ump 60-80V, zapojit jenom přes diody a vypínat relé s hlídáním max. napětí na AKU. 2.) zde na bazaru koupit 3kW měnič, 12V měnič prodat. Na 48V bude chodit NB s adaptérem na 230V, stejně jako ostatní bižuterie. Až někdy: 3.) Dokoupit 8ks LiFe. 4.) Dokoupit nějakej regulátor aspoň na 3kW. 5.) další panely 6.) další baterky 7.) silnější měnič....
ostrov skoro 8kWp neustále ve stádiu zrodu: smartshunt(ex WBJR), MPPT150/45, MPPT 250/100(ex midnitesolar 150 clasic lite), 16S a různě P cca 340Ah Winston, MP II 5000,( ex Powerjack 8kW, ex samodomo cca 4kW). 48V DC rozvody a spotřebiče.
- rottenkiwi
- Příspěvky: 5451
- Registrován: pát úno 13, 2015 2:24 pm
- Reputace: 287
- Lokalita: SO, SK
- Bydliště: SO, SK
Re: FVE ostrov 1020 Wp - Sobrance
Dakujem za rady. Ja to asi skusim, lebo ukontrolovať 8 zelených
a 4 červené snáď zvládnem aj pod 10-timi antidepresívami.
Ono "nekdy" už nebude, lebo mám zdroje len na 1 rok, bud ma po 23 r. na dochodku
niekto zamestná alebo smrť. Ale možem robiť len doma, ergo mám dosť silnú motiváciu
vyriešiť to, lebo ináč "nebudem"
Moj stroj sa jednoducho bez jedla sám vypne.
a 4 červené snáď zvládnem aj pod 10-timi antidepresívami.
Ono "nekdy" už nebude, lebo mám zdroje len na 1 rok, bud ma po 23 r. na dochodku
niekto zamestná alebo smrť. Ale možem robiť len doma, ergo mám dosť silnú motiváciu
vyriešiť to, lebo ináč "nebudem"
- rottenkiwi
- Příspěvky: 5451
- Registrován: pát úno 13, 2015 2:24 pm
- Reputace: 287
- Lokalita: SO, SK
- Bydliště: SO, SK
Re: FVE ostrov 1020 Wp - Sobrance
Dá sa takéto servo použiť na vypnutie a zapnutie vypínača 3x63 A alebo ističa 3x50 A ?
Ako to pripojiť na arduino a aký zdroj napatia ?
Ako to pripojiť na arduino a aký zdroj napatia ?
Kdo je online
Uživatelé procházející toto fórum: Claudebot [Bot], JiříK, kuba47, leoshavla, OAI-SearchBot
