FVE - dodává do sítě, i když nechci
Souhrn tématu
V diskusi se řeší problém s fotovoltaickou elektrárnou (FVE), která nefunguje podle očekávání a dodává přebytečnou energii do sítě i v situacích, kdy by neměla. Majitel má systém s 50 panely, dvěma měniči GoodWe a SolarEdge, a akumulátory, ale nastavení priorit spotřeby, ukládání a dodávky do sítě není ideální. Uživatelé diskutují o správném propojení měničů a řídicího kontroléru, aby se maximalizovalo využití energie v domě a minimalizovaly nežádoucí přetoky do veřejné sítě.
- petrfilipi
- Příspěvky: 4
- Registrován: ned bře 01, 2026 2:31 pm
- Reputace:0
- Lokalita: Chrudimsko
FVE - dodává do sítě, i když nechci
Nazdar všem.
V naší malé obci je větší penzion a majitel, kamarád, si pořídil FVE. Má 50 panelů, akumulátor a myslím, že vzhledem k tomu, že má přes prázdniny plno a kuchyně jede každý den, že to má smysl.
Jenže elektrárna nefunguje úplně dle jeho představ.
Osazení je takovéto (detaily případně zjistím):
50 panelů (30x Aiko A450-MAH54Mw + 20xNeostar 440 Wp)
2 měniče GOODWE GW10KN-ET
1 Smart controller GOODWE SEC1000S
kapacitu akumulátorů nevím, v SW jsem je nenašel
K elektrárně má SW SolarEdge a SEMS+ Classic. Jenže v každém SW vidí jen část hodnot a když jsou náhodou dva údaje se stejným významem, tak jejich hodnoty jsou někdy diametrálně odlišné. Třeba v SEMS+ vůbec nevidí výkon solárních panelů.
A hlavní problém je v nastavení celého FVE. kamarád by chtěl, aby byly priority tyto:
Z panelů napájet dům.
Když je výkon panelů větší než příkon domu, energii ukládat do akumulátorů.
Když je výkon panelů menší než příkon domu, energii brát z akumulátorů.
Když je výkon panelů větší než příkon domu a aku jsou dobité, přebytky dodávat do veřejné sítě.
Jinými slovy - co nejvíce energie zpracovat v domě, případně uložit do akumulátorů, zbytek prodat.
Jenže současné nastavení není přesně takovéto. Kamarád je teď v lázních, tak mu aspoň hodím odečítat elektroměr (SAGEMCOM XT211 AMM), abychom měli nějaká data. A např. v době mezi večerním odečtem (27.2.2026 18:40) a brzkým ranním odečtem (28.2.2026 5:27) stejně odtekly, podle elektroměru, z akumulátorů do sítě 2kWh.
Nemáte někdo zkušenosti s těmito solárními prvky, případně s výše uvedenými SW?
Díky za vaše reakce.
Petr Filipi
V naší malé obci je větší penzion a majitel, kamarád, si pořídil FVE. Má 50 panelů, akumulátor a myslím, že vzhledem k tomu, že má přes prázdniny plno a kuchyně jede každý den, že to má smysl.
Jenže elektrárna nefunguje úplně dle jeho představ.
Osazení je takovéto (detaily případně zjistím):
50 panelů (30x Aiko A450-MAH54Mw + 20xNeostar 440 Wp)
2 měniče GOODWE GW10KN-ET
1 Smart controller GOODWE SEC1000S
kapacitu akumulátorů nevím, v SW jsem je nenašel
K elektrárně má SW SolarEdge a SEMS+ Classic. Jenže v každém SW vidí jen část hodnot a když jsou náhodou dva údaje se stejným významem, tak jejich hodnoty jsou někdy diametrálně odlišné. Třeba v SEMS+ vůbec nevidí výkon solárních panelů.
A hlavní problém je v nastavení celého FVE. kamarád by chtěl, aby byly priority tyto:
Z panelů napájet dům.
Když je výkon panelů větší než příkon domu, energii ukládat do akumulátorů.
Když je výkon panelů menší než příkon domu, energii brát z akumulátorů.
Když je výkon panelů větší než příkon domu a aku jsou dobité, přebytky dodávat do veřejné sítě.
Jinými slovy - co nejvíce energie zpracovat v domě, případně uložit do akumulátorů, zbytek prodat.
Jenže současné nastavení není přesně takovéto. Kamarád je teď v lázních, tak mu aspoň hodím odečítat elektroměr (SAGEMCOM XT211 AMM), abychom měli nějaká data. A např. v době mezi večerním odečtem (27.2.2026 18:40) a brzkým ranním odečtem (28.2.2026 5:27) stejně odtekly, podle elektroměru, z akumulátorů do sítě 2kWh.
Nemáte někdo zkušenosti s těmito solárními prvky, případně s výše uvedenými SW?
Díky za vaše reakce.
Petr Filipi
- jbb
- Příspěvky: 14
- Registrován: sob lis 19, 2022 7:21 pm
- Reputace:1
Re: FVE - dodává do sítě, i když nechci
Nerozumím tomu, že má software Solaredge? To je přeci proprietární SW pro měniče Solaredge - typicky AC, symetrické, v AC couplingu. Co by to dělalo tady, kde jsou měniče Goodwe? Ty právě používají ten Sems. Tedy, není topografie složitější? Že by tam byl ten AC couplingu a právě SE invertory?
Jinak, já také při konfiguraci SE+victron vidím některé věci jen ve vrm a některé v SE, důležité je vědět na co koukám....
A hlavně, ehm, copak říká dodavatel tohodle zázrakům kamaráda, proč to musíte řešit samo-domo?
Jinak, já také při konfiguraci SE+victron vidím některé věci jen ve vrm a některé v SE, důležité je vědět na co koukám....
A hlavně, ehm, copak říká dodavatel tohodle zázrakům kamaráda, proč to musíte řešit samo-domo?
- betmen
- Příspěvky: 954
- Registrován: stř led 11, 2023 2:54 pm
- Reputace:167
- Lokalita: nedaleko od Trencina
- Systémové napětí: >48V
- Výkon panelů [Wp]: 2080 + 7320
- Kapacita baterie [kWh]: 9,6
- Chci/Mám dotaci: NE
Re: FVE - dodává do sítě, i když nechci
ehm... a preco toto neriesi s dodavatelom systemu?
podla popisu to nevyzerá na domaci projekt, ale na spackany profi projekt, za ktorý niekto zhrabol zlate zuby.
podla popisu to nevyzerá na domaci projekt, ale na spackany profi projekt, za ktorý niekto zhrabol zlate zuby.
stacionárny dom :
2kWp - Siton210, 2x 100L Drazice
7,3kWp (JV - 3,7kWp, J - 1,2kWp, SZ - 2,4kWp) - Must PV1800 VHM 5548, Calb 16 x 180Ah
pojazdný dom:
120Wp + 12V, 200Ah LiFePo
prenosná elektráreň:
homemade skladaci 2x60Wp + 12V, 60Ah LiFePo + 75Ah olovo
2kWp - Siton210, 2x 100L Drazice
7,3kWp (JV - 3,7kWp, J - 1,2kWp, SZ - 2,4kWp) - Must PV1800 VHM 5548, Calb 16 x 180Ah
pojazdný dom:
120Wp + 12V, 200Ah LiFePo
prenosná elektráreň:
homemade skladaci 2x60Wp + 12V, 60Ah LiFePo + 75Ah olovo
- petrfilipi
- Příspěvky: 4
- Registrován: ned bře 01, 2026 2:31 pm
- Reputace:0
- Lokalita: Chrudimsko
Re: FVE - dodává do sítě, i když nechci
Chlapi, díky za reakce.
On to s dodavatelem řeší - ale znáte to - je dobré vědět co a jak, aby vás někdo neopil rohlíkem.
Zkusím zjistit celou topologii.
On to s dodavatelem řeší - ale znáte to - je dobré vědět co a jak, aby vás někdo neopil rohlíkem.
Zkusím zjistit celou topologii.
- Kostěj
- Příspěvky: 892
- Registrován: úte úno 25, 2014 9:33 pm
- Reputace:116
- Lokalita: Dobrovicko
- Systémové napětí: ~60 V
- Výkon panelů [Wp]: 9200
- Kapacita baterie [kWh]: 34
- Chci prodávat energii: NE
- Chci/Mám dotaci: NE
Re: FVE - dodává do sítě, i když nechci
Zkusil bych pogooglit v této problematice, je toho na netu hodně. Obecně všechny měniče nafázované na síť mají problém udržet čistou nulu, jejich regulační smyčka nebývá příliš rychlá, takže při zapnutí velkého spotřebiče je několik sekund odběr ze sítě, než to začne dávat měnič. Stejně tak při vypnutí velkého spotřebiče (typicky rychlovarka) to chvilku trvá, než střídač sníží svou výrobu a po tu dobu něco přeteče. K tomu se přidává nedokonalost v asymetrii a také neschopnost dosáhnout čistou nulu - regulační smyčka se obvykle rozhoduje, zda raději nedopustí dodávku a smíří se s malým odběrem "navíc" ze sítě, nebo naopak se snaží o minimální odběr ze sítě, ale pak se musí smířit s malou dodávkou.
7.8kWp (12x650Wp jih 35°: 2p3s EpeverTracer6420AN, 3p2s AxpertKing), AxpertKing 5kW/150V. LiFePo 34kWh: 18x280Ah (2022)+18x315Ah (2026). 2xJBDBMS-UART->ESP32->grafana+vytěžování 60V/4.8kW do NADO750. 5x280Wp (2013)-> přímotop.
- Nautilus
- Příspěvky: 206
- Registrován: úte zář 17, 2019 1:37 pm
- Reputace:54
- Lokalita: JV od Brna
Re: FVE - dodává do sítě, i když nechci
Trochu jsem pogůglil a několik chybiček se může vloudit. Nejčastější problém je, že spolupráce dvou měničů není správně nastavena. Nechtěnou dodávku do sítě z baterií může způsobovat:
-Spolupráce dvou měničů vyžaduje poněkud složitější nastavení, takže s velkou pravděpodobností bude chyba v nastavení. To se dá konkrétně na webu najít.
-Dalším možným problémem může být nesprávné zapojení měřících transformátorů. I to se dá amatérsky zkontrolovat.
-Verze FW je rovněž důležitá. To bych nechal raději na firmě.
To vše by ale měla firma umět zkontrolovat a nastavit.
S pár kWh bych si nedělal hlavu a nechal bych firmu ať se snaží.
-Spolupráce dvou měničů vyžaduje poněkud složitější nastavení, takže s velkou pravděpodobností bude chyba v nastavení. To se dá konkrétně na webu najít.
-Dalším možným problémem může být nesprávné zapojení měřících transformátorů. I to se dá amatérsky zkontrolovat.
-Verze FW je rovněž důležitá. To bych nechal raději na firmě.
To vše by ale měla firma umět zkontrolovat a nastavit.
S pár kWh bych si nedělal hlavu a nechal bych firmu ať se snaží.
- petrfilipi
- Příspěvky: 4
- Registrován: ned bře 01, 2026 2:31 pm
- Reputace:0
- Lokalita: Chrudimsko
Re: FVE - dodává do sítě, i když nechci
Chlapi, díky za posty.
Ten SW SolarEdge - nemůže tam být proto, že je tam i nabíječka na elektromobily? Ale typ nabíječky ještě nevím.
Neměl bych v SW SEMS vidět víc dat, než vidím teď? Tím myslím třeba výkon panelů. Teď (v 19:34, viz obrázek) je samozřejmě nulový - ale on je nulový i přes den.
Co se týče měničů, je jejich nastavené (v tuto chvíli) takovéto:
Měnič 1: Varování (BMS): Normal, Limit nabíjecího proudu: 9 A, limit vybíjecího proudu 22 A, SOC: 71%, SOH: 100%, verze BMS: 8, energie nabíjení: 157,5kWh, energie vybíjení 73,9kWh, verze FW: 1127
Měnič 2: Varování (BMS): Normal, Limit nabíjecího proudu: 5 A, limit vybíjecího proudu 22 A, SOC: 93%, SOH: 100%, verze BMS: 8, energie nabíjení: 170,8kWh, energie vybíjení 81,6kWh, verze FW: 1127
Ale nejsem si jist, které hodnoty jsou požadované (tzn. "natvrdo nastavené") a které jsou aktuální, naměřené v tuto chvíli. Protože třeba SOC se u obou měničů mění.
Jako s pár kW si asi kamarád hlavu dělat nebude - jde spíše o to, jestli uvedené problémy jsou chybou nebo vlastností. Jestli má kamarád montážní firmu uhánět, aby to opravila - ale zase aby ji nebuzeroval s 1Wh rozdílu v datech. Ale jeho požadavek ohledně priorit zněl jasně - dům, akumulátory, dodávka. V noci bez dodávky do sítě.
Mohu poprosit Nautila - co mám Googlit ohledně spolupráce měničů, kontroly měřících traf apod?
Ten SW SolarEdge - nemůže tam být proto, že je tam i nabíječka na elektromobily? Ale typ nabíječky ještě nevím.
Neměl bych v SW SEMS vidět víc dat, než vidím teď? Tím myslím třeba výkon panelů. Teď (v 19:34, viz obrázek) je samozřejmě nulový - ale on je nulový i přes den.
Co se týče měničů, je jejich nastavené (v tuto chvíli) takovéto:
Měnič 1: Varování (BMS): Normal, Limit nabíjecího proudu: 9 A, limit vybíjecího proudu 22 A, SOC: 71%, SOH: 100%, verze BMS: 8, energie nabíjení: 157,5kWh, energie vybíjení 73,9kWh, verze FW: 1127
Měnič 2: Varování (BMS): Normal, Limit nabíjecího proudu: 5 A, limit vybíjecího proudu 22 A, SOC: 93%, SOH: 100%, verze BMS: 8, energie nabíjení: 170,8kWh, energie vybíjení 81,6kWh, verze FW: 1127
Ale nejsem si jist, které hodnoty jsou požadované (tzn. "natvrdo nastavené") a které jsou aktuální, naměřené v tuto chvíli. Protože třeba SOC se u obou měničů mění.
Jako s pár kW si asi kamarád hlavu dělat nebude - jde spíše o to, jestli uvedené problémy jsou chybou nebo vlastností. Jestli má kamarád montážní firmu uhánět, aby to opravila - ale zase aby ji nebuzeroval s 1Wh rozdílu v datech. Ale jeho požadavek ohledně priorit zněl jasně - dům, akumulátory, dodávka. V noci bez dodávky do sítě.
Mohu poprosit Nautila - co mám Googlit ohledně spolupráce měničů, kontroly měřících traf apod?
Naposledy upravil(a) petrfilipi dne pon bře 02, 2026 8:12 pm, celkem upraveno 6 x.
- jbb
- Příspěvky: 14
- Registrován: sob lis 19, 2022 7:21 pm
- Reputace:1
Re: FVE - dodává do sítě, i když nechci
SEMS je Čína... Jestli si myslíš že uvidíš třeba měření po fázích, tak to fakt ne. Přes portál ČEZ by stálo za to zkontrolovat čtvrthodinové toky... Jsou ty měniče vůbec nastaveny na asymetrii? Nedodává to součtová čísla, třeba?
- petrfilipi
- Příspěvky: 4
- Registrován: ned bře 01, 2026 2:31 pm
- Reputace:0
- Lokalita: Chrudimsko
Re: FVE - dodává do sítě, i když nechci
No Čína je, si myslím, ten nejmenší problém. Co dneska není Čína?
Kde zkontroluji 1/4h toky?
Kde zkontroluji 1/4h toky?
Naposledy upravil(a) petrfilipi dne úte bře 03, 2026 7:17 pm, celkem upraveno 1 x.
- jbb
- Příspěvky: 14
- Registrován: sob lis 19, 2022 7:21 pm
- Reputace:1
Re: FVE - dodává do sítě, i když nechci
Myslíš špatně. Konfigurovatelnost, ale i sledovanost tědlech čínských šitů je dost ubohá. Jsou to takové černé skříně a vlastně se ani příliš nelze spolehnout na to, že ty obslužné programy ukazují pravdu. A takový velký benefit je že to Číňan dokáže na dálku vypnout 
Záleží u kterého jsi distributora - já mám v rámci čezd zprovozněný portál a tam je možné dohledat veškeré toky po čtvrt hodinách - nicméně je to dost peklo se v tom vyznat. Ale mělo by tam být minimálně vidět zda třeba ve stejné době neteklo plus mínus stejně tam a zpátky - to by ukazovalo právě na fakt, že střídače sice zachovávají nulu ale ve smyslu součtu fází (ono totiž ve všech civilizovaných zemích kromě ČEZka je to jedno protože se měří součtově, jenom v téhle parodii na stát se měří po fázích, problém je že výrobci nemají úplně důvod tohle dobře zohlednit kvůli jedné divné zemi). Nicméně aby jsi viděl opravdu průběh jednotlivých fází, V tom ti poradit nedokážu (fakt nevím jestli to ten tvůj systém umí). Jinak pro zajímavost - mám řekněme hodně podobnou velikost (26kwp, 31kwh baterie) - ovšem konfigurace je jiná. A v těchto dnech dobírám ze sítě kolem 0,3 kWh/24h při spotřebě kolem 30kWh/24h. Ale čínské mám jenom panely a baterie
Záleží u kterého jsi distributora - já mám v rámci čezd zprovozněný portál a tam je možné dohledat veškeré toky po čtvrt hodinách - nicméně je to dost peklo se v tom vyznat. Ale mělo by tam být minimálně vidět zda třeba ve stejné době neteklo plus mínus stejně tam a zpátky - to by ukazovalo právě na fakt, že střídače sice zachovávají nulu ale ve smyslu součtu fází (ono totiž ve všech civilizovaných zemích kromě ČEZka je to jedno protože se měří součtově, jenom v téhle parodii na stát se měří po fázích, problém je že výrobci nemají úplně důvod tohle dobře zohlednit kvůli jedné divné zemi). Nicméně aby jsi viděl opravdu průběh jednotlivých fází, V tom ti poradit nedokážu (fakt nevím jestli to ten tvůj systém umí). Jinak pro zajímavost - mám řekněme hodně podobnou velikost (26kwp, 31kwh baterie) - ovšem konfigurace je jiná. A v těchto dnech dobírám ze sítě kolem 0,3 kWh/24h při spotřebě kolem 30kWh/24h. Ale čínské mám jenom panely a baterie
- pave69
- Příspěvky: 203
- Registrován: ned čer 26, 2022 9:27 pm
- Reputace:27
- Lokalita: Brno
- Výkon panelů [Wp]: 9,9
- Kapacita baterie [kWh]: 18
Re: FVE - dodává do sítě, i když nechci
Chce to nainstalovat si do mobilu SolarGo a přihlásit se k měničům lokálně. Pak se dá zkontrolovat komplet konfigurace. Heslo do konfigurační části je k nalezení v PDF návodu k této aplikaci, lze najít na netu. Zejména je potřeba zkontrolovat, zda je zapnutá asymetričnost, pro jistotu nic neměnit
. Pravděpodobně jde ale jen o "vlastnost", kterou popisuje Kostěj - že při zapnutí a vypnutí jakéhokoli spotřebiče dochází ke krátkodobým přetokům na ostatních fázích. Mám taky Goodwe a ty 2 kWh za noc u odběratele cca 2x většího než běžný RD odpovídají tomu, co jsem míval já. Dá se s tím dělat to, že se dá "odpínat" od sítě, ale nedoporučil bych to nikomu, kdo to nemá jako koníček a chce jen prostou funkci na pozadí. Aktualizace na poslední verzi FW by mohla přetoky snížit cca o 1/3 až 1/2. Ale mohou se vyskytnout jiné problémy, FW mívají své bugy, pokud není jiný důvod, tak je trochu otázka, jestli to vyžadovat.
- pave69
- Příspěvky: 203
- Registrován: ned čer 26, 2022 9:27 pm
- Reputace:27
- Lokalita: Brno
- Výkon panelů [Wp]: 9,9
- Kapacita baterie [kWh]: 18
Re: FVE - dodává do sítě, i když nechci
Ještě je teda otázka, proč chodit odečítat elektroměr, když to musí mít přístupné přes web distributora rozepsané po 15 min i s grafy - tam by taky bylo trochu vidět, kdy k těm přetokům dochází, jestli je to průběžné, nebo nějak časově omezené.
- Nautilus
- Příspěvky: 206
- Registrován: úte zář 17, 2019 1:37 pm
- Reputace:54
- Lokalita: JV od Brna
Re: FVE - dodává do sítě, i když nechci
Uf Myslím že jsem tam napsal nejprve dotaz na možný problém a popsal jsem konfiguraci zapojení, Potom několik upřesňujících dotazů. Odpovídalo mi to dost konkrétně co se týče nastavení měničů a odůvodnění možné dodávky do sítě z baterie. Nechtěl jsem to sem kopírovat slovo od slova a tak jsem to zobecnil.petrfilipi píše: pon bře 02, 2026 7:57 pmMohu poprosit Nautila - co mám Googlit ohledně spolupráce měničů, kontroly měřících traf apod?
Omlouvám se za pozdní reakci, ale bylo moc pěkný počasí a já byl několik dní v přírodě mimo domov.
Edit: po pár minutách...
Zkusil jsem cvičně zadat:
dva měniče GOODWE GW10KN-ET a Smart controller GOODWE SEC1000S problém je že občas dodávají do sítě i z baterie
a AI googlu se celkem rozpovídala...
- petrfilipi
- Příspěvky: 4
- Registrován: ned bře 01, 2026 2:31 pm
- Reputace:0
- Lokalita: Chrudimsko
Re: FVE - dodává do sítě, i když nechci
Díky moc, chlapi.
Stále s tím bojujeme a nevzdáváme se.
kamarád si udělá přístup do ČEZ D a uvidíme, jaká data budou tam. Dnes ráno, při pravidelném opisu elektroměru, jsem natočil podivné chování celé soustavy. Video sem nedám, ale přikládám aspoň slovní popis. Připadá mi to nesmyslné - ale čenu jinému věřit, než ověřenému elektroměru, že?
Stále s tím bojujeme a nevzdáváme se.
kamarád si udělá přístup do ČEZ D a uvidíme, jaká data budou tam. Dnes ráno, při pravidelném opisu elektroměru, jsem natočil podivné chování celé soustavy. Video sem nedám, ale přikládám aspoň slovní popis. Připadá mi to nesmyslné - ale čenu jinému věřit, než ověřenému elektroměru, že?
- pave69
- Příspěvky: 203
- Registrován: ned čer 26, 2022 9:27 pm
- Reputace:27
- Lokalita: Brno
- Výkon panelů [Wp]: 9,9
- Kapacita baterie [kWh]: 18
Re: FVE - dodává do sítě, i když nechci
Chce to zkontrolovat nastavení asymetričnosti přes SolarGo, je to hned na první stránce střídače, anglicky Three-phase Unbalanced Output ON. Česky nevím, někdy jsou ty překlady divné
.
- petrfilipi
- Příspěvky: 4
- Registrován: ned bře 01, 2026 2:31 pm
- Reputace:0
- Lokalita: Chrudimsko
Re: FVE - dodává do sítě, i když nechci
Tak máme měsíc v čudu a výsledek je takový nijaký, po poslední návštěvě servisního technika je možná trochu horší než byl před návštěvou.
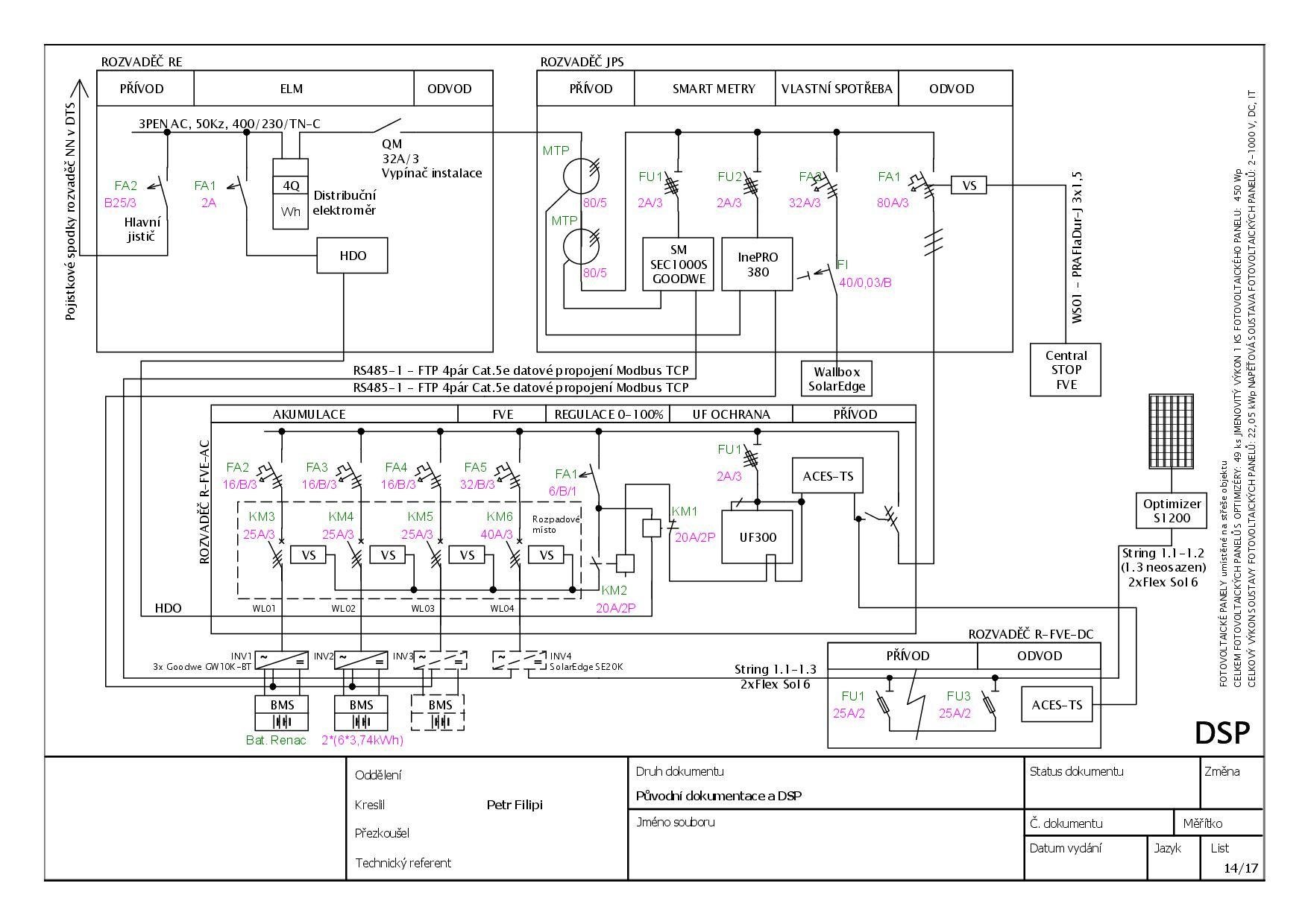
Nakreslil jsem DSP celého zapojení (zatím jsem tedy obkreslil nepoužitelnou barevnou dokumentaci dodavatele a zahrnul do ní změny, o kterých vím (třeba nebyl dodán třetí string, měnič, ...)) - viz příloha. Trochu zvláštní je dvojí snímání proudu na vstupu, kdy jdou naměřené údaje jak do výroby (střídač SolarEdge), tak i do spotřeby (měniče GoodWe).
V současnosti, i když je krásné počasí (panely jsou studené, ale už dost svítí slunce) se po celém dni nedobijí akumulátory. Podle technika je to tím, že střídač SolarEdge SE20K, který je první za panely, neumí asymetrický provoz a dodává energii podle nejméně zatížené fáze. Takže když by jedna fáze náhodou neměla žádné zapnuté spotřebiče, tak střídač nepojede vůbec. Není to "totální békovina"? A když by majitel odjel na den pryč, nevařil, netopil, tak se aku ani nedobijí? Že je to prý podmínka dotace (a další podmínka je prý to, že do aku může jít max. 30% vyrobené energie). Kamarád si prý má dům nafázovat tak, aby mu všechny tři fáze odebíraly stejný proud. To by fungovalo tak možná v laboratoři - on má velkou kuchyni, spoustu výkonných jednofázových spotřebičů (i v pokojích pro hosty) které nemá pod kontrolou. Tam si prostě fáze žijí vlastním životem (ověřeno měřením).
Takže když sledujeme výrobu (SW SolarEdge) a zapneme velkou 3f pánev (cca 10kW symatricky), výkon střídače se opravdu zvýší, aby pokryl její energetické potřeby. Není tedy problém v tom, že by střecha neuměla pokrýt potřeby domu a akumulátorů. Jen je to celé nastavené tak nějak divně. A výroba (SolarEdge SE20K) se datově nevidí se spotřebou (GoodWe GW10K-BT).
Podle AI bychom měli přepnout střídač SolarEdge do režimu prostého střídače bez regulace. Prostě aby vyráběl, co se po něm chce a vše (dodávku do domu, nabíjení aku a přetoky do DS) aby řídil SmartMeter SEC1000S. Ale je otázkou, zdali bychom pak neporušili podmínky dotace.
Co myslíte - pomohlo by vypnutí regulace SolarEdge?
A nemáte taky někdo takovouto větší FVE na dotace?
Díky za odpovědi.
Petr Filipi
Nakreslil jsem DSP celého zapojení (zatím jsem tedy obkreslil nepoužitelnou barevnou dokumentaci dodavatele a zahrnul do ní změny, o kterých vím (třeba nebyl dodán třetí string, měnič, ...)) - viz příloha. Trochu zvláštní je dvojí snímání proudu na vstupu, kdy jdou naměřené údaje jak do výroby (střídač SolarEdge), tak i do spotřeby (měniče GoodWe).
V současnosti, i když je krásné počasí (panely jsou studené, ale už dost svítí slunce) se po celém dni nedobijí akumulátory. Podle technika je to tím, že střídač SolarEdge SE20K, který je první za panely, neumí asymetrický provoz a dodává energii podle nejméně zatížené fáze. Takže když by jedna fáze náhodou neměla žádné zapnuté spotřebiče, tak střídač nepojede vůbec. Není to "totální békovina"? A když by majitel odjel na den pryč, nevařil, netopil, tak se aku ani nedobijí? Že je to prý podmínka dotace (a další podmínka je prý to, že do aku může jít max. 30% vyrobené energie). Kamarád si prý má dům nafázovat tak, aby mu všechny tři fáze odebíraly stejný proud. To by fungovalo tak možná v laboratoři - on má velkou kuchyni, spoustu výkonných jednofázových spotřebičů (i v pokojích pro hosty) které nemá pod kontrolou. Tam si prostě fáze žijí vlastním životem (ověřeno měřením).
Takže když sledujeme výrobu (SW SolarEdge) a zapneme velkou 3f pánev (cca 10kW symatricky), výkon střídače se opravdu zvýší, aby pokryl její energetické potřeby. Není tedy problém v tom, že by střecha neuměla pokrýt potřeby domu a akumulátorů. Jen je to celé nastavené tak nějak divně. A výroba (SolarEdge SE20K) se datově nevidí se spotřebou (GoodWe GW10K-BT).
Podle AI bychom měli přepnout střídač SolarEdge do režimu prostého střídače bez regulace. Prostě aby vyráběl, co se po něm chce a vše (dodávku do domu, nabíjení aku a přetoky do DS) aby řídil SmartMeter SEC1000S. Ale je otázkou, zdali bychom pak neporušili podmínky dotace.
Co myslíte - pomohlo by vypnutí regulace SolarEdge?
A nemáte taky někdo takovouto větší FVE na dotace?
Díky za odpovědi.
Petr Filipi
- unicast
- Příspěvky: 2413
- Registrován: sob bře 30, 2019 10:27 am
- Reputace:453
- Lokalita: JV od pekla :)
- Systémové napětí: 48V
- Výkon panelů [Wp]: 5100
- Kapacita baterie [kWh]: 49
- Chci/Mám dotaci: NE
Re: FVE - dodává do sítě, i když nechci
(a ty, AI moderátore, si trhni ploutví s počtem znaků v příspěvku)
- jbb
- Příspěvky: 14
- Registrován: sob lis 19, 2022 7:21 pm
- Reputace:1
Re: FVE - dodává do sítě, i když nechci
Takže máš SE na výrobu a goodwe na ukládání bat/vykrytí nedostatku. Klasika - SE je v AC couplingu a o přefázování se mají postarat ta GW, logicky!
Zapnutá regulace SE je samozřejmě pitomost - vypni jí a ať SE valí co umí! To nijak dotacím neodporuje, jen pozor na ev přetok u plných baterií, ale to je otázka ČEZd, ne dotací...
Jinak dodavatel asi nebude nejostřejší tužka v penále, způsob řešení N0% se mi zdá podivný (fakt to odpráskne výrobu v SE i ty GW???). Technik to samé, pokud radil to co říkáš.
A fakt má každý GW vlastní baterky?
Když by býval tvůj kámoš zvolil místo GW tři Victrony, mohl to být standardní a fajn systém... Se společnou baterkou, ideálně v rozumné kapacitě.
Zapnutá regulace SE je samozřejmě pitomost - vypni jí a ať SE valí co umí! To nijak dotacím neodporuje, jen pozor na ev přetok u plných baterií, ale to je otázka ČEZd, ne dotací...
Jinak dodavatel asi nebude nejostřejší tužka v penále, způsob řešení N0% se mi zdá podivný (fakt to odpráskne výrobu v SE i ty GW???). Technik to samé, pokud radil to co říkáš.
A fakt má každý GW vlastní baterky?
Když by býval tvůj kámoš zvolil místo GW tři Victrony, mohl to být standardní a fajn systém... Se společnou baterkou, ideálně v rozumné kapacitě.
Naposledy upravil(a) jbb dne ned dub 05, 2026 3:42 pm, celkem upraveno 1 x.
- jbb
- Příspěvky: 14
- Registrován: sob lis 19, 2022 7:21 pm
- Reputace:1
Re: FVE - dodává do sítě, i když nechci
Add: Moje 3 Victrony samozřejmě výrobu dvou SE (mám 2x SE9K, což je asi i lepší než jeden velký) vidí. Ale i když náhodou nevidí (vypadne li komunikace), tak se nic neděje - Victrony prostě uloží přebytek, případně na jedné fázi ukládají a na druhé vyrábějí. Takže můj claim trvá - za březen denní dober ze sítě cca 0,3kWh/den, Jinak vse vlastní. A moje SE vůbec nemají měřič, ovládají se jen v případě ostrova frekvencnim posunem
- Mex
- Příspěvky: 1992
- Registrován: pát zář 29, 2023 4:12 am
- Reputace:370
- Lokalita: Brno
- Systémové napětí: >48V
Re: FVE - dodává do sítě, i když nechci
Zaujalo mě to tím, jak je to složité. 
Jestli to správně chápu, tak SolarEdge zjišťuje výrobu a je to asi symetrický měnič.
Aspoň na internetu se v popisu tohoto měniče nikde o asymetrii nemluví.
Ten měnič jednak napájí spotřebu domu, ale kromě toho je zatížený vstupy dvou měničů GoodWe, které nabíjejí baterky.
Hlavním šéfem tam potom je nabíjecí kontrolér SM SEC1000, který to celé orchestruje.
Jenže pokud je ten tvůj obrázek správně, tak je připojený jen na výrobní měnič SolarEdge a měří jen AC do baráku, nemá vazbu na ty bateriové měniče GW. To mi přijde divné.
Jak to má ten uživatel s přetoky? Jaký výkon směrem ven má povolený?
Pokud je skutečně ten měnič SolarEdge symetrický, tak by to znamenalo, že spotřebu domu, která by byla asymetrická, by byl schopný sanovat jen za cenu toho, že zbytek do vyrovnané symetrie by poslal ven do gridu.
Pokud má povolené neomezené přetoky (tedy až do výše výkonu měniče), a nejede prodej na SPOTu (aby nemusel řešit záporné ceny), tak by bylo nejlepší ten měnič SolarEdge prostě neřídit a nechat ho vyrábět na plné kule co panely dají.
Pokud ale omezení přetoků má, tak to bude chtít si pohrát s nastavením toho nabíjecího kontroléru a (asi) ho nějak spojit i s těmi baterkovými měničí.
Ty baterkové měniče mu v tom nepomůžou, pokud nejsou s ním nějak datové svázané. Takže pokud ho budou zatěžovat, budou ho zatěžovat pravděpodobně symetricky.
Asi by to celé mohlo fungovat, ale za předpokladu, že ten nabíjecí kontrolér SM SEC1000 by řídil i ty baterkové měniče. A navíc pokud ty baterkové měniče umí řídit nabíjení nějak tak, aby uměly podle pokynů toho kontroléru odebírat zátěž asymetricky.
Každopádně je to postavené pěkně komplikovaně.
Třeba já mám taky 20kW měnič (SofarSolar HYD 20KTL-3PH), ten umí tohle všechno v jedné bedně. Takže by zastal celý ten orchestr škatulí, který tam má ten nešťastník. A zřejmě i za mnohem menší peníze.
Jestli to správně chápu, tak SolarEdge zjišťuje výrobu a je to asi symetrický měnič.
Aspoň na internetu se v popisu tohoto měniče nikde o asymetrii nemluví.
Ten měnič jednak napájí spotřebu domu, ale kromě toho je zatížený vstupy dvou měničů GoodWe, které nabíjejí baterky.
Hlavním šéfem tam potom je nabíjecí kontrolér SM SEC1000, který to celé orchestruje.
Jenže pokud je ten tvůj obrázek správně, tak je připojený jen na výrobní měnič SolarEdge a měří jen AC do baráku, nemá vazbu na ty bateriové měniče GW. To mi přijde divné.
Jak to má ten uživatel s přetoky? Jaký výkon směrem ven má povolený?
Pokud je skutečně ten měnič SolarEdge symetrický, tak by to znamenalo, že spotřebu domu, která by byla asymetrická, by byl schopný sanovat jen za cenu toho, že zbytek do vyrovnané symetrie by poslal ven do gridu.
Pokud má povolené neomezené přetoky (tedy až do výše výkonu měniče), a nejede prodej na SPOTu (aby nemusel řešit záporné ceny), tak by bylo nejlepší ten měnič SolarEdge prostě neřídit a nechat ho vyrábět na plné kule co panely dají.
Pokud ale omezení přetoků má, tak to bude chtít si pohrát s nastavením toho nabíjecího kontroléru a (asi) ho nějak spojit i s těmi baterkovými měničí.
Ty baterkové měniče mu v tom nepomůžou, pokud nejsou s ním nějak datové svázané. Takže pokud ho budou zatěžovat, budou ho zatěžovat pravděpodobně symetricky.
Asi by to celé mohlo fungovat, ale za předpokladu, že ten nabíjecí kontrolér SM SEC1000 by řídil i ty baterkové měniče. A navíc pokud ty baterkové měniče umí řídit nabíjení nějak tak, aby uměly podle pokynů toho kontroléru odebírat zátěž asymetricky.
Každopádně je to postavené pěkně komplikovaně.
Třeba já mám taky 20kW měnič (SofarSolar HYD 20KTL-3PH), ten umí tohle všechno v jedné bedně. Takže by zastal celý ten orchestr škatulí, který tam má ten nešťastník. A zřejmě i za mnohem menší peníze.
Kdo je online
Uživatelé procházející toto fórum: Claudebot [Bot], jbb, Mex
