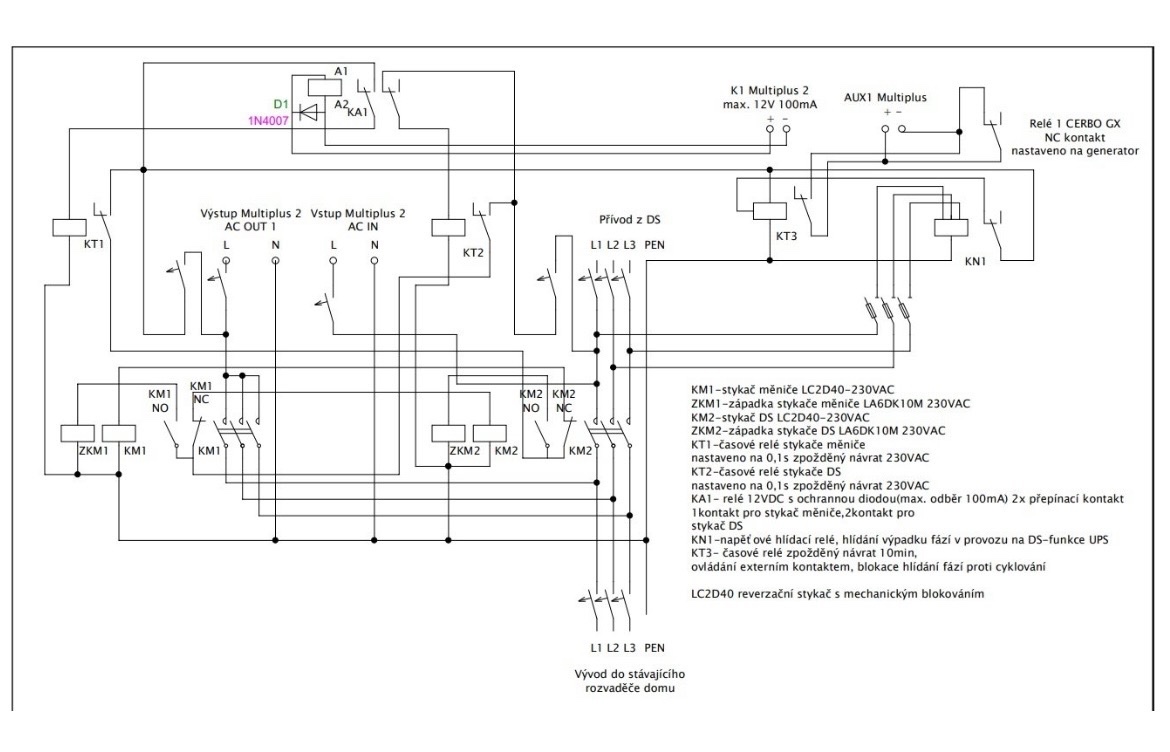
stykače na přepínaní sítě
Souhrn tématu
Diskuze se věnuje použití stykačů Schneider a dalších značek pro přepínání elektrických sítí. Uživatelé sdílejí zkušenosti s bezvýpadkovým přepínáním mezi jednofázovou a třífázovou sítí, řeší problémy s přepínáním tepelných čerpadel a hledají cenově dostupnější varianty. Doporučují se také průmyslové stykače s mechanickým blokováním pro vyšší proudy a bezpečné přepínání sfázovaných sítí.
- dusanmsk
- Příspěvky: 577
- Registrován: pát říj 15, 2021 10:41 am
- Reputace:62
- Lokalita: Kladno
- Systémové napětí: 48V
- Výkon panelů [Wp]: 11250
- Kapacita baterie [kWh]: 19.2
- Chci prodávat energii: NE
- Chci/Mám dotaci: NE
Re: stykače na přepínaní sítě
Cau,
caka ma konecne poriesit automaticke prepinanie pomocou paru stykacov s blokovanim a zapadkami. Pozeral som na horeuvedenu schemu a rozmyslam ci nie je zbytocne zlozita. Preco by to nemohlo byt len takto?

Nakreslil som len ovladaciu cast. Cielom je, aby ziadna cievka nezostala trvalo zopnuta. Pokial je zopnuta lava strana a cvakne lave rele, nestane sa nic. Pokial cvakne prave rele, tak sa privedie faza na lavu zapadku + pravy stykac. Zapadka uvolni lavy stykac a ten zacne rozopinat. Zaroven sa zacne pritahovat pravy stykac, ktory este nepusti mechanicka blokacia laveho stykacu. Jak lavy stykac odpadne a mechanicka zapadka povoli, zopne pravy stykac a prava zapadka ho zamkne.
Riziko tejto schemy vidim v tom, ze v momente ked rozopne lavy stykac a pravy este nie je zopnuty (mechanicka blokacia), pravy strati v tej chvili napatia na cievke. Ten prechodovy stav bude asi kratky, ale je tam. Nemoze sa stat, ze rozpojenim laveho NC vypadne napajanie pravej cievky a nestihne sa to zopnut a skoncim s oboma stykacmi v rozopnutom stave? Chapem, ze v tom systeme asi posobia nejake dynamicke/zotrvacne vazby (demagnetizacia cievky a podobne), ale bude to takto fungovat? Ked som prechadzal schemu od ElektroEZS, prislo mi ze v nej nastava identicky prechodovy beznapatovy stav.
Vas nazor?
Diky
caka ma konecne poriesit automaticke prepinanie pomocou paru stykacov s blokovanim a zapadkami. Pozeral som na horeuvedenu schemu a rozmyslam ci nie je zbytocne zlozita. Preco by to nemohlo byt len takto?

Nakreslil som len ovladaciu cast. Cielom je, aby ziadna cievka nezostala trvalo zopnuta. Pokial je zopnuta lava strana a cvakne lave rele, nestane sa nic. Pokial cvakne prave rele, tak sa privedie faza na lavu zapadku + pravy stykac. Zapadka uvolni lavy stykac a ten zacne rozopinat. Zaroven sa zacne pritahovat pravy stykac, ktory este nepusti mechanicka blokacia laveho stykacu. Jak lavy stykac odpadne a mechanicka zapadka povoli, zopne pravy stykac a prava zapadka ho zamkne.
Riziko tejto schemy vidim v tom, ze v momente ked rozopne lavy stykac a pravy este nie je zopnuty (mechanicka blokacia), pravy strati v tej chvili napatia na cievke. Ten prechodovy stav bude asi kratky, ale je tam. Nemoze sa stat, ze rozpojenim laveho NC vypadne napajanie pravej cievky a nestihne sa to zopnut a skoncim s oboma stykacmi v rozopnutom stave? Chapem, ze v tom systeme asi posobia nejake dynamicke/zotrvacne vazby (demagnetizacia cievky a podobne), ale bude to takto fungovat? Ked som prechadzal schemu od ElektroEZS, prislo mi ze v nej nastava identicky prechodovy beznapatovy stav.
Vas nazor?
Diky
30*375 Wp JJZ, 2xXTM4000, 2xVT-80, 4xUS5000
- Pawel
- Příspěvky: 990
- Registrován: stř říj 02, 2013 8:57 am
- Reputace:71
Re: stykače na přepínaní sítě
To je velice důležité aby jeden rozepnul a potom až druhý sepnul. Jinak bude ohňostroj.
- dusanmsk
- Příspěvky: 577
- Registrován: pát říj 15, 2021 10:41 am
- Reputace:62
- Lokalita: Kladno
- Systémové napětí: 48V
- Výkon panelů [Wp]: 11250
- Kapacita baterie [kWh]: 19.2
- Chci prodávat energii: NE
- Chci/Mám dotaci: NE
Re: stykače na přepínaní sítě
Hmm....Jasne. Moje zapojenie vlastne vyradilo elektricku blokaciu a ponechalo len mechanicku. Nechapem ze mi to nedoslo ked som to zacal kreslit.
Diky, napad zavrhujem a prekreslim to.
Diky, napad zavrhujem a prekreslim to.
30*375 Wp JJZ, 2xXTM4000, 2xVT-80, 4xUS5000
- cipis
- Moderátor
- Příspěvky: 6926
- Registrován: pon srp 16, 2021 9:31 pm
- Reputace:972
- Lokalita: blízko Brna
- Systémové napětí: 24V
- Výkon panelů [Wp]: 13+ kWp
- Kapacita baterie [kWh]: 40+26
- Chci prodávat energii: NE
- Chci/Mám dotaci: NE
- Bydliště: blízko Brna
Re: stykače na přepínaní sítě
U zapadek je potreba tusim 250ms minimalne pockat, nez se zacne neco dit s dalsim stykacem. Musis se mrknout do datasheetu zapadek a stykacu.
Rozhodne to neni bezvypadkove prepnuti.
Rozhodne to neni bezvypadkove prepnuti.
16+ kWp: 9850 Wp Jih, 2040 Wp Východ, 1490 Wp Západ, 2700 Wp mikroinvertory
Regulátory Epever a Victron
MP 24/5000 + Deye mikroinvertory 1+2,2 kW (můj byt + máti byt)
MP 24/1200 inet, sit, kamery atd.
Phoenix 24/5000 vytěžování do akumulačních kamen
Epever 3kW vytěžování do bojlerů + žebříky
1 kW "nabíječka" 24 V
40+ kWh staré olovo 26+ kWh Li-Ion
několik dalších MP jako záložní zdroje na různých místech
Modře píši jako moderátor, černě jako člen.
Regulátory Epever a Victron
MP 24/5000 + Deye mikroinvertory 1+2,2 kW (můj byt + máti byt)
MP 24/1200 inet, sit, kamery atd.
Phoenix 24/5000 vytěžování do akumulačních kamen
Epever 3kW vytěžování do bojlerů + žebříky
1 kW "nabíječka" 24 V
40+ kWh staré olovo 26+ kWh Li-Ion
několik dalších MP jako záložní zdroje na různých místech
Modře píši jako moderátor, černě jako člen.
- dusanmsk
- Příspěvky: 577
- Registrován: pát říj 15, 2021 10:41 am
- Reputace:62
- Lokalita: Kladno
- Systémové napětí: 48V
- Výkon panelů [Wp]: 11250
- Kapacita baterie [kWh]: 19.2
- Chci prodávat energii: NE
- Chci/Mám dotaci: NE
Re: stykače na přepínaní sítě
Cize takto?
Lave rele da 1s impulz, zhodi lavu zapadku a ked lavy stykac rozopne, zopne sa pravy stykac.
Prave rele da 1s impulz, zhodi pravu zapadku a ked pravy stykac rozopne, zopne sa lavy stykac.

Lave rele da 1s impulz, zhodi lavu zapadku a ked lavy stykac rozopne, zopne sa pravy stykac.
Prave rele da 1s impulz, zhodi pravu zapadku a ked pravy stykac rozopne, zopne sa lavy stykac.

30*375 Wp JJZ, 2xXTM4000, 2xVT-80, 4xUS5000
- kopca89
- Příspěvky: 15
- Registrován: pon bře 25, 2024 10:49 am
- Reputace:1
- Lokalita: Frýdek-Místek
- Systémové napětí: 24V
- Výkon panelů [Wp]: 4950
- Kapacita baterie [kWh]: 5,9
- Chci prodávat energii: NE
- Chci/Mám dotaci: NE
- Bydliště: Žermanická přehrada
Re: stykače na přepínaní sítě
Když koukám na vaše přepínače sítí
Tak jsem asi kaskadér
, ale já mám v provozu už rok jako přepínač sítí toto relé JQX-38F 3Z 40A, tři kontakty do série, kvůli oblouku a zatím bez problémů, ťuk ťuk, jištěno 16A. Už několikrát přepínalo pod zátěží kolem 3kW+ a v pohodě. Ovládám napěťovým relé podle napětí baterek 230 volty z elektrárny, takže kdyby měnič kleknul nebo měl poruchu, 230V zmizí relé odpadne a NC kontakty automaticky přepnou na DS. Asi by se to nemělo kvůli krátké vzdálenosti kontaktů, ale přišlo mi to jako super jednoduché řešení a kontakty vypadají zánovně bez opálení i po roce provozu. Přepnutí je fofr, že s tím spotřebiče nemají problém, občas jen mírné bliknutí světel.
2800Wp 7s jih, EASUN SMH-III 4,2kW 24V
1600Wp 2s2p jih + 550Wp 1solo jih , 2x MPPT reg.
lifepo4 24V 5,9kWh
Přebytky do bojleru OKCE 250 S a Klimatizace AUX 3,5kW
1600Wp 2s2p jih + 550Wp 1solo jih , 2x MPPT reg.
lifepo4 24V 5,9kWh
Přebytky do bojleru OKCE 250 S a Klimatizace AUX 3,5kW
- marko250
- Příspěvky: 3604
- Registrován: ned led 12, 2014 7:41 pm
- Reputace:551
- Lokalita: Hlučín
- Bydliště: Hlučín
Re: stykače na přepínaní sítě
Kdyby někdo řešil to samé s více ampéry tak jsem bral toto: 2x průmyslové stykače LC1D50AP7 TeSys D , 3p(3Z), AC-3, <= 440 V 50A, 230 V AC cívka + 1x mechanické blokování LAD4CM TeSys D +2x západky LAD6K10M
20.415kWp/JZ-39°/16x Jinko bifacial 590 ,JV-90°/8xLeapton mono 650 + <JZ-90° /15xJAsolar / mono 385
regl EASUN 2x 5.5kWp MPPT <28A> , 1x EASUN <80A> a 1x EASUN <100A>
baterka 17s 54.4VDC LFP4/784Ah<uloží 42kWh>
ŠKATULE 11kW
regl EASUN 2x 5.5kWp MPPT <28A> , 1x EASUN <80A> a 1x EASUN <100A>
baterka 17s 54.4VDC LFP4/784Ah<uloží 42kWh>
ŠKATULE 11kW
- rva
- Příspěvky: 4814
- Registrován: úte dub 23, 2013 10:21 am
- Reputace:932
- Lokalita: Kousek od Lysé nad Labem
- Systémové napětí: 48V
- Výkon panelů [Wp]: 46000
- Kapacita baterie [kWh]: 40
- Chci prodávat energii: NE
- Chci/Mám dotaci: NE
- Bydliště: Kousek od Lysé nad Labem
Re: stykače na přepínaní sítě
U přepínání sítí je rozdíl, jestli se přepínají sítě sfázované, nebo ne. Sfázované jsou v pohodě, klidně tak rychle, že to zapojené spotřebiče nepoznají.
_______________________________________________________________________
43 kWp, LiFePO4 62 kWh,
EPSolar 60 A/150 V ET6415N + 3x Isolar SM II (5 kW, 450 V, 80 A) + Axpert PIP 5048MS
43 kWp, LiFePO4 62 kWh,
EPSolar 60 A/150 V ET6415N + 3x Isolar SM II (5 kW, 450 V, 80 A) + Axpert PIP 5048MS
- ElektroEzs
- Příspěvky: 2964
- Registrován: stř zář 21, 2022 10:03 am
- Reputace:111
- Lokalita: okolí Teplic
- Systémové napětí: 48V
- Výkon panelů [Wp]: 8340
- Kapacita baterie [kWh]: 14,4
- Chci prodávat energii: NE
- Chci/Mám dotaci: NE
Re: stykače na přepínaní sítě
Pouzivam to same. Svetla doma bliknou ale spotrebice nic se nenuluje. Zapadka potrebuje 100ms.marko250 píše: pon bře 30, 2026 12:04 pmKdyby někdo řešil to samé s více ampéry tak jsem bral toto: 2x průmyslové stykače LC1D50AP7 TeSys D , 3p(3Z), AC-3, <= 440 V 50A, 230 V AC cívka + 1x mechanické blokování LAD4CM TeSys D +2x západky LAD6K10M
Naposledy upravil(a) ElektroEzs dne pon bře 30, 2026 12:51 pm, celkem upraveno 1 x.
1: JZ 5460 Wp Ja Solar, JV 960 Wp Leapton, SV 1920 Wp Leapton, MPPT 250/100, MPPT 150/35, MPPT 150/45, 2x parallel Multiplus 2 5000VA, Cerbo GX + touch LCD, 2x 16 x EVE 332Ah LiFePO4 + JK BMS 200A + SmartShunt 500A
2: JZ 3600 Wp Canadian Solar, V 1800 Wp Canadian Solar, MPPT 150/70, MPPT 150/35, Multiplus 2 5000VA, Cerbo GX + touch LCD, 16 x EVE 280Ah LiFePO4 + JK BMS 200A + BMV700
2: JZ 3600 Wp Canadian Solar, V 1800 Wp Canadian Solar, MPPT 150/70, MPPT 150/35, Multiplus 2 5000VA, Cerbo GX + touch LCD, 16 x EVE 280Ah LiFePO4 + JK BMS 200A + BMV700
- marko250
- Příspěvky: 3604
- Registrován: ned led 12, 2014 7:41 pm
- Reputace:551
- Lokalita: Hlučín
- Bydliště: Hlučín
Re: stykače na přepínaní sítě
Cvakám už od roku 2015 bez problémů.
20.415kWp/JZ-39°/16x Jinko bifacial 590 ,JV-90°/8xLeapton mono 650 + <JZ-90° /15xJAsolar / mono 385
regl EASUN 2x 5.5kWp MPPT <28A> , 1x EASUN <80A> a 1x EASUN <100A>
baterka 17s 54.4VDC LFP4/784Ah<uloží 42kWh>
ŠKATULE 11kW
regl EASUN 2x 5.5kWp MPPT <28A> , 1x EASUN <80A> a 1x EASUN <100A>
baterka 17s 54.4VDC LFP4/784Ah<uloží 42kWh>
ŠKATULE 11kW
- ElektroEzs
- Příspěvky: 2964
- Registrován: stř zář 21, 2022 10:03 am
- Reputace:111
- Lokalita: okolí Teplic
- Systémové napětí: 48V
- Výkon panelů [Wp]: 8340
- Kapacita baterie [kWh]: 14,4
- Chci prodávat energii: NE
- Chci/Mám dotaci: NE
Re: stykače na přepínaní sítě
Z toho bych nemel dobre spanikopca89 píše: pon bře 30, 2026 12:02 pmKdyž koukám na vaše přepínače sítíTak jsem asi kaskadér
, ale já mám v provozu už rok jako přepínač sítí toto relé JQX-38F 3Z 40A, tři kontakty do série, kvůli oblouku a zatím bez problémů, ťuk ťuk, jištěno 16A. Už několikrát přepínalo pod zátěží kolem 3kW+ a v pohodě. Ovládám napěťovým relé podle napětí baterek 230 volty z elektrárny, takže kdyby měnič kleknul nebo měl poruchu, 230V zmizí relé odpadne a NC kontakty automaticky přepnou na DS. Asi by se to nemělo kvůli krátké vzdálenosti kontaktů, ale přišlo mi to jako super jednoduché řešení a kontakty vypadají zánovně bez opálení i po roce provozu. Přepnutí je fofr, že s tím spotřebiče nemají problém, občas jen mírné bliknutí světel.
1: JZ 5460 Wp Ja Solar, JV 960 Wp Leapton, SV 1920 Wp Leapton, MPPT 250/100, MPPT 150/35, MPPT 150/45, 2x parallel Multiplus 2 5000VA, Cerbo GX + touch LCD, 2x 16 x EVE 332Ah LiFePO4 + JK BMS 200A + SmartShunt 500A
2: JZ 3600 Wp Canadian Solar, V 1800 Wp Canadian Solar, MPPT 150/70, MPPT 150/35, Multiplus 2 5000VA, Cerbo GX + touch LCD, 16 x EVE 280Ah LiFePO4 + JK BMS 200A + BMV700
2: JZ 3600 Wp Canadian Solar, V 1800 Wp Canadian Solar, MPPT 150/70, MPPT 150/35, Multiplus 2 5000VA, Cerbo GX + touch LCD, 16 x EVE 280Ah LiFePO4 + JK BMS 200A + BMV700
- marko250
- Příspěvky: 3604
- Registrován: ned led 12, 2014 7:41 pm
- Reputace:551
- Lokalita: Hlučín
- Bydliště: Hlučín
Re: stykače na přepínaní sítě
Tohle jsem spálil hned při prvním přepnutí na zkoušku s 8kW zátěží a hned tam šly průmyslové schneidrykopca89 píše: pon bře 30, 2026 12:02 pmKdyž koukám na vaše přepínače sítíTak jsem asi kaskadér
, ale já mám v provozu už rok jako přepínač sítí toto relé JQX-38F 3Z 40A, tři kontakty do série, kvůli oblouku a zatím bez problémů, ťuk ťuk, jištěno 16A. Už několikrát přepínalo pod zátěží kolem 3kW+ a v pohodě. Ovládám napěťovým relé podle napětí baterek 230 volty z elektrárny, takže kdyby měnič kleknul nebo měl poruchu, 230V zmizí relé odpadne a NC kontakty automaticky přepnou na DS. Asi by se to nemělo kvůli krátké vzdálenosti kontaktů, ale přišlo mi to jako super jednoduché řešení a kontakty vypadají zánovně bez opálení i po roce provozu. Přepnutí je fofr, že s tím spotřebiče nemají problém, občas jen mírné bliknutí světel.
20.415kWp/JZ-39°/16x Jinko bifacial 590 ,JV-90°/8xLeapton mono 650 + <JZ-90° /15xJAsolar / mono 385
regl EASUN 2x 5.5kWp MPPT <28A> , 1x EASUN <80A> a 1x EASUN <100A>
baterka 17s 54.4VDC LFP4/784Ah<uloží 42kWh>
ŠKATULE 11kW
regl EASUN 2x 5.5kWp MPPT <28A> , 1x EASUN <80A> a 1x EASUN <100A>
baterka 17s 54.4VDC LFP4/784Ah<uloží 42kWh>
ŠKATULE 11kW
- leoshavla
- Příspěvky: 525
- Registrován: stř bře 23, 2022 7:43 am
- Reputace:73
Re: stykače na přepínaní sítě
Nejlepší přepínač je Multiplus
ani není poznat že to přeplo.
1. Jih 300Wp, J-Z otočný 300Wp, 12V Carspa 1500W, 2x MPPT Victron 100/20, Lifepo4 105+135Ah 
2. JZ 8 kWp sklon 15st.solárni přístřešek stř. krytina 18x JA Solar Bifacial , 2x Multiplus 5000, 2x MPPT Victron 150/85, vyhřívaný bat.box 16x Lifepo4 LF304Ah JKBMS 200A V15, Cerbo GX, SmartShunt 300A
2. JZ 8 kWp sklon 15st.solárni přístřešek stř. krytina 18x JA Solar Bifacial , 2x Multiplus 5000, 2x MPPT Victron 150/85, vyhřívaný bat.box 16x Lifepo4 LF304Ah JKBMS 200A V15, Cerbo GX, SmartShunt 300A
- dusanmsk
- Příspěvky: 577
- Registrován: pát říj 15, 2021 10:41 am
- Reputace:62
- Lokalita: Kladno
- Systémové napětí: 48V
- Výkon panelů [Wp]: 11250
- Kapacita baterie [kWh]: 19.2
- Chci prodávat energii: NE
- Chci/Mám dotaci: NE
Re: stykače na přepínaní sítě
Ja prepinam bezvypadkovo rucnym hagerom z 1f na 3f. Spotrebice, telka, hodiny na troube to ustoja, ale par krat som si vsimol, ze mi zleti tepelne cerpadlo s chybou "dc bus overvoltage", coz ma trochu stresuje. Takze procedura prepnutia je teraz u mna trochu zlozita - mobilom bloknem TC a nabijacku auta, pockam 30 sec, prepnem hager a zase to vsetko mobilom zapnem. Takze uz by to chcelo zautomatizovat.
Nema niekto zdroj na tie schneidery za lepsiu cenu ako 7k kc za 40A verzie?
Nema niekto zdroj na tie schneidery za lepsiu cenu ako 7k kc za 40A verzie?
30*375 Wp JJZ, 2xXTM4000, 2xVT-80, 4xUS5000
Kdo je online
Uživatelé procházející toto fórum: Claudebot [Bot], dusanmsk
