Horalova FVE
Souhrn tématu
Diskuze o Horalově FVE popisuje instalaci 36 panelů JA Solar, Victron komponenty a LiFePO4 baterie v rodinném domě s hospodářskou budovou. Autor sdílí zkušenosti s montáží, integrací chytrých zařízení Shelly do systému Victron a bezpečnostními opatřeními včetně hlídání teplot a detekce plynů. Projekt je zaměřen na efektivní využití přebytků energie a spolehlivý provoz fotovoltaiky v kombinaci s moderními technologiemi.
- unicast
- Příspěvky: 2432
- Registrován: sob bře 30, 2019 10:27 am
- Reputace:461
- Lokalita: JV od pekla :)
- Systémové napětí: 48V
- Výkon panelů [Wp]: 5100
- Kapacita baterie [kWh]: 49
- Chci/Mám dotaci: NE
Re: Horalova FVE
No, jsou dva přístupy. Jeden se orientuje na minimální ztráty za každých podmínek, v takovém případě je samozřejmě ještě lepší tam dát 16 mm2, tak nějak to ostatně mám i já a pak je tu přístup druhý, kdy si řekneš, že když máš velkou výrobu, tak můžeš třeba i desetiprocentní ztráty s klidem oželet a pokud je výroba malá, tak na těch 8 nebo 12 A bude bohatě stačit i tenký drát.
- pibi
- Příspěvky: 1715
- Registrován: ned led 01, 2023 6:17 pm
- Reputace:396
- Lokalita: Východně od 3nce
- Systémové napětí: 48V
- Výkon panelů [Wp]: 16kWp
- Kapacita baterie [kWh]: 44kWh
- Chci prodávat energii: NE
- Chci/Mám dotaci: NE
Re: Horalova FVE
Začal jsem pracovat na detekci požáru akumulátorů, z Ali jsem objednal hrst rozpínacích termostatů 45°C a vymodeloval kryt terminálů, který zároveň bude držet termostaty na boku článků. Plánuji na každém článku 2, 32 ks spojených do série. Ještě vymyslím držáky na první a poslední článek a můžu naládovat tiskárnu samozhášivým ABS. 
9,2kWp JV 45°, 4,6kWp JZ 45°, 2,3kWp JV 90°, 2 x Victron MP II 5kVA, 3 x SmartSolar 150/70, Smartshunt, Cerbo, 16x280Ah + 16X300Ah + 16x300Ah LiFePO4 + 3xJK BMS.
K levné elektřině se dostaneme jen vytrvalou prací a svým kapitálem. Vladimír List, Elektrisace Československa 1934
K levné elektřině se dostaneme jen vytrvalou prací a svým kapitálem. Vladimír List, Elektrisace Československa 1934
- Migel
- Příspěvky: 1814
- Registrován: ned zář 25, 2022 10:47 am
- Reputace:312
- Lokalita: Pod Karpatmi
Re: Horalova FVE
Parada!
A co tym budes ovladat/rozpinat.
Ty tam mas tusim len tie manualne odpajace.
Ci zohnal si nejake kontaktory?
A co tym budes ovladat/rozpinat.
Ty tam mas tusim len tie manualne odpajace.
Ci zohnal si nejake kontaktory?
JZ-2s5p 3,8kWp >> Epever 8415 AN
JV-2s3p 2,7kWp >> Epever 6415 AN
2x Victron MP2 5000V/A paralelne
3x GWL SUN-2000G paralelne
48V 760Ah/35kWh Li-ion
a stále v štádiu budovania
(rozširovania)
JV-2s3p 2,7kWp >> Epever 6415 AN
2x Victron MP2 5000V/A paralelne
3x GWL SUN-2000G paralelne
48V 760Ah/35kWh Li-ion
a stále v štádiu budovania
- pibi
- Příspěvky: 1715
- Registrován: ned led 01, 2023 6:17 pm
- Reputace:396
- Lokalita: Východně od 3nce
- Systémové napětí: 48V
- Výkon panelů [Wp]: 16kWp
- Kapacita baterie [kWh]: 44kWh
- Chci prodávat energii: NE
- Chci/Mám dotaci: NE
Re: Horalova FVE
VZT klapky a ventilátory pro odvětrání akumulátorovny.
9,2kWp JV 45°, 4,6kWp JZ 45°, 2,3kWp JV 90°, 2 x Victron MP II 5kVA, 3 x SmartSolar 150/70, Smartshunt, Cerbo, 16x280Ah + 16X300Ah + 16x300Ah LiFePO4 + 3xJK BMS.
K levné elektřině se dostaneme jen vytrvalou prací a svým kapitálem. Vladimír List, Elektrisace Československa 1934
K levné elektřině se dostaneme jen vytrvalou prací a svým kapitálem. Vladimír List, Elektrisace Československa 1934
- ElektroEzs
- Příspěvky: 3002
- Registrován: stř zář 21, 2022 10:03 am
- Reputace:113
- Lokalita: okolí Teplic
- Systémové napětí: 48V
- Výkon panelů [Wp]: 8340
- Kapacita baterie [kWh]: 14,4
- Chci prodávat energii: NE
- Chci/Mám dotaci: NE
Re: Horalova FVE
Budes davat Ex ventilator? Ja chtel delat odvetrani rozvadece s bateriema skrze zed ven ale bojim se kondenzace v zime. Zatim mam udelane ze kdyz pozarni cidlo na baterii zaznamena teplotu nebo kour otevrou se garazove vrata ale rozvadece bude stejne zavrenej.
1: JZ 5460 Wp Ja Solar, JV 960 Wp Leapton, SV 1920 Wp Leapton, MPPT 250/100, MPPT 150/35, MPPT 150/45, 2x parallel Multiplus 2 5000VA, Cerbo GX + touch LCD, 2x 16 x EVE 332Ah LiFePO4 + JK BMS 200A + SmartShunt 500A
2: JZ 3600 Wp Canadian Solar, V 1800 Wp Canadian Solar, MPPT 150/70, MPPT 150/35, Multiplus 2 5000VA, Cerbo GX + touch LCD, 16 x EVE 280Ah LiFePO4 + JK BMS 200A + BMV700
2: JZ 3600 Wp Canadian Solar, V 1800 Wp Canadian Solar, MPPT 150/70, MPPT 150/35, Multiplus 2 5000VA, Cerbo GX + touch LCD, 16 x EVE 280Ah LiFePO4 + JK BMS 200A + BMV700
- pibi
- Příspěvky: 1715
- Registrován: ned led 01, 2023 6:17 pm
- Reputace:396
- Lokalita: Východně od 3nce
- Systémové napětí: 48V
- Výkon panelů [Wp]: 16kWp
- Kapacita baterie [kWh]: 44kWh
- Chci prodávat energii: NE
- Chci/Mám dotaci: NE
Re: Horalova FVE
Dám tam obyčejné, 200mm/820m3/h, jeden bude tlačit dovnitř, druhý odsávat ven, křížem přes místnost cca 2x3m.
https://www.growshop.cz/ventilator-ruck ... egQAvD_BwE
K tomu plechové uzavírací klapky:
https://www.ventilatory.cz/zpetna-klapk ... 0-mm-x1926
Na Bazosi jsem koupil servopohon Belimo, který je držen napětím 24V v zavřené poloze, při odpojení napětí jej pružina otevře, doufám, že utáhne obě klapky na jedné hřídeli. Servoklapky plánuji dát zevnitř těsně ke zdi, prostupy z plastového KG potrubí 160mm a ven dám ještě pružinové zpětné klapky:
https://www.ventilatory.cz/zpetna-klapk ... 0-mm-x1902
Aby se potrubí ve zdi moc neochlazovalo a v zimě nekondenzovalo.
https://www.growshop.cz/ventilator-ruck ... egQAvD_BwE
K tomu plechové uzavírací klapky:
https://www.ventilatory.cz/zpetna-klapk ... 0-mm-x1926
Na Bazosi jsem koupil servopohon Belimo, který je držen napětím 24V v zavřené poloze, při odpojení napětí jej pružina otevře, doufám, že utáhne obě klapky na jedné hřídeli. Servoklapky plánuji dát zevnitř těsně ke zdi, prostupy z plastového KG potrubí 160mm a ven dám ještě pružinové zpětné klapky:
https://www.ventilatory.cz/zpetna-klapk ... 0-mm-x1902
Aby se potrubí ve zdi moc neochlazovalo a v zimě nekondenzovalo.
9,2kWp JV 45°, 4,6kWp JZ 45°, 2,3kWp JV 90°, 2 x Victron MP II 5kVA, 3 x SmartSolar 150/70, Smartshunt, Cerbo, 16x280Ah + 16X300Ah + 16x300Ah LiFePO4 + 3xJK BMS.
K levné elektřině se dostaneme jen vytrvalou prací a svým kapitálem. Vladimír List, Elektrisace Československa 1934
K levné elektřině se dostaneme jen vytrvalou prací a svým kapitálem. Vladimír List, Elektrisace Československa 1934
- ElektroEzs
- Příspěvky: 3002
- Registrován: stř zář 21, 2022 10:03 am
- Reputace:113
- Lokalita: okolí Teplic
- Systémové napětí: 48V
- Výkon panelů [Wp]: 8340
- Kapacita baterie [kWh]: 14,4
- Chci prodávat energii: NE
- Chci/Mám dotaci: NE
Re: Horalova FVE
Ja se prave bojim ze obyc ventilatorem udelam spis raketovej motor kdyz budou clanky plynovat
ale ty Ex jsou cenove uplne jinde no:(
1: JZ 5460 Wp Ja Solar, JV 960 Wp Leapton, SV 1920 Wp Leapton, MPPT 250/100, MPPT 150/35, MPPT 150/45, 2x parallel Multiplus 2 5000VA, Cerbo GX + touch LCD, 2x 16 x EVE 332Ah LiFePO4 + JK BMS 200A + SmartShunt 500A
2: JZ 3600 Wp Canadian Solar, V 1800 Wp Canadian Solar, MPPT 150/70, MPPT 150/35, Multiplus 2 5000VA, Cerbo GX + touch LCD, 16 x EVE 280Ah LiFePO4 + JK BMS 200A + BMV700
2: JZ 3600 Wp Canadian Solar, V 1800 Wp Canadian Solar, MPPT 150/70, MPPT 150/35, Multiplus 2 5000VA, Cerbo GX + touch LCD, 16 x EVE 280Ah LiFePO4 + JK BMS 200A + BMV700
- pibi
- Příspěvky: 1715
- Registrován: ned led 01, 2023 6:17 pm
- Reputace:396
- Lokalita: Východně od 3nce
- Systémové napětí: 48V
- Výkon panelů [Wp]: 16kWp
- Kapacita baterie [kWh]: 44kWh
- Chci prodávat energii: NE
- Chci/Mám dotaci: NE
Re: Horalova FVE
Je v tom indukční motor, ne komutátorový, to by musel být nějaký výboj statické elektřiny, aby to ty plyny zapálilo. Akumulátorovna má cca 14m3, pokud ventilátory udělají 800m3/hod, což by vyměnilo objem místnosti asi za minutu, tak to snad stačí naředit plyny pod dolní mez výbušnosti.
Vodík je problematický v tom, že vybuchuje v koncentracích 4 - 75%.
60+kkč za 2 ATEX ventilátory se mi moc dávat nechce.
Vodík je problematický v tom, že vybuchuje v koncentracích 4 - 75%.
60+kkč za 2 ATEX ventilátory se mi moc dávat nechce.
9,2kWp JV 45°, 4,6kWp JZ 45°, 2,3kWp JV 90°, 2 x Victron MP II 5kVA, 3 x SmartSolar 150/70, Smartshunt, Cerbo, 16x280Ah + 16X300Ah + 16x300Ah LiFePO4 + 3xJK BMS.
K levné elektřině se dostaneme jen vytrvalou prací a svým kapitálem. Vladimír List, Elektrisace Československa 1934
K levné elektřině se dostaneme jen vytrvalou prací a svým kapitálem. Vladimír List, Elektrisace Československa 1934
- Diablo1st
- Příspěvky: 2275
- Registrován: pon lis 01, 2021 7:41 pm
- Reputace:223
- Lokalita: MY, SR
- Výkon panelů [Wp]: 10200
- Kapacita baterie [kWh]: 28
- Bydliště: SR MY
Re: Horalova FVE
To som zvedavý na výsledok, lebo v budúcnosti by som chcel spraviť niečo podobné u mňa.
Nebolo by lepšie skôr spínať ventilátor podľa koncentrácie H2? Existuje vôbec nejaký bežne dostupný H2 senzor?
Nebolo by lepšie skôr spínať ventilátor podľa koncentrácie H2? Existuje vôbec nejaký bežne dostupný H2 senzor?
Victron ESS AC Coupling:
2,75kWp on-grid + 3,3kWp a 4,15kWp RS450/100 + MP2 5kVA + 2x 17x280Ah + JK BMS
2,75kWp on-grid + 3,3kWp a 4,15kWp RS450/100 + MP2 5kVA + 2x 17x280Ah + JK BMS
- ElektroEzs
- Příspěvky: 3002
- Registrován: stř zář 21, 2022 10:03 am
- Reputace:113
- Lokalita: okolí Teplic
- Systémové napětí: 48V
- Výkon panelů [Wp]: 8340
- Kapacita baterie [kWh]: 14,4
- Chci prodávat energii: NE
- Chci/Mám dotaci: NE
Re: Horalova FVE
Me se otevrou garazove vrata 5x2,25m ale nevim jak to dostat z rozvadece a otevrenej ho nechci nechavat.
Prave ta cena za Ex je silena
Prave ta cena za Ex je silena
1: JZ 5460 Wp Ja Solar, JV 960 Wp Leapton, SV 1920 Wp Leapton, MPPT 250/100, MPPT 150/35, MPPT 150/45, 2x parallel Multiplus 2 5000VA, Cerbo GX + touch LCD, 2x 16 x EVE 332Ah LiFePO4 + JK BMS 200A + SmartShunt 500A
2: JZ 3600 Wp Canadian Solar, V 1800 Wp Canadian Solar, MPPT 150/70, MPPT 150/35, Multiplus 2 5000VA, Cerbo GX + touch LCD, 16 x EVE 280Ah LiFePO4 + JK BMS 200A + BMV700
2: JZ 3600 Wp Canadian Solar, V 1800 Wp Canadian Solar, MPPT 150/70, MPPT 150/35, Multiplus 2 5000VA, Cerbo GX + touch LCD, 16 x EVE 280Ah LiFePO4 + JK BMS 200A + BMV700
- Valdano
- Příspěvky: 1939
- Registrován: čtv črc 21, 2022 5:39 pm
- Reputace:273
- Lokalita: Česká Lípa
- Chci prodávat energii: NE
- Chci/Mám dotaci: NE
Re: Horalova FVE
Detektor vodíku: EVIKON E2630
Plynování se neděje bez zvýšení teploty. Primárně je tedy vhodné hlídat si teplotu jednotlivých článků a reagovat zapnutím havarijního větrání při zvýšení teploty například nad 50°C. Detektor vodíku použít spíš jen jako doplňkovou ochranu, která zareaguje pokud by hlídání teploty selhalo.
Problémem nemusí být ani tak ventilátor, ale relé nebo stykač, který ho bude spínat. Tam může dojít k jiskření. Takže ideálně odvod vzduchu potrubím ven a výkonný ventilátor včetně jeho spínání dát mimo akumulátorovnu.
Plynování se neděje bez zvýšení teploty. Primárně je tedy vhodné hlídat si teplotu jednotlivých článků a reagovat zapnutím havarijního větrání při zvýšení teploty například nad 50°C. Detektor vodíku použít spíš jen jako doplňkovou ochranu, která zareaguje pokud by hlídání teploty selhalo.
Problémem nemusí být ani tak ventilátor, ale relé nebo stykač, který ho bude spínat. Tam může dojít k jiskření. Takže ideálně odvod vzduchu potrubím ven a výkonný ventilátor včetně jeho spínání dát mimo akumulátorovnu.
- unicast
- Příspěvky: 2432
- Registrován: sob bře 30, 2019 10:27 am
- Reputace:461
- Lokalita: JV od pekla :)
- Systémové napětí: 48V
- Výkon panelů [Wp]: 5100
- Kapacita baterie [kWh]: 49
- Chci/Mám dotaci: NE
Re: Horalova FVE
Spínat ventilátor pomocí SSR, tam žádné jiskření nebude. Navíc ten spínací prvek může být klidně venku.
Levný EC ventilátor je třeba tady:
https://www.higarden.cz/ventilatory-rhi ... -280-m3-h/
Vents VK 125 EC samozřejmě vypadá lépe, ale je za dvojnásobné peníze.
Levný EC ventilátor je třeba tady:
https://www.higarden.cz/ventilatory-rhi ... -280-m3-h/
Vents VK 125 EC samozřejmě vypadá lépe, ale je za dvojnásobné peníze.
- pibi
- Příspěvky: 1715
- Registrován: ned led 01, 2023 6:17 pm
- Reputace:396
- Lokalita: Východně od 3nce
- Systémové napětí: 48V
- Výkon panelů [Wp]: 16kWp
- Kapacita baterie [kWh]: 44kWh
- Chci prodávat energii: NE
- Chci/Mám dotaci: NE
Re: Horalova FVE
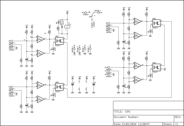
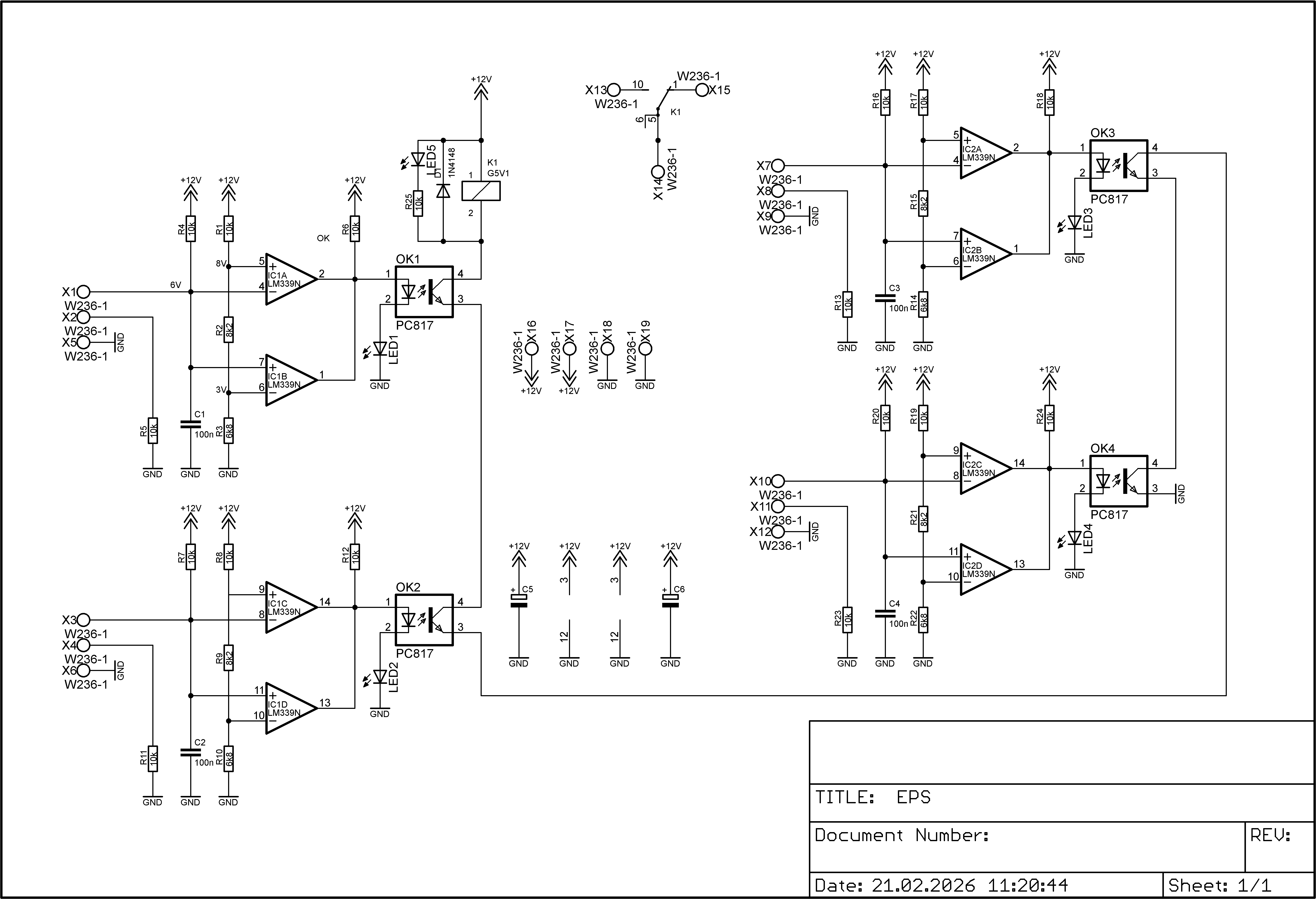
Idea je taková, že budou celkem 4 okruhy hlídání, aby se zavřely klapky a vypnulo napájení ventilátoru, musí být všechny 4 OK.
3 okruhy - hlídání teplot 3 baterií
4. okruh - sériově zapojené kontakty požárního čidla a detektoru hořlavých plynů.
https://www.jabloshop.cz/gs-133-detekto ... vych-plynu
https://www.jabloshop.cz/sd-283st-kombi ... se-sirenou Tato EZS, spínání ventilátorů a záložní střídač pro ventilátory bude v jiné místnosti, do akumulátorovny povedou jen kabely.
3 okruhy - hlídání teplot 3 baterií
4. okruh - sériově zapojené kontakty požárního čidla a detektoru hořlavých plynů.
https://www.jabloshop.cz/gs-133-detekto ... vych-plynu
https://www.jabloshop.cz/sd-283st-kombi ... se-sirenou Tato EZS, spínání ventilátorů a záložní střídač pro ventilátory bude v jiné místnosti, do akumulátorovny povedou jen kabely.
9,2kWp JV 45°, 4,6kWp JZ 45°, 2,3kWp JV 90°, 2 x Victron MP II 5kVA, 3 x SmartSolar 150/70, Smartshunt, Cerbo, 16x280Ah + 16X300Ah + 16x300Ah LiFePO4 + 3xJK BMS.
K levné elektřině se dostaneme jen vytrvalou prací a svým kapitálem. Vladimír List, Elektrisace Československa 1934
K levné elektřině se dostaneme jen vytrvalou prací a svým kapitálem. Vladimír List, Elektrisace Československa 1934
- pibi
- Příspěvky: 1715
- Registrován: ned led 01, 2023 6:17 pm
- Reputace:396
- Lokalita: Východně od 3nce
- Systémové napětí: 48V
- Výkon panelů [Wp]: 16kWp
- Kapacita baterie [kWh]: 44kWh
- Chci prodávat energii: NE
- Chci/Mám dotaci: NE
Re: Horalova FVE
Včera jsem při hrátkách s NodeRed aktualizoval VenusOS na 3.70 a na externím monitoru připojeném HDMI do Cerba se mi začala zasekávat hodnota výstupního AC výkonu. Při procházení Victron fóra jsem narazil na informaci:
Operační systém Venus OS nyní nativně podporuje chytré spínače, měřiče energie a regulátory RGB osvětlení Shelly Gen2 (a novější). To přináší lepší integraci cenově dostupné a široce dostupné řady hardwaru pro chytrou domácnost Shelly do ekosystému Victron. Tyto hardwarové prvky jsou užitečné pro ovládání a monitorování střídavých zátěží, jako jsou ohřívače vody, bazénová čerpadla nebo osvětlovací obvody.
Zařízení Shelly ve stejné síti jsou detekována automaticky, ale ve výchozím nastavení jsou zakázána. Po povolení v nabídce Nastavení -> Integrace se zařízení Shelly zobrazí v podokně přepínačů.
Mezi podporované typy zařízení patří vypínače, stmívatelné výstupy s posuvným ovládáním a měřiče energie. Barvu RGB ovladače je také možné nastavit v uživatelském rozhraní pomocí předvoleb.
https://www.victronenergy.com/blog/2026 ... s-os-3-70/
Operační systém Venus OS nyní nativně podporuje chytré spínače, měřiče energie a regulátory RGB osvětlení Shelly Gen2 (a novější). To přináší lepší integraci cenově dostupné a široce dostupné řady hardwaru pro chytrou domácnost Shelly do ekosystému Victron. Tyto hardwarové prvky jsou užitečné pro ovládání a monitorování střídavých zátěží, jako jsou ohřívače vody, bazénová čerpadla nebo osvětlovací obvody.
Zařízení Shelly ve stejné síti jsou detekována automaticky, ale ve výchozím nastavení jsou zakázána. Po povolení v nabídce Nastavení -> Integrace se zařízení Shelly zobrazí v podokně přepínačů.
Mezi podporované typy zařízení patří vypínače, stmívatelné výstupy s posuvným ovládáním a měřiče energie. Barvu RGB ovladače je také možné nastavit v uživatelském rozhraní pomocí předvoleb.
https://www.victronenergy.com/blog/2026 ... s-os-3-70/
AI Moderátor – odbočka pokračuje v novém tématu
Tento příspěvek odbočuje od původního tématu, proto bylo založeno nové téma: Integrace zařízení Shelly a novinky ve VenusOS 3.70 .
Odpovědi k tomuto příspěvku pište prosím už do nového tématu.
9,2kWp JV 45°, 4,6kWp JZ 45°, 2,3kWp JV 90°, 2 x Victron MP II 5kVA, 3 x SmartSolar 150/70, Smartshunt, Cerbo, 16x280Ah + 16X300Ah + 16x300Ah LiFePO4 + 3xJK BMS.
K levné elektřině se dostaneme jen vytrvalou prací a svým kapitálem. Vladimír List, Elektrisace Československa 1934
K levné elektřině se dostaneme jen vytrvalou prací a svým kapitálem. Vladimír List, Elektrisace Československa 1934
Kdo je online
Uživatelé procházející toto fórum: Bing [Bot], Claudebot [Bot], dipos, Migel, Seznam [Bot], unicast, vk_1, Yandex [Bot]
