Vytěžování přímo z baterie 60V
Souhrn tématu
Diskuze se věnuje praktickému vytěžování přímo z baterie 60V v domácí fotovoltaické elektrárně. Autor popisuje úpravu topných těles pro napájení z 60V baterie, řízení pomocí ESP32 a optimalizaci spínání přes MOSFETy, aby nedocházelo k přetížení měniče a domácích spotřebičů. Sdílí zkušenosti s laděním obvodů, měřením napětí a proudů a plánuje další vylepšení systému pro efektivnější vytěžování a řízení topení.
- Kostěj
- Příspěvky: 897
- Registrován: úte úno 25, 2014 9:33 pm
- Reputace:117
- Lokalita: Dobrovicko
- Systémové napětí: ~60 V
- Výkon panelů [Wp]: 9200
- Kapacita baterie [kWh]: 34
- Chci prodávat energii: NE
- Chci/Mám dotaci: NE
Re: Vytěžování přímo z baterie 60V
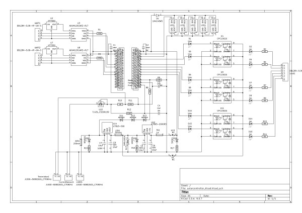
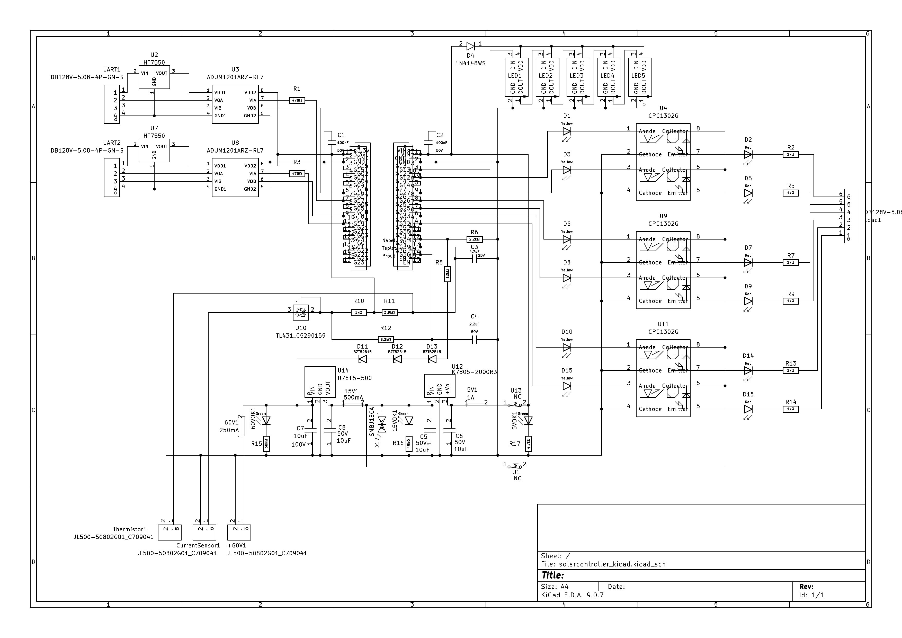
Přišly dva kusy hotových vytěžovačů 60V, provizorně jsme je vyzkoušeli - OK. Příští týden to předrátujeme. Pozorný solárník si povšimne zanedbatelných rozdílů od vývojové verze, viz obrázky. Před odesláním do výroby došlo ještě k mírným změnám vesměs kosmetického charakteru, tak vkládám definitivní schéma. Jako indikátor je využito 5 ks programovatelných LED diod. Vývody ESP32 jsou zdvojeny, aby zůstala možnost dalšího rozšíření.
Ve vytěžovači jsme zatím nalezli jedinou chybku: Pokud se odpojí napájení a připojí se k ESP32 notebook, svítí signalizační LED 60V i 15V. Proud totiž protéká zpětně přes zdroje 15V a 60V, v návrhu nám chybí zpětné diody (no nečekali jsme to).
Ve vytěžovači jsme zatím nalezli jedinou chybku: Pokud se odpojí napájení a připojí se k ESP32 notebook, svítí signalizační LED 60V i 15V. Proud totiž protéká zpětně přes zdroje 15V a 60V, v návrhu nám chybí zpětné diody (no nečekali jsme to).
7.8kWp (12x650Wp jih 35°: 2p3s EpeverTracer6420AN, 3p2s AxpertKing), AxpertKing 5kW/150V. LiFePo 34kWh: 18x280Ah (2022)+18x315Ah (2026). 2xJBDBMS-UART->ESP32->grafana+vytěžování 60V/4.8kW do NADO750. 5x280Wp (2013)-> přímotop.
Kdo je online
Uživatelé procházející toto fórum: Bing [Bot], Claudebot [Bot]
