Cipisova FVE
Souhrn tématu
Cipisova FVE je komplexní projekt ostrovní fotovoltaiky s různými typy panelů rozmístěnými na střechách a přístavcích, využívající baterie a regulátory pro stabilní napájení domácnosti a internetových zařízení. Autor sdílí zkušenosti s instalací, plánuje rozšíření a řeší zálohování z distribuční sítě. Diskuze zahrnuje i technické detaily kabeláže a optimalizaci nabíjení během nepříznivého počasí.
- cipis
- Moderátor
- Příspěvky: 7139
- Registrován: pon srp 16, 2021 9:31 pm
- Reputace:1005
- Lokalita: blízko Brna
- Systémové napětí: 24V
- Výkon panelů [Wp]: 18+ kWp
- Kapacita baterie [kWh]: 40+26
- Chci prodávat energii: NE
- Chci/Mám dotaci: NE
- Bydliště: blízko Brna
Re: Cipisova FVE
Jinak na tom rozvadeci ve sklepe je pekne videt, jake je to vsechno blato, jak se prohyba ta lista s odpinacama. V prujezdu jsem tam uz prisrouboval dalsi listu kolmo dle rady Kodla, a dost to pomohlo.
Ty odpinace a dalsi jsou tam nacvakane, abych je v tom bordelu neztratil :-D
Tuna materialu jeste chybi, leze to pekne do penez ...
Ty odpinace a dalsi jsou tam nacvakane, abych je v tom bordelu neztratil :-D
Tuna materialu jeste chybi, leze to pekne do penez ...
18+ kWp v provozu, 7+ kWp čeká na montáž/zapojení
Regulátory Epever a Victron
MP 24/5000 + Deye mikroinvertory 1+2,25+0,8 kW (můj byt + máti byt)
MP 24/1200 inet, sit, kamery atd.
Phoenix 24/5000 vytěžování do akumulačních kamen
Epever 3kW vytěžování do bojlerů + žebříky
1 kW "nabíječka" 24 V
40+ kWh staré olovo 26+ kWh Li-Ion
několik dalších MP jako záložní zdroje na různých místech
Modře píši jako moderátor, černě jako člen.
Regulátory Epever a Victron
MP 24/5000 + Deye mikroinvertory 1+2,25+0,8 kW (můj byt + máti byt)
MP 24/1200 inet, sit, kamery atd.
Phoenix 24/5000 vytěžování do akumulačních kamen
Epever 3kW vytěžování do bojlerů + žebříky
1 kW "nabíječka" 24 V
40+ kWh staré olovo 26+ kWh Li-Ion
několik dalších MP jako záložní zdroje na různých místech
Modře píši jako moderátor, černě jako člen.
- cipis
- Moderátor
- Příspěvky: 7139
- Registrován: pon srp 16, 2021 9:31 pm
- Reputace:1005
- Lokalita: blízko Brna
- Systémové napětí: 24V
- Výkon panelů [Wp]: 18+ kWp
- Kapacita baterie [kWh]: 40+26
- Chci prodávat energii: NE
- Chci/Mám dotaci: NE
- Bydliště: blízko Brna
Re: Cipisova FVE
Jo, a v tom sklepe, v te leve dire skrz zed k regalum s baterkama/reglama/menicama, je videt chudacek vrtak, co se mi ulomil tak 10 cm od hlavicky.
18+ kWp v provozu, 7+ kWp čeká na montáž/zapojení
Regulátory Epever a Victron
MP 24/5000 + Deye mikroinvertory 1+2,25+0,8 kW (můj byt + máti byt)
MP 24/1200 inet, sit, kamery atd.
Phoenix 24/5000 vytěžování do akumulačních kamen
Epever 3kW vytěžování do bojlerů + žebříky
1 kW "nabíječka" 24 V
40+ kWh staré olovo 26+ kWh Li-Ion
několik dalších MP jako záložní zdroje na různých místech
Modře píši jako moderátor, černě jako člen.
Regulátory Epever a Victron
MP 24/5000 + Deye mikroinvertory 1+2,25+0,8 kW (můj byt + máti byt)
MP 24/1200 inet, sit, kamery atd.
Phoenix 24/5000 vytěžování do akumulačních kamen
Epever 3kW vytěžování do bojlerů + žebříky
1 kW "nabíječka" 24 V
40+ kWh staré olovo 26+ kWh Li-Ion
několik dalších MP jako záložní zdroje na různých místech
Modře píši jako moderátor, černě jako člen.
- ElektroEzs
- Příspěvky: 3072
- Registrován: stř zář 21, 2022 10:03 am
- Reputace:124
- Lokalita: okolí Teplic
- Systémové napětí: 48V
- Výkon panelů [Wp]: 8340
- Kapacita baterie [kWh]: 14,4
- Chci prodávat energii: NE
- Chci/Mám dotaci: NE
Re: Cipisova FVE
Ty to mas az takhle, me slo hlavne o to odstavit FVE protoze hlavni privod muzu schodit venku ve sloupku, ale kazdopadne tva varianta je lepsi:-)
cipis píše: ned úno 11, 2024 8:29 pmAno, je to OEZ.
Rozvadece davat min. 2x vetsi, nez je nejvetsi, megalomansky projekt.
Tj. ta skrin 2 m na vysku ideal. Ale ceny novych jsou astronomicke ...
Central stop ma odpojit jednotlive byty, ale nechat zaple spolecne prostory, chodby a dalsi kriticke veci. Total stop ma vypnout uplne vsechno.
Takze odchozi jistice budou mit vedle sebe spoust, prichozi dtto.
A v dalsi skrini ve sklepe, kde mi (jeste ne)konci stringy, tak budou odchozi jistice take se spousti.
1: JZ 5460 Wp Ja Solar, JV 960 Wp Leapton, SV 1920 Wp Leapton, MPPT 250/100, MPPT 150/35, MPPT 150/45, 2x parallel Multiplus 2 5000VA, Cerbo GX + touch LCD, 2x 16 x EVE 332Ah LiFePO4 + JK BMS 200A + SmartShunt 500A
2: JZ 3600 Wp Canadian Solar, V 1800 Wp Canadian Solar, MPPT 150/70, MPPT 150/35, Multiplus 2 5000VA, Cerbo GX + touch LCD, 16 x EVE 280Ah LiFePO4 + JK BMS 200A + BMV700
2: JZ 3600 Wp Canadian Solar, V 1800 Wp Canadian Solar, MPPT 150/70, MPPT 150/35, Multiplus 2 5000VA, Cerbo GX + touch LCD, 16 x EVE 280Ah LiFePO4 + JK BMS 200A + BMV700
- mihlit
- Příspěvky: 689
- Registrován: ned říj 17, 2021 7:43 pm
- Reputace:98
- Lokalita: okr. Vyškov
- Systémové napětí: 48V
- Výkon panelů [Wp]: 5800
- Kapacita baterie [kWh]: 24
- Chci prodávat energii: NE
- Chci/Mám dotaci: NE
Re: Cipisova FVE
Pokud budeš mít odchozí vedení do dalších rozvaděčů stejné jako příchozí (např přívod 25 A a všude dál to taky posíláš s 25 A), tak jelikož mezi tím stejně neexistuje žádná selektivita, tak je lepší místo jističů dát vypínače. Ztrátové teplo jističe je víc jak dvojnásobné oproti vypínači (hager 3x25/B jistič 10.1 W, 3x25 vypínač 2.7 W), takže až naplníš rozvaděč, přidáš tam nějaká topítka (stykače, smart prvky,...), tak aby ti vyšlo oteplení do limitu.
Naposledy upravil(a) mihlit dne ned úno 11, 2024 8:55 pm, celkem upraveno 1 x.
- betmen
- Příspěvky: 996
- Registrován: stř led 11, 2023 2:54 pm
- Reputace:180
- Lokalita: nedaleko od Trencina
- Systémové napětí: >48V
- Výkon panelů [Wp]: 2080 + 7320
- Kapacita baterie [kWh]: 9,6
- Chci/Mám dotaci: NE
Re: Cipisova FVE
cipis, toto tiez skoncilo v 2m vysokej 2 kridlovej skrini.
15km silovych kablov, 5km ftp, 5km sykfy.
normálny 2 podlazny domcek pri stupave + cely podpivniceny a podkrovie
skoro kazda zasuvka spinana, kazde svetlo stiahnute do strojovne a stmievatelne.
skoro rok zivota to trvalo natahat.
15km silovych kablov, 5km ftp, 5km sykfy.
normálny 2 podlazny domcek pri stupave + cely podpivniceny a podkrovie
skoro kazda zasuvka spinana, kazde svetlo stiahnute do strojovne a stmievatelne.
skoro rok zivota to trvalo natahat.
stacionárny dom :
2kWp - Siton210, 2x 100L Drazice
7,3kWp (JV - 3,7kWp, J - 1,2kWp, SZ - 2,4kWp) - Must PV1800 VHM 5548, Calb 16 x 180Ah
pojazdný dom:
120Wp + 12V, 200Ah LiFePo
prenosná elektráreň:
homemade skladaci 2x60Wp + 12V, 60Ah LiFePo + 75Ah olovo
2kWp - Siton210, 2x 100L Drazice
7,3kWp (JV - 3,7kWp, J - 1,2kWp, SZ - 2,4kWp) - Must PV1800 VHM 5548, Calb 16 x 180Ah
pojazdný dom:
120Wp + 12V, 200Ah LiFePo
prenosná elektráreň:
homemade skladaci 2x60Wp + 12V, 60Ah LiFePo + 75Ah olovo
- cipis
- Moderátor
- Příspěvky: 7139
- Registrován: pon srp 16, 2021 9:31 pm
- Reputace:1005
- Lokalita: blízko Brna
- Systémové napětí: 24V
- Výkon panelů [Wp]: 18+ kWp
- Kapacita baterie [kWh]: 40+26
- Chci prodávat energii: NE
- Chci/Mám dotaci: NE
- Bydliště: blízko Brna
Re: Cipisova FVE
mihlit:
Jj, nad tim premyslim tez. Odvody pres jistic pujdou, jsou to cca. 20-30m trasy, tam budou 20A jistice, ale 2x privod od egd bude stacit odpinat vypinacem. Elmer. rozvadec s jistici je hned vedle vrat.
Ja to nemam jeste nakoupene (hlavne ty spouste), jeste jsem ani nehledal, do jake znacky jit (vypinac+spoust, jistic+spoust). Aktualne tam jsou Hagery na ty jednotlive byty, v ramci uspor bych je rad nechal, bude sice v rozvadeci vice znacek vyrobcu, ale co uz.
Jj, nad tim premyslim tez. Odvody pres jistic pujdou, jsou to cca. 20-30m trasy, tam budou 20A jistice, ale 2x privod od egd bude stacit odpinat vypinacem. Elmer. rozvadec s jistici je hned vedle vrat.
Ja to nemam jeste nakoupene (hlavne ty spouste), jeste jsem ani nehledal, do jake znacky jit (vypinac+spoust, jistic+spoust). Aktualne tam jsou Hagery na ty jednotlive byty, v ramci uspor bych je rad nechal, bude sice v rozvadeci vice znacek vyrobcu, ale co uz.
18+ kWp v provozu, 7+ kWp čeká na montáž/zapojení
Regulátory Epever a Victron
MP 24/5000 + Deye mikroinvertory 1+2,25+0,8 kW (můj byt + máti byt)
MP 24/1200 inet, sit, kamery atd.
Phoenix 24/5000 vytěžování do akumulačních kamen
Epever 3kW vytěžování do bojlerů + žebříky
1 kW "nabíječka" 24 V
40+ kWh staré olovo 26+ kWh Li-Ion
několik dalších MP jako záložní zdroje na různých místech
Modře píši jako moderátor, černě jako člen.
Regulátory Epever a Victron
MP 24/5000 + Deye mikroinvertory 1+2,25+0,8 kW (můj byt + máti byt)
MP 24/1200 inet, sit, kamery atd.
Phoenix 24/5000 vytěžování do akumulačních kamen
Epever 3kW vytěžování do bojlerů + žebříky
1 kW "nabíječka" 24 V
40+ kWh staré olovo 26+ kWh Li-Ion
několik dalších MP jako záložní zdroje na různých místech
Modře píši jako moderátor, černě jako člen.
- mihlit
- Příspěvky: 689
- Registrován: ned říj 17, 2021 7:43 pm
- Reputace:98
- Lokalita: okr. Vyškov
- Systémové napětí: 48V
- Výkon panelů [Wp]: 5800
- Kapacita baterie [kWh]: 24
- Chci prodávat energii: NE
- Chci/Mám dotaci: NE
Re: Cipisova FVE
Já mám všude hagery, protože co jde, jedu na "úplný kryt", takže mám i hager elektroměr třeba. Jen teď mě naštvali, když jsem zjistil, že jejich MZ203 spoušť je sice uvedena jako příslušenství pro chránič, jenže není to na to přímo připojitelné. Musí se mezi ně dát ještě pomocný/signalizační kontakt. Sice po odbroušení jednoho výstupku, co má zajišťovat správnou polohu (a pro změnu aplikace vteřiňáku) to funguje i s tou spouští, ale nelíbí se mi to. (Je to do vstupního rozvaděče, protože mám 1 rozvaděč vstupní hlavní, pak další pro kuchyň a koupelnu, další pro horní patro, další největší pro sklep, TČ a FVE, pak další garáž, další dílna...) No a ten hlavní rozvaděč nebylo místo a tak je to jen 5x12, takže jsem rád, že tam nacpu odchozí vypínače, elměr a jendodušší půlku patra. Proto tam na ty zbytečné mezikusy fakt není místo. I přepěťovku mě to přinutilo dát mimo do předrozvaděče.
No zpět k tématu... s hagery jsem byl jinak do teď spokojený, ale zároveň jsem byl nucen kvůli nedostatku nějakých prvků použít sem tam věci od schneideru a zatím s nimi taky spokojenost a mají i spoušť normálně pasující na chránič. Zatím jsem ale nepoužil. Zvažuji ale přejít z úplného krytu na "normální" rozvaděč a místo toho slepeného hageru tam dát právě schneider.
No zpět k tématu... s hagery jsem byl jinak do teď spokojený, ale zároveň jsem byl nucen kvůli nedostatku nějakých prvků použít sem tam věci od schneideru a zatím s nimi taky spokojenost a mají i spoušť normálně pasující na chránič. Zatím jsem ale nepoužil. Zvažuji ale přejít z úplného krytu na "normální" rozvaděč a místo toho slepeného hageru tam dát právě schneider.
- skybor
- Příspěvky: 1523
- Registrován: pon dub 24, 2023 8:47 am
- Reputace:257
- Lokalita: Lašská brána Beskyd
- Systémové napětí: 48V
- Výkon panelů [Wp]: 8kWp
- Kapacita baterie [kWh]: 20kWh
Re: Cipisova FVE
Já použil maximum věcí od Bonegy a zatím spokojenost. Mají svůj on-line systém na návrh rozvaděče, kde se platí za jednotlivé moduly, ale za jejich komponenty (Bonega) se neplatí. Ten systém pak vyplivne veškerou nutnou dokumentaci.Ja to nemam jeste nakoupene (hlavne ty spouste), jeste jsem ani nehledal, do jake znacky jit
https://navrh-rozvadece.cz/
SkyFVE 8 kWp na výzkumné "chytré" chatě. 4x MPPT Epever XTRA4415N 4x40A, 3x LG Chem Li-Ion 12s 156Ah (cca 20 kWh/44V), SkyPowerBox LF 4810 1kVA, Victron MP 48/3000, REVO VM II 5.5kW , APC SmartUPS 5000 + PLC Siemens Logo! + Dell Optiplex 3040 Micro (Proxmox: HA, Node-RED, InfluxDB, Grafana, Mqtt, Zigbee2Mqtt, Samba, Tailscale)
- mihlit
- Příspěvky: 689
- Registrován: ned říj 17, 2021 7:43 pm
- Reputace:98
- Lokalita: okr. Vyškov
- Systémové napětí: 48V
- Výkon panelů [Wp]: 5800
- Kapacita baterie [kWh]: 24
- Chci prodávat energii: NE
- Chci/Mám dotaci: NE
Re: Cipisova FVE
pokud něco nezměnili, tak ten jejich web návrh neumí dva zdroje, tedy pro klasické rozvaděče s jen DS dobrý, ale pro DS+FVE docela na prd
- kodl69
- Příspěvky: 8415
- Registrován: sob črc 19, 2014 8:56 pm
- Reputace:1082
- Lokalita: severně od Brna
- Systémové napětí: 48V
- Výkon panelů [Wp]: 8kWp
- Kapacita baterie [kWh]: 12kWh
- Chci prodávat energii: NE
- Chci/Mám dotaci: NE
Re: Cipisova FVE
dva zdroje... tak si prostě měnič označíš jako výstup, spíš jde o to tam naládovat všechny prvky, kvůli tepelné ztrátě rozvaděče, že některej drát povede jinam to nezmění. Ale určitě neumí DC rozvaděče.
ostrov skoro 8kWp neustále ve stádiu zrodu: smartshunt(ex WBJR), MPPT150/45, MPPT 250/100(ex midnitesolar 150 clasic lite), 16S a různě P cca 340Ah Winston, MP II 5000,( ex Powerjack 8kW, ex samodomo cca 4kW). 48V DC rozvody a spotřebiče.
- cipis
- Moderátor
- Příspěvky: 7139
- Registrován: pon srp 16, 2021 9:31 pm
- Reputace:1005
- Lokalita: blízko Brna
- Systémové napětí: 24V
- Výkon panelů [Wp]: 18+ kWp
- Kapacita baterie [kWh]: 40+26
- Chci prodávat energii: NE
- Chci/Mám dotaci: NE
- Bydliště: blízko Brna
Re: Cipisova FVE
Ne, opravdu ty dva rozkuchané rozváděče nedodělám, musím začít i tenhle třetí 
Ta protipožární pěna mi přijde tvrdší než klasika ... No bodejť, za víc jak 2x tolik peněz ... Dělá se s tím úplně stejně, jak s klasikou, možná o nějakou tu minutku dříve zatvrdne, ale nemám to změřené, tak nějak dělám víc věcí zaráz, tak člověk už ztrácí přehled, nejen nářadí apod.
Ta protipožární pěna mi přijde tvrdší než klasika ... No bodejť, za víc jak 2x tolik peněz ... Dělá se s tím úplně stejně, jak s klasikou, možná o nějakou tu minutku dříve zatvrdne, ale nemám to změřené, tak nějak dělám víc věcí zaráz, tak člověk už ztrácí přehled, nejen nářadí apod.
18+ kWp v provozu, 7+ kWp čeká na montáž/zapojení
Regulátory Epever a Victron
MP 24/5000 + Deye mikroinvertory 1+2,25+0,8 kW (můj byt + máti byt)
MP 24/1200 inet, sit, kamery atd.
Phoenix 24/5000 vytěžování do akumulačních kamen
Epever 3kW vytěžování do bojlerů + žebříky
1 kW "nabíječka" 24 V
40+ kWh staré olovo 26+ kWh Li-Ion
několik dalších MP jako záložní zdroje na různých místech
Modře píši jako moderátor, černě jako člen.
Regulátory Epever a Victron
MP 24/5000 + Deye mikroinvertory 1+2,25+0,8 kW (můj byt + máti byt)
MP 24/1200 inet, sit, kamery atd.
Phoenix 24/5000 vytěžování do akumulačních kamen
Epever 3kW vytěžování do bojlerů + žebříky
1 kW "nabíječka" 24 V
40+ kWh staré olovo 26+ kWh Li-Ion
několik dalších MP jako záložní zdroje na různých místech
Modře píši jako moderátor, černě jako člen.
- Diablo1st
- Příspěvky: 2296
- Registrován: pon lis 01, 2021 7:41 pm
- Reputace:226
- Lokalita: MY, SR
- Výkon panelů [Wp]: 10200
- Kapacita baterie [kWh]: 28
- Bydliště: SR MY
Re: Cipisova FVE
A neni nejaký malý ten rozvádzač? 
Victron ESS AC Coupling:
2,75kWp on-grid + 3,3kWp RS450/100 + 4,15kWp Fronius Primo 4.0.1 + MP2 5kVA + 2x 17x280Ah + JK BMS
2,75kWp on-grid + 3,3kWp RS450/100 + 4,15kWp Fronius Primo 4.0.1 + MP2 5kVA + 2x 17x280Ah + JK BMS
- cipis
- Moderátor
- Příspěvky: 7139
- Registrován: pon srp 16, 2021 9:31 pm
- Reputace:1005
- Lokalita: blízko Brna
- Systémové napětí: 24V
- Výkon panelů [Wp]: 18+ kWp
- Kapacita baterie [kWh]: 40+26
- Chci prodávat energii: NE
- Chci/Mám dotaci: NE
- Bydliště: blízko Brna
Re: Cipisova FVE
Snad bude stačit, je to byteček 1+1, ale zase topné rohože v koupelně, na záchodě a koupelně, plus dva žebříky. A v pokoji akumulačky. Tak snad se tam vlezu 
Na těch packách se to krásně vytvarovalo do prostoru, akorát špaletu dveří jsem musel osekat, protože byl původní průchod poněkud úzký. No tam padne pytlů omítky, to nechci vidět ...
Na těch packách se to krásně vytvarovalo do prostoru, akorát špaletu dveří jsem musel osekat, protože byl původní průchod poněkud úzký. No tam padne pytlů omítky, to nechci vidět ...
18+ kWp v provozu, 7+ kWp čeká na montáž/zapojení
Regulátory Epever a Victron
MP 24/5000 + Deye mikroinvertory 1+2,25+0,8 kW (můj byt + máti byt)
MP 24/1200 inet, sit, kamery atd.
Phoenix 24/5000 vytěžování do akumulačních kamen
Epever 3kW vytěžování do bojlerů + žebříky
1 kW "nabíječka" 24 V
40+ kWh staré olovo 26+ kWh Li-Ion
několik dalších MP jako záložní zdroje na různých místech
Modře píši jako moderátor, černě jako člen.
Regulátory Epever a Victron
MP 24/5000 + Deye mikroinvertory 1+2,25+0,8 kW (můj byt + máti byt)
MP 24/1200 inet, sit, kamery atd.
Phoenix 24/5000 vytěžování do akumulačních kamen
Epever 3kW vytěžování do bojlerů + žebříky
1 kW "nabíječka" 24 V
40+ kWh staré olovo 26+ kWh Li-Ion
několik dalších MP jako záložní zdroje na různých místech
Modře píši jako moderátor, černě jako člen.
- cipis
- Moderátor
- Příspěvky: 7139
- Registrován: pon srp 16, 2021 9:31 pm
- Reputace:1005
- Lokalita: blízko Brna
- Systémové napětí: 24V
- Výkon panelů [Wp]: 18+ kWp
- Kapacita baterie [kWh]: 40+26
- Chci prodávat energii: NE
- Chci/Mám dotaci: NE
- Bydliště: blízko Brna
Re: Cipisova FVE
Provizorka stiha provizorku, no co, aspon uz ty dva male stare rozvadece nevisi za draty na stene prujezdu.
Ruzovka ona protipozarni pena, fakt je mnohem hutnejsi a pevnejsi nez klasika. Tak bych i te deklarovane pozarni odolnosti i veril.
Ruzovka ona protipozarni pena, fakt je mnohem hutnejsi a pevnejsi nez klasika. Tak bych i te deklarovane pozarni odolnosti i veril.
18+ kWp v provozu, 7+ kWp čeká na montáž/zapojení
Regulátory Epever a Victron
MP 24/5000 + Deye mikroinvertory 1+2,25+0,8 kW (můj byt + máti byt)
MP 24/1200 inet, sit, kamery atd.
Phoenix 24/5000 vytěžování do akumulačních kamen
Epever 3kW vytěžování do bojlerů + žebříky
1 kW "nabíječka" 24 V
40+ kWh staré olovo 26+ kWh Li-Ion
několik dalších MP jako záložní zdroje na různých místech
Modře píši jako moderátor, černě jako člen.
Regulátory Epever a Victron
MP 24/5000 + Deye mikroinvertory 1+2,25+0,8 kW (můj byt + máti byt)
MP 24/1200 inet, sit, kamery atd.
Phoenix 24/5000 vytěžování do akumulačních kamen
Epever 3kW vytěžování do bojlerů + žebříky
1 kW "nabíječka" 24 V
40+ kWh staré olovo 26+ kWh Li-Ion
několik dalších MP jako záložní zdroje na různých místech
Modře píši jako moderátor, černě jako člen.
- Migel
- Příspěvky: 1866
- Registrován: ned zář 25, 2022 10:47 am
- Reputace:334
- Lokalita: Pod Karpatmi
Re: Cipisova FVE
Vies ako to byva,ze s provizorky sa stane provizorka nafurt
Potom sem hod foto jak je to ucesane..
Potom sem hod foto jak je to ucesane..
JZ-2s5p 3,8kWp >> Epever 8415 AN
JV-2s3p 2,7kWp >> Epever 6415 AN
2x Victron MP2 5000V/A paralelne
3x GWL SUN-2000G paralelne
48V 760Ah/35kWh Li-ion
a stále v štádiu budovania
(rozširovania)
JV-2s3p 2,7kWp >> Epever 6415 AN
2x Victron MP2 5000V/A paralelne
3x GWL SUN-2000G paralelne
48V 760Ah/35kWh Li-ion
a stále v štádiu budovania
- skybor
- Příspěvky: 1523
- Registrován: pon dub 24, 2023 8:47 am
- Reputace:257
- Lokalita: Lašská brána Beskyd
- Systémové napětí: 48V
- Výkon panelů [Wp]: 8kWp
- Kapacita baterie [kWh]: 20kWh
Re: Cipisova FVE
Jo, o provizorkách bych já mohl napsat román. A učesané to už je. Máš různé styly účesů. Podobný účes používám na provizorkách taky. Na to jsou dobré ty krycí plechy 
SkyFVE 8 kWp na výzkumné "chytré" chatě. 4x MPPT Epever XTRA4415N 4x40A, 3x LG Chem Li-Ion 12s 156Ah (cca 20 kWh/44V), SkyPowerBox LF 4810 1kVA, Victron MP 48/3000, REVO VM II 5.5kW , APC SmartUPS 5000 + PLC Siemens Logo! + Dell Optiplex 3040 Micro (Proxmox: HA, Node-RED, InfluxDB, Grafana, Mqtt, Zigbee2Mqtt, Samba, Tailscale)
- cipis
- Moderátor
- Příspěvky: 7139
- Registrován: pon srp 16, 2021 9:31 pm
- Reputace:1005
- Lokalita: blízko Brna
- Systémové napětí: 24V
- Výkon panelů [Wp]: 18+ kWp
- Kapacita baterie [kWh]: 40+26
- Chci prodávat energii: NE
- Chci/Mám dotaci: NE
- Bydliště: blízko Brna
Re: Cipisova FVE
A další věci na rozvrtání/dodělání 
18+ kWp v provozu, 7+ kWp čeká na montáž/zapojení
Regulátory Epever a Victron
MP 24/5000 + Deye mikroinvertory 1+2,25+0,8 kW (můj byt + máti byt)
MP 24/1200 inet, sit, kamery atd.
Phoenix 24/5000 vytěžování do akumulačních kamen
Epever 3kW vytěžování do bojlerů + žebříky
1 kW "nabíječka" 24 V
40+ kWh staré olovo 26+ kWh Li-Ion
několik dalších MP jako záložní zdroje na různých místech
Modře píši jako moderátor, černě jako člen.
Regulátory Epever a Victron
MP 24/5000 + Deye mikroinvertory 1+2,25+0,8 kW (můj byt + máti byt)
MP 24/1200 inet, sit, kamery atd.
Phoenix 24/5000 vytěžování do akumulačních kamen
Epever 3kW vytěžování do bojlerů + žebříky
1 kW "nabíječka" 24 V
40+ kWh staré olovo 26+ kWh Li-Ion
několik dalších MP jako záložní zdroje na různých místech
Modře píši jako moderátor, černě jako člen.
- cipis
- Moderátor
- Příspěvky: 7139
- Registrován: pon srp 16, 2021 9:31 pm
- Reputace:1005
- Lokalita: blízko Brna
- Systémové napětí: 24V
- Výkon panelů [Wp]: 18+ kWp
- Kapacita baterie [kWh]: 40+26
- Chci prodávat energii: NE
- Chci/Mám dotaci: NE
- Bydliště: blízko Brna
Re: Cipisova FVE
Tak jedna kobercovka 
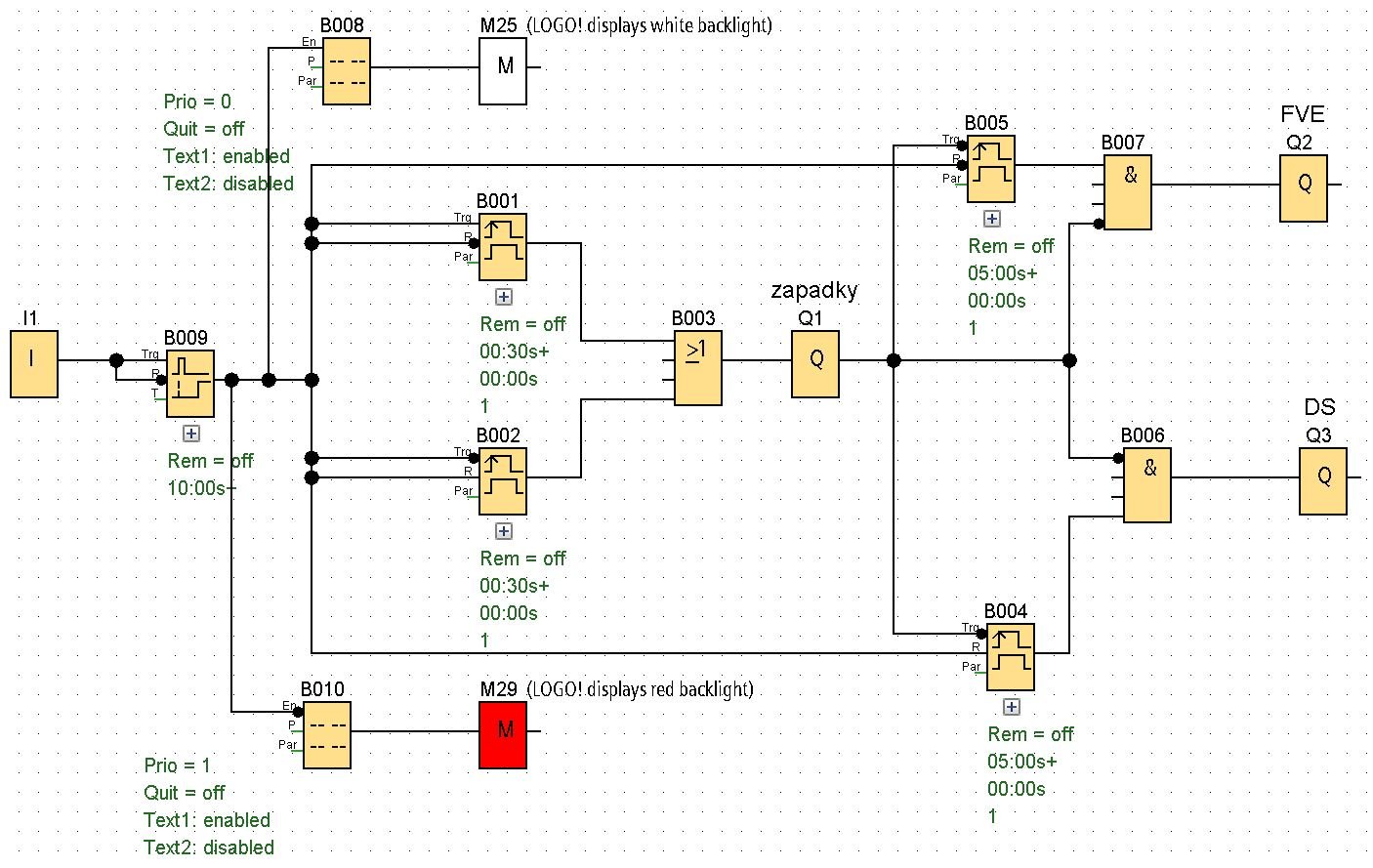
Jistič simuluje přepínání, nějak neumím fotit s novým mobilem, je nějaký moc chytrý a nedává červené podsvícení displeje, které s textem na něm značí, že je přepnuto na DS. Bílá je na FVE. Zatím necháno deset sekund prodleva s FVE, pak to asi bude tak něco kolem deseti minut, aby to pak necvakalo jak zběsilé.
V klidu to, včetně rožlého displeje a aktivní komunikace na LANce, žere 0,5 W, při přepínání 10+ W západka a 6 W stykač.
Jistič simuluje přepínání, nějak neumím fotit s novým mobilem, je nějaký moc chytrý a nedává červené podsvícení displeje, které s textem na něm značí, že je přepnuto na DS. Bílá je na FVE. Zatím necháno deset sekund prodleva s FVE, pak to asi bude tak něco kolem deseti minut, aby to pak necvakalo jak zběsilé.
V klidu to, včetně rožlého displeje a aktivní komunikace na LANce, žere 0,5 W, při přepínání 10+ W západka a 6 W stykač.
18+ kWp v provozu, 7+ kWp čeká na montáž/zapojení
Regulátory Epever a Victron
MP 24/5000 + Deye mikroinvertory 1+2,25+0,8 kW (můj byt + máti byt)
MP 24/1200 inet, sit, kamery atd.
Phoenix 24/5000 vytěžování do akumulačních kamen
Epever 3kW vytěžování do bojlerů + žebříky
1 kW "nabíječka" 24 V
40+ kWh staré olovo 26+ kWh Li-Ion
několik dalších MP jako záložní zdroje na různých místech
Modře píši jako moderátor, černě jako člen.
Regulátory Epever a Victron
MP 24/5000 + Deye mikroinvertory 1+2,25+0,8 kW (můj byt + máti byt)
MP 24/1200 inet, sit, kamery atd.
Phoenix 24/5000 vytěžování do akumulačních kamen
Epever 3kW vytěžování do bojlerů + žebříky
1 kW "nabíječka" 24 V
40+ kWh staré olovo 26+ kWh Li-Ion
několik dalších MP jako záložní zdroje na různých místech
Modře píši jako moderátor, černě jako člen.
- skybor
- Příspěvky: 1523
- Registrován: pon dub 24, 2023 8:47 am
- Reputace:257
- Lokalita: Lašská brána Beskyd
- Systémové napětí: 48V
- Výkon panelů [Wp]: 8kWp
- Kapacita baterie [kWh]: 20kWh
Re: Cipisova FVE
Já myslel, že si jen hraješ se softem. A ty už máš Logo doma
Koukám, že jste se seznámili rychle ...
SkyFVE 8 kWp na výzkumné "chytré" chatě. 4x MPPT Epever XTRA4415N 4x40A, 3x LG Chem Li-Ion 12s 156Ah (cca 20 kWh/44V), SkyPowerBox LF 4810 1kVA, Victron MP 48/3000, REVO VM II 5.5kW , APC SmartUPS 5000 + PLC Siemens Logo! + Dell Optiplex 3040 Micro (Proxmox: HA, Node-RED, InfluxDB, Grafana, Mqtt, Zigbee2Mqtt, Samba, Tailscale)
- cipis
- Moderátor
- Příspěvky: 7139
- Registrován: pon srp 16, 2021 9:31 pm
- Reputace:1005
- Lokalita: blízko Brna
- Systémové napětí: 24V
- Výkon panelů [Wp]: 18+ kWp
- Kapacita baterie [kWh]: 40+26
- Chci prodávat energii: NE
- Chci/Mám dotaci: NE
- Bydliště: blízko Brna
Re: Cipisova FVE
Tak bylo v akci v elkovu, tak nekup to 
stykače LC1D25BD (24V ovl.) za 1820,- Kč z allegra nové (další pár na další přepínač za 1673,- z bazaru soucastka.cz zaprášené, ale nepoužité)
západky LAD6K10B á 815,- Kč z ebay nové (nějaká akce 3 kusy, čtvrtý mi jde z alíka za 1061,- Kč)
mechanické blokování á 263,- Kč nové kvelektro
Logo! v elkovu za 2783,- Kč
Co jsem koukal po bazarech, tak tam loga jsou, i za pětistovku, nicméně jsem radši pro začátek volil nový kus, pro ten další přepínač asi už vezmu něco jetého. Anebo k tomuto novému dokoupím rozšíření, se uvidí ...
stykače LC1D25BD (24V ovl.) za 1820,- Kč z allegra nové (další pár na další přepínač za 1673,- z bazaru soucastka.cz zaprášené, ale nepoužité)
západky LAD6K10B á 815,- Kč z ebay nové (nějaká akce 3 kusy, čtvrtý mi jde z alíka za 1061,- Kč)
mechanické blokování á 263,- Kč nové kvelektro
Logo! v elkovu za 2783,- Kč
Co jsem koukal po bazarech, tak tam loga jsou, i za pětistovku, nicméně jsem radši pro začátek volil nový kus, pro ten další přepínač asi už vezmu něco jetého. Anebo k tomuto novému dokoupím rozšíření, se uvidí ...
18+ kWp v provozu, 7+ kWp čeká na montáž/zapojení
Regulátory Epever a Victron
MP 24/5000 + Deye mikroinvertory 1+2,25+0,8 kW (můj byt + máti byt)
MP 24/1200 inet, sit, kamery atd.
Phoenix 24/5000 vytěžování do akumulačních kamen
Epever 3kW vytěžování do bojlerů + žebříky
1 kW "nabíječka" 24 V
40+ kWh staré olovo 26+ kWh Li-Ion
několik dalších MP jako záložní zdroje na různých místech
Modře píši jako moderátor, černě jako člen.
Regulátory Epever a Victron
MP 24/5000 + Deye mikroinvertory 1+2,25+0,8 kW (můj byt + máti byt)
MP 24/1200 inet, sit, kamery atd.
Phoenix 24/5000 vytěžování do akumulačních kamen
Epever 3kW vytěžování do bojlerů + žebříky
1 kW "nabíječka" 24 V
40+ kWh staré olovo 26+ kWh Li-Ion
několik dalších MP jako záložní zdroje na různých místech
Modře píši jako moderátor, černě jako člen.
Kdo je online
Uživatelé procházející toto fórum: Claudebot [Bot]
