Ostrov 950Wp Pernštejnsko, trvale obydlená chata
Souhrn tématu
Téma popisuje ostrovní solární elektrárnu o výkonu 950Wp instalovanou na trvale obydlené chatě v oblasti Pernštejnska. Autor sdílí zkušenosti s výběrem panelů, regulátoru, měniče a baterií, včetně praktických rad k instalaci a provozu systému od roku 2011. Diskuze zahrnuje i dlouhodobé sledování stavu baterií, automatizaci systému a plánované rozšíření s důrazem na spolehlivost a soběstačnost.
-
Roger
- Příspěvky: 502
- Registrován: pon čer 10, 2013 8:25 pm
- Reputace: -54
Re: Ostrov 950Wp Pernštejnsko, trvale obydlená chata
Diky za info. Mi to prijde takove nejake neohrabane:
1.Externiserver v hostingu - luxus
2.Router/modem - nutnost
3.Minipc (raspbery) - kolik tisic?
4.Quido 1500,-
5.Cidla ???Kc?
Moc veci po ceste..
Ja bych rad neco takoveho, nevim nakolik jsou mozne body:
1.router xdsl (fhem embedded), usb lan wlan - na ten jde pristupovat pres ssl &ipsec a s pridanou usbflash ma storage neomezene
2.cidlo, akcni clen s lan/wlan/bluetooth rozhranim
Maximalne nejake arduino jako mezixicht pokud nelze jinak... Na neco se ty cidla musi napojit, po usb moc daleko nepojedou...
Hlavne nejakk efektivne zvolit cidla/rozvod. Nejlepe cidla napojit na ethernet rozvod nevyuzite 2 pary...
1.Externiserver v hostingu - luxus
2.Router/modem - nutnost
3.Minipc (raspbery) - kolik tisic?
4.Quido 1500,-
5.Cidla ???Kc?
Moc veci po ceste..
Ja bych rad neco takoveho, nevim nakolik jsou mozne body:
1.router xdsl (fhem embedded), usb lan wlan - na ten jde pristupovat pres ssl &ipsec a s pridanou usbflash ma storage neomezene
2.cidlo, akcni clen s lan/wlan/bluetooth rozhranim
Maximalne nejake arduino jako mezixicht pokud nelze jinak... Na neco se ty cidla musi napojit, po usb moc daleko nepojedou...
Hlavne nejakk efektivne zvolit cidla/rozvod. Nejlepe cidla napojit na ethernet rozvod nevyuzite 2 pary...
-
drama
- Příspěvky: 1001
- Registrován: čtv črc 28, 2011 12:01 pm
- Reputace: 20
Re: Ostrov 950Wp Pernštejnsko, trvale obydlená chata
Pomalu se přibližujete k popisu mého systému. RouterStation a na něm webserver, collectd démon, 1-wire a WiFi AP. Ale proč pořád takové destruktivní komentáře?
-
Roger
- Příspěvky: 502
- Registrován: pon čer 10, 2013 8:25 pm
- Reputace: -54
Re: Ostrov 950Wp Pernštejnsko, trvale obydlená chata
1 wire? Myslis 1 par vodicu? Nebo to je nazev protokolu? Jaka cidla pro snimani teploty pouzivas?
Destrukticni? Zatim nic nemam a stavet budu az budu mit informace.
Destrukticni? Zatim nic nemam a stavet budu az budu mit informace.
-
drama
- Příspěvky: 1001
- Registrován: čtv črc 28, 2011 12:01 pm
- Reputace: 20
Re: Ostrov 950Wp Pernštejnsko, trvale obydlená chata
Není jednodušší to napsat do googlu než sem? http://en.wikipedia.org/wiki/1-Wire
-
007ToMMaS
- Příspěvky: 1095
- Registrován: sob zář 15, 2012 8:53 pm
- Reputace: 16
Re: Ostrov 950Wp Pernštejnsko, trvale obydlená chata
Myslím že táto téma sa odviedla od podstaty a bolo by to dobré preriediť a zaradiť to čo kam patrí.
Roger: K daným témam čo tu riešiš v tejto téme myslím zbytočne je veľa ďalších tém na to určených. (Nič v zlom)
Roger: K daným témam čo tu riešiš v tejto téme myslím zbytočne je veľa ďalších tém na to určených. (Nič v zlom)
3,2kWp REC320NP - juh
3,6kWp - Phonosolar PS450M5GFH-24/TH- východ
2x IGridSV-IV5.6KW, 2x Li-ion - 48V / 156Ah =312Ah
3,6kWp - Phonosolar PS450M5GFH-24/TH- východ
2x IGridSV-IV5.6KW, 2x Li-ion - 48V / 156Ah =312Ah
-
xmasin
- Příspěvky: 1773
- Registrován: čtv čer 28, 2012 9:45 pm
- Reputace: 102
Re: Ostrov 950Wp Pernštejnsko, trvale obydlená chata
ad 1) Externí server v hostingu používám na monitorování i jiných věcí, takže bych ho stejně měl.Roger píše:Diky za info. Mi to prijde takove nejake neohrabane:
1.Externiserver v hostingu - luxus
2.Router/modem - nutnost
3.Minipc (raspbery) - kolik tisic?
4.Quido 1500,-
5.Cidla ???Kc?
Moc veci po ceste..
Ja bych rad neco takoveho, nevim nakolik jsou mozne body:
1.router xdsl (fhem embedded), usb lan wlan - na ten jde pristupovat pres ssl &ipsec a s pridanou usbflash ma storage neomezene
2.cidlo, akcni clen s lan/wlan/bluetooth rozhranim
Maximalne nejake arduino jako mezixicht pokud nelze jinak... Na neco se ty cidla musi napojit, po usb moc daleko nepojedou...
Hlavne nejakk efektivne zvolit cidla/rozvod. Nejlepe cidla napojit na ethernet rozvod nevyuzite 2 pary...
ad 2) Router a připojení k Intenetu mám kvůli alarmu a kamerovému systému.
ad 3) Pořizovací cena RasPi cca 800 Kč
ad 4) Quido 1500 Kč, ale mám v něm upravený firmware, takže jím řídím i světla, zasuvky a topení
ad 5) Čidlo je připojený ke Quidu a je to Dallas 18B20 za 55 Kč, takže vcelku levné.
Možná to moc věcí po cestě je, ale mě to funguje spolehlivě a jsem s tím řešením spokojený.
-
Roger
- Příspěvky: 502
- Registrován: pon čer 10, 2013 8:25 pm
- Reputace: -54
Re: Ostrov 950Wp Pernštejnsko, trvale obydlená chata
1) ano ale centralizovany system ma sve mouchy, take mi 1U ktery jsem pred lety chtel do housingu, nakonec mi tu zustal (moc prace na spravu)
2) tedy nezbytnost, ktera ale zvladne i funkce 3 a 4 akorat ale ma jen usb (bez modemu si stejne kamerou nekouknu, leda bych mel dalsi hracku pvr) tak otazka je, zda najdu spliter cidel do usb s driverem vhodnym pro onen router
Myslenku, ze nych budoval system o mnoha clenech jsem opustil v 2005, protoze jsem to kdoviproc vyhodnotil jsko drahe pracne nespolehlive a poruchove a heohrabane a nepekne, kdo ma furt poslouchat zenske, ze "je moc dratu a kramu")
2) tedy nezbytnost, ktera ale zvladne i funkce 3 a 4 akorat ale ma jen usb (bez modemu si stejne kamerou nekouknu, leda bych mel dalsi hracku pvr) tak otazka je, zda najdu spliter cidel do usb s driverem vhodnym pro onen router
Myslenku, ze nych budoval system o mnoha clenech jsem opustil v 2005, protoze jsem to kdoviproc vyhodnotil jsko drahe pracne nespolehlive a poruchove a heohrabane a nepekne, kdo ma furt poslouchat zenske, ze "je moc dratu a kramu")
-
xmasin
- Příspěvky: 1773
- Registrován: čtv čer 28, 2012 9:45 pm
- Reputace: 102
Re: Ostrov 950Wp Pernštejnsko, trvale obydlená chata
Já radši použiju více komponent a případně je zdvojím, abych měl jistotu, že výpadek jedné komponenty neohrozí funkčnost systmu. Jsem takhle naučený z práce, kde je kladen důraz na vysokou dostupnost.Roger píše:Myslenku, ze nych budoval system o mnoha clenech jsem opustil v 2005, protoze jsem to kdoviproc vyhodnotil jsko drahe pracne nespolehlive a poruchove a heohrabane a nepekne, kdo ma furt poslouchat zenske, ze "je moc dratu a kramu")
- vata
- Příspěvky: 1407
- Registrován: pon zář 12, 2011 11:32 am
- Reputace: 93
Re: Ostrov 950Wp Pernštejnsko, trvale obydlená chata
Zdravím, dneska jsem se konečně dostala k zapojení DC přepěťových ochran. Mám teď 3: na AC okruhu, na vstupu regulátoru - na panelech a na DC okruhu. Ty DC svodiče mají zapojený minus pól na společný minus, a všechny tři svádí přepětí do lokálně přizemněného PE. Snad jsem tím bezpečnost zvýšila, ne naopak 
Inteligentní ostrov - www.vati.cz
-
LIX
- Příspěvky: 856
- Registrován: pon črc 30, 2012 3:43 pm
- Reputace: 48
- Lokalita: Trnava
- Systémové napětí: 48V
- Výkon panelů [Wp]: 4900
- Kapacita baterie [kWh]: 7,5
- Chci prodávat energii: NE
- Chci/Mám dotaci: NE
Re: Ostrov 950Wp Pernštejnsko, trvale obydlená chata
Tie prepäťové ochrany sú drahé(jediný dôvod prečo sa mi do nich nechce), aké si kupovala? Máš za zvodičmi aj neaký istič alebo ti to ide priamo na zem? Pretože ak prehorí tá prepäťovka na AC strane tak sa cez zvod dostane aj do DC strany a pokial tam nemáš istič tak to nebude mať čo vyhodiť.
- vata
- Příspěvky: 1407
- Registrován: pon zář 12, 2011 11:32 am
- Reputace: 93
Re: Ostrov 950Wp Pernštejnsko, trvale obydlená chata
Jsou to varistorové CITELy téhle řady: https://www.google.com/url?sa=t&rct=j&q ... 7100,d.bGE a na AC straně taky CITEL DS 240S-230, stojí asi 750Kč.
Hmm, jistič - měla jsem podezření, že je to nějak příliš jednoduché... Myslíte pojistky nebo jistič? Kam s ním? Až za svodičem mezi ním a PE?
Hmm, jistič - měla jsem podezření, že je to nějak příliš jednoduché... Myslíte pojistky nebo jistič? Kam s ním? Až za svodičem mezi ním a PE?
Inteligentní ostrov - www.vati.cz
- vata
- Příspěvky: 1407
- Registrován: pon zář 12, 2011 11:32 am
- Reputace: 93
Re: Ostrov 950Wp Pernštejnsko, trvale obydlená chata
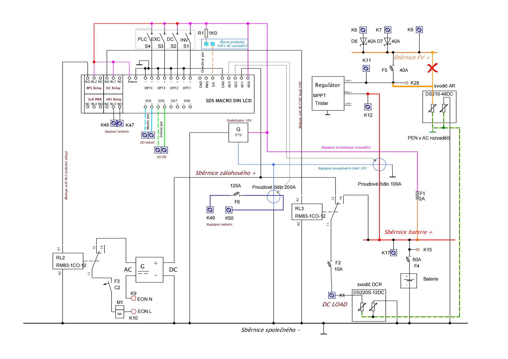
a tady je schema aktuální verze rozvaděče:
Inteligentní ostrov - www.vati.cz
-
LIX
- Příspěvky: 856
- Registrován: pon črc 30, 2012 3:43 pm
- Reputace: 48
- Lokalita: Trnava
- Systémové napětí: 48V
- Výkon panelů [Wp]: 4900
- Kapacita baterie [kWh]: 7,5
- Chci prodávat energii: NE
- Chci/Mám dotaci: NE
Re: Ostrov 950Wp Pernštejnsko, trvale obydlená chata
Neviem či tam môžu ísť aj poistky, stačil by tam neaký jednopólový istič pravdaže trebárs aj na striedavé napätie. Len neviem s akým prúdom a či treba ten istič aj na DC prepäťovku. Každopádne som asi nasadil chrobáka do hlavy, za čo sa ospravedlňujem, ale ako elektrikára ma učili rozmýšlať tak ma hneď napadol ten istič, je to aj celkom logické. Každopádne by som ho dal aspon za ten AC zvod.
- tomas
- Příspěvky: 2579
- Registrován: pon bře 07, 2011 11:05 am
- Reputace: 243
- Bydliště: Třinec
Re: Ostrov 950Wp Pernštejnsko, trvale obydlená chata
V tom katalogovém listu přepěťovky je napsáno: Max. předjištění 63 A (gL/gG)
Zapojení bych upravil takto:
Zapojení bych upravil takto:
Chci elektrárnu s licencí a s prodejem přebytků nebo komunitní výměnou energie: ANO
- vata
- Příspěvky: 1407
- Registrován: pon zář 12, 2011 11:32 am
- Reputace: 93
Re: Ostrov 950Wp Pernštejnsko, trvale obydlená chata
Díky za tip, přemýšlela jsem o tom, zda před nebo za pojistku. Bod přímo na sběrnici panelů jsem zvolila kvůli vhodnému řešení rozvaděče (mám tam můstek). Pokud by se stalo, že mi přepěťovka na AC straně svede přepětí do PE vodiče, práskne mi to buďto do panelů nebo regulátoru, těžko říct, co je horší
No a na DC rozvodech mi to svede přímo do DC drátů v celém domě (osvětlení, síťová infrastruktura...).
Když bych tedy dala za AC svodič jednopólový jistič, měla bych tady jeden 2A s charakteristikou B, myslíte, že jej můžu použít? Díky
Když bych tedy dala za AC svodič jednopólový jistič, měla bych tady jeden 2A s charakteristikou B, myslíte, že jej můžu použít? Díky
Inteligentní ostrov - www.vati.cz
-
brumlaj
- Příspěvky: 2462
- Registrován: ned kvě 12, 2013 2:24 pm
- Reputace: 259
Re: Ostrov 950Wp Pernštejnsko, trvale obydlená chata
hmm, to je ve schématu která?vata píše:přepěťovka na AC straně......
Moudrost nepřichází vždy s věkem, někdy věk přichází sám.
-
LIX
- Příspěvky: 856
- Registrován: pon črc 30, 2012 3:43 pm
- Reputace: 48
- Lokalita: Trnava
- Systémové napětí: 48V
- Výkon panelů [Wp]: 4900
- Kapacita baterie [kWh]: 7,5
- Chci prodávat energii: NE
- Chci/Mám dotaci: NE
Re: Ostrov 950Wp Pernštejnsko, trvale obydlená chata
Neviem to povedať s istotou ale 2A mi prídu byť málo, ale čisto teoreticky to je lepšie ako tam nedať nič.
Každopádne by som ho tam dal. Zhodiť ho nemá čo.
- vata
- Příspěvky: 1407
- Registrován: pon zář 12, 2011 11:32 am
- Reputace: 93
Re: Ostrov 950Wp Pernštejnsko, trvale obydlená chata
Ta není v FVE rozvaděči ale v AC rozvaděči. Jde o svodič přepětí z AC okruhu do PE. Namaluju to celé asap.brumlaj píše:hmm, to je ve schématu která?vata píše:přepěťovka na AC straně......
Inteligentní ostrov - www.vati.cz
- vata
- Příspěvky: 1407
- Registrován: pon zář 12, 2011 11:32 am
- Reputace: 93
Re: Ostrov 950Wp Pernštejnsko, trvale obydlená chata
Inteligentní ostrov - www.vati.cz
- JML...
- Příspěvky: 158
- Registrován: úte lis 06, 2012 12:33 pm
- Reputace: 6
Re: Ostrov 950Wp Pernštejnsko, trvale obydlená chata
GRATULUJI !!!
A vitam mezi mistni milionare.
A vitam mezi mistni milionare.
Investicí do FVE chci ušetřit, né okrádat národ na odpustcích za výkup a nějaký barevný bonus!
2.8kWp + Vertex/InfiniSolar 3kW + 100Ah 48V LiFeYPO + A20mikroserver = moje FVE
2.8kWp + Vertex/InfiniSolar 3kW + 100Ah 48V LiFeYPO + A20mikroserver = moje FVE
Kdo je online
Uživatelé prohlížející si toto fórum: Ahrefs [Bot], Claudebot [Bot], Semrush [Bot] a 1 host
