Bojlér
Souhrn tématu
Uživatel sdílí svůj plán zapojení bojleru s výkonem 3,3 kW, který je během léta napojen na fotovoltaický systém. Diskutuje rozdělení spirál na samostatné okruhy pro efektivní využití 24V a 48V FV systému a večerní ohřev přes stykač. Výhodou je zachování originálního i havarijního termostatu. Hledá zpětnou vazbu a rady k tomuto zapojení.
- Skrat
- Příspěvky: 626
- Registrován: sob zář 24, 2016 10:39 pm
- Reputace:27
- Lokalita: Veselí nad lužnicí
- Systémové napětí: 48V
- Výkon panelů [Wp]: 7,38kWp
- Kapacita baterie [kWh]: 900Ah
- Chci prodávat energii: NE
- Chci/Mám dotaci: NE
- Bydliště: Veselí nad Lužnicí
Bojlér
Dobrý den
Admin edit: proč je příspěvek v DOC souboru a ne přímo? Vytaženo ze souboru sem...
Dobrý den.
Jdu pro posouzení mého plánovaného zapojení bojléru.
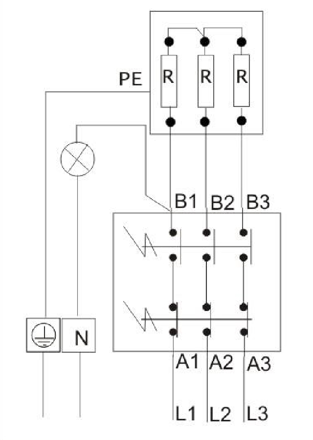
Takto je orginál zapojen bojlér. TJ 6/4 3,3kW
Celý léto to mám zapojeno na FV a to tak že :
Pe zústává jak je.
L1 přepnuto na FV na N
L2+L3 spojeno a zapojeno na FV na Fázi.
Celý léto vše OK,protože bylo dostatek času na ohřev vody.
Sehnal sem skoro stejný mokrý těleso TJ 6/4 3kW. Každá spirála tedy 1kW.Co je podstatný tak u této spirály jde odmontovat společný propoj u těles. Ke každý spirále sem teda přidal modrý drát(jako N,nebo jako uzel propojení.)
Plánuji toto: První spirálu používat na DS—L1 +modrý =230V 1kW ovládáno samostatně,přes stykač ve večerních hodinách při nedostatku teplý vody/slunko neohřálo.
Spirálu na L2+modrý=FV =vytěžování 24V systému
Spirálu na L3+modrý=FV=vytěžování 48V systému
Jako výhodu vidím že zachovám orginální termostat i havarijní termostat.
Co mi na to povíte?
Admin edit: proč je příspěvek v DOC souboru a ne přímo? Vytaženo ze souboru sem...
Dobrý den.
Jdu pro posouzení mého plánovaného zapojení bojléru.
Takto je orginál zapojen bojlér. TJ 6/4 3,3kW
Celý léto to mám zapojeno na FV a to tak že :
Pe zústává jak je.
L1 přepnuto na FV na N
L2+L3 spojeno a zapojeno na FV na Fázi.
Celý léto vše OK,protože bylo dostatek času na ohřev vody.
Sehnal sem skoro stejný mokrý těleso TJ 6/4 3kW. Každá spirála tedy 1kW.Co je podstatný tak u této spirály jde odmontovat společný propoj u těles. Ke každý spirále sem teda přidal modrý drát(jako N,nebo jako uzel propojení.)
Plánuji toto: První spirálu používat na DS—L1 +modrý =230V 1kW ovládáno samostatně,přes stykač ve večerních hodinách při nedostatku teplý vody/slunko neohřálo.
Spirálu na L2+modrý=FV =vytěžování 24V systému
Spirálu na L3+modrý=FV=vytěžování 48V systému
Jako výhodu vidím že zachovám orginální termostat i havarijní termostat.
Co mi na to povíte?
- Přílohy
Dobrý den.doc- (71.5 KiB) Staženo 264 x
24V systém. V=1760Wp,Z= 3520Wp.J= 720Wp.Baterky Lion 600Ah celkem.Regulátor 2x6415AN+Must 80A/3000W+1x4415N na jižní stranu.Měnič victron 1200W+350W. Axpert VP 24/3000W na přebytky.Vše stále ve výstavbě.Začínám stavět 48V systém pro RD.Zatím 7,38kWp jih,Lion 900Ah.Epever 48/2000W na přebytky ,Victron 500W,Epever 5kW
- Skrat
- Příspěvky: 626
- Registrován: sob zář 24, 2016 10:39 pm
- Reputace:27
- Lokalita: Veselí nad lužnicí
- Systémové napětí: 48V
- Výkon panelů [Wp]: 7,38kWp
- Kapacita baterie [kWh]: 900Ah
- Chci prodávat energii: NE
- Chci/Mám dotaci: NE
- Bydliště: Veselí nad Lužnicí
Re: Bojlér
pardon za divně napsaný dotaz.celý se mi to divně uložilo.
24V systém. V=1760Wp,Z= 3520Wp.J= 720Wp.Baterky Lion 600Ah celkem.Regulátor 2x6415AN+Must 80A/3000W+1x4415N na jižní stranu.Měnič victron 1200W+350W. Axpert VP 24/3000W na přebytky.Vše stále ve výstavbě.Začínám stavět 48V systém pro RD.Zatím 7,38kWp jih,Lion 900Ah.Epever 48/2000W na přebytky ,Victron 500W,Epever 5kW
- Skrat
- Příspěvky: 626
- Registrován: sob zář 24, 2016 10:39 pm
- Reputace:27
- Lokalita: Veselí nad lužnicí
- Systémové napětí: 48V
- Výkon panelů [Wp]: 7,38kWp
- Kapacita baterie [kWh]: 900Ah
- Chci prodávat energii: NE
- Chci/Mám dotaci: NE
- Bydliště: Veselí nad Lužnicí
Re: Bojlér
admin: děkuji za upravu.Nejsem přeborník v používání PC. Nevím ani jak sem to vlastně pokazil. Ještě jednou děkuji za upravu
24V systém. V=1760Wp,Z= 3520Wp.J= 720Wp.Baterky Lion 600Ah celkem.Regulátor 2x6415AN+Must 80A/3000W+1x4415N na jižní stranu.Měnič victron 1200W+350W. Axpert VP 24/3000W na přebytky.Vše stále ve výstavbě.Začínám stavět 48V systém pro RD.Zatím 7,38kWp jih,Lion 900Ah.Epever 48/2000W na přebytky ,Victron 500W,Epever 5kW
Kdo je online
Uživatelé procházející toto fórum: Claudebot [Bot]
