Jaký je rozdíl v zapojení?
Souhrn tématu
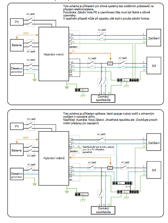
Diskuze se věnuje rozdílům v zapojení vodičů N, PE a PEN v elektrických instalacích, zejména v kontextu odpojení distribuční soustavy (DS). Uživatelé vysvětlují, proč je někdy nutné propojit vodiče N a PE, jak funguje ochrana proudovým chráničem a jak správně zapojit střídač v TN-C a TN-C-S systémech. Sdílí se zkušenosti s ekvipotenciálním propojením a správným umístěním můstků pro bezpečný provoz a ochranu před úrazem elektrickým proudem.
-
sheepak
- Příspěvky: 12
- Registrován: pon kvě 11, 2020 7:13 pm
- Reputace: 0
Jaký je rozdíl v zapojení?
Vysvětlí někdo jaký je rozdíl v zapojení na obrázku, kdy jednou jsou vodiče Nin a Nout oddělené a proč se při odpojení DS musí propojit N+PE? Proč za chodu DS je PE+N rozpojeno.
Druhý případ kdy se Nin a Nout spojí dohromady na N můstek, mě připadá srozumintelnější, ale absolutně nechápu proč se nemá na výstupu připojovat PE vodič a pokud by byl, zda to něčemu vadí?
Druhý případ kdy se Nin a Nout spojí dohromady na N můstek, mě připadá srozumintelnější, ale absolutně nechápu proč se nemá na výstupu připojovat PE vodič a pokud by byl, zda to něčemu vadí?
-
Mart
- Příspěvky: 187
- Registrován: ned kvě 01, 2022 2:02 pm
- Reputace: 14
- Bydliště: Prostejov
Re: Jaký je rozdíl v zapojení?
Kdysi jsem to měl vyzkoumané a teď už si to zase pořádně nepamatuju. A v neděli večer po pár pivech se mi zase tolik nechce přemýšlet.
Ale trochu napovím.
Souvisí to s TN-S (první obrázek) a TN-C (druhý obrázek).
A taky je další souvislost s tím, že pokud se u hybridního měniče ztratí síť (jde do ostrovního režimu), tak měnič odpojí vnitřně DS a následně propojí na výstupní straně PE a N. Takže u rozvodu TN-S se tak vytvoří na výstupu měniče uzel a pak bude zaručena funkce případných proudových chráničů.
A u TN-C není nutné vytvářet spojení N a PE uvnitř měniče, když je vytvořen v rozvaděči.
Tak nějak jsem si to zdůvodnil a taky je to možná úplně jinak.
Fakt se mi nechce myslet. Doma to mám zapojené podle druhého obrázku, protože mám TN-C. A protože to funguje, tak už jsem své dávné myšlenkové pochody zapomněl.
A možná už jsem to na fórum někdy dával.
Ale trochu napovím.
Souvisí to s TN-S (první obrázek) a TN-C (druhý obrázek).
A taky je další souvislost s tím, že pokud se u hybridního měniče ztratí síť (jde do ostrovního režimu), tak měnič odpojí vnitřně DS a následně propojí na výstupní straně PE a N. Takže u rozvodu TN-S se tak vytvoří na výstupu měniče uzel a pak bude zaručena funkce případných proudových chráničů.
A u TN-C není nutné vytvářet spojení N a PE uvnitř měniče, když je vytvořen v rozvaděči.
Tak nějak jsem si to zdůvodnil a taky je to možná úplně jinak.
Fakt se mi nechce myslet. Doma to mám zapojené podle druhého obrázku, protože mám TN-C. A protože to funguje, tak už jsem své dávné myšlenkové pochody zapomněl.
A možná už jsem to na fórum někdy dával.
měnič GW3648D-ES, baterie 4x Pylontech US3000C (celkově 14,4 kWh)
panely mono 1920 Wp východ (sklon 20°) + 1920 Wp západ (sklon 16°)
panely mono 1920 Wp východ (sklon 20°) + 1920 Wp západ (sklon 16°)
-
sheepak
- Příspěvky: 12
- Registrován: pon kvě 11, 2020 7:13 pm
- Reputace: 0
Re: Jaký je rozdíl v zapojení?
Nejsem si jist jak je vnitřně spojen střídač ongrid a offgrid. Možná teď řeknu blábol, střídač pokud je ongrid jsou spojené obvody přes nějaký vazební spínač tedy i vodiče N. Pokud je stridač v offgrid rozpojí vazební spínač všechny pracovní vodiče tedy i vodič N, (stane se z toho IT síť?) a proto vnitřní relé propojí N-PE a vytvoří se tak uzel pro funkčnost chráničů. V druhém případě je použit vodič N připojen na můstek není již nutné přes kontak spojovat N-PE pokud bude střídač v offgridu. Jde mi jen o to pokud by byl použit druhý model a i když se "nemá" připojovat vodič PE zda to vadí nebo je to v rozporu s normami.(již rozdělený N-PE se nesmí spojovat).
-
Keraj
- Příspěvky: 480
- Registrován: čtv dub 21, 2022 7:15 pm
- Reputace: 34
- Lokalita: Poblíž Hradce Králové
- Systémové napětí: 48V
Re: Jaký je rozdíl v zapojení?
A není na obou těch nákresech náhodou síť TN-S se třemi vodiči L, N, PE ?
A to spojení N-PE na druhém obrázku, co obchází vnitřní zapojení měniče, není v rozporu s normou?
TN-C nevyužívá jen dva vodiče L, PEN ?
A to spojení N-PE na druhém obrázku, co obchází vnitřní zapojení měniče, není v rozporu s normou?
TN-C nevyužívá jen dva vodiče L, PEN ?
16 panelů DHM-72L9-450 Wp = 7200Wp jih, sklon 17°
2 regulátory EPever Tracer 6415 AN = 6000W
Paralelní adaptér PAL-ADP-50AN
Hlavní měniče Multiplus2 5000VA v sérii 4 + 4kW
Měniče EPever IP+ pro vytěžování 5, 3 a 2kW
135 + 135 + 230 = 500Ah LiFePo na 48V
3* BMS a Balancer Seplos
2 regulátory EPever Tracer 6415 AN = 6000W
Paralelní adaptér PAL-ADP-50AN
Hlavní měniče Multiplus2 5000VA v sérii 4 + 4kW
Měniče EPever IP+ pro vytěžování 5, 3 a 2kW
135 + 135 + 230 = 500Ah LiFePo na 48V
3* BMS a Balancer Seplos
-
Mart
- Příspěvky: 187
- Registrován: ned kvě 01, 2022 2:02 pm
- Reputace: 14
- Bydliště: Prostejov
Re: Jaký je rozdíl v zapojení?
Uvnitř měniče by měly být EMC filtry, které jsou symetrické, co se týká L a N (např. proudově kompenzované tlumivky). Zapojením na druhém obrázku se tyto filtry obejdou (tedy co se týká N) a tak je vliv těchto filtrů potlačen.
měnič GW3648D-ES, baterie 4x Pylontech US3000C (celkově 14,4 kWh)
panely mono 1920 Wp východ (sklon 20°) + 1920 Wp západ (sklon 16°)
panely mono 1920 Wp východ (sklon 20°) + 1920 Wp západ (sklon 16°)
-
cipis
- Moderátor
- Příspěvky: 6773
- Registrován: pon srp 16, 2021 9:31 pm
- Reputace: 933
- Lokalita: blízko Brna
- Systémové napětí: 24V
- Výkon panelů [Wp]: 13+ kWp
- Kapacita baterie [kWh]: 40+26
- Chci prodávat energii: NE
- Chci/Mám dotaci: NE
- Bydliště: blízko Brna
Re: Jaký je rozdíl v zapojení?
Co je v rozporu s normou?
Z DS máš vždy TN-C, protože ti jde L a PEN.
Doma si PEN přizemníš a dále vedeš L, N a PE, jako TN-C-S (pokud tedy ještě nemáš dnes již zakázanou ochranu "nulováním, tedy jen L a PEN v baráku).
Měnič máš jako IT, ale to sebou obnáší dvojité jističe (na prvním obrázku jasně vidět), protože nemáš L a N, ale dva fázové vodiče. Takže si z IT sítě uděláš přizemněním jednoho fázového vodiče z měniče síť typu TN. Potom lze používat jednopólové jističe. A vzhledem k tomu, že máš doma zemnící můstek, tak si to uděláš jako TN-S.
Dost se plete to, že za rozdělením se nesmí zase spojovat (TN-S na TN-C), ale tady se vůbec nejedná o změnu TN sítě, ale o změnu IT sítě na TN síť.
Z DS máš vždy TN-C, protože ti jde L a PEN.
Doma si PEN přizemníš a dále vedeš L, N a PE, jako TN-C-S (pokud tedy ještě nemáš dnes již zakázanou ochranu "nulováním, tedy jen L a PEN v baráku).
Měnič máš jako IT, ale to sebou obnáší dvojité jističe (na prvním obrázku jasně vidět), protože nemáš L a N, ale dva fázové vodiče. Takže si z IT sítě uděláš přizemněním jednoho fázového vodiče z měniče síť typu TN. Potom lze používat jednopólové jističe. A vzhledem k tomu, že máš doma zemnící můstek, tak si to uděláš jako TN-S.
Dost se plete to, že za rozdělením se nesmí zase spojovat (TN-S na TN-C), ale tady se vůbec nejedná o změnu TN sítě, ale o změnu IT sítě na TN síť.
Keraj píše:A není na obou těch nákresech náhodou síť TN-S se třemi vodiči L, N, PE ?
A to spojení N-PE na druhém obrázku, co obchází vnitřní zapojení měniče, není v rozporu s normou?
TN-C nevyužívá jen dva vodiče L, PEN ?
13,38 kWp: 9850 Wp Jih, 2040 Wp Východ, 1490 Wp Západ
Regulátory Epever a Victron
Phoenix 5 kVA + MP 24/5000 (můj byt + wifi/kamery/atd. + máti byt)
MP2 24/5000 vytěžování do akumulačních kamen
Epever 3kW vytěžování do bojlerů + žebříky
1 kW "nabíječka" 24 V
40+ kWh staré olovo 26+ kWh Li-Ion
několik dalších MP jako záložní zdroje na různých místech
Modře píši jako moderátor, černě jako člen.
Regulátory Epever a Victron
Phoenix 5 kVA + MP 24/5000 (můj byt + wifi/kamery/atd. + máti byt)
MP2 24/5000 vytěžování do akumulačních kamen
Epever 3kW vytěžování do bojlerů + žebříky
1 kW "nabíječka" 24 V
40+ kWh staré olovo 26+ kWh Li-Ion
několik dalších MP jako záložní zdroje na různých místech
Modře píši jako moderátor, černě jako člen.
-
Keraj
- Příspěvky: 480
- Registrován: čtv dub 21, 2022 7:15 pm
- Reputace: 34
- Lokalita: Poblíž Hradce Králové
- Systémové napětí: 48V
Re: Jaký je rozdíl v zapojení?
No ale tam je všude nakreslené TN-S, jak u měniče, tak u DS, žádný PEN vodič tam nevidím.... tedy se mi nezdá ten propoj N a PE můstků daleko od bodu rozpadu ..
a měnič má vstup i výstup označen L+N+PE a nikoliv F1+F2 + PEN
Předpokládám že to označení je dle funkce a platných norem, nebo by alespoň být mělo.
Nebo se pletu?
a měnič má vstup i výstup označen L+N+PE a nikoliv F1+F2 + PEN
Předpokládám že to označení je dle funkce a platných norem, nebo by alespoň být mělo.
Nebo se pletu?
16 panelů DHM-72L9-450 Wp = 7200Wp jih, sklon 17°
2 regulátory EPever Tracer 6415 AN = 6000W
Paralelní adaptér PAL-ADP-50AN
Hlavní měniče Multiplus2 5000VA v sérii 4 + 4kW
Měniče EPever IP+ pro vytěžování 5, 3 a 2kW
135 + 135 + 230 = 500Ah LiFePo na 48V
3* BMS a Balancer Seplos
2 regulátory EPever Tracer 6415 AN = 6000W
Paralelní adaptér PAL-ADP-50AN
Hlavní měniče Multiplus2 5000VA v sérii 4 + 4kW
Měniče EPever IP+ pro vytěžování 5, 3 a 2kW
135 + 135 + 230 = 500Ah LiFePo na 48V
3* BMS a Balancer Seplos
-
glottis
- Příspěvky: 3669
- Registrován: stř úno 02, 2022 10:30 am
- Reputace: 474
- Lokalita: okolí Mělníka
- Systémové napětí: 48V
- Výkon panelů [Wp]: 13000
- Kapacita baterie [kWh]: 15
Re: Jaký je rozdíl v zapojení?
Nop to je prave ta blbost co ti tam mozna vnasi neporozumeni. Z DS u nas nedostanes N + PE ale jen PEN a delis si ho dama. To co je na obrazku je kravina. kdo vi pro jake zeme to je namalovane a pro jaky menic.
-
Mart
- Příspěvky: 187
- Registrován: ned kvě 01, 2022 2:02 pm
- Reputace: 14
- Bydliště: Prostejov
Re: Jaký je rozdíl v zapojení?
Takové obrázky mám v manuálu u měniče Goodwe řady ES.glottis píše:Nop to je prave ta blbost co ti tam mozna vnasi neporozumeni. Z DS u nas nedostanes N + PE ale jen PEN a delis si ho dama. To co je na obrazku je kravina. kdo vi pro jake zeme to je namalovane a pro jaky menic.
A mám pocit, že když jsem měřil ty PE, tak svorka PE u vstupu byla propojena s uzemňovací svorkou na boku měniče, ale svorka PE na výstupu nebyla propojena s uzemňovací svorkou na boku měniče.
A příklad zemí je uveden v záhlaví druhého obrázku.
měnič GW3648D-ES, baterie 4x Pylontech US3000C (celkově 14,4 kWh)
panely mono 1920 Wp východ (sklon 20°) + 1920 Wp západ (sklon 16°)
panely mono 1920 Wp východ (sklon 20°) + 1920 Wp západ (sklon 16°)
-
sheepak
- Příspěvky: 12
- Registrován: pon kvě 11, 2020 7:13 pm
- Reputace: 0
Re: Jaký je rozdíl v zapojení?
cipis píše:Co je v rozporu s normou?
Z DS máš vždy TN-C, protože ti jde L a PEN.
Doma si PEN přizemníš a dále vedeš L, N a PE, jako TN-C-S (pokud tedy ještě nemáš dnes již zakázanou ochranu "nulováním, tedy jen L a PEN v baráku).
Měnič máš jako IT, ale to sebou obnáší dvojité jističe (na prvním obrázku jasně vidět), protože nemáš L a N, ale dva fázové vodiče. Takže si z IT sítě uděláš přizemněním jednoho fázového vodiče z měniče síť typu TN. Potom lze používat jednopólové jističe. A vzhledem k tomu, že máš doma zemnící můstek, tak si to uděláš jako TN-S.
Dost se plete to, že za rozdělením se nesmí zase spojovat (TN-S na TN-C), ale tady se vůbec nejedná o změnu TN sítě, ale o změnu IT sítě na TN síť.
A jak nabastlit IT síť na již hotové rozvody TN-S v domě. Nebylo by lépe v sítí IT hlídat izolační stav? To asi doma ale nikdo dělat nebude, nebo ano?
-
Keraj
- Příspěvky: 480
- Registrován: čtv dub 21, 2022 7:15 pm
- Reputace: 34
- Lokalita: Poblíž Hradce Králové
- Systémové napětí: 48V
Re: Jaký je rozdíl v zapojení?
Nemusí to nutně být kravina.glottis píše:Nop to je prave ta blbost co ti tam mozna vnasi neporozumeni. Z DS u nas nedostanes N + PE ale jen PEN a delis si ho dama. To co je na obrazku je kravina. kdo vi pro jake zeme to je namalovane a pro jaky menic.
Pokud PEN z DS rozdělím a přízemním u elektroměru a dále jdu PE a N třeba do technické místnosti kde mám rozvaděč i měnič, mám v daném místě pouze síť TN-S jako na obrázku.
Jinak souhlasím s tím že bez znalosti vnitřního zapojení a funkce měniče bude asi lepší síť TN-S vytvořit až za ním.
16 panelů DHM-72L9-450 Wp = 7200Wp jih, sklon 17°
2 regulátory EPever Tracer 6415 AN = 6000W
Paralelní adaptér PAL-ADP-50AN
Hlavní měniče Multiplus2 5000VA v sérii 4 + 4kW
Měniče EPever IP+ pro vytěžování 5, 3 a 2kW
135 + 135 + 230 = 500Ah LiFePo na 48V
3* BMS a Balancer Seplos
2 regulátory EPever Tracer 6415 AN = 6000W
Paralelní adaptér PAL-ADP-50AN
Hlavní měniče Multiplus2 5000VA v sérii 4 + 4kW
Měniče EPever IP+ pro vytěžování 5, 3 a 2kW
135 + 135 + 230 = 500Ah LiFePo na 48V
3* BMS a Balancer Seplos
-
mirekcafa
- Příspěvky: 468
- Registrován: úte zář 06, 2022 2:47 pm
- Reputace: 33
- Lokalita: českotřebovsko
- Systémové napětí: 48V
- Chci prodávat energii: NE
- Chci/Mám dotaci: NE
- Bydliště: českotřebovsko
Re: Jaký je rozdíl v zapojení?
Stále mi není jasné o co tu jde. Mám připravenou kabeláž takto: domovní rozvodnice klasika L + PEN, na liště rozděleno na L+N+PE a taženo na svorky do měniče. Z měniče připojeno na svorky L+N+PE přes ATS. Přes ATS L+N, PE jde mimo. Pak L+N+PE zpět do rozvodnice na tu samou lištu. Takže na liště pospojované N+PE do měniče, z měniče a do domácnosti. Je to tak v pořádku? Měnič Čína Easun SMX II.
Mimochodem co je myšleno na tom obrázku v obdélníku zátížení?
Mimochodem co je myšleno na tom obrázku v obdélníku zátížení?
Měnič Easun SMX II 5,6 Kw, 8x Huasun HTJ 445Wp stříbrný rám, bifaciální, Lifepo4 16x 105 AH JK BMS
-
bokser01
- Příspěvky: 1661
- Registrován: pon úno 07, 2022 2:43 pm
- Reputace: 121
- Lokalita: Okolí Pardubic
- Systémové napětí: 24V
- Výkon panelů [Wp]: 10120
- Kapacita baterie [kWh]: 28
- Chci prodávat energii: NE
- Chci/Mám dotaci: NE
Re: Jaký je rozdíl v zapojení?
Já z DS si vedu k měniči L a PEN. Ten PEN se v místě u měničů rozděluje na N a PE a toto místo má svojí ekvipotencionální svorkovnici svedenou za domovní zem. Do měniče jede pak L, N a PE. Z měniče vede pak L, N a PE.
Za měničem mám ovšem hned rozvaděč, který má můstek kde je přizemněn výstupní N měniče tedy je propojen s PE. (na ten můstek v rozvaděči vede 6mm2 PE opět z ekvipotencionální svorkovnice) To N mám přizemněno ze známého důvodu lítání napětí na výstupním N z měniče od 80 do 115V. Za tímto propojením již nikde není spojeno N a PE. Pokračuje to dále přes jistič a proudový chránič dál do domu. Chránič vybaví jak je potřeba protože za ním již nikde spojeno N a PE není a zároveň mám jistotu že nemám "živý" N vodič na výstupu měniče.
Funguje mi to takto již rok. Chránič chodím testovat poctivě každý měsíc
Za měničem mám ovšem hned rozvaděč, který má můstek kde je přizemněn výstupní N měniče tedy je propojen s PE. (na ten můstek v rozvaděči vede 6mm2 PE opět z ekvipotencionální svorkovnice) To N mám přizemněno ze známého důvodu lítání napětí na výstupním N z měniče od 80 do 115V. Za tímto propojením již nikde není spojeno N a PE. Pokračuje to dále přes jistič a proudový chránič dál do domu. Chránič vybaví jak je potřeba protože za ním již nikde spojeno N a PE není a zároveň mám jistotu že nemám "živý" N vodič na výstupu měniče.
Funguje mi to takto již rok. Chránič chodím testovat poctivě každý měsíc
MUST 3KW 80A MPPT 24V/ 3,75kWp stringy 5s3P 200wp + 5s1P 150wp. 2 měnič MUST 3KW 80A MPPT 24V 6370Wp stringy 2S4P 400wp bifacial + 2S1P 410wp + 2S3P 395wp Baterie 28KWh lifepo4 (4X 8S 280Ah EVE), Celek tedy 10120Wp 
-
Miki.X
- Příspěvky: 12
- Registrován: sob kvě 09, 2020 11:08 am
- Reputace: 0
Re: Jaký je rozdíl v zapojení?
Zdravím
a jak se zapojí takový střídač v domě kde je vše ještě v TN-C tzv. dvouvodičově.
Pochybuji že ne všechny objekty kde mají nainstalovaný hybridní střídač mají TN-S třivodičové rozvody.
a jak se zapojí takový střídač v domě kde je vše ještě v TN-C tzv. dvouvodičově.
Pochybuji že ne všechny objekty kde mají nainstalovaný hybridní střídač mají TN-S třivodičové rozvody.
-
Diablo1st
- Příspěvky: 2223
- Registrován: pon lis 01, 2021 7:41 pm
- Reputace: 210
- Lokalita: MY, SR
- Výkon panelů [Wp]: 10200
- Kapacita baterie [kWh]: 28
- Bydliště: SR MY
Re: Jaký je rozdíl v zapojení?
Úplne jednoducho. N a PE sa pripoja priamo na PEN zbernicu.
Victron ESS AC Coupling:
2,75kWp on-grid + 3,3kWp a 4,15kWp RS450/100 + MP2 5kVA + 2x 17x280Ah + JK BMS
2,75kWp on-grid + 3,3kWp a 4,15kWp RS450/100 + MP2 5kVA + 2x 17x280Ah + JK BMS
-
Miki.X
- Příspěvky: 12
- Registrován: sob kvě 09, 2020 11:08 am
- Reputace: 0
-
mika
- Příspěvky: 140
- Registrován: stř říj 06, 2021 9:03 pm
- Reputace: 18
- Lokalita: Praha Západ
- Systémové napětí: 48V
- Výkon panelů [Wp]: 6000
- Kapacita baterie [kWh]: 24
- Chci prodávat energii: NE
- Chci/Mám dotaci: NE
Re: Jaký je rozdíl v zapojení?
Přívod do domu máš TN-C a v domě pak TN-C-S. (viz ten tvůj spodní obrázek). Dělat to jako IT nedává smysl, protože DS není IT a nikdy to nepůjde propojit. Místo hlídání izolačního stavu tam musíš mít proudové chrániče z důvodu ochrany proti dotyku živých částí.sheepak píše:A jak nabastlit IT síť na již hotové rozvody TN-S v domě. Nebylo by lépe v sítí IT hlídat izolační stav? To asi doma ale nikdo dělat nebude, nebo ano?
Pokud jsou všechny PE svorky na zařízení vnitřně propojeny, tak dává smysl tam PE táhnout jen jednou, aby nevznikala smyčka do které se může něco indukovat.
2x 3kWp 2x 5kW 24kWh - Moje malá kumbálová: https://forum.mypower.cz/viewtopic.php?t=7587
- bublich
- Příspěvky: 407
- Registrován: sob črc 11, 2020 12:42 am
- Reputace: 67
Re: Jaký je rozdíl v zapojení?
Před tím elektroměrem je jističochránič nebo jste se upsal (300mA,dřevostavba)? Pokud ano,podle té procházející provozní nuly na prvním obrázku,pak ale přívod je TNS,po spojení těch nul chránič (RCD) bude padat.
-
Miki.X
- Příspěvky: 12
- Registrován: sob kvě 09, 2020 11:08 am
- Reputace: 0
Re: Jaký je rozdíl v zapojení?
Před elektroměrem je jistič, žádný chránič v instalaci není.
Mohu tedy pokládat obrázek za "OK" ?
Mohu tedy pokládat obrázek za "OK" ?
-
mmv
- Příspěvky: 225
- Registrován: úte dub 13, 2021 10:45 pm
- Reputace: 23
- Lokalita: východ Prahy
- Systémové napětí: 48V
- Výkon panelů [Wp]: 13500
- Kapacita baterie [kWh]: 20
- Chci prodávat energii: NE
- Chci/Mám dotaci: NE
Re: Jaký je rozdíl v zapojení?
pravděpodobně je malůvka od někde vypůjčená
https://chintglobal.com/blog/difference ... rccb-rcbo/
https://chintglobal.com/blog/difference ... rccb-rcbo/
9900Wp 6×ESM-450H, 6×UL-450M-144HV 8×VDS-S144 zzj 15°, 3600Wp 8×AS-6m144VV vvs 30° 2× Epever 4415, 1×Easun 8048, Axpert king 5kW, 240Ah staré olovo, 450Ah LI-ION mivvyenergy.cz
Kdo je online
Uživatelé prohlížející si toto fórum: Claudebot [Bot] a 1 host