odpínač eaton SO30LX
Souhrn tématu
Diskuze se zaměřuje na správné zapojení odpínače Eaton SO30LX v solárních instalacích, zejména zda je potřeba přidat DC pojistky ke každému stringu panelů. Uživatelé řeší, jak zajistit bezpečnost při zkratu a správnou funkci odpínače s ohledem na proudové parametry a počet panelů v sérii. Doporučuje se mít pojistky na panelech, ale pokud je odpínač již instalován, další odpínač není nutný.
-
hardcore
- Příspěvky: 29
- Registrován: stř říj 12, 2022 6:07 am
- Reputace: 0
odpínač eaton SO30LX
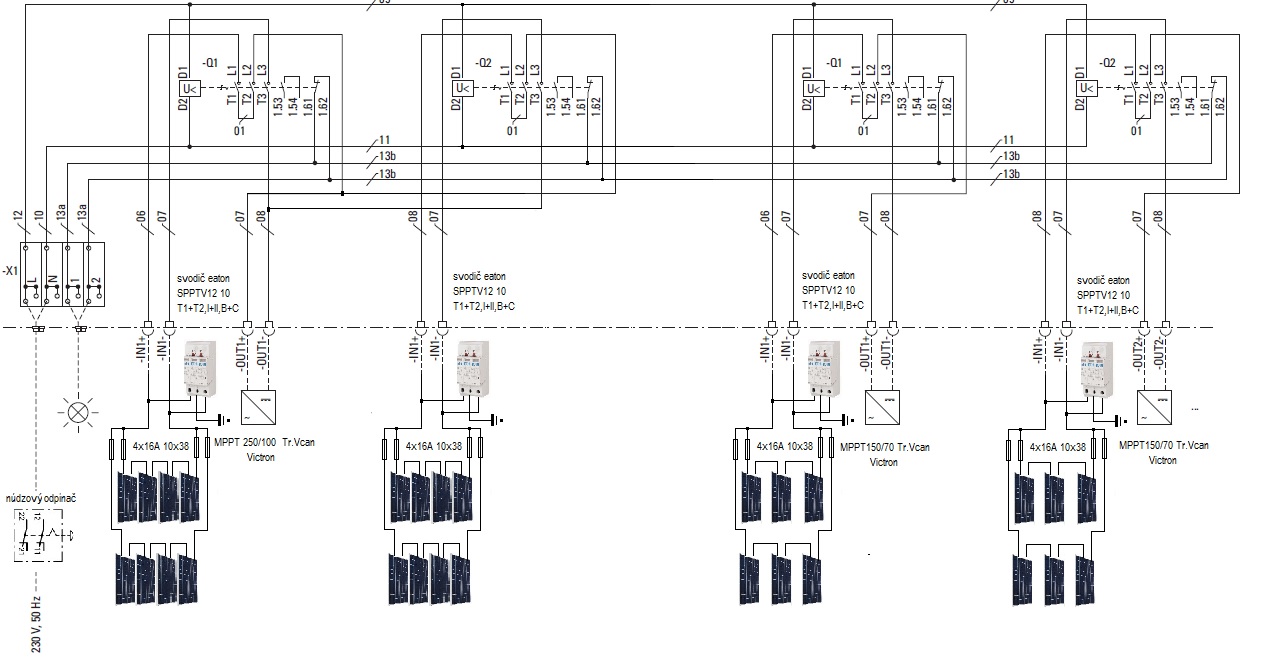
zdravím vás chcel by som sa poradiť či je potrebné medzi panely a odpínač SOL30 zapojiť do série ku každému stringu ešte DC odpínač s poistkou,alebo len čisto poistku aby pri náhodnom skrate neodpojilo naraz všetky stringy
- Přílohy
-
sol30x_series.pdf- (2.75 MiB) Staženo 263 x
-
Soban
- Příspěvky: 4570
- Registrován: pon úno 07, 2022 10:11 pm
- Reputace: 305
- Lokalita: Zlaté Hory / Olomouc
- Systémové napětí: 24V
- Výkon panelů [Wp]: 3600
- Kapacita baterie [kWh]: 16
- Chci prodávat energii: NE
- Chci/Mám dotaci: NE
- Bydliště: Zlaté Hory
Re: odpínač eaton SO30LX
Když už tam odpínač je tak netřeba dávat další.
Jinak pojistku na panely třeba mít.
Jinak pojistku na panely třeba mít.
3,6kWp
| 2x MUST PV18-3024 VHM, 3kW/24V | 16kWh 
-
hardcore
- Příspěvky: 29
- Registrován: stř říj 12, 2022 6:07 am
- Reputace: 0
Re: odpínač eaton SO30LX
ok ďakujem
len keď puzdro na poistku na din lištu vinde pomali 2xtolko ako odpájač s puzdro na poistku a ešte aj signalizácia
https://www.mouser.sk/ProductDetail/Lit ... ZoXw%3D%3D
https://www.emas.cz/noark-101767-pojist ... ex9fp-2p-3
len keď puzdro na poistku na din lištu vinde pomali 2xtolko ako odpájač s puzdro na poistku a ešte aj signalizácia
https://www.mouser.sk/ProductDetail/Lit ... ZoXw%3D%3D
https://www.emas.cz/noark-101767-pojist ... ex9fp-2p-3
-
hardcore
- Příspěvky: 29
- Registrován: stř říj 12, 2022 6:07 am
- Reputace: 0
Re: odpínač eaton SO30LX
chcel som sa ešte opýtať na jeden odpínač môžem pripojiť string 4S 4P,alebo ich rozdeliť na dva odpínače 4S a 2P
UE-100V
Ie 26A
Icw-360A
Icm-320A
ImpA jendného panela je max 13,07A
UE-100V
Ie 26A
Icw-360A
Icm-320A
ImpA jendného panela je max 13,07A
-
hardcore
- Příspěvky: 29
- Registrován: stř říj 12, 2022 6:07 am
- Reputace: 0
Re: odpínač eaton SO30LX
skúste ma aspom opraviť ak som správne pochopil tak odpinač pracuje minimálne s troma panelmi v série pre správnu funkciu potrebuje zatažiť kontakty minimálne 26A a maximálne je možné pripojiť cca 24panelou 320A
-
hardcore
- Příspěvky: 29
- Registrován: stř říj 12, 2022 6:07 am
- Reputace: 0
Kdo je online
Uživatelé prohlížející si toto fórum: Claudebot [Bot] a 0 hostů