Plán chata max 2kWp
-
- Příspěvky: 132
- Registrován: pát dub 29, 2022 9:35 am
- Reputace: 9
- Lokalita: Kadaň
- Systémové napětí: 48V
- Výkon panelů [Wp]: 1680
Re: Plán chata max 2kWp
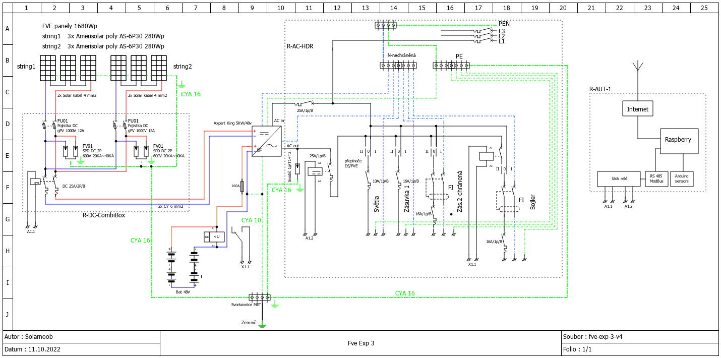
Sakra a je tam chyba. Chybí N klema na měniči.takže znovu a lepeSolarnoob píše:Upravené schéma verze 3.
Můžete kritizovat, děkuji za věcné připomínky.
9x 280 Wp AmeriSolar| Axpert King I 5000-48V | 4x Sonnenschein SRP 12V 175 A RAIL
-
- Příspěvky: 132
- Registrován: pát dub 29, 2022 9:35 am
- Reputace: 9
- Lokalita: Kadaň
- Systémové napětí: 48V
- Výkon panelů [Wp]: 1680
Re: Plán chata max 2kWp
Tak snad finále 

9x 280 Wp AmeriSolar| Axpert King I 5000-48V | 4x Sonnenschein SRP 12V 175 A RAIL
-
- Moderátor
- Příspěvky: 6257
- Registrován: pon srp 16, 2021 9:31 pm
- Reputace: 849
- Lokalita: blízko Brna
- Systémové napětí: 24V
- Výkon panelů [Wp]: 13+ kWp
- Kapacita baterie [kWh]: 40+15
- Chci prodávat energii: NE
- Chci/Mám dotaci: NE
- Bydliště: blízko Brna
Re: Plán chata max 2kWp
Prizemneni panelu chces tahnout vnitrkem, pres propoj u tech prepetovek?
A u svetelneho okruhu bys mel mit uz ten dvojity jistic s ochranou proti jiskreni ci jak se to vlastne jmenuje.
A u svetelneho okruhu bys mel mit uz ten dvojity jistic s ochranou proti jiskreni ci jak se to vlastne jmenuje.
13,38 kWp: 9850 Wp Jih, 2040 Wp Východ, 1490 Wp Západ
Regulátory Epever a Victron
Phoenix 5 kVA + MP 24/5000 (můj byt + wifi/kamery/atd. + máti byt)
MP2 24/5000 vytěžování do akumulačních kamen
Epever 3kW vytěžování do bojlerů + žebříky
1 kW "nabíječka" 24 V
40 680 Wh staré olovo 15 258 Wh Li-Ion
záloha čerpadla ve sklepě MP12/3000/120-16 + 100Ah 12V monbat
Modře píši jako moderátor, černě jako člen.
Regulátory Epever a Victron
Phoenix 5 kVA + MP 24/5000 (můj byt + wifi/kamery/atd. + máti byt)
MP2 24/5000 vytěžování do akumulačních kamen
Epever 3kW vytěžování do bojlerů + žebříky
1 kW "nabíječka" 24 V
40 680 Wh staré olovo 15 258 Wh Li-Ion
záloha čerpadla ve sklepě MP12/3000/120-16 + 100Ah 12V monbat
Modře píši jako moderátor, černě jako člen.
-
- Příspěvky: 8009
- Registrován: sob črc 19, 2014 8:56 pm
- Reputace: 1008
- Lokalita: severně od Brna
- Systémové napětí: 48V
- Výkon panelů [Wp]: 8kWp
- Kapacita baterie [kWh]: 12kWh
- Chci prodávat energii: NE
- Chci/Mám dotaci: NE
Re: Plán chata max 2kWp
Oblouková ochrana se to jmenuje. AFDD - to je jak nějaká německá politická strana
Ale v dřevostavbě hlavně všechno přes chrániče...

ostrov skoro 8kWp neustále ve stádiu zrodu: smartshunt(ex WBJR), MPPT150/45, MPPT 250/100(ex midnitesolar 150 clasic lite), 16S a různě P cca 340Ah Winston, MP II 5000,( ex Powerjack 8kW, ex samodomo cca 4kW). 48V DC rozvody a spotřebiče.
-
- Příspěvky: 132
- Registrován: pát dub 29, 2022 9:35 am
- Reputace: 9
- Lokalita: Kadaň
- Systémové napětí: 48V
- Výkon panelů [Wp]: 1680
Re: Plán chata max 2kWp
Přizemnění panelů : panely jsou dřevěné na pergole, kde je plechová střecha (chata má ještě eternit).Pod pergolou je položen zemnící pás + dvě tyče. Udělal jsem 2 vývody. 1 vývod je připevněn ke střeše jako klasický hromosvod. 2 vývod bude připevněn ke konstrukci panelů. Načetl jsem tady toho hodně jak to udělat, ale vzhledem k povaze instalace toho nejde moc vymyslet. Ale odpověď zní, od panelů vede venkem drát přímo do země jen je to pro zjednodušení namalováno takto.cipis píše:Prizemneni panelu chces tahnout vnitrkem, pres propoj u tech prepetovek?
A u svetelneho okruhu bys mel mit uz ten dvojity jistic s ochranou proti jiskreni ci jak se to vlastne jmenuje.
Ochrana AFDD: nenašel jsem nikde zmínku o tom, že je to nutnost (neříkám, že neexistuje). dohledal jsem pouze, že se obloukové ochrany AFDD (nepovinně) zmiňují v normě ČSN 33 2000-5-53, čl. 532.6. Chápu jejich výhody, ale dávat je nebudu.
Chrániče: dám všude i když tam teď nejsou. Zatím jsem s tím vybavil jen koupelnu a kuchyň.
9x 280 Wp AmeriSolar| Axpert King I 5000-48V | 4x Sonnenschein SRP 12V 175 A RAIL
-
- Příspěvky: 132
- Registrován: pát dub 29, 2022 9:35 am
- Reputace: 9
- Lokalita: Kadaň
- Systémové napětí: 48V
- Výkon panelů [Wp]: 1680
Re: Plán chata max 2kWp
Tak jsem dnes konečně dodělal vše potřené a poprvé jsem nastartoval svého španělského Kinga.
Chtěl jsem si udělat první solární kafe.
Bohužel jsem se dočkal nemilého překvapení. Kafe nebude. Měnič se sice tváří, že úplně normálně pracuje, nabijí, přepíná na Bypass, vyrábí elektriku a dává jí na výstup.
Bohužel situace je úplně jiná. Jediné co dělá tak to je, že nabijí baterku.
Na výstupu se 230V prostě neobjeví a to ani po té, co slyším cvaknout relé bypassu.
Myslím si, že jsem všechno udělal správně a nic jsem nezapomněl. Dělám něco špatně? Nebo je to prostě jen špatný kus?
No uvidíme co řeknou španěláci, zkusím s nimi dohodnout reklamaci.
Chtěl jsem si udělat první solární kafe.
Bohužel jsem se dočkal nemilého překvapení. Kafe nebude. Měnič se sice tváří, že úplně normálně pracuje, nabijí, přepíná na Bypass, vyrábí elektriku a dává jí na výstup.
Bohužel situace je úplně jiná. Jediné co dělá tak to je, že nabijí baterku.
Na výstupu se 230V prostě neobjeví a to ani po té, co slyším cvaknout relé bypassu.
Myslím si, že jsem všechno udělal správně a nic jsem nezapomněl. Dělám něco špatně? Nebo je to prostě jen špatný kus?
No uvidíme co řeknou španěláci, zkusím s nimi dohodnout reklamaci.
9x 280 Wp AmeriSolar| Axpert King I 5000-48V | 4x Sonnenschein SRP 12V 175 A RAIL
Kdo je online
Uživatelé prohlížející si toto fórum: Bing [Bot], Claudebot [Bot], FRSO, Semrush [Bot] a 0 hostů