4-polovy DC odpinac na single string
Souhrn tématu
Uživatelé diskutují o použití 4-pólového DC odpínače pro string solárních panelů s napětím přes 500 V, kde běžné 2-pólové odpínače nestačí. Sdílejí zkušenosti s vyrážecími cívkami, jejich zapojením a problémy s přehříváním či poškozením při dlouhodobém provozu. Diskuze zahrnuje i technické detaily správného zapojení a testování jističů s cívkami na různých napětích.
-
bol-St
- Příspěvky: 328
- Registrován: čtv bře 20, 2014 7:20 am
- Reputace: 33
- Lokalita: Opavsko
- Systémové napětí: 48V
- Výkon panelů [Wp]: 9375
- Kapacita baterie [kWh]: 30
- Chci prodávat energii: NE
- Chci/Mám dotaci: NE
- Bydliště: Hlučínsko
Re: 4-polovy DC odpinac na single string
Právě tvořím odpojovaní stringů pomocí 64A DC jističů co jsou uvedené výše a koupil jsem k ním vyrážecí cívky na 48V :
https://www.aliexpress.com/item/3302622 ... 1802o93iOW
Bohužel už při testováni obvodu a zapojeném ampérmetru do obvodu se cívka po cca 5s poškodila. Nejprve tekly 0,4 A a pak to skočilo na 6A. Při rozpojení obvodu a opětovném spojení už nefungovala. Odvrtal jsem nýty a podíval se dovnitř. Bylo jen vidět připálenou izolační pásku kolem cívky:
https://www.aliexpress.com/item/3302622 ... 1802o93iOW
Bohužel už při testováni obvodu a zapojeném ampérmetru do obvodu se cívka po cca 5s poškodila. Nejprve tekly 0,4 A a pak to skočilo na 6A. Při rozpojení obvodu a opětovném spojení už nefungovala. Odvrtal jsem nýty a podíval se dovnitř. Bylo jen vidět připálenou izolační pásku kolem cívky:
-
cipis
- Moderátor
- Příspěvky: 6776
- Registrován: pon srp 16, 2021 9:31 pm
- Reputace: 933
- Lokalita: blízko Brna
- Systémové napětí: 24V
- Výkon panelů [Wp]: 13+ kWp
- Kapacita baterie [kWh]: 40+26
- Chci prodávat energii: NE
- Chci/Mám dotaci: NE
- Bydliště: blízko Brna
Re: 4-polovy DC odpinac na single string
5 s? To jsou "vyrážecí" cívky, ne cívky pro trvalý provoz. Prostě buch a nic dalšího.
Ale je vidět, že na to číňan totálně sere, protože "normální" vyrážecí cívky mají vypnutí i sebe sama.
Něco jako na modelovém kolejišti přestavníky se dvěma cívkami, pokud tam nebyly vypínače, tak jsi během pár vteřin ten přestavník uvařil, toto je to naprosto stejné. Nemůžeš prostě tu cívku krmit tak dlouho.
Ale je vidět, že na to číňan totálně sere, protože "normální" vyrážecí cívky mají vypnutí i sebe sama.
Něco jako na modelovém kolejišti přestavníky se dvěma cívkami, pokud tam nebyly vypínače, tak jsi během pár vteřin ten přestavník uvařil, toto je to naprosto stejné. Nemůžeš prostě tu cívku krmit tak dlouho.
13,38 kWp: 9850 Wp Jih, 2040 Wp Východ, 1490 Wp Západ
Regulátory Epever a Victron
Phoenix 5 kVA + MP 24/5000 (můj byt + wifi/kamery/atd. + máti byt)
MP2 24/5000 vytěžování do akumulačních kamen
Epever 3kW vytěžování do bojlerů + žebříky
1 kW "nabíječka" 24 V
40+ kWh staré olovo 26+ kWh Li-Ion
několik dalších MP jako záložní zdroje na různých místech
Modře píši jako moderátor, černě jako člen.
Regulátory Epever a Victron
Phoenix 5 kVA + MP 24/5000 (můj byt + wifi/kamery/atd. + máti byt)
MP2 24/5000 vytěžování do akumulačních kamen
Epever 3kW vytěžování do bojlerů + žebříky
1 kW "nabíječka" 24 V
40+ kWh staré olovo 26+ kWh Li-Ion
několik dalších MP jako záložní zdroje na různých místech
Modře píši jako moderátor, černě jako člen.
-
bol-St
- Příspěvky: 328
- Registrován: čtv bře 20, 2014 7:20 am
- Reputace: 33
- Lokalita: Opavsko
- Systémové napětí: 48V
- Výkon panelů [Wp]: 9375
- Kapacita baterie [kWh]: 30
- Chci prodávat energii: NE
- Chci/Mám dotaci: NE
- Bydliště: Hlučínsko
Re: 4-polovy DC odpinac na single string
Ano to mi po testu došlo, ale cívka má jen kontakt který se po rozpojení sepne, bude potřeba přívod udělat reverzně, aby po odpojení bylo na cívce napětí na 0 V.
-
PetrDubi
- Příspěvky: 1843
- Registrován: úte říj 12, 2021 10:43 am
- Reputace: 323
- Lokalita: Blízko Ústí nad Labem
- Systémové napětí: 48V
- Výkon panelů [Wp]: 10790
- Kapacita baterie [kWh]: 13
- Chci prodávat energii: NE
- Chci/Mám dotaci: NE
Re: 4-polovy DC odpinac na single string
Schválně jsem dneska víc prozkoumal svoje vyrážecí cívky Etimat DA na 230V a ty po vypnutí cívku odpojí, takže tam takový problem není. A když už jsem to měřil, tak jsem zjistil, že cívka má odpor 4,2 kOhm, takže proud naprosto minimální..
mobilní elektrárna 3x Uni-solar PVL-68 a Victron 75/15 MPPT
doma 3280 Wp JV, 3810 Wp JZ, 3690 Wp SZ, Easun SMW 8k (rebrandovaný MAX 8 kW), aku 13kWh 16s LiFePO4
doma 3280 Wp JV, 3810 Wp JZ, 3690 Wp SZ, Easun SMW 8k (rebrandovaný MAX 8 kW), aku 13kWh 16s LiFePO4
-
acmetelka
- Příspěvky: 31
- Registrován: úte kvě 02, 2023 4:09 pm
- Reputace: 5
- Lokalita: kousek na východ od Prahy
- Systémové napětí: >48V
- Výkon panelů [Wp]: 4400
- Kapacita baterie [kWh]: 14500
- Chci prodávat energii: NE
- Chci/Mám dotaci: NE
Re: 4-polovy DC odpinac na single string
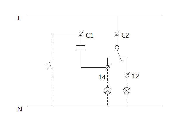
Nemyslím, že by to Číňani odflákli. Záleží na zapojení. Dle schématu pro např. SHT-X3 Shunt Release, správné zapojení napájení na C1 a C2 využije vypínací kontakt. Pokud zapojíme mezi C1 a 14, tak bude cívka trvale. Ale 12 a 14 jsou určené jako signalizační svorky. Viz schéma z jejich dokumentace.
V1: (6/2023 -> 3/2024) - JJZ 3,3 kWp 6 x "Xtend Solarmi Schutten STM-550/144-S3"; BEL stavebnice + DIY chlazení; AKU 500l ohřev TUV
V2: (3-2024 -> ) JJZ 4,4 kWp 8 x 550Wp, EASUN SMH-II-7KW, 16xLiFePO4 z NKON 305Ah + JKBMS 150/2A, přepínač sítí, PLC Foxtrot, EmonCMS grafy - ve fázi ladění, dokončování
V2: (3-2024 -> ) JJZ 4,4 kWp 8 x 550Wp, EASUN SMH-II-7KW, 16xLiFePO4 z NKON 305Ah + JKBMS 150/2A, přepínač sítí, PLC Foxtrot, EmonCMS grafy - ve fázi ladění, dokončování
Kdo je online
Uživatelé prohlížející si toto fórum: Claudebot [Bot] a 1 host
