6,3 kW slunce + 3 kW vítr okres Frýdek Místek
Souhrn tématu
Téma popisuje instalaci a provoz hybridní elektrárny o výkonu 6,3 kW ze solárních amorfních panelů a 3 kW větrného generátoru v okrese Frýdek Místek. Detailně jsou rozebrány technické parametry, zapojení, uzemnění, použitá zařízení včetně regulátorů a měniče, a zkušenosti z montáže i provozu. Zajímavostí je orientace panelů na východ a západ, která optimalizuje výrobu elektřiny během dne i za oblačného počasí.
- tomas
- Příspěvky: 2579
- Registrován: pon bře 07, 2011 11:05 am
- Reputace:243
- Bydliště: Třinec
Re: 6,3 kW slunce + 3 kW vítr okres Frýdek Místek
Když tam jsem, tak zrovna moc nefouká
. Zatím co jsem viděl tak z toho lezlo kolem 800W. Musím tam někdy přijet jak bude bouřka nebo nějaký orkán.
Asi to není moc dobré místo na větrník. Není tam na větrníku žádný monitoring, ale jak to tak sleduji když tam zrovna jsem, tak mám pocit že panely vyrobili daleko více energie než větrník.
Regulátor větrníku nespolupracuje s mým Linuxovým notebookem, někdy si půjčím notebook s Windowsem a pokusím se z regulátoru dostat nějaká data o výrobě, pokud je zaznamenává.
Regulátor větrníku nespolupracuje s mým Linuxovým notebookem, někdy si půjčím notebook s Windowsem a pokusím se z regulátoru dostat nějaká data o výrobě, pokud je zaznamenává.
Chci elektrárnu s licencí a s prodejem přebytků nebo komunitní výměnou energie: ANO
- tomas
- Příspěvky: 2579
- Registrován: pon bře 07, 2011 11:05 am
- Reputace:243
- Bydliště: Třinec
Re: 6,3 kW slunce + 3 kW vítr okres Frýdek Místek
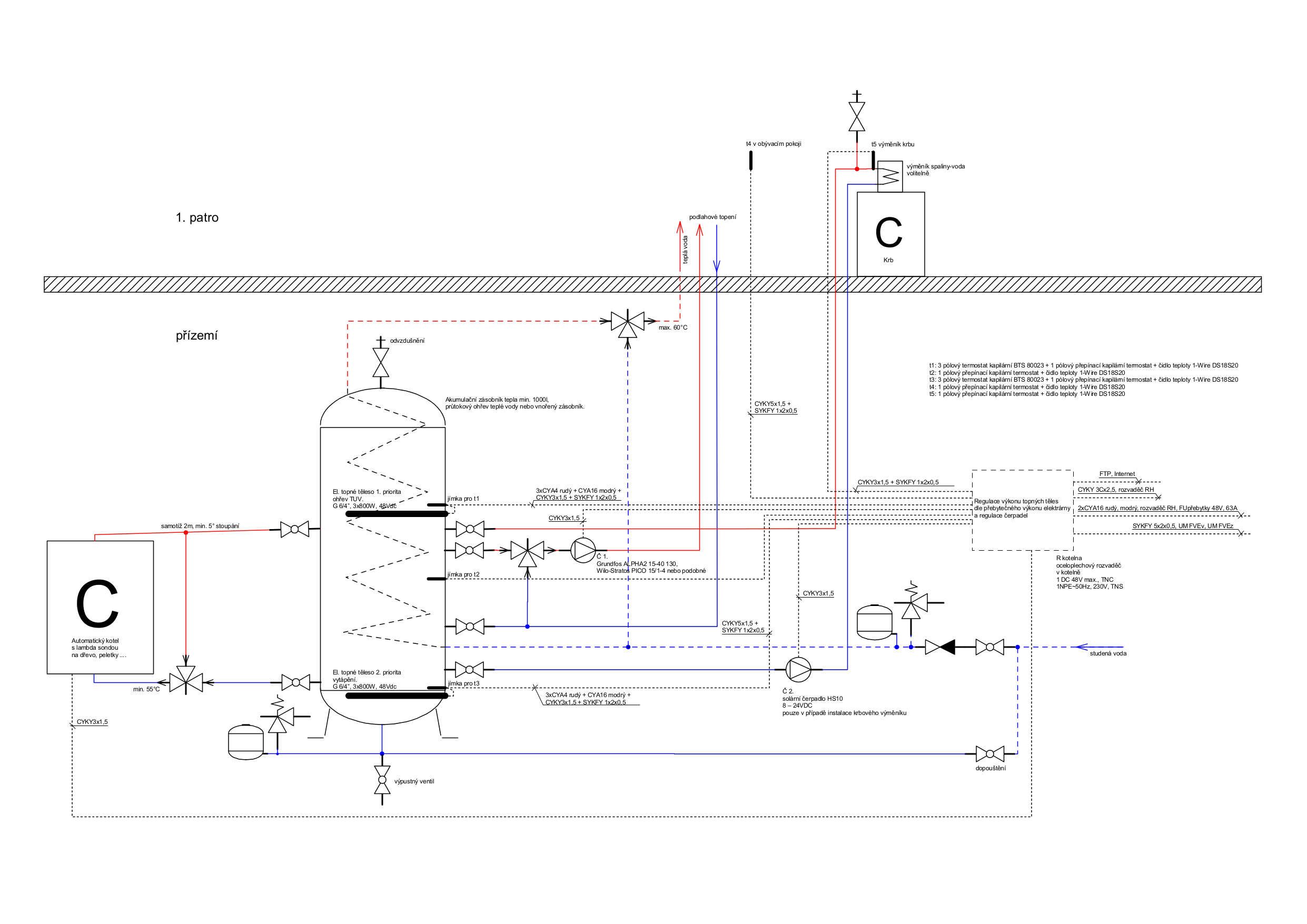
Zveřejňuji schéma zapojení, není tam rozkresleno úplně vše. Snad tam není moc chyb, jestli na nějakou narazíte, tak dejte prosím vědět.
Chci elektrárnu s licencí a s prodejem přebytků nebo komunitní výměnou energie: ANO
- RobertM
- Příspěvky: 271
- Registrován: sob led 07, 2012 2:47 pm
- Reputace:12
Re: 6,3 kW slunce + 3 kW vítr okres Frýdek Místek
Takový pocit jsem měl při testování větrné elektrárny také, až se z něj nakonec stala jistota. Nakonec jsem dospěl k poznatku, že větrná elektrárna vyrobí v běžných podmínkách ČR cca 10 x méně energie za celý rok než srovanatelný výkon ve FV panelech o stejném Pnom. Větrná elektrárna může být zajímavá ve vyšších polohách cca nad 700m a to především v období jaro/podzim. V ostatních obdobích byl dlouhodobější výkon v mém případě opravdu zoufalý.tomas píše:Když tam jsem, tak zrovna moc nefouká. Zatím co jsem viděl tak z toho lezlo kolem 800W. Musím tam někdy přijet jak bude bouřka nebo nějaký orkán.
Asi to není moc dobré místo na větrník. Není tam na větrníku žádný monitoring, ale jak to tak sleduji když tam zrovna jsem, tak mám pocit že panely vyrobili daleko více energie než větrník.
Regulátor větrníku nespolupracuje s mým Linuxovým notebookem, někdy si půjčím notebook s Windowsem a pokusím se z regulátoru dostat nějaká data o výrobě, pokud je zaznamenává.
- tomas
- Příspěvky: 2579
- Registrován: pon bře 07, 2011 11:05 am
- Reputace:243
- Bydliště: Třinec
Re: 6,3 kW slunce + 3 kW vítr okres Frýdek Místek
Ještě tady dlužím fotky, tak tady jsou z ledna 2014, zatím bez hromosvodu a nedostavěné.
Zapojení se trošku změnilo i nastavení regulátorů - snížené nabíjecí napětí na 57,6V (3,6V na článek), to popíšu později.
Zapojení se trošku změnilo i nastavení regulátorů - snížené nabíjecí napětí na 57,6V (3,6V na článek), to popíšu později.
Chci elektrárnu s licencí a s prodejem přebytků nebo komunitní výměnou energie: ANO
- tomas
- Příspěvky: 2579
- Registrován: pon bře 07, 2011 11:05 am
- Reputace:243
- Bydliště: Třinec
Re: 6,3 kW slunce + 3 kW vítr okres Frýdek Místek
Můj návrh vytápění a ohřevu teplé vody, zatím nevím jestli se investor rozhodne jej realizovat. Ale třeba si někdo jiný může udělat podobný.
Akumulační zásobník tepla cca 1000l s průtokovým ohřevem teplé vody nebo vnořený zásobník. Pravděpodobně LMT 1000L d790 - 0V + Nerez výměník DN25 http://akumulacni-nadrz.cz/lmt-1000-d790-0v.php nebo ROLF FE AKU TV T1 http://www.rolf.cz/produkt.aspx?id=1468 nebo něco podobného.
Investor uvažoval i o tepelném čerpadle které mu bylo nabídnuto na 48Vdc, ale z toho sešlo, prozatím. Původně jsem tam navrhoval akumulační zásobník se dvěma nerezovými výměníky (vlnovci), jeden pro ohřev teplé vody a druhý jako kondenzátor tepelného čerpadla. Něco podobného jako je v PAST http://www.techtranspt.com/past.aspx. To by mohlo zvýšit účinnost tepelného čerpadla a jedno oběhové čerpadlo by se nemuselo instalovat a provozovat.
Jenže se mi nedaří najít takový akumulační zásobník na dvě topná tělesa G 6/4” který by měl i tyto dva výměníky a nejlépe výměník pro teplou vodu přes celý zásobník od dna až po víko. Jestli o takovém víte, tak prosím napište.
První bude přebytky energie ohřívat horní topné těleso 3x800W, 48VDC http://www.jakama-ge.sk/jakama-ge/eshop ... 600W-2400W pouze část zásobníku pro teplou vodou. Až se tato část ohřeje, tak termostat přepne na druhé topné těleso a to ohřeje i část pro vytápění.
Výkon topných těles bude regulován pomocí PWM signálu z regulátorů Midnite Classic 250 Lite. V budoucnu možná nějakým PID regulátorem s 6 PWM výstupy v kaskádě. Proto tam je i příprava na snímače teploty DS18S20 a internet pro dálkový monitoring a ovládání kotelny.
Je možné připojit i výměník krbu a další zdroje tepla, ale nevím jestli se bude tento výměník instalovat.
Akumulační zásobník tepla cca 1000l s průtokovým ohřevem teplé vody nebo vnořený zásobník. Pravděpodobně LMT 1000L d790 - 0V + Nerez výměník DN25 http://akumulacni-nadrz.cz/lmt-1000-d790-0v.php nebo ROLF FE AKU TV T1 http://www.rolf.cz/produkt.aspx?id=1468 nebo něco podobného.
Investor uvažoval i o tepelném čerpadle které mu bylo nabídnuto na 48Vdc, ale z toho sešlo, prozatím. Původně jsem tam navrhoval akumulační zásobník se dvěma nerezovými výměníky (vlnovci), jeden pro ohřev teplé vody a druhý jako kondenzátor tepelného čerpadla. Něco podobného jako je v PAST http://www.techtranspt.com/past.aspx. To by mohlo zvýšit účinnost tepelného čerpadla a jedno oběhové čerpadlo by se nemuselo instalovat a provozovat.
Jenže se mi nedaří najít takový akumulační zásobník na dvě topná tělesa G 6/4” který by měl i tyto dva výměníky a nejlépe výměník pro teplou vodu přes celý zásobník od dna až po víko. Jestli o takovém víte, tak prosím napište.
První bude přebytky energie ohřívat horní topné těleso 3x800W, 48VDC http://www.jakama-ge.sk/jakama-ge/eshop ... 600W-2400W pouze část zásobníku pro teplou vodou. Až se tato část ohřeje, tak termostat přepne na druhé topné těleso a to ohřeje i část pro vytápění.
Výkon topných těles bude regulován pomocí PWM signálu z regulátorů Midnite Classic 250 Lite. V budoucnu možná nějakým PID regulátorem s 6 PWM výstupy v kaskádě. Proto tam je i příprava na snímače teploty DS18S20 a internet pro dálkový monitoring a ovládání kotelny.
Je možné připojit i výměník krbu a další zdroje tepla, ale nevím jestli se bude tento výměník instalovat.
Chci elektrárnu s licencí a s prodejem přebytků nebo komunitní výměnou energie: ANO
- gupa
- Příspěvky: 3843
- Registrován: sob pro 29, 2012 10:22 pm
- Reputace:174
- Lokalita: pod Brnem
- Systémové napětí: 24V
Re: 6,3 kW slunce + 3 kW vítr okres Frýdek Místek
Nevím, chybí mi tam nějaké zpětné klapky, kotel nemá výšku h, bude se přehřívat, není vyřešeno odpojení od aku, resp. propojení soustavy bez aku, resp. aku aby byl coby druhý kotel. Tz. spíše bych volil kotlový okruh s jedním čerpadlem pro dobíjení aku a s tlačením teplé do duomixu.Ppřepínání buď jen kotel nebo jen aku nebo dohromady. Řekl bych, že je škoda toho dřeva navíc kvůli průchozí topné vodě přes aku v zimě. Teplou vodu bych ohříval kombinovaně úplně bokem. Místo větrníku bych postavil malý vodojem.
3x2000VA-VMP-par, NiCd 24V, 22x210-320Wp, 2x85A-VMPPT, ABC-&-XYZ mypower.czAť ti to běží jako hodinky na baterku s čerstvou expirací! Zdejší slova: To by bylo, abychom na tom šetření nevydělali!
- tomas
- Příspěvky: 2579
- Registrován: pon bře 07, 2011 11:05 am
- Reputace:243
- Bydliště: Třinec
Re: 6,3 kW slunce + 3 kW vítr okres Frýdek Místek
Teď jsem narazil na podobné zapojení vytápění a ohřevu vody:
http://www.ostrovnidum.cz/index.php?s=t ... acni_nadrz
kde jsou stejné požadavky:
"Protože je náš dům ostrovní, tak jsem chtěl, aby kotel z bezpečnostních důvodů mohl pracovat i bez elektrického proudu. Proto je kotel s nádobou spojen samotížně nerezovými trubkami o velkém průměru."
A koukám že to bylo později upraveno na drain-back na který se tu někdo nedávno ptal. Ale v mém případě tepelný solar není, tak to nemusím řešit.
gupa
zpětné klapky kam a proč?
Možná na přítok teplé z krbu který je výše a může se stát že bude vytahovat teplou vodu ze zásobníku. Tam by zpětnou klapku nebylo problém dát, protože je tam i čerpadlo. Ale možná bude vhodnější tam udělat ze čtyř kolen hydraulický sifon na nátrubku z akumulační nádrže. Klapka stejně 100% netěsní a sifon funguje přirozeně sám.
Ta výška kotle a akumulační nádrže se musí ohlídat, ještě nevím jaký bude kotel, ale nádrž lze podložit, strop je dost vysoký. Realizovatelné to je i bez oběhového čerpadla pro kotel.: http://www.ostrovnidum.cz/index.php?s=t ... acni_nadrz
"Přepínání buď jen kotel nebo jen aku nebo dohromady." Tomu nerozumím co tím myslíš a k čemu by to bylo dobré. Do podlahovky nemůžu pustit více jak 40°C a na tuto teplotu zase nemůžu dusit kotel. Takže mezi podlahovkou a kotlem musí být akumulační nádrž.
V první řadě musím zajistit ohřev teplé vody a potom vytápění, takže žádnou škody dřeva tam nevidím a bez aku. tu podlahovku ke kotli stejně nepřipojím. Navíc akumulační nádrž je v domě, takže to co unikne přes izolaci nádrže "zůstane" v domě.
S rostoucím počtem akumulačních zásobníků a zásobníků teplé vody rostou tepelné ztráty, protože se více zvětšuje plocha izolace než akumulační objem a izolace není dokonalá. Takže jsem pro jeden velký akumulační zásobník tepla s ohřevem vody.
S větrníkem máš pravdu, já bych místo větrníku přidal panely, ale o jeho stavbě jsem já nerozhodoval, jen jsem ho musel připojit. Vodojemy tam jsou už dva, jeden u větrníku (víko je vidět na fotce) a druhý u budovy. Vody je tam dost, stačí zapíchnout do země rýč a už je pramínek. Voda se z jednoho vodojemu čerpá i pro další dům který je výše a kde voda není.
http://www.ostrovnidum.cz/index.php?s=t ... acni_nadrz
kde jsou stejné požadavky:
"Protože je náš dům ostrovní, tak jsem chtěl, aby kotel z bezpečnostních důvodů mohl pracovat i bez elektrického proudu. Proto je kotel s nádobou spojen samotížně nerezovými trubkami o velkém průměru."
A koukám že to bylo později upraveno na drain-back na který se tu někdo nedávno ptal. Ale v mém případě tepelný solar není, tak to nemusím řešit.
gupa
zpětné klapky kam a proč?
Možná na přítok teplé z krbu který je výše a může se stát že bude vytahovat teplou vodu ze zásobníku. Tam by zpětnou klapku nebylo problém dát, protože je tam i čerpadlo. Ale možná bude vhodnější tam udělat ze čtyř kolen hydraulický sifon na nátrubku z akumulační nádrže. Klapka stejně 100% netěsní a sifon funguje přirozeně sám.
Ta výška kotle a akumulační nádrže se musí ohlídat, ještě nevím jaký bude kotel, ale nádrž lze podložit, strop je dost vysoký. Realizovatelné to je i bez oběhového čerpadla pro kotel.: http://www.ostrovnidum.cz/index.php?s=t ... acni_nadrz
"Přepínání buď jen kotel nebo jen aku nebo dohromady." Tomu nerozumím co tím myslíš a k čemu by to bylo dobré. Do podlahovky nemůžu pustit více jak 40°C a na tuto teplotu zase nemůžu dusit kotel. Takže mezi podlahovkou a kotlem musí být akumulační nádrž.
V první řadě musím zajistit ohřev teplé vody a potom vytápění, takže žádnou škody dřeva tam nevidím a bez aku. tu podlahovku ke kotli stejně nepřipojím. Navíc akumulační nádrž je v domě, takže to co unikne přes izolaci nádrže "zůstane" v domě.
S rostoucím počtem akumulačních zásobníků a zásobníků teplé vody rostou tepelné ztráty, protože se více zvětšuje plocha izolace než akumulační objem a izolace není dokonalá. Takže jsem pro jeden velký akumulační zásobník tepla s ohřevem vody.
S větrníkem máš pravdu, já bych místo větrníku přidal panely, ale o jeho stavbě jsem já nerozhodoval, jen jsem ho musel připojit. Vodojemy tam jsou už dva, jeden u větrníku (víko je vidět na fotce) a druhý u budovy. Vody je tam dost, stačí zapíchnout do země rýč a už je pramínek. Voda se z jednoho vodojemu čerpá i pro další dům který je výše a kde voda není.
Chci elektrárnu s licencí a s prodejem přebytků nebo komunitní výměnou energie: ANO
- gupa
- Příspěvky: 3843
- Registrován: sob pro 29, 2012 10:22 pm
- Reputace:174
- Lokalita: pod Brnem
- Systémové napětí: 24V
Re: 6,3 kW slunce + 3 kW vítr okres Frýdek Místek
Nevím proč by měla mít podlahovka akunádrž, přeci stačí duomix a správná poloha napojení plus čerpadlo které je nějak přes termostaty jednoduše řízeno. Takže by to mohlo být na kotlovém okruhu. Výška h se může nahnat v nejhorším a asi jediným když není možnost zvednout aku, případě samotížně přes patro smyčkou zpět k aku. S aku a kotlem jsem velmi skeptický, jak celkově, tak kvůli té výšce - dojde k nařátí aku jen do linky těžiště kotle - dole bude studený jak čumák když nebudee čerpadlo..., není nad jednoduchý rozvod s kotlovým okruhem dobudoucna např. ekotlem pro temperaci, max. dvěma čtyřcestnými ventily, 300l-500l kombi ohřívač a přebytky bych pouštěl v létě do (mobilní) klimy plus ta užitková voda plus např bazénové zařízení. Zapojení jedině AC, jak slyším nerez a DC, myslím, že to víc jak 6 let kvůli bludným proudům a bodové korozi nevydrží.
Klapky určitě, stačí si to představit a nechtěná tlačenka by byla jak do krbu, tak do kotle do rána když se nepřikládá a to by se chovalo pravidelně jak ta druhá nádrž než by se znovu zatopilo.
Klapky určitě, stačí si to představit a nechtěná tlačenka by byla jak do krbu, tak do kotle do rána když se nepřikládá a to by se chovalo pravidelně jak ta druhá nádrž než by se znovu zatopilo.
3x2000VA-VMP-par, NiCd 24V, 22x210-320Wp, 2x85A-VMPPT, ABC-&-XYZ mypower.czAť ti to běží jako hodinky na baterku s čerstvou expirací! Zdejší slova: To by bylo, abychom na tom šetření nevydělali!
- luky
- Příspěvky: 1049
- Registrován: pon kvě 19, 2014 11:38 am
- Reputace:102
- Lokalita: za Berounem
- Systémové napětí: 48V
- Výkon panelů [Wp]: 5000
- Kapacita baterie [kWh]: 12
Re: 6,3 kW slunce + 3 kW vítr okres Frýdek Místek
Z mého pohledu je to absolutně blbě nakreslený.
1) Ten kotlový okruh nebude fungovat. Buď bez trojcesťáku a nebo s čerpadlem. A nebo armatura od Vernera. Přesně tohle zapojení jsme se pokoušeli provozovat a fakt se to tam nebude točit.
2) Proč je to topení zapojené v půlce nádrže? Takhle kromě toho, že je potřeba nahřát půlku nádrže než to začne topit, tak ještě je půlka nádrže nevyužitelná na topení.
1) Ten kotlový okruh nebude fungovat. Buď bez trojcesťáku a nebo s čerpadlem. A nebo armatura od Vernera. Přesně tohle zapojení jsme se pokoušeli provozovat a fakt se to tam nebude točit.
2) Proč je to topení zapojené v půlce nádrže? Takhle kromě toho, že je potřeba nahřát půlku nádrže než to začne topit, tak ještě je půlka nádrže nevyužitelná na topení.
mobilní elektrárna:viewtopic.php?t=4597, 290Wp mono, Winston 12V/130Ah, Victron MPPT 75/15, Victron inverter 12/250VA, Victron charger 20A, Orion 30A
domácí elektrárna:viewtopic.php?t=6898, FV 5kWp, LiFe 48V/120+120Ah, Axpert King 48/5000 + PCM60X + EPever
domácí elektrárna:viewtopic.php?t=6898, FV 5kWp, LiFe 48V/120+120Ah, Axpert King 48/5000 + PCM60X + EPever
- Pavel111
- Příspěvky: 291
- Registrován: pon bře 24, 2014 11:40 am
- Reputace:13
- Lokalita: Čestice
- Systémové napětí: 48V
- Výkon panelů [Wp]: 16700
- Kapacita baterie [kWh]: 77
- Chci prodávat energii: NE
- Chci/Mám dotaci: NE
Re: 6,3 kW slunce + 3 kW vítr okres Frýdek Místek
Tak toto zapojení kotle a akunádrže mám také,jen s tím rozdílem,že horní trubka jde do nádrže ze shora.Dimenze 2",funguje to samotížně naprosto skvěle,nádrž vedle kotle,spodek nádrže o cca 20 cm výše než spodek kotle.Pro rychlé ohřátí kotle mám malý okruh.Podlahovka sice mít nádrž nemusí,ale je to mnóóóhem lepší.Jinak se v přechodných obdobích jen cmudí.
16,6 kWp-MPPT Victron-třífáz Victron 24kW(6xMP5000VA)-77 kWh LiFePo4
- honzasl
- Příspěvky: 273
- Registrován: stř srp 29, 2012 10:25 pm
- Reputace:33
Re: 6,3 kW slunce + 3 kW vítr okres Frýdek Místek
Mám také doma podobné zapojení (tovární zapojení Atmos č.32) a jsem maximálně spokojen - nevidím důvod, proč nějak odpojovat/zapojovat akunádobu. Teď na podzim topí kotel na peletky 2 hodiny denně, zbytek vykrývá aku.
Teplá voda se udělá ve výměníku v AKU, jen má ten výměník menší výkon, než bych chtěl, TUV funguje, pokud teplota na horním čidle neklesne pod 50.
Zapojení topení do půlky nádrže má smysl tehdy, když si chce člověk nechávat horní část nádrže jako železnou rezervu TUV. S šikovným ŘS to není (podle mého názoru) není nutné.
Ve spodní části AKU mám výměník na budoucí solár, ale pokud přijde FVE, asi nikdy nenajde využití.
Teplá voda se udělá ve výměníku v AKU, jen má ten výměník menší výkon, než bych chtěl, TUV funguje, pokud teplota na horním čidle neklesne pod 50.
Zapojení topení do půlky nádrže má smysl tehdy, když si chce člověk nechávat horní část nádrže jako železnou rezervu TUV. S šikovným ŘS to není (podle mého názoru) není nutné.
Ve spodní části AKU mám výměník na budoucí solár, ale pokud přijde FVE, asi nikdy nenajde využití.
----------------------------------------
http://honzasl.blogspot.cz/
http://honzasl.blogspot.cz/
- luky
- Příspěvky: 1049
- Registrován: pon kvě 19, 2014 11:38 am
- Reputace:102
- Lokalita: za Berounem
- Systémové napětí: 48V
- Výkon panelů [Wp]: 5000
- Kapacita baterie [kWh]: 12
Re: 6,3 kW slunce + 3 kW vítr okres Frýdek Místek
částečně offtopic: Jaký sw je použitý k nakreslení těch dvou schémat?
mobilní elektrárna:viewtopic.php?t=4597, 290Wp mono, Winston 12V/130Ah, Victron MPPT 75/15, Victron inverter 12/250VA, Victron charger 20A, Orion 30A
domácí elektrárna:viewtopic.php?t=6898, FV 5kWp, LiFe 48V/120+120Ah, Axpert King 48/5000 + PCM60X + EPever
domácí elektrárna:viewtopic.php?t=6898, FV 5kWp, LiFe 48V/120+120Ah, Axpert King 48/5000 + PCM60X + EPever
- gupa
- Příspěvky: 3843
- Registrován: sob pro 29, 2012 10:22 pm
- Reputace:174
- Lokalita: pod Brnem
- Systémové napětí: 24V
Re: 6,3 kW slunce + 3 kW vítr okres Frýdek Místek
Už se známí stěma schématama od Atmose spálili, nevím kdo to unich kreslí, ale minimálně ve dvou případech co mohu nějak popsat a doložit nefungují!honzasl píše:Mám také doma podobné zapojení (tovární zapojení Atmos č.32) a jsem maximálně spokojen - nevidím důvod, proč nějak odpojovat/zapojovat akunádobu. Teď na podzim topí kotel na peletky 2 hodiny denně, zbytek vykrývá aku.
Jinak na schématu 32 nevidím aku, takže nerozumím té spokojenosti že něco vykrývá aku.
3x2000VA-VMP-par, NiCd 24V, 22x210-320Wp, 2x85A-VMPPT, ABC-&-XYZ mypower.czAť ti to běží jako hodinky na baterku s čerstvou expirací! Zdejší slova: To by bylo, abychom na tom šetření nevydělali!
- tomas
- Příspěvky: 2579
- Registrován: pon bře 07, 2011 11:05 am
- Reputace:243
- Bydliště: Třinec
Re: 6,3 kW slunce + 3 kW vítr okres Frýdek Místek
Nelze trojcestný ventil ručně otevřít tak aby nekladl odpor? Pokud nelze tak, ho tam asi nedáme a bude to stejné jak v:luky píše:Z mého pohledu je to absolutně blbě nakreslený.
1) Ten kotlový okruh nebude fungovat. Buď bez trojcesťáku a nebo s čerpadlem. A nebo armatura od Vernera. Přesně tohle zapojení jsme se pokoušeli provozovat a fakt se to tam nebude točit.
http://www.ostrovnidum.cz/index.php?s=t ... acni_nadrz
Další varianta je že tam dáme i trojcestný ventil i čerpadlo a přesto bypass pro samotíž a uvidí se. Nebo v případně problémů čerpadlo doplníme.
Protože horní část nádrže je vyhrazená pro teplou vodu a topení by ji ochladilo. Je lepší mít 500l vody o teplotě 50°C než 1000l o teplotě 25°C. V prvním případě se osprchuje celá rodina ve druhém jen otužilci.luky píše:2) Proč je to topení zapojené v půlce nádrže? Takhle kromě toho, že je potřeba nahřát půlku nádrže než to začne topit, tak ještě je půlka nádrže nevyužitelná na topení.
Znovu opakuji že teplá voda má prioritu před topením. Protože tam bude i krb a možná v kuchyni i sporák na dřevo.
Chci elektrárnu s licencí a s prodejem přebytků nebo komunitní výměnou energie: ANO
- brumlaj
- Příspěvky: 2462
- Registrován: ned kvě 12, 2013 2:24 pm
- Reputace:259
Re: 6,3 kW slunce + 3 kW vítr okres Frýdek Místek
nevím zda je to obecná vlastnost, ale u trojcestného ventilu ESBE řada VRG se dá clonkou kroutit kolem dokola, takže lze nastavit tak, že bude vše se vším "zkratováno" - tedy nebude klást odpor.
Moudrost nepřichází vždy s věkem, někdy věk přichází sám.
- tomas
- Příspěvky: 2579
- Registrován: pon bře 07, 2011 11:05 am
- Reputace:243
- Bydliště: Třinec
Re: 6,3 kW slunce + 3 kW vítr okres Frýdek Místek
SchémataCAD http://www.elmer.cz/schemata.htmlluky píše:částečně offtopic: Jaký sw je použitý k nakreslení těch dvou schémat?
+ knihovna vytápění http://www.elmer.cz/doplnky.html
V Linuxu pod WINE funkční
http://www.elmer.cz/os.html
Chci elektrárnu s licencí a s prodejem přebytků nebo komunitní výměnou energie: ANO
- honzasl
- Příspěvky: 273
- Registrován: stř srp 29, 2012 10:25 pm
- Reputace:33
Re: 6,3 kW slunce + 3 kW vítr okres Frýdek Místek
Zdá se, že Atmosácká schémata rozdělují svět - na netu je ně milion stížností na nefunkčnost a potom jsou ti ostatní, kterým to jede. Nejsem odporník, mám jen štěstí, že mi to fungujeUž se známí stěma schématama od Atmose spálili, nevím kdo to unich kreslí, ale minimálně ve dvou případech co mohu nějak popsat a doložit nefungují!
Míněno hydraulické schéma 0032 v nastavení automatiky ACD01Jinak na schématu 32 nevidím aku, takže nerozumím té spokojenosti že něco vykrývá aku.
----------------------------------------
http://honzasl.blogspot.cz/
http://honzasl.blogspot.cz/
- gupa
- Příspěvky: 3843
- Registrován: sob pro 29, 2012 10:22 pm
- Reputace:174
- Lokalita: pod Brnem
- Systémové napětí: 24V
Re: 6,3 kW slunce + 3 kW vítr okres Frýdek Místek
honzasl píše:Mám také doma podobné zapojení (tovární zapojení Atmos č.32) a jsem maximálně spokojen - nevidím důvod, proč nějak odpojovat/zapojovat akunádobu.
Tak si to přibližme a přiznejme si, že ty dvě schémata podobné nejsou vůbec. Jinak přesně toto zapojení jsem viděl a nefungovalo. Vinu majitel dával jak zapojení, tak špatnému výkonu kotle.
Já se jen ozývám protože jsou opravdu zklamaní lidé a i instalatéři ze schémat kterým věří. Já mám aku také, mám je samotížné i nucené, mám možnost několika tepelných zdrojů právě proto, že mám kotlový okruh na který mohu připevnit cokoli co se dá regulovat čtyřcesťáky. Verdikt je takový, že aku pokud je ve sklepě, kde se z aku protláčí ztráty přes izolaci, je neefektivní a dražší, než zapojení bez aku. Jde o vlastní verdikt. Osobně bych aku zakomponoval jako část obytného prostoru stím, že regulace je jednoduchým odkrývání nebo zakrývání jeho stěny.
Existuje absence obousměrných pomaloběžných čerpadel coby bylo schopno po nabití zastavit a při chládnutí obrátit směr a temperovat z kotelny ven. Musí se často používat kvůli tomu nabíjení aku čerpadla dvě a manuální ovládání, protože automatika je drahá. Vyzkoušel jsem proto samotížnou verzi a došel jsem nato co jsem tu na fóru nyní několikrát popisoval, tím je ta neefektivita.
Ano viděl zapojení s třemi 1t aku, jenže aku byly v místnosti spojené chodbou v přízemním domě, kde se pohybovala rodina a využila ty ztráty přímo k temperování místností, což by mohl být i případ domu ve Frýdku Místku podle fotografií. Rozhodně nedávat aku mimo obytný prostor, stačí otevřít dveře od místnosti aku a to otevření dveří může vytemperovat na chodbovou teplotu i víc jak půlku stavby.
3x2000VA-VMP-par, NiCd 24V, 22x210-320Wp, 2x85A-VMPPT, ABC-&-XYZ mypower.czAť ti to běží jako hodinky na baterku s čerstvou expirací! Zdejší slova: To by bylo, abychom na tom šetření nevydělali!
- tomas
- Příspěvky: 2579
- Registrován: pon bře 07, 2011 11:05 am
- Reputace:243
- Bydliště: Třinec
Re: 6,3 kW slunce + 3 kW vítr okres Frýdek Místek
Jenže v případě FVE a větrníku je důležitější velký akumulační objem než ztráty. Protože když akumulační nádrž nebude a její ztráty tedy budou 0, tak tu energii do akumulátorů neuložím a zůstane na střeše (větru). Když budu mít velkou akumulační nádrž tak do ní nějakou energii uložím byť se část energie z nádrže ztratí. Ale pořád je lepší teplo v kotelně než energie na střeše
. Ztráty mne ani tak moc netrápí zvláště když je ta energie zadarmo, jen není stálá ale to není ani spotřeba.
Zásobník tepla bude v kotelně v přízemí a tam se asi záměrně topit nebude nikde, ale mrznout tam také nesmí. Takže tepelné ztráty akumulační nádrže nelze považovat za ztráty. Budou prostě temperovat přízemí aby kotelna nezamrzla. Navíc i v prvním patře by bylo rozhodně poznat na spotřebě energie jestli je v přízemí třeba jen 5°C nebo 15°C.
Zásobník tepla bude v kotelně v přízemí a tam se asi záměrně topit nebude nikde, ale mrznout tam také nesmí. Takže tepelné ztráty akumulační nádrže nelze považovat za ztráty. Budou prostě temperovat přízemí aby kotelna nezamrzla. Navíc i v prvním patře by bylo rozhodně poznat na spotřebě energie jestli je v přízemí třeba jen 5°C nebo 15°C.
Chci elektrárnu s licencí a s prodejem přebytků nebo komunitní výměnou energie: ANO
- tomas
- Příspěvky: 2579
- Registrován: pon bře 07, 2011 11:05 am
- Reputace:243
- Bydliště: Třinec
Re: 6,3 kW slunce + 3 kW vítr okres Frýdek Místek
AC zapojení na přímotopu 2,4kW jsem testoval nedávno, PWM se spínáním v 0V a zavrhl jsem jej. Z důvodu že použitý měnič s NF trafem Victron Energy Phoenix 48/230V, 5kW by to asi dlouhodobě nezvládl. Dost to v něm cukalo a byl dost hlučný i ventilátor se do toho také přidal. Když to bude na 48Vdc tak to bude tiché a účinnější. Délka kabelové trasy vychází jen na cca 5m a to se i ve 48Vdc dá přenést slušný výkon.gupa píše:Zapojení jedině AC, jak slyším nerez a DC, myslím, že to víc jak 6 let kvůli bludným proudům a bodové korozi nevydrží.
Možná Axpert by to snášel lépe (nemá NF trafo) nebo měnič pouze pro přebytky https://shop.mypower.cz/menic-napeti-48v ... f-sin-2413 ale v té době ještě nebyl na trhu. A měnič je další ztráta energie navíc a možný zdroj poruchy.
Byla by vhodnější akumulační nádrž pro suché keramické topné tělesa, ale takovou jsem nenašel, kromě přírubových elektroohřevů ale zase rozmístění přírub na nádržích nevyhovovalo. Takže jsem zvolil tuto:
http://akumulacni-nadrz.cz/lmt-1000-d790-0v.php Horní víko s výměníkem lze odšroubovat, do nádrže vlézt a nádrž případně opravit, dodělat další výměník nebo navařit trubky pro suchá tělesa.
Bodovou korozi na nerezovém vlnovci myslíš od průtokové ohřívané vody nebo ze strany topné vody s kotlem a topnými tělesy?
Chci elektrárnu s licencí a s prodejem přebytků nebo komunitní výměnou energie: ANO
Kdo je online
Uživatelé procházející toto fórum: Claudebot [Bot], Google Adsense [Bot], IP [BOT], leoshavla, tomasko, Yandex [Bot]
