zapojení měniče Victron v síti - vodič PE
Souhrn tématu
Diskuze se věnuje správnému zapojení měniče Victron v elektrické síti se zaměřením na použití vodiče PE. Uživatelé řeší technické detaily, jako je dvojitá izolace a propojení s kostrou měniče, aby zajistili bezpečný a funkční provoz. Doporučuje se konzultace s odborníkem nebo správcem budovy pro správné provedení instalace.
- bc546
- Příspěvky: 7
- Registrován: pon čer 28, 2021 8:33 am
- Reputace:0
zapojení měniče Victron v síti - vodič PE
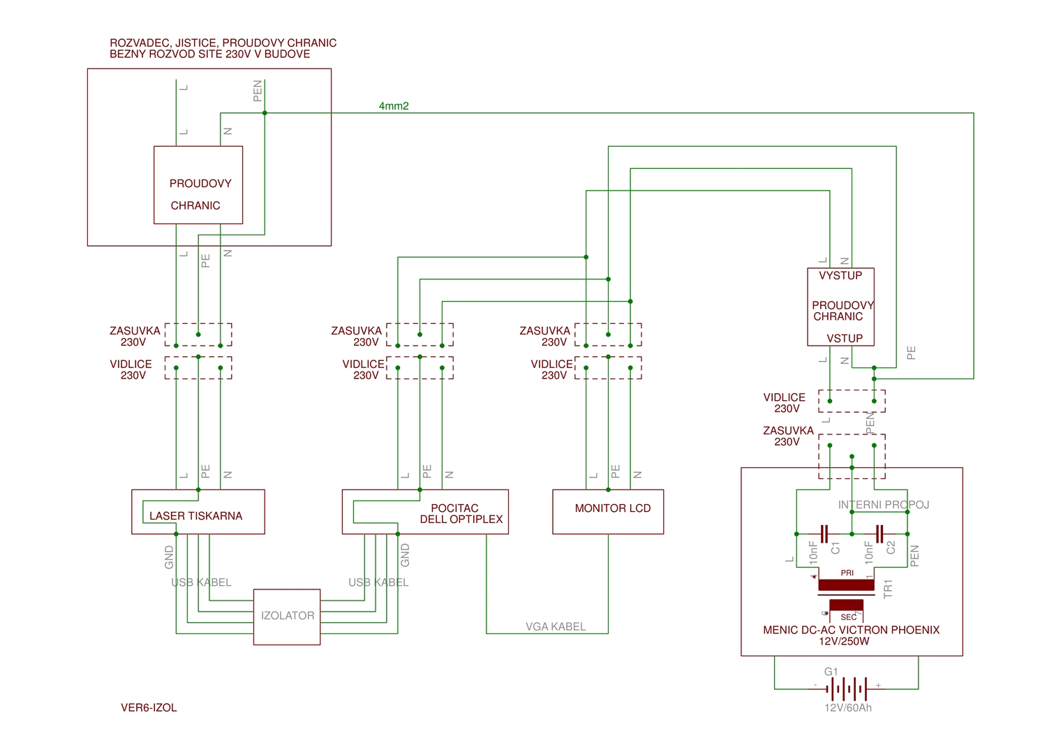
Zdravím vespolek, potřeboval bych připojit měnič Victron a nevím si moc rady, jak to by to mělo být správně. Nástřel viz obrázek.
- gupa
- Příspěvky: 3898
- Registrován: sob pro 29, 2012 10:22 pm
- Reputace:177
- Lokalita: pod Brnem
- Systémové napětí: 24V
Re: zapojení měniče Victron v síti - vodič PE
Tiskárnu bych takto nezapojoval, pokud ji lze vyměnit za wifi nebo jiné bezdrát řešení, bylo by to čisté, různé potenciály by se nesetkaly... (radiátor+PEN objektu+USB groud) Radiátor je určitě nepřípustná provizorka a myslím si že vzít PEN ze svorky před rozdělením z rozváděče objektu před jiným proudovým chráničem je také čisté a bezpečnější řešení. Měl by tak začít fungovat i proudový chránič co je za měničem. Pokud se vezme PE ze zásuvky a ta má proudovou ochranu, měnič ji vybaví a nefungovalo by to.bc546 píše:Zdravím vespolek, potřeboval bych připojit měnič Victron a nevím si moc rady, jak to by to mělo být správně. Nástřel viz obrázek.
3x2000VA-VMP-par, NiCd 24V, 22x210-320Wp, 2x85A-VMPPT, ABC-&-XYZ mypower.czAť ti to běží jako hodinky na baterku s čerstvou expirací! Zdejší slova: To by bylo, abychom na tom šetření nevydělali! Nový a aktuálně platný je termín v diskuzích na Seznam.cz mediokratická totalita.
- Kostěj
- Příspěvky: 924
- Registrován: úte úno 25, 2014 9:33 pm
- Reputace:122
- Lokalita: Dobrovicko
- Systémové napětí: ~60 V
- Výkon panelů [Wp]: 9200
- Kapacita baterie [kWh]: 34
- Chci prodávat energii: NE
- Chci/Mám dotaci: NE
Re: zapojení měniče Victron v síti - vodič PE
Myslím že to není pravda, PE by měl jít úplně mimo chránič. Asi si to budu muset znovu nastudovat. Jinak za mne dobré, ale revizák nejsem, to ne.bc546 píše:Pokud se vezme PE ze zásuvky a ta má proudovou ochranu, měnič ji vybaví a nefungovalo by to.
7.8kWp (12x650Wp jih 35°: 2p3s EpeverTracer6420AN, 3p2s AxpertKing), AxpertKing 5kW/150V. LiFePo 34kWh: 18x280Ah (2022)+18x315Ah (2026). 2xJBDBMS-UART->ESP32->grafana+vytěžování 60V/4.8kW do NADO750. 5x280Wp (2013)-> přímotop.
- bublich
- Příspěvky: 407
- Registrován: sob črc 11, 2020 12:42 am
- Reputace:67
Re: zapojení měniče Victron v síti - vodič PE
Za mně dobré,za předpokladu,že k radiátoru vede pospojení od HOP a na něm se všechny vodiče spojí na svorce.Ideálně samostatný vodič od HOP k místu rozdělení-měnič a druhý na radiátor.A vhodnější,nikoliv nezbytné, by bylo kdyby laser tiskárna byla napájena také ze zálohovaných zásuvek.Průřez vodiče by měl být min. 4mm2,pokud je alespon nějak chráněn před poškozením.Také bych upřednostnil vynechání vidlice u měniče a realizoval pevný spoj.
- rottenkiwi
- Příspěvky: 5451
- Registrován: pát úno 13, 2015 2:24 pm
- Reputace:287
- Lokalita: SO, SK
- Bydliště: SO, SK
Re: zapojení měniče Victron v síti - vodič PE
A co sa stane, ked tam prasti blesk ?
Ta zem z DS bude mat iny odpor ako ta zem na Victrone z radiatora.
Vykaslat sa na USB ci ine metalicke vedenia a pripojit tlaciaren cez WiFi.
Ta zem z DS bude mat iny odpor ako ta zem na Victrone z radiatora.
Vykaslat sa na USB ci ine metalicke vedenia a pripojit tlaciaren cez WiFi.
- mmv
- Příspěvky: 226
- Registrován: úte dub 13, 2021 10:45 pm
- Reputace:24
- Lokalita: východ Prahy
- Systémové napětí: 48V
- Výkon panelů [Wp]: 13500
- Kapacita baterie [kWh]: 20
- Chci prodávat energii: NE
- Chci/Mám dotaci: NE
Re: zapojení měniče Victron v síti - vodič PE
proč je tam tento propoj ???
myslím, že celá instalace je TN-S a tímto se to poníží na TN-CS
myslím, že celá instalace je TN-S a tímto se to poníží na TN-CS
9900Wp 6×ESM-450H, 6×UL-450M-144HV 8×VDS-S144 zzj 15°, 3600Wp 8×AS-6m144VV vvs 30° 2× Epever 4415, 1×Easun 8048, Axpert king 5kW, 240Ah staré olovo, 450Ah LI-ION mivvyenergy.cz
- Matess
- Příspěvky: 2089
- Registrován: pon zář 09, 2013 5:16 pm
- Reputace:212
- Lokalita: Šumperk
- Bydliště: Šumperk
Re: zapojení měniče Victron v síti - vodič PE
ten duvod je jednoduchy... pokud chcete aby fungoval proudovy chranic musi mit vystup z victronu PEN a N vyrobene chranicem. Pokud by vystup z victronu byl jen jako N a PE samostatne a vznikl by tam na nejakem spotrebici unik na kostru sice by se nic nestalo protoze by se jednalo o galvanicky oddeleny obvod od zeme ale chranic by proste nemohl fungovat.
- xmasin
- Příspěvky: 1773
- Registrován: čtv čer 28, 2012 9:45 pm
- Reputace:102
Re: zapojení měniče Victron v síti - vodič PE
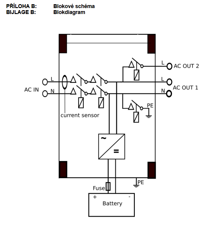
U Victronu se tohle moc řešit nemusí, má vlastní zemnící relé, takže pokud je připojen podle návodu viz obrázek, tak v případě, že funguje paralelně se sítí, tak je PE s N propojen normálně už před Victronem, pokud je odpojený od sítě, tak propojení PE a N zajistí vnitřní relé Victronu. Takže správně z Victronu jde už PE a N oddělené viz obrázek. Podmínkou je správné uzemnění měniče.
Naposledy upravil(a) xmasin dne čtv črc 01, 2021 10:56 am, celkem upraveno 1 x.
- Matess
- Příspěvky: 2089
- Registrován: pon zář 09, 2013 5:16 pm
- Reputace:212
- Lokalita: Šumperk
- Bydliště: Šumperk
- bc546
- Příspěvky: 7
- Registrován: pon čer 28, 2021 8:33 am
- Reputace:0
Re: zapojení měniče Victron v síti - vodič PE
Tiskárna je starší multifunkce a samozřejmě nemá WiFi připojení. Kdyby měla, tak se nemusím ptát na variantu s připojením USB kabelem. Knížecí radarottenkiwi píše:Vykaslat sa na USB ci ine metalicke vedenia a pripojit tlaciaren cez WiFi.
Victron Phoenix žádné relé nemají. To mají až vyšší a výkonější řady. Viz manuál.xmasin píše:U Victronu se tohle moc řešit nemusí, má vlastní zemnící relé
Jistě, jistě, ale kvůli občasnému tisku by bylo zbytečně drahé a neefektivní pořizovat sestavu měnič+baterie dimenzovanou na příkon spotřebičů + tiskrána cca 500W.bublich píše:A vhodnější,nikoliv nezbytné, by bylo kdyby laser tiskárna byla napájena také ze zálohovaných zásuvek.
Nelze.bublich píše:Také bych upřednostnil vynechání vidlice u měniče a realizoval pevný spoj.
Tento propoj je jen jakési "zdablování" interního propoje. Viz manuál. V zásadě tam být nemusí a výstup z měniče může jít pouze přes dva vodiče.mmv píše:proč je tam tento propoj ???
Jinak jsem ještě kontaktoval zastoupení Victron ČR s dotazem a prý by takové zapojení mělo být OK. Ale raději se ještě chci ujistit.
MANUÁL:
https://www.victronenergy.cz/upload/doc ... 0VA-CZ.pdf
- bc546
- Příspěvky: 7
- Registrován: pon čer 28, 2021 8:33 am
- Reputace:0
Re: zapojení měniče Victron v síti - vodič PE
Zem DS, čili PE, bude rovněž spojená se zemí Victronu (šasi) a společně na zem radiátoru...rottenkiwi píše:Ta zem z DS bude mat iny odpor ako ta zem na Victrone z radiatora.
- bublich
- Příspěvky: 407
- Registrován: sob črc 11, 2020 12:42 am
- Reputace:67
Re: zapojení měniče Victron v síti - vodič PE
Ohledně případného oddělení rozdílu potenciálů mezi tiskárnou a novou sítí,když to tedy musí jít po USB kabelu,by šlo použít toto.
https://www.laskarduino.cz/usb-2-0-izol ... pcQAvD_BwE
Samozřejmě blesk to propálí,jako cokoliv,ale k tomu to není určeno.
https://www.laskarduino.cz/usb-2-0-izol ... pcQAvD_BwE
Samozřejmě blesk to propálí,jako cokoliv,ale k tomu to není určeno.
- bc546
- Příspěvky: 7
- Registrován: pon čer 28, 2021 8:33 am
- Reputace:0
Re: zapojení měniče Victron v síti - vodič PE
Super nápad! Tak tím se to celé zjednodušuje. Čili teď by to mohlo vypadat takto.bublich píše:Ohledně případného oddělení rozdílu potenciálů mezi tiskárnou a novou sítí,když to tedy musí jít po USB kabelu,by šlo použít toto.
https://www.laskarduino.cz/usb-2-0-izol ... pcQAvD_BwE
Samozřejmě blesk to propálí,jako cokoliv,ale k tomu to není určeno.
- PavelR
- Příspěvky: 3555
- Registrován: ned led 29, 2012 3:59 pm
- Reputace:265
- Lokalita: Žabčice
- Systémové napětí: 48V
- Výkon panelů [Wp]: 29139
- Kapacita baterie [kWh]: 65
- Chci prodávat energii: ANO
- Chci/Mám dotaci: NE
Re: zapojení měniče Victron v síti - vodič PE
toto je celý nějaký divný.
zemnit šasi měniče na radiátor - no kvalita takovýho zemnění já nevím. Ale hlavně mě chybí spojení PEN měniče s PEN v rozvaděči DS. Pak nebude třeba takovýchto veletočů.
zemnit šasi měniče na radiátor - no kvalita takovýho zemnění já nevím. Ale hlavně mě chybí spojení PEN měniče s PEN v rozvaděči DS. Pak nebude třeba takovýchto veletočů.
- bublich
- Příspěvky: 407
- Registrován: sob črc 11, 2020 12:42 am
- Reputace:67
Re: zapojení měniče Victron v síti - vodič PE
Jsem si vědom,že jde o pidisíť o dvou zásuvkách.Ale správně by pospojovací drát o pr 4mm2 od HOP,PEN můstku toho rozvaděče,nebo radiátoru (v pořadí) pokud je na něm vodič od HOP (nikoliv ho použít jako náhodný nulovací vodič,který je někde v kotelně možná spojen s PEN) - měl být spojen s PE Vaší nové sítě.
Bez tohoto spoje nebude chránič fungovat proti zemi (fyzické) ale pouze proti nulovaným částem.Existují poruchové stavy kdy by to mohlo být nebezpečné.To dělá to relé ve Victronu viz příspěvek výše.
Tak jak jste to namaloval by tam měl být hlídač izolačního stavu.Jsem asi papežtější ... ,ale nemohu jinak.
Bez tohoto spoje nebude chránič fungovat proti zemi (fyzické) ale pouze proti nulovaným částem.Existují poruchové stavy kdy by to mohlo být nebezpečné.To dělá to relé ve Victronu viz příspěvek výše.
Tak jak jste to namaloval by tam měl být hlídač izolačního stavu.Jsem asi papežtější ... ,ale nemohu jinak.
Naposledy upravil(a) bublich dne čtv črc 01, 2021 8:46 pm, celkem upraveno 1 x.
- bublich
- Příspěvky: 407
- Registrován: sob črc 11, 2020 12:42 am
- Reputace:67
Re: zapojení měniče Victron v síti - vodič PE
Samozřejmě.Byl jste rychlejší.Z nouze a pouze když tam bude vodič od HOP a spojit na svorce.Již jsem to psal výše.PavelR píše:toto je celý nějaký divný.
zemnit šasi měniče na radiátor - no kvalita takovýho zemnění já nevím. Ale hlavně mě chybí spojení PEN měniče s PEN v rozvaděči DS. Pak nebude třeba takovýchto veletočů.
- bc546
- Příspěvky: 7
- Registrován: pon čer 28, 2021 8:33 am
- Reputace:0
Re: zapojení měniče Victron v síti - vodič PE
S přístupem do rozvaděče a úprav to není zrovna jednoduché, proto ty veletoče. Zkusím to tedy nějak řešit se správcem budovy.
Teď bude to zapojení správné?
Teď bude to zapojení správné?
Naposledy upravil(a) bc546 dne čtv črc 01, 2021 9:26 pm, celkem upraveno 1 x.
- bublich
- Příspěvky: 407
- Registrován: sob črc 11, 2020 12:42 am
- Reputace:67
Re: zapojení měniče Victron v síti - vodič PE
To rád slyším.Provizoria se věšinou nevyplácí.
Ano,ještě to propojit s kostrou měniče,pokud nemá dvojitou izolaci.
Ano,ještě to propojit s kostrou měniče,pokud nemá dvojitou izolaci.
- bc546
- Příspěvky: 7
- Registrován: pon čer 28, 2021 8:33 am
- Reputace:0
Re: zapojení měniče Victron v síti - vodič PE
To je přece realizováno tou interní propojkou, jak je uvedeno ve schematu. Nebo?bublich píše:To rád slyším.Provizoria se věšinou nevyplácí.
Ano,ještě to propojit s kostrou měniče,pokud nemá dvojitou izolaci.
- bublich
- Příspěvky: 407
- Registrován: sob črc 11, 2020 12:42 am
- Reputace:67
Re: zapojení měniče Victron v síti - vodič PE
Ano.Pardon.nezvětšil jsem si obrázek a přehlédl tu tečku.Ale rozhodně je to lepší,pokud je to technicky možné.
Kdo je online
Uživatelé procházející toto fórum: Claudebot [Bot], Semrush [Bot], SentiBot [Bot], Yandex [Bot]
