12V rozvody v chatě
Souhrn tématu
Diskuze se zaměřuje na plánování a realizaci 12V rozvodů v chatě pro ostrovní systém s baterií 150Ah a solárním panelem 160Wp. Uživatelé sdílejí zkušenosti s výběrem kabelů, pojistek, vypínačů a vhodných komponent, včetně zapojení přes MPPT regulátor Victron Energy. Součástí jsou i technické detaily o spínání mosfetů a možnosti galvanického oddělení pomocí optočlenů, což pomáhá při bezpečném a efektivním provozu systému.
-
bongo
- Příspěvky: 2
- Registrován: pát kvě 04, 2018 9:03 am
- Reputace: 0
12V rozvody v chatě
Zdravím všechny,
chtěl bych poprosit o radu s menšími 12V rozvody pro ostrovní systém 160Wp/12V (baterie 150Ah) na chatě. Nemám v tom zkušenosti, rád bych si to zkusil udělat sám, ocením kontrolu a nasměrování.
Používat budu:
-cca 5 * žárovka 3W 12V - http://www.4sun.cz/studena-bila/led-zar ... 000k-bila/ v několika větvích
-cca 4 USB porty - něco jako http://hadex.cz/d255c-napajeci-zdirka-2xusb-ds2013/
-jednu 12V autozásuvku, kudy budu přes autonabíječku nabíjet notebook - něco jako http://hadex.cz/d259b-napajeci-zdirka-do-auta-1224v/
Zapojení zatím plánuji:
-veškerý výstup vést přes výstup load na MPPT (Victron Energy MPPT SMART 75/15)
-na relativně krátkém kabelu zapojit rozvaděč
-z rozvaděče pak vést jednotlivé větve - každá větev: pojistka - vypínač - žárovková patice / napájecí zdířka
Větve budou max 10m dlouhé, plánuji použít kabel 4mm2. Bylo mi řečeno, že MPPT regulátor má integrovanou ochranu baterie proti podvybití a výstup load zvládne až 15A, což by mou spotřebu mělo pokrýt.
Dotazy:
-je můj plán správný nebo mi tam něco chybí?
-uvítám tipy na všechny komponenty (jaký rozvaděč, pojistky, vypínače..) případně i obchod, kde bych mohl všechno pořídit
Předem děkuji a těším se, že se něco naučím
chtěl bych poprosit o radu s menšími 12V rozvody pro ostrovní systém 160Wp/12V (baterie 150Ah) na chatě. Nemám v tom zkušenosti, rád bych si to zkusil udělat sám, ocením kontrolu a nasměrování.
Používat budu:
-cca 5 * žárovka 3W 12V - http://www.4sun.cz/studena-bila/led-zar ... 000k-bila/ v několika větvích
-cca 4 USB porty - něco jako http://hadex.cz/d255c-napajeci-zdirka-2xusb-ds2013/
-jednu 12V autozásuvku, kudy budu přes autonabíječku nabíjet notebook - něco jako http://hadex.cz/d259b-napajeci-zdirka-do-auta-1224v/
Zapojení zatím plánuji:
-veškerý výstup vést přes výstup load na MPPT (Victron Energy MPPT SMART 75/15)
-na relativně krátkém kabelu zapojit rozvaděč
-z rozvaděče pak vést jednotlivé větve - každá větev: pojistka - vypínač - žárovková patice / napájecí zdířka
Větve budou max 10m dlouhé, plánuji použít kabel 4mm2. Bylo mi řečeno, že MPPT regulátor má integrovanou ochranu baterie proti podvybití a výstup load zvládne až 15A, což by mou spotřebu mělo pokrýt.
Dotazy:
-je můj plán správný nebo mi tam něco chybí?
-uvítám tipy na všechny komponenty (jaký rozvaděč, pojistky, vypínače..) případně i obchod, kde bych mohl všechno pořídit
Předem děkuji a těším se, že se něco naučím
- vlkazajac
- R.I.P.
- Příspěvky: 3478
- Registrován: úte čer 11, 2013 10:40 pm
- Reputace: 528
Re: 12V rozvody v chatě
Odpoviem len čiastočne, ale dúfam, že k Vašej spokojnosti.
Na osvetlenie interiéru nie sú vhodné svietidlá so studeným svetlom. Tie sú síce účinnejšie, ale nevytvárajú dobrú pohodu. Mali by ste vyberať teplú bielu s teplotou do 3000 °K. Ja používam LED-pásky v lište s mliečnym tienidlom. Svietidlo je tak menej bodové a viac plošné, čo je priaznivé.
Istenie je vhodné DC valcovými poistkami 10x38 v odpínačoch. Je možné použiť tiež autopoistky v držiakoch s krytom, tu je výber celkom široký a sú lacnejšie. Niekto bude namietať, že sú menej vhodné.
Regulátor má na výstupe do batérie 20 A poistku, ako je istený výstup LOAD neviem.
LED je vhodné napájať zdrojmi, ktoré dávajú obmedzený prúd, čo je vhodné z hľadiska životnosti. Pripojiť LED-pásik priamo k systému 12 V je možné, ale vyvaroval by som sa zapínaniu svetiel ( hoci len náhodnému ) v čase, keď je regulátor v absorpcii alebo ekvalizácii, teda cez deň.
Na osvetlenie interiéru nie sú vhodné svietidlá so studeným svetlom. Tie sú síce účinnejšie, ale nevytvárajú dobrú pohodu. Mali by ste vyberať teplú bielu s teplotou do 3000 °K. Ja používam LED-pásky v lište s mliečnym tienidlom. Svietidlo je tak menej bodové a viac plošné, čo je priaznivé.
Istenie je vhodné DC valcovými poistkami 10x38 v odpínačoch. Je možné použiť tiež autopoistky v držiakoch s krytom, tu je výber celkom široký a sú lacnejšie. Niekto bude namietať, že sú menej vhodné.
Regulátor má na výstupe do batérie 20 A poistku, ako je istený výstup LOAD neviem.
LED je vhodné napájať zdrojmi, ktoré dávajú obmedzený prúd, čo je vhodné z hľadiska životnosti. Pripojiť LED-pásik priamo k systému 12 V je možné, ale vyvaroval by som sa zapínaniu svetiel ( hoci len náhodnému ) v čase, keď je regulátor v absorpcii alebo ekvalizácii, teda cez deň.
750 Wp, LS3024B, 18650 - 198P8S 30,4 V, Multiplus C 800 nonstop / všetky slabé spotrebiče
1950 Wp, 2 x LS3024B, VS2024N, olovo - 330 Ah / 24 V, Carspa 3000 sin deň / silné spotrebiče a ohrev TUV
5995 kWh za meničmi za posledné 2 roky.
1950 Wp, 2 x LS3024B, VS2024N, olovo - 330 Ah / 24 V, Carspa 3000 sin deň / silné spotrebiče a ohrev TUV
5995 kWh za meničmi za posledné 2 roky.
-
bongo
- Příspěvky: 2
- Registrován: pát kvě 04, 2018 9:03 am
- Reputace: 0
Re: 12V rozvody v chatě
Díky za odpověď.vlkazajac píše:Odpoviem len čiastočne, ale dúfam, že k Vašej spokojnosti.
Na osvetlenie interiéru nie sú vhodné svietidlá so studeným svetlom. Tie sú síce účinnejšie, ale nevytvárajú dobrú pohodu. Mali by ste vyberať teplú bielu s teplotou do 3000 °K. Ja používam LED-pásky v lište s mliečnym tienidlom. Svietidlo je tak menej bodové a viac plošné, čo je priaznivé.
Istenie je vhodné DC valcovými poistkami 10x38 v odpínačoch. Je možné použiť tiež autopoistky v držiakoch s krytom, tu je výber celkom široký a sú lacnejšie. Niekto bude namietať, že sú menej vhodné.
Regulátor má na výstupe do batérie 20 A poistku, ako je istený výstup LOAD neviem.
LED je vhodné napájať zdrojmi, ktoré dávajú obmedzený prúd, čo je vhodné z hľadiska životnosti. Pripojiť LED-pásik priamo k systému 12 V je možné, ale vyvaroval by som sa zapínaniu svetiel ( hoci len náhodnému ) v čase, keď je regulátor v absorpcii alebo ekvalizácii, teda cez deň.
O nevhodnosti studené bílé jsem už četl, vybral jsem proto žárovky s teplou bílou, které mají uvedeno "Barevná teplota (SCS): 2700-3500K" - konkrétně tyto: http://www.4sun.cz/tepla-bila/led-zarov ... epla-bila/ (původní odkaz je špatně)
ještě jsem je svítít neviděl a mate mě ten teplotní rozsah, ale bude to pokus; teplejší 12V žárovky jsem nenašel a přikláním se ke svícení spíše žárovkou, než LED pásky.
Zkusil jsem si udělat výpočet průřezu kabelu a pro jednu 3W žárovku na 12V je to 0.25A, což by na délku 5m měl zvládnout i 0,5mm2 kabel bez nadměrného zahřívání a ztráty napětí. Je tento předpoklad správný?
Takže plánuji z LOAD výstupu na MPPT vyvést 2,5mm2 kabel do rozvodky - mám tuto https://www.elima.cz/obchod/6455-11-p_2 ... -6600.html
Z této rozvodky potom okruhy k jednotlivým žárovkám už tenčím kabelem - asi těch 0,5mm2 ?
Na okruhu pak odpínač s válcovou pojistkou 10x38 - tedy např. toto https://eshop.elkov.cz/produkty/oez-odp ... ovod-41013 + pojistku např. tuto https://eshop.elkov.cz/produkty/oez-poj ... 0x38-40748 -chápu správně, že pro jednu 3W žárovku stačí 2A pojistka?
za odpínač s pojistkou pak už jen vypínač - např. tento https://eshop.elkov.cz/produkty/elem-vy ... -1-vp-bily a patici pro žárovku
Jsou tyto komponenty správné nebo jsem něco opomněl?
Předem děkuji
- vlkazajac
- R.I.P.
- Příspěvky: 3478
- Registrován: úte čer 11, 2013 10:40 pm
- Reputace: 528
Re: 12V rozvody v chatě
Prúdy nie sú veľké, ale pri dĺžkach okolo 5m by som neriešil úsporu medi, ale skôr praktické hľadisko. Silnejší káblik sa lepšie pripája a má masívnejšiu izoláciu.
Vybraná valcová poistka je na AC, hľadajte prevedenie na DC. Býva menej dostupné, hlavne dimenzie pod 10 A.
Vybraný vypínač je na AC, hľadajte nejaký vhodný na DC alebo by mohol vyhovieť masívnejší na AC. O vypínačoch svetla sa na fóre písalo, minimálne vata a kodl69 majú skúsenosti .....
Rozvodku by som volil jednu na všetku bižutériu, teda aj na istenie panela a prípadné ďalšie komponenty, ktoré Vás napadne montovať neskôr. Vždy aspoň 2x väčšiu, ako treba dnes.
Pripájam pre ilustráciu obrázok, na ktorom je asi 60 cm ( = 3 W ) LED pásika s lištou a tienidlom a LED žiarovka ( na 230 V, akú dom dal... ). Samozrejme, diskusia o svietivosti, účinnosti atď. každého riešenia je možná.
Vybraná valcová poistka je na AC, hľadajte prevedenie na DC. Býva menej dostupné, hlavne dimenzie pod 10 A.
Vybraný vypínač je na AC, hľadajte nejaký vhodný na DC alebo by mohol vyhovieť masívnejší na AC. O vypínačoch svetla sa na fóre písalo, minimálne vata a kodl69 majú skúsenosti .....
Rozvodku by som volil jednu na všetku bižutériu, teda aj na istenie panela a prípadné ďalšie komponenty, ktoré Vás napadne montovať neskôr. Vždy aspoň 2x väčšiu, ako treba dnes.
Pripájam pre ilustráciu obrázok, na ktorom je asi 60 cm ( = 3 W ) LED pásika s lištou a tienidlom a LED žiarovka ( na 230 V, akú dom dal... ). Samozrejme, diskusia o svietivosti, účinnosti atď. každého riešenia je možná.
750 Wp, LS3024B, 18650 - 198P8S 30,4 V, Multiplus C 800 nonstop / všetky slabé spotrebiče
1950 Wp, 2 x LS3024B, VS2024N, olovo - 330 Ah / 24 V, Carspa 3000 sin deň / silné spotrebiče a ohrev TUV
5995 kWh za meničmi za posledné 2 roky.
1950 Wp, 2 x LS3024B, VS2024N, olovo - 330 Ah / 24 V, Carspa 3000 sin deň / silné spotrebiče a ohrev TUV
5995 kWh za meničmi za posledné 2 roky.
-
brumlaj
- Příspěvky: 2462
- Registrován: ned kvě 12, 2013 2:24 pm
- Reputace: 259
Re: 12V rozvody v chatě
zdravím, teplá bílá dobrý, ale index podání barev=80 fakt není mnoho. Zkusit se zaměřit i na tento údaj a ujasni si zda je podstatný. Nebát se pásku pokud je to možné. Při použití pásku preferovat hliníkový profil před plastovým (chlazení pásku a tím i čipů).
Moudrost nepřichází vždy s věkem, někdy věk přichází sám.
- vata
- Příspěvky: 1407
- Registrován: pon zář 12, 2011 11:32 am
- Reputace: 93
Re: 12V rozvody v chatě
Já si dělala kompletní DC rozvody, rovnou jsem šla do 10mm2, od baterek po celém baráku daleko. Sice se to hodně blbě spojuje, ale nelituju, časem můžete pak snadněji rozšiřovat. Já mám denně už kolem 1,2 kWh spotřeby v DC. Ke každému svítidlu pak od krabice menší průřez. Hlavní je - opakuju se, ale určitě nevadí - jistit těsně před každým svítidlem rychlou pojistkou na hranici normálního příkonu svítidla. Lepší občas vyměnit tavnou pojistku než vyhořet.
Před časem se mi podařilo krokodýlkem měřáku zkratovat maličké 7Ah záložní olovo, a prskal kov a ze svorky zbyla očazená půlka. Nechci vůbec domýšlet, jak by vypadal zkrat hlavní baterky, než by zabraly hlavní 10x38 pojistky. Doporučuju velký respekt k tvrdým zdrojům.
Na téma vypínačů jsem taky psala, pokud to má být dlouhodobě spolehlivé a bezpečné, asi se polovodičům nevyhnete. I když zpočátku se Vám bude zdát, že AC vypínače fungují v pohodě, po nějaké době se kontakty opálí tak, že začnou slyšitelně prskat, a to už může být nebezpečné.
Před časem se mi podařilo krokodýlkem měřáku zkratovat maličké 7Ah záložní olovo, a prskal kov a ze svorky zbyla očazená půlka. Nechci vůbec domýšlet, jak by vypadal zkrat hlavní baterky, než by zabraly hlavní 10x38 pojistky. Doporučuju velký respekt k tvrdým zdrojům.
Na téma vypínačů jsem taky psala, pokud to má být dlouhodobě spolehlivé a bezpečné, asi se polovodičům nevyhnete. I když zpočátku se Vám bude zdát, že AC vypínače fungují v pohodě, po nějaké době se kontakty opálí tak, že začnou slyšitelně prskat, a to už může být nebezpečné.
Inteligentní ostrov - www.vati.cz
- volente
- Příspěvky: 2441
- Registrován: stř srp 20, 2014 1:01 am
- Reputace: 427
- Bydliště: Brno - venkov
Re: 12V rozvody v chatě
Kdyby měl někdo zájem tak mě tady zbyly asi 3 moduly ZAPNI-VYPNI jedním tlačítkem. Osazeno CMOS 4013 a IRF3205. Bez chlazení spínal 20A, bylo to na jeden projekt 12V LED osvětlení větších prostor. Jako spinač se dá požít cokoliv, vedení ke spinači stačí opravdu tenkým drátkem.Cena 150,- Kč/ks.
5,5kWp - 4x Solartec mono 180Wp +¨6x IBC 155Wp poly + 10x Solea 170Wp mono + 6x Husinage HSG 190Wp + 6x Calyxo 70Wp amorf vertikálně (JV), 2x ZN ShineSolar poly 250Wp + 2x 260Wp poly (JZ), Epever LS 3024B, Epever LS 2024B, MakeSkyBlue 20A, eSmart 3 - 60A, 19 kWh Li-Ion, Axpert MSXE PF1, 24V/3,0kW, Axpert MSXE 24V/2,4kW.
- vata
- Příspěvky: 1407
- Registrován: pon zář 12, 2011 11:32 am
- Reputace: 93
Přepínač DC sítí
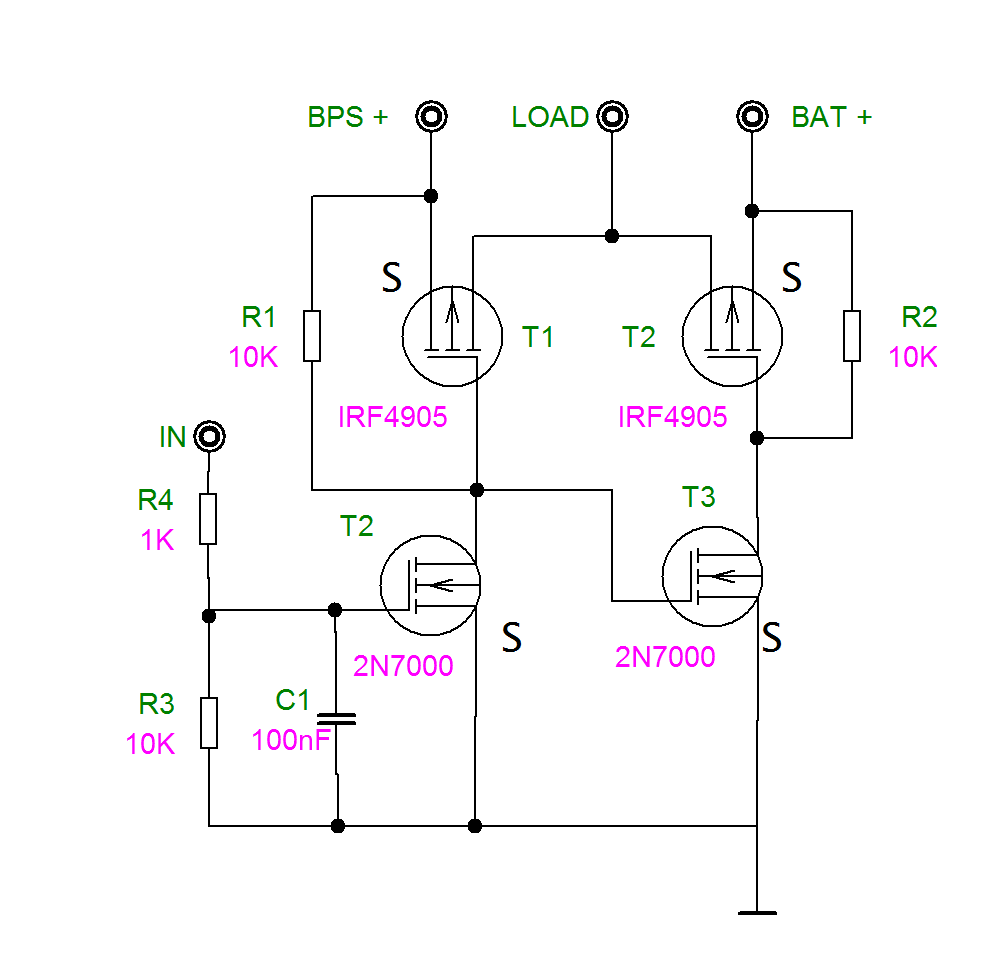
Zdravím, několikrát jsme to tu na různých místech diskutovali, připomenu situaci:
V domě DC rozvody, přičemž zdrojem DC napětí je buďto baterie nebo záložní zdroj. Záložní zdroj není určen pro nabíjení baterie, ale skutečně jen jako zdroj pro DC spotřebiče v případě, že je vybitá baterka. Přepínání jsem původně řešila pomocí předimenzovaného relé, jehož cívku ovládá SDS. Problém byl, že se kontakty relátka unaví nebo spečou a je tam porucha a relé bylo třeba měnit. Hledala jsem schéma, jak nahradit relátko polovodiči, nakonec za přispění rad přátel dospěla k tomuto: Přepínač jsem postavila a - přepíná, nehřeje, nic v tom necvaká, proud nepřetéká mezi zdroji, prostě tak nějak funguje podle očekávání
Přepíná se kladný pól zdrojů se společnou zemí.
Vlezl se do jedné pozice na DIN lištu do DIN krabičky, rozhraní má stejné jako původní relé, takže stačilo vyměnit 1:1. Logika: pokud je na IN kladné napětí, je zátěž připnutá na baterie, pokud na IN nic není, přepne se na záložní zdroj BPS.
Třeba se to někomu bude hodit.
V domě DC rozvody, přičemž zdrojem DC napětí je buďto baterie nebo záložní zdroj. Záložní zdroj není určen pro nabíjení baterie, ale skutečně jen jako zdroj pro DC spotřebiče v případě, že je vybitá baterka. Přepínání jsem původně řešila pomocí předimenzovaného relé, jehož cívku ovládá SDS. Problém byl, že se kontakty relátka unaví nebo spečou a je tam porucha a relé bylo třeba měnit. Hledala jsem schéma, jak nahradit relátko polovodiči, nakonec za přispění rad přátel dospěla k tomuto: Přepínač jsem postavila a - přepíná, nehřeje, nic v tom necvaká, proud nepřetéká mezi zdroji, prostě tak nějak funguje podle očekávání
Vlezl se do jedné pozice na DIN lištu do DIN krabičky, rozhraní má stejné jako původní relé, takže stačilo vyměnit 1:1. Logika: pokud je na IN kladné napětí, je zátěž připnutá na baterie, pokud na IN nic není, přepne se na záložní zdroj BPS.
Třeba se to někomu bude hodit.
Inteligentní ostrov - www.vati.cz
-
střídač_N
- Příspěvky: 702
- Registrován: sob říj 21, 2017 2:22 pm
- Reputace: 117
Re: Přepínač DC sítí
Dle mé logiky by to mělo být přesně opačně, ale mohu mýlit, leč v čem se nemýlím je, že pokud bude na BPS větší o napětí paralelní diody k T2, poteče do baterky nevyhnutelně přes tuto diodu proud.vata píše:... pokud je na IN kladné napětí, je zátěž připnutá na baterie, pokud na IN nic není, přepne se na záložní zdroj BPS......
S těmito a jinými různými obvody jsem se hodně natrápil, hlavně kvůli těm paralelním diodám, než jsem definitivně zvolil jediné možné řešení: https://forum.mypower.cz/viewtopic.php? ... 200#p75507
- vata
- Příspěvky: 1407
- Registrován: pon zář 12, 2011 11:32 am
- Reputace: 93
Re: 12V rozvody v chatě
Máte pravdu, je to naopak, labely BPS a BAT jsou na diagramu obráceně, já si toho všimla až při oživování a schema jsem už neměnila.
BPS mám nastavené na 13,2 a napětí na baterii bez zátěže pod 12,5 běžně nemívám, takže jsem si tohohle nežádoucího přetoku nevšimla, ale i tom máte samozřejmě pravdu. To je vada na kráse
Předpokládám, že pokud by tahle situace opravdu nastala, tranzistor by se upekl ztrátovým teplem na diodě a bylo by po nechtěném dobíjení.
Přátelé mi doporučovali použít integrované budiče, ale to by tenhle problém stejně nevyřešilo - společná zem je daná.
Cokoliv komplikovanějšího jsem nechtěla, tohle je na hranici toho, co jsem schopná si sama postavit a především pochopit.
BPS mám nastavené na 13,2 a napětí na baterii bez zátěže pod 12,5 běžně nemívám, takže jsem si tohohle nežádoucího přetoku nevšimla, ale i tom máte samozřejmě pravdu. To je vada na kráse
Přátelé mi doporučovali použít integrované budiče, ale to by tenhle problém stejně nevyřešilo - společná zem je daná.
Cokoliv komplikovanějšího jsem nechtěla, tohle je na hranici toho, co jsem schopná si sama postavit a především pochopit.
Inteligentní ostrov - www.vati.cz
-
kodl69
- Příspěvky: 8263
- Registrován: sob črc 19, 2014 8:56 pm
- Reputace: 1043
- Lokalita: severně od Brna
- Systémové napětí: 48V
- Výkon panelů [Wp]: 8kWp
- Kapacita baterie [kWh]: 12kWh
- Chci prodávat energii: NE
- Chci/Mám dotaci: NE
Re: 12V rozvody v chatě
ty substrátový diody vydrží dost... Lepší řešení je ty mosfety zdvojit, a spojit k sobě, viz schéma. Ale to je vlastně DC SSD podomácku, to je možná lepší koupit hotový. Výhoda je izolovaný ovládání a možnost použití N mosfetů. Ale i v tom tvým schématu by se daly použít dva P mosfety místo jednoho a bylo by to oddělený důsledně, bez vlivu substrátovejch diod.
- Přílohy
-
- spínač 12v.png (8.14 KiB) Zobrazeno 6188 x
ostrov skoro 8kWp neustále ve stádiu zrodu: smartshunt(ex WBJR), MPPT150/45, MPPT 250/100(ex midnitesolar 150 clasic lite), 16S a různě P cca 340Ah Winston, MP II 5000,( ex Powerjack 8kW, ex samodomo cca 4kW). 48V DC rozvody a spotřebiče.
- vata
- Příspěvky: 1407
- Registrován: pon zář 12, 2011 11:32 am
- Reputace: 93
Re: 12V rozvody v chatě
Kodl69: Myslíte takto? Díkykodl69 píše:ty substrátový diody vydrží dost... Lepší řešení je ty mosfety zdvojit, a spojit k sobě, viz schéma. Ale to je vlastně DC SSD podomácku, to je možná lepší koupit hotový. Výhoda je izolovaný ovládání a možnost použití N mosfetů. Ale i v tom tvým schématu by se daly použít dva P mosfety místo jednoho a bylo by to oddělený důsledně, bez vlivu substrátovejch diod.
Inteligentní ostrov - www.vati.cz
-
kodl69
- Příspěvky: 8263
- Registrován: sob črc 19, 2014 8:56 pm
- Reputace: 1043
- Lokalita: severně od Brna
- Systémové napětí: 48V
- Výkon panelů [Wp]: 8kWp
- Kapacita baterie [kWh]: 12kWh
- Chci prodávat energii: NE
- Chci/Mám dotaci: NE
Re: 12V rozvody v chatě
to by nefungovalo, musí být spojený source těh fetů, a tím pádem se tam musí nějak dostat to spínací napětí. Asi je jednodušší koupit dva kusy DC SSR a je to hotový: https://www.aliexpress.com/wholesale?ca ... ext=DC+SSR
ale když se na to dívám, nejsem si jist, jestli jsou v tom ty mosfety vůbec dva a není to z bláta do louže.
pro izolovaný buzení těch mosfetů existuje speciální obvod, kterej využívá fotoelektrickej jev- světlo z LED generuje napětí pro spínání mosfetů http://www.vishay.com/docs/83469/vom1271t.pdf na straně 5 obr.10 vlevo je přesně pro tebe. Můžeš klidně použít levný N-mosfety, doporučju nějaký "logic level" protože max. napětí na výstupu je 8.4V při 10mA buzení. Sice to spíná fakt pomalu, takže se musí mosfet dost předimenzovat (klidně víc paralelně, ale 30V mosfety jsou levný) protože je dlouho v lineárním režimu, koupit se to dá na ali (se strachem, viz diskuze o IRFB4110), mouser i farnell to má s dodáním kdoví kdy... Pokud by to někdo dokázal zajistit, mohl bych na to nechat udělat hrst plošňáků použití samozřejmě podle použitejch mosfetů, klidně na 48V nebo 100V, dle vkusu každého soudruha....
ale když se na to dívám, nejsem si jist, jestli jsou v tom ty mosfety vůbec dva a není to z bláta do louže.
pro izolovaný buzení těch mosfetů existuje speciální obvod, kterej využívá fotoelektrickej jev- světlo z LED generuje napětí pro spínání mosfetů http://www.vishay.com/docs/83469/vom1271t.pdf na straně 5 obr.10 vlevo je přesně pro tebe. Můžeš klidně použít levný N-mosfety, doporučju nějaký "logic level" protože max. napětí na výstupu je 8.4V při 10mA buzení. Sice to spíná fakt pomalu, takže se musí mosfet dost předimenzovat (klidně víc paralelně, ale 30V mosfety jsou levný) protože je dlouho v lineárním režimu, koupit se to dá na ali (se strachem, viz diskuze o IRFB4110), mouser i farnell to má s dodáním kdoví kdy... Pokud by to někdo dokázal zajistit, mohl bych na to nechat udělat hrst plošňáků použití samozřejmě podle použitejch mosfetů, klidně na 48V nebo 100V, dle vkusu každého soudruha....
ostrov skoro 8kWp neustále ve stádiu zrodu: smartshunt(ex WBJR), MPPT150/45, MPPT 250/100(ex midnitesolar 150 clasic lite), 16S a různě P cca 340Ah Winston, MP II 5000,( ex Powerjack 8kW, ex samodomo cca 4kW). 48V DC rozvody a spotřebiče.
- vata
- Příspěvky: 1407
- Registrován: pon zář 12, 2011 11:32 am
- Reputace: 93
Re: 12V rozvody v chatě
Aktuální verze je v 1M modulu na DIN liště, víc mista v rozvaděči nemám, takže to prakticky vylučuje nějaké SSR.
Nerozumím tomu, co píšeš - jak spojit source těch fetů? To by přece přemostilo celý kanál. Můžeš to rozvést?
Spínám kladný pól (nelze jinak), takže asi potřebuju P-Fety. Proč je třeba izolovat buzení? Řídící signál na vstupu toho obvodu je napětí z baterky spínané přes relé PLC.
Nerozumím tomu, co píšeš - jak spojit source těch fetů? To by přece přemostilo celý kanál. Můžeš to rozvést?
Spínám kladný pól (nelze jinak), takže asi potřebuju P-Fety. Proč je třeba izolovat buzení? Řídící signál na vstupu toho obvodu je napětí z baterky spínané přes relé PLC.
Inteligentní ostrov - www.vati.cz
-
kodl69
- Příspěvky: 8263
- Registrován: sob črc 19, 2014 8:56 pm
- Reputace: 1043
- Lokalita: severně od Brna
- Systémové napětí: 48V
- Výkon panelů [Wp]: 8kWp
- Kapacita baterie [kWh]: 12kWh
- Chci prodávat energii: NE
- Chci/Mám dotaci: NE
Re: 12V rozvody v chatě
podívej se do toho datasheetu str5 obr10 vlevo a mělo by ti to být jasný. Mosfety spínají obě polarity proudu, ale v jedné jsou přemostěný tou substrátovou diodou, ale sepnutej mosfet má lepší vodivost než je vodivost substrátové diody. Ty VOM1271 obvody udělají ovládání spínání i budič gate, tím že je to galvanicky oddělený, jestli se spíná + nebo - nebo jakej potenciál. A ten obvod se dvěma mosfety, pokud je sepnutej, vede stejně proud z leva do prava jako z prava do leva, to je to kouzlo, ostatně něco podobnýho publikoval i Volente, modeláři to běžně používají.
ostrov skoro 8kWp neustále ve stádiu zrodu: smartshunt(ex WBJR), MPPT150/45, MPPT 250/100(ex midnitesolar 150 clasic lite), 16S a různě P cca 340Ah Winston, MP II 5000,( ex Powerjack 8kW, ex samodomo cca 4kW). 48V DC rozvody a spotřebiče.
- vata
- Příspěvky: 1407
- Registrován: pon zář 12, 2011 11:32 am
- Reputace: 93
Re: 12V rozvody v chatě
jo aha, už mi to asi docvaklo, díky za trpělivost 
VOM1271 se u nás nedá koupit, ale dal by se snad použít nějaký jiný optooddělovač s fotodiodou, ne?
VOM1271 se u nás nedá koupit, ale dal by se snad použít nějaký jiný optooddělovač s fotodiodou, ne?
Inteligentní ostrov - www.vati.cz
-
kodl69
- Příspěvky: 8263
- Registrován: sob črc 19, 2014 8:56 pm
- Reputace: 1043
- Lokalita: severně od Brna
- Systémové napětí: 48V
- Výkon panelů [Wp]: 8kWp
- Kapacita baterie [kWh]: 12kWh
- Chci prodávat energii: NE
- Chci/Mám dotaci: NE
Re: 12V rozvody v chatě
Jedině snad TLP3906, ostatní optočleny negenerují napětí, jenom mění odpor výstupního prvku, aspoň co mám zkušenosti. Ten TLP je prej pomalejší při zavírání )mosfet delší dobu v lineárním režimu), ale zas je za pár korun.
Já mám objednaný u známýho 4ks VOM, budou někdy po novým roce, dokonce je po nich sháňka celoevropsky, má je jenom digikey a mouser v USA... spíš by mě zajímal rozdíl mezi VOM a TLP prakticky, při spínání "velkejch" mosfetů.
tady je nástřel, jak by to mohlo vypadat, deska je obojetná pro TO220 i pro TO247 mosfety, stejně jako pro transil 1.5KExx nebo SMBJxx, i odpory jsou pro obě varianty. Budu zadávat nějaký desky v číně, pokud by byl zájem, tak jich můžu nechat udělat víc... ještě nejsem rozhodnutej, jestli to musí mít dvě dírky pro šroubek, ale na mosfetech by nějakej kousek hliníku asi být měl... edit: na schématu nejsou správný typy součástek, je to jenom jako idea, a pro návrh desky.
Já mám objednaný u známýho 4ks VOM, budou někdy po novým roce, dokonce je po nich sháňka celoevropsky, má je jenom digikey a mouser v USA... spíš by mě zajímal rozdíl mezi VOM a TLP prakticky, při spínání "velkejch" mosfetů.
tady je nástřel, jak by to mohlo vypadat, deska je obojetná pro TO220 i pro TO247 mosfety, stejně jako pro transil 1.5KExx nebo SMBJxx, i odpory jsou pro obě varianty. Budu zadávat nějaký desky v číně, pokud by byl zájem, tak jich můžu nechat udělat víc... ještě nejsem rozhodnutej, jestli to musí mít dvě dírky pro šroubek, ale na mosfetech by nějakej kousek hliníku asi být měl... edit: na schématu nejsou správný typy součástek, je to jenom jako idea, a pro návrh desky.
ostrov skoro 8kWp neustále ve stádiu zrodu: smartshunt(ex WBJR), MPPT150/45, MPPT 250/100(ex midnitesolar 150 clasic lite), 16S a různě P cca 340Ah Winston, MP II 5000,( ex Powerjack 8kW, ex samodomo cca 4kW). 48V DC rozvody a spotřebiče.
Kdo je online
Uživatelé prohlížející si toto fórum: Claudebot [Bot] a 0 hostů
