Zapojení baterie
-
- Příspěvky: 123
- Registrován: stř dub 04, 2012 11:52 pm
- Reputace: 0
Zapojení baterie
Prosím o radu jak zapojit baterie viz obrázek aby výsledné napětí bylo 24V
Jedná se o 12V baterie každá o kapacitě 180AH
Děkuji
Jedná se o 12V baterie každá o kapacitě 180AH
Děkuji

-
- Příspěvky: 428
- Registrován: pon čer 30, 2014 7:02 am
- Reputace: 30
Re: Zapojení baterie
1,2,3,4
-1spojit s -2
-3 spojit s -4
+1 spojit s +2
+3 spojit s +4
+2 spojit s -3
-----------------
-1 vyvest jako 0 V[minus pol]
+4 vyvest jako +24V[plus pol ]
zkusebne spojit tenkymi dratky ,chyba nebude mit destruktivni nasledky
-1spojit s -2
-3 spojit s -4
+1 spojit s +2
+3 spojit s +4
+2 spojit s -3
-----------------
-1 vyvest jako 0 V[minus pol]
+4 vyvest jako +24V[plus pol ]
zkusebne spojit tenkymi dratky ,chyba nebude mit destruktivni nasledky
Naposledy upravil(a) petrs dne stř led 21, 2015 7:29 pm, celkem upraveno 1 x.
...a viděl jsem Křižíka nazpět se otáčeti ...
-
- Příspěvky: 2459
- Registrován: ned srp 14, 2011 10:13 pm
- Reputace: 162
- Lokalita: poblíž Hodonína
- Systémové napětí: >48V
- Výkon panelů [Wp]: 7200
- Kapacita baterie [kWh]: 9
Re: Zapojení baterie
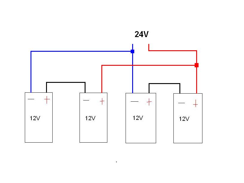
Zapojit to třeba takto, bude to 24V/360Ah
5,4 kWp JJZ 4deg,1,8kWp JV 24deg, do 13.8.2022 bylo 3,6 kWp, MPII 5k, Victron MPPT 250/85-TR, aku 9,45 kWh Lion 15S, BMS 200A, Smart Shunt 500A.
k 27.3.2025 13250kWh
k 27.3.2025 13250kWh
-
- Příspěvky: 123
- Registrován: stř dub 04, 2012 11:52 pm
- Reputace: 0
Re: Zapojení baterie
Moc děkujiFRSO píše:Zapojit to třeba takto, bude to 24V/360Ah
Zátěž zapojit také na nejvzdálenější póly jak je na obrázku ?
-
- Příspěvky: 128
- Registrován: čtv led 01, 2015 6:30 pm
- Reputace: 3
Re: Zapojení baterie
No, ještě bych tam dal asi pojistku mezi ty dvě 24V baterie. Neb nikdy člověk neví, který článek se kdy odporoučí a pak bude z jedné 24V baterie téct vyrovnávací proud, který to může celé pěkně rychle ukončit. :/
A zátěž je nejspíše jedno, kam zapojíš. Důležité je použít dostatečně dimenzované vodiče (pásky) mezi bateriemi.
A zátěž je nejspíše jedno, kam zapojíš. Důležité je použít dostatečně dimenzované vodiče (pásky) mezi bateriemi.
-
- Příspěvky: 123
- Registrován: stř dub 04, 2012 11:52 pm
- Reputace: 0
Re: Zapojení baterie
Máte obchod kde se dají pásky objednat ?8milan8 píše:No, ještě bych tam dal asi pojistku mezi ty dvě 24V baterie. Neb nikdy člověk neví, který článek se kdy odporoučí a pak bude z jedné 24V baterie téct vyrovnávací proud, který to může celé pěkně rychle ukončit. :/
A zátěž je nejspíše jedno, kam zapojíš. Důležité je použít dostatečně dimenzované vodiče (pásky) mezi bateriemi.
Tu pojistku myslíte například jistič DC na + pol baterie který bude propojovat jednotlivé 24V baterie ?
-
- Příspěvky: 2459
- Registrován: ned srp 14, 2011 10:13 pm
- Reputace: 162
- Lokalita: poblíž Hodonína
- Systémové napětí: >48V
- Výkon panelů [Wp]: 7200
- Kapacita baterie [kWh]: 9
Re: Zapojení baterie
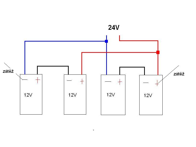
Ještě další obrázek k tomu zapojení, od společně svorky + a - a na propojení aku mezi sebou použít vodič stejného průřezu, od společných svorek dodržet stejné délky vodičů ke svorkám aku !!
5,4 kWp JJZ 4deg,1,8kWp JV 24deg, do 13.8.2022 bylo 3,6 kWp, MPII 5k, Victron MPPT 250/85-TR, aku 9,45 kWh Lion 15S, BMS 200A, Smart Shunt 500A.
k 27.3.2025 13250kWh
k 27.3.2025 13250kWh
-
- Příspěvky: 123
- Registrován: stř dub 04, 2012 11:52 pm
- Reputace: 0
Re: Zapojení baterie
Odběr nebude ze svorkovnice ale přímo z polu ( výstupu) baterieFRSO píše:Ještě další obrázek k tomu zapojení, od společně svorky + a - a na propojení aku mezi sebou použít vodič stejného průřezu, od společných svorek dodržet stejné délky vodičů ke svorkám aku !!
Jaký druh pojistky doporučujete DC jistič či jiný typ ?
-
- Příspěvky: 2459
- Registrován: ned srp 14, 2011 10:13 pm
- Reputace: 162
- Lokalita: poblíž Hodonína
- Systémové napětí: >48V
- Výkon panelů [Wp]: 7200
- Kapacita baterie [kWh]: 9
Re: Zapojení baterie
aby byli aku stejně zatěžovány tak je potřeba odebírat proud se svorky jak jsem to nakreslil, jinak jsem to kreslil zbytečně, pojistky dát dle odběru max. proudu, třeba při odběru proudu z aku 80A dát pojistku 100A, já používám pojistky z Hadexu např. tyto viz. link:
http://www.hadex.cz/k882-autopojistka-p ... ubky-100a/
http://www.hadex.cz/k882-autopojistka-p ... ubky-100a/
5,4 kWp JJZ 4deg,1,8kWp JV 24deg, do 13.8.2022 bylo 3,6 kWp, MPII 5k, Victron MPPT 250/85-TR, aku 9,45 kWh Lion 15S, BMS 200A, Smart Shunt 500A.
k 27.3.2025 13250kWh
k 27.3.2025 13250kWh
-
- Příspěvky: 123
- Registrován: stř dub 04, 2012 11:52 pm
- Reputace: 0
Re: Zapojení baterie
Ano bylo by to ideální a jakou svorku používáte pro proudy 80A ?FRSO píše:aby byli aku stejně zatěžovány tak je potřeba odebírat proud se svorky jak jsem to nakreslil, jinak jsem to kreslil zbytečně, pojistky dát dle odběru max. proudu, třeba při odběru proudu z aku 80A dát pojistku 100A, já používám pojistky z Hadexu např. tyto viz. link:
http://www.hadex.cz/k882-autopojistka-p ... ubky-100a/
Když jsem hledal tak jsem nic vhodného nenašel
Děkuji
-
- Příspěvky: 7999
- Registrován: sob črc 19, 2014 8:56 pm
- Reputace: 1003
- Lokalita: severně od Brna
- Systémové napětí: 48V
- Výkon panelů [Wp]: 8kWp
- Kapacita baterie [kWh]: 12kWh
- Chci prodávat energii: NE
- Chci/Mám dotaci: NE
Re: Zapojení baterie
jmenuje se to stoupačková svorkovnice, nebo cokoliv, do čeho jde dát dostatečný průřez drátu, třeba RSA35 na din lištu, nebo třeba nalisovat oka na kabely a sešroubovat šroubem, upevněný na kusu pertinaxu... Možností je mnoho.
Doporučuju baterky spojit propojkama, a + odebírat z jedné sady a - z druhé, je to jednodušší než výše uvedené schéma a stejně účinné. Při průřezu drátu 35mm2 bych ale rozdíl v odběru z jednotlivých baterií neviděl jako problém, to má vyšší vnitřní odpor i ta pojiska...(co teprv baterka)
Doporučuju baterky spojit propojkama, a + odebírat z jedné sady a - z druhé, je to jednodušší než výše uvedené schéma a stejně účinné. Při průřezu drátu 35mm2 bych ale rozdíl v odběru z jednotlivých baterií neviděl jako problém, to má vyšší vnitřní odpor i ta pojiska...(co teprv baterka)
ostrov skoro 8kWp neustále ve stádiu zrodu: smartshunt(ex WBJR), MPPT150/45, MPPT 250/100(ex midnitesolar 150 clasic lite), 16S a různě P cca 340Ah Winston, MP II 5000,( ex Powerjack 8kW, ex samodomo cca 4kW). 48V DC rozvody a spotřebiče.
-
- Příspěvky: 123
- Registrován: stř dub 04, 2012 11:52 pm
- Reputace: 0
Re: Zapojení baterie - maximální nabíjecí proud
Prosím o radu pro maximální nabíjecí proud
Baterie 12V - 180Ah x4ks
Zapojení dle obrázku výše tj. 24V - 360AH
Jaký je ideální nabíjecí proud v A všeobecně je to 1/10 při 12V 72A u 24V nové zapojení je to tedy 36A ?
Děkuji
Baterie 12V - 180Ah x4ks
Zapojení dle obrázku výše tj. 24V - 360AH
Jaký je ideální nabíjecí proud v A všeobecně je to 1/10 při 12V 72A u 24V nové zapojení je to tedy 36A ?
Děkuji
-
- Příspěvky: 7999
- Registrován: sob črc 19, 2014 8:56 pm
- Reputace: 1003
- Lokalita: severně od Brna
- Systémové napětí: 48V
- Výkon panelů [Wp]: 8kWp
- Kapacita baterie [kWh]: 12kWh
- Chci prodávat energii: NE
- Chci/Mám dotaci: NE
Re: Zapojení baterie
ano, nečekaně je to tak.
ostrov skoro 8kWp neustále ve stádiu zrodu: smartshunt(ex WBJR), MPPT150/45, MPPT 250/100(ex midnitesolar 150 clasic lite), 16S a různě P cca 340Ah Winston, MP II 5000,( ex Powerjack 8kW, ex samodomo cca 4kW). 48V DC rozvody a spotřebiče.
-
- Příspěvky: 123
- Registrován: stř dub 04, 2012 11:52 pm
- Reputace: 0
Re: Zapojení baterie
Zvládnou baterie nabíjecí proud 50A ?kodl69 píše:ano, nečekaně je to tak.
-
- Příspěvky: 3398
- Registrován: sob pro 29, 2012 10:22 pm
- Reputace: 155
- Lokalita: pod Brnem
- Systémové napětí: 24V
Re: Zapojení baterie
Olovo se nabíjí podle napětí co vím. Charakteristiku jak nabíjet uvádí výrobce baterií v návodu nebo nějaké dokumentaci nebo na dotaz přímo jemu.
3x2000VA-VMP-par, NiCd 24V, 22x210-320Wp, 2x85A-VMPPT, ABC-&-XYZ mypower.cz Ať ti to běží jako hodinky na baterku s čerstvou expirací! Zdejší slova: To by bylo, abychom na tom šetření nevydělali!
-
- Příspěvky: 123
- Registrován: stř dub 04, 2012 11:52 pm
- Reputace: 0
Re: Zapojení baterie
VARTA výrobce toho moc neuvádí
-
- Příspěvky: 3398
- Registrován: sob pro 29, 2012 10:22 pm
- Reputace: 155
- Lokalita: pod Brnem
- Systémové napětí: 24V
Re: Zapojení baterie
Co to je za Vartu jako typ?
3x2000VA-VMP-par, NiCd 24V, 22x210-320Wp, 2x85A-VMPPT, ABC-&-XYZ mypower.cz Ať ti to běží jako hodinky na baterku s čerstvou expirací! Zdejší slova: To by bylo, abychom na tom šetření nevydělali!
-
- Příspěvky: 123
- Registrován: stř dub 04, 2012 11:52 pm
- Reputace: 0
Re: Zapojení baterie
Trakční baterie VARTA Professional Dual Purpose (Deep cycle) 180Ah, 12V, LFD180
-
- Příspěvky: 3398
- Registrován: sob pro 29, 2012 10:22 pm
- Reputace: 155
- Lokalita: pod Brnem
- Systémové napětí: 24V
Re: Zapojení baterie
3x2000VA-VMP-par, NiCd 24V, 22x210-320Wp, 2x85A-VMPPT, ABC-&-XYZ mypower.cz Ať ti to běží jako hodinky na baterku s čerstvou expirací! Zdejší slova: To by bylo, abychom na tom šetření nevydělali!
-
- Příspěvky: 123
- Registrován: stř dub 04, 2012 11:52 pm
- Reputace: 0
Re: Zapojení baterie
Ano ale neuvádí maximální nabíjecí proud 
Ten mě momentálně zajímá nejvíce

Ten mě momentálně zajímá nejvíce
Kdo je online
Uživatelé prohlížející si toto fórum: Claudebot [Bot] a 0 hostů