3f Multiplus
Souhrn tématu
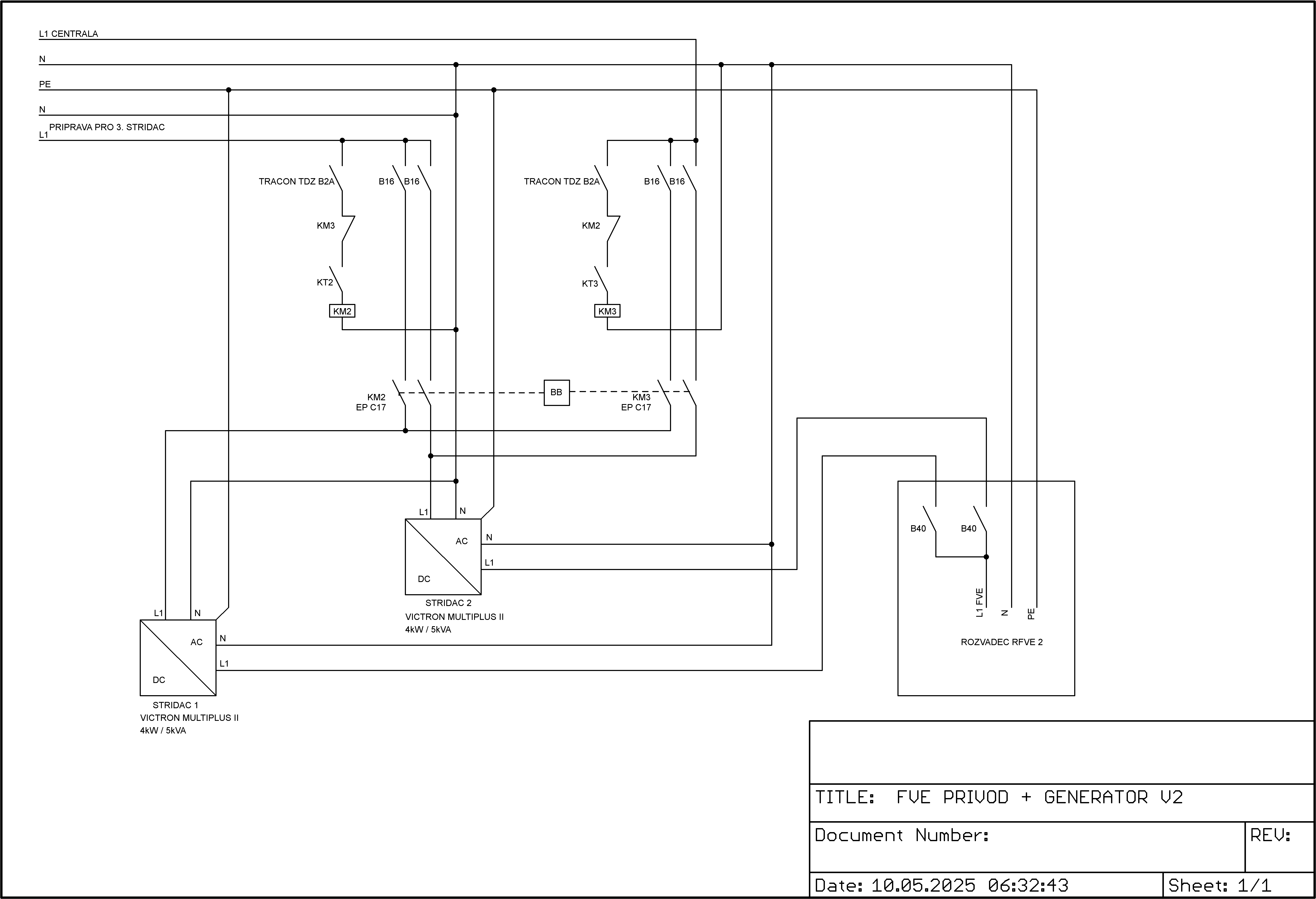
Uživatelé diskutují o správném zapojení třífázového multiplus systému Victron, zejména zda je vhodné spojit N vodiče AC IN a AC OUT1 přímo na N můstek bez přepínání přes přepínač sítí. Většina doporučuje N vodiče nespojovat přes přepínač, aby se předešlo problémům s napájením spotřebičů. Diskuze obsahuje i zkušenosti s provozem v TN-C a TN-S systémech a sdílení schémat zapojení.
- ElektroEzs
- Příspěvky: 3077
- Registrován: stř zář 21, 2022 10:03 am
- Reputace:126
- Lokalita: okolí Teplic
- Systémové napětí: 48V
- Výkon panelů [Wp]: 8340
- Kapacita baterie [kWh]: 14,4
- Chci prodávat energii: NE
- Chci/Mám dotaci: NE
3f Multiplus
Ahoj znamej stavi 3f system na Victronu a jen jsem se chtel ujistit u 3f systemu N AC IN a N AC OUT1 spojit normalne na N mustu dohromady? Neprepinat pres prepinac siti? Diky
1: JZ 5460 Wp Ja Solar, JV 960 Wp Leapton, SV 1920 Wp Leapton, MPPT 250/100, MPPT 150/35, MPPT 150/45, 2x parallel Multiplus 2 5000VA, Cerbo GX + touch LCD, 2x 16 x EVE 332Ah LiFePO4 + JK BMS 200A + SmartShunt 500A
2: JZ 3600 Wp Canadian Solar, V 1800 Wp Canadian Solar, MPPT 150/70, MPPT 150/35, Multiplus 2 5000VA, Cerbo GX + touch LCD, 16 x EVE 280Ah LiFePO4 + JK BMS 200A + BMV700
2: JZ 3600 Wp Canadian Solar, V 1800 Wp Canadian Solar, MPPT 150/70, MPPT 150/35, Multiplus 2 5000VA, Cerbo GX + touch LCD, 16 x EVE 280Ah LiFePO4 + JK BMS 200A + BMV700
- pibi
- Příspěvky: 1727
- Registrován: ned led 01, 2023 6:17 pm
- Reputace:400
- Lokalita: Východně od 3nce
- Systémové napětí: 48V
- Výkon panelů [Wp]: 16kWp
- Kapacita baterie [kWh]: 44kWh
- Chci prodávat energii: NE
- Chci/Mám dotaci: NE
Re: 3f Multiplus
Já to tak mám v 1f systému, ve 3f bych to udělal stejně.
9,2kWp JV 45°, 4,6kWp JZ 45°, 2,3kWp JV 90°, 2 x Victron MP II 5kVA, 3 x SmartSolar 150/70, Smartshunt, Cerbo, 16x280Ah + 16X300Ah + 16x300Ah LiFePO4 + 3xJK BMS.
K levné elektřině se dostaneme jen vytrvalou prací a svým kapitálem. Vladimír List, Elektrisace Československa 1934
K levné elektřině se dostaneme jen vytrvalou prací a svým kapitálem. Vladimír List, Elektrisace Československa 1934
- Diablo1st
- Příspěvky: 2306
- Registrován: pon lis 01, 2021 7:41 pm
- Reputace:229
- Lokalita: MY, SR
- Výkon panelů [Wp]: 10200
- Kapacita baterie [kWh]: 28
- Bydliště: SR MY
Re: 3f Multiplus
Aj keď Victron vo svojích manuáloch odporúča N prepínať, v 3F by som to nerobil. Lebo stačí, ak sa raz N neprepne a budeš mať po spotrebičoch.
Victron ESS AC Coupling:
2,75kWp on-grid + 3,3kWp RS450/100 + 4,15kWp Fronius Primo 4.0.1 + MP2 5kVA + 2x 17x280Ah + JK BMS
2,75kWp on-grid + 3,3kWp RS450/100 + 4,15kWp Fronius Primo 4.0.1 + MP2 5kVA + 2x 17x280Ah + JK BMS
- ElektroEzs
- Příspěvky: 3077
- Registrován: stř zář 21, 2022 10:03 am
- Reputace:126
- Lokalita: okolí Teplic
- Systémové napětí: 48V
- Výkon panelů [Wp]: 8340
- Kapacita baterie [kWh]: 14,4
- Chci prodávat energii: NE
- Chci/Mám dotaci: NE
Re: 3f Multiplus
Taky jsem rikal ze lepsi vsechny N spojit. Diky
1: JZ 5460 Wp Ja Solar, JV 960 Wp Leapton, SV 1920 Wp Leapton, MPPT 250/100, MPPT 150/35, MPPT 150/45, 2x parallel Multiplus 2 5000VA, Cerbo GX + touch LCD, 2x 16 x EVE 332Ah LiFePO4 + JK BMS 200A + SmartShunt 500A
2: JZ 3600 Wp Canadian Solar, V 1800 Wp Canadian Solar, MPPT 150/70, MPPT 150/35, Multiplus 2 5000VA, Cerbo GX + touch LCD, 16 x EVE 280Ah LiFePO4 + JK BMS 200A + BMV700
2: JZ 3600 Wp Canadian Solar, V 1800 Wp Canadian Solar, MPPT 150/70, MPPT 150/35, Multiplus 2 5000VA, Cerbo GX + touch LCD, 16 x EVE 280Ah LiFePO4 + JK BMS 200A + BMV700
- Raww
- Příspěvky: 160
- Registrován: sob bře 18, 2023 12:50 pm
- Reputace:17
- Lokalita: Jihlava
- Systémové napětí: 48V
- Výkon panelů [Wp]: 9840
- Kapacita baterie [kWh]: 13,6
Re: 3f Multiplus
3x MP-II 5kVA provozuji celou dobu v TN-C kdy mám spojeny na PENu vstup N a PE i výstup N a PE. Přepínačem sítí přepínám jen fázové vodiče.
TN-S mám až za měniči.
TN-S mám až za měniči.
9,8kWp, 2x MPPT 150/100, MPPT 150/70, 3x MultiPlus-II 5kVA, Cerbo GX, 13,6kWh LiFePO4
+ Fronius Symo Hybrid 5.0-3-S, Battery Box 12kWh Li-ion, AC-coupling
ESS v síti E.On
+ Fronius Symo Hybrid 5.0-3-S, Battery Box 12kWh Li-ion, AC-coupling
ESS v síti E.On
Kdo je online
Uživatelé procházející toto fórum: Claudebot [Bot], Google [Bot]
