Seriové zapojení 2x24V baterie MUST 100Ah v kombinaci s Victronem
-
- Příspěvky: 8
- Registrován: úte srp 06, 2024 10:54 am
- Reputace: 0
- Lokalita: Děčín
- Chci/Mám dotaci: ANO
Seriové zapojení 2x24V baterie MUST 100Ah v kombinaci s Victronem
Ahoj, potřeboval bych radu,
zda je možné spojit 2 baterie MUST akkumodule 24V 100Ah do serie a nabíjet je MPPT od victronu 48V?
seriové zapojení chci proto, že mám v domě rozvody na osvětlení komplet v 24V. A přijde mi jako blbost napětí z panelů převádět na 48V do baterek, následně do měniče na 230V ac a pak zase na nízké 24V dc. Když mohu využít rovnou těch 24V když bych měl 2x24V.
Nebo mě ještě napadá možnost step down z 48V na 24V. To bych mohl využít rovnou 48V baterii.
Díky.
zda je možné spojit 2 baterie MUST akkumodule 24V 100Ah do serie a nabíjet je MPPT od victronu 48V?
seriové zapojení chci proto, že mám v domě rozvody na osvětlení komplet v 24V. A přijde mi jako blbost napětí z panelů převádět na 48V do baterek, následně do měniče na 230V ac a pak zase na nízké 24V dc. Když mohu využít rovnou těch 24V když bych měl 2x24V.
Nebo mě ještě napadá možnost step down z 48V na 24V. To bych mohl využít rovnou 48V baterii.
Díky.
-
- Moderátor
- Příspěvky: 6234
- Registrován: pon srp 16, 2021 9:31 pm
- Reputace: 846
- Lokalita: blízko Brna
- Systémové napětí: 24V
- Výkon panelů [Wp]: 13+ kWp
- Kapacita baterie [kWh]: 40+15
- Chci prodávat energii: NE
- Chci/Mám dotaci: NE
- Bydliště: blízko Brna
Re: Seriové zapojení 2x24V baterie MUST 100Ah v kombinaci s Victronem
Jediné správné řešení je ten step down.
Není dobrý nápad brát jen z půlky baterie.
Další varianta je vyměnit světelné zdroje za 48V ...
A co se týče toho spojení dvou 24V baterií, tak je pravděpodobně zakázané.
Není dobrý nápad brát jen z půlky baterie.
Další varianta je vyměnit světelné zdroje za 48V ...
A co se týče toho spojení dvou 24V baterií, tak je pravděpodobně zakázané.
13,38 kWp: 9850 Wp Jih, 2040 Wp Východ, 1490 Wp Západ
Regulátory Epever a Victron
Phoenix 5 kVA + MP 24/5000 (můj byt + wifi/kamery/atd. + máti byt)
MP2 24/5000 vytěžování do akumulačních kamen
Epever 3kW vytěžování do bojlerů + žebříky
1 kW "nabíječka" 24 V
40 680 Wh staré olovo 15 258 Wh Li-Ion
záloha čerpadla ve sklepě MP12/3000/120-16 + 100Ah 12V monbat
Modře píši jako moderátor, černě jako člen.
Regulátory Epever a Victron
Phoenix 5 kVA + MP 24/5000 (můj byt + wifi/kamery/atd. + máti byt)
MP2 24/5000 vytěžování do akumulačních kamen
Epever 3kW vytěžování do bojlerů + žebříky
1 kW "nabíječka" 24 V
40 680 Wh staré olovo 15 258 Wh Li-Ion
záloha čerpadla ve sklepě MP12/3000/120-16 + 100Ah 12V monbat
Modře píši jako moderátor, černě jako člen.
-
- Příspěvky: 8
- Registrován: úte srp 06, 2024 10:54 am
- Reputace: 0
- Lokalita: Děčín
- Chci/Mám dotaci: ANO
Re: Seriové zapojení 2x24V baterie MUST 100Ah v kombinaci s Victronem
No já.bych vytěžoval obě baterie jedna by byla na osvětlení. Druhá pro ovládání.(PLC mitsubishi)
ale pokud je toto zapojení zakázané tak není co řešit.
Pújdu do stepdown.
Díky za radu
ale pokud je toto zapojení zakázané tak není co řešit.
Pújdu do stepdown.
Díky za radu
-
- Moderátor
- Příspěvky: 6234
- Registrován: pon srp 16, 2021 9:31 pm
- Reputace: 846
- Lokalita: blízko Brna
- Systémové napětí: 24V
- Výkon panelů [Wp]: 13+ kWp
- Kapacita baterie [kWh]: 40+15
- Chci prodávat energii: NE
- Chci/Mám dotaci: NE
- Bydliště: blízko Brna
Re: Seriové zapojení 2x24V baterie MUST 100Ah v kombinaci s Victronem
Zvaz tu vymenu svetel, a "usetris" dalsi kram, co se muze posrat.
Nebo zjisti, jestli nahodou ty stavajici 24V neumi 48V ...
Nebo zjisti, jestli nahodou ty stavajici 24V neumi 48V ...
13,38 kWp: 9850 Wp Jih, 2040 Wp Východ, 1490 Wp Západ
Regulátory Epever a Victron
Phoenix 5 kVA + MP 24/5000 (můj byt + wifi/kamery/atd. + máti byt)
MP2 24/5000 vytěžování do akumulačních kamen
Epever 3kW vytěžování do bojlerů + žebříky
1 kW "nabíječka" 24 V
40 680 Wh staré olovo 15 258 Wh Li-Ion
záloha čerpadla ve sklepě MP12/3000/120-16 + 100Ah 12V monbat
Modře píši jako moderátor, černě jako člen.
Regulátory Epever a Victron
Phoenix 5 kVA + MP 24/5000 (můj byt + wifi/kamery/atd. + máti byt)
MP2 24/5000 vytěžování do akumulačních kamen
Epever 3kW vytěžování do bojlerů + žebříky
1 kW "nabíječka" 24 V
40 680 Wh staré olovo 15 258 Wh Li-Ion
záloha čerpadla ve sklepě MP12/3000/120-16 + 100Ah 12V monbat
Modře píši jako moderátor, černě jako člen.
-
- Příspěvky: 8
- Registrován: úte srp 06, 2024 10:54 am
- Reputace: 0
- Lokalita: Děčín
- Chci/Mám dotaci: ANO
Re: Seriové zapojení 2x24V baterie MUST 100Ah v kombinaci s Victronem
Já to mám i kvůli celkovýmu ovládání. Mitsubishi PLC, ovládání zámků, atd.
I zdroje co mám teď jsou z 400v na 24v. ty bych rád zachoval v případě že pojedu ze sítě.
A mám to vše odjistěno elektronickýma pojistkama Weidmuller MAXGUARD které jsou taky na 24V
A to jsou vše prvky co bych musel nahradit. Takže u mě asi výměna za 48V nehrozí.
I zdroje co mám teď jsou z 400v na 24v. ty bych rád zachoval v případě že pojedu ze sítě.
A mám to vše odjistěno elektronickýma pojistkama Weidmuller MAXGUARD které jsou taky na 24V
A to jsou vše prvky co bych musel nahradit. Takže u mě asi výměna za 48V nehrozí.
-
- Moderátor
- Příspěvky: 6234
- Registrován: pon srp 16, 2021 9:31 pm
- Reputace: 846
- Lokalita: blízko Brna
- Systémové napětí: 24V
- Výkon panelů [Wp]: 13+ kWp
- Kapacita baterie [kWh]: 40+15
- Chci prodávat energii: NE
- Chci/Mám dotaci: NE
- Bydliště: blízko Brna
Re: Seriové zapojení 2x24V baterie MUST 100Ah v kombinaci s Victronem
Tak pokud to nejsou jen světla, která jediná byla zmiňována na začátku, tak pak opravdu jen stepdown z 48V ...
13,38 kWp: 9850 Wp Jih, 2040 Wp Východ, 1490 Wp Západ
Regulátory Epever a Victron
Phoenix 5 kVA + MP 24/5000 (můj byt + wifi/kamery/atd. + máti byt)
MP2 24/5000 vytěžování do akumulačních kamen
Epever 3kW vytěžování do bojlerů + žebříky
1 kW "nabíječka" 24 V
40 680 Wh staré olovo 15 258 Wh Li-Ion
záloha čerpadla ve sklepě MP12/3000/120-16 + 100Ah 12V monbat
Modře píši jako moderátor, černě jako člen.
Regulátory Epever a Victron
Phoenix 5 kVA + MP 24/5000 (můj byt + wifi/kamery/atd. + máti byt)
MP2 24/5000 vytěžování do akumulačních kamen
Epever 3kW vytěžování do bojlerů + žebříky
1 kW "nabíječka" 24 V
40 680 Wh staré olovo 15 258 Wh Li-Ion
záloha čerpadla ve sklepě MP12/3000/120-16 + 100Ah 12V monbat
Modře píši jako moderátor, černě jako člen.
-
- Příspěvky: 4398
- Registrován: pon úno 07, 2022 10:11 pm
- Reputace: 289
- Lokalita: Zlaté Hory / Olomouc
- Systémové napětí: 24V
- Výkon panelů [Wp]: 3600
- Kapacita baterie [kWh]: 16
- Chci prodávat energii: NE
- Chci/Mám dotaci: NE
- Bydliště: Zlaté Hory
Re: Seriové zapojení 2x24V baterie MUST 100Ah v kombinaci s Victronem
Trochu nechápu tvůj postup?
mppt které umí 48V umí i 24V takže nastavím 24V a jsem redy......
Měniče jsou i na 24V většinou ale s výkonem max 3kW.
Victron má 24/5000 co je 5kVA / 4kW viz: https://www.victronenergy.cz/upload/doc ... 0VA-CZ.pdf
Jinak li-něco baterie se nedají spojovat seriově většinou kvůli BMS (BMS to musí umět být na to stavěná).
Takže chce zvážit všechna pro i proti.....
Zda mít FVE na 48V nebo 24V většinou se doporučuje 48V kde je větší výběr.
Jinak DC/DC z 48V na 24V je taky řešení https://www.victronenergy.cz/upload/doc ... 0W-EN-.pdf
mppt které umí 48V umí i 24V takže nastavím 24V a jsem redy......
Měniče jsou i na 24V většinou ale s výkonem max 3kW.
Victron má 24/5000 co je 5kVA / 4kW viz: https://www.victronenergy.cz/upload/doc ... 0VA-CZ.pdf
Jinak li-něco baterie se nedají spojovat seriově většinou kvůli BMS (BMS to musí umět být na to stavěná).
Takže chce zvážit všechna pro i proti.....
Zda mít FVE na 48V nebo 24V většinou se doporučuje 48V kde je větší výběr.
Jinak DC/DC z 48V na 24V je taky řešení https://www.victronenergy.cz/upload/doc ... 0W-EN-.pdf
3,6kWp
| 2x MUST PV18-3024 VHM, 3kW/24V | 16kWh 


-
- Příspěvky: 8
- Registrován: úte srp 06, 2024 10:54 am
- Reputace: 0
- Lokalita: Děčín
- Chci/Mám dotaci: ANO
Re: Seriové zapojení 2x24V baterie MUST 100Ah v kombinaci s Victronem
Jo o 24V sestavě od victronu jsem přemýšlel, ale tam má zase omezené výkony. To by v případě 3F systému s panelama 9,9kWp bylo dost omezující.
Proto jsem to řešení ani nenabízel.
Proto jsem to řešení ani nenabízel.
-
- Příspěvky: 4398
- Registrován: pon úno 07, 2022 10:11 pm
- Reputace: 289
- Lokalita: Zlaté Hory / Olomouc
- Systémové napětí: 24V
- Výkon panelů [Wp]: 3600
- Kapacita baterie [kWh]: 16
- Chci prodávat energii: NE
- Chci/Mám dotaci: NE
- Bydliště: Zlaté Hory
Re: Seriové zapojení 2x24V baterie MUST 100Ah v kombinaci s Victronem
Teď trochu nechápu?
Victron má měnič 5kVA na 24V ? Takže jaké omezení? jinak stavět 3f je nesmysl.
Samozřejmě u 24V systému je potřeba více MPPT než u 48V, ale těch 10kWp určitě nebudeš mít jako jeden string.
Prostě jde o to kolik toho na těch 24V máš zda se oplatí mít 24V FVE nebo 48V a mít tam nějaký dc-dc konvertor z 48->24 nebo to napájet z 230V -> 24V atd......
Jinak při 10kWp bych asi šel do 48V systému s 48V baterkou a 24V vyráběl nějakým DC-DC konvertorem.
A nebo řešení dvě FVE jedna na provoz domu 48V FVE a druhá menší pouze malá 24V kde by byla pouze baterka a mppt pro provoz 24V systémů......
Victron má měnič 5kVA na 24V ? Takže jaké omezení? jinak stavět 3f je nesmysl.
Samozřejmě u 24V systému je potřeba více MPPT než u 48V, ale těch 10kWp určitě nebudeš mít jako jeden string.
Prostě jde o to kolik toho na těch 24V máš zda se oplatí mít 24V FVE nebo 48V a mít tam nějaký dc-dc konvertor z 48->24 nebo to napájet z 230V -> 24V atd......
Jinak při 10kWp bych asi šel do 48V systému s 48V baterkou a 24V vyráběl nějakým DC-DC konvertorem.
A nebo řešení dvě FVE jedna na provoz domu 48V FVE a druhá menší pouze malá 24V kde by byla pouze baterka a mppt pro provoz 24V systémů......
3,6kWp
| 2x MUST PV18-3024 VHM, 3kW/24V | 16kWh 


-
- Příspěvky: 8
- Registrován: úte srp 06, 2024 10:54 am
- Reputace: 0
- Lokalita: Děčín
- Chci/Mám dotaci: ANO
Re: Seriové zapojení 2x24V baterie MUST 100Ah v kombinaci s Victronem
Myslím hlavně u těch MPPT, při 24V mají asi poloviční výkon takže bych jich potřeboval víc.
Ale tvúj nápad postavit dvě FVE je dobrý. To mě nenapdlo.
Proč je nesmysl stavět 3f systém?
Ale tvúj nápad postavit dvě FVE je dobrý. To mě nenapdlo.
Proč je nesmysl stavět 3f systém?
-
- Příspěvky: 1398
- Registrován: čtv črc 21, 2022 5:39 pm
- Reputace: 209
- Lokalita: Česká Lípa
- Chci prodávat energii: NE
- Chci/Mám dotaci: NE
Re: Seriové zapojení 2x24V baterie MUST 100Ah v kombinaci s Victronem
Pokud máte na mysli LiFePo4 baterie Must 25,6V, 100Ah tak ty kvůli BMS nepodporují sériové zapojení, ale můžete je zapojit paralelně viz obrázek. Dvě baterie propojíte komunikačně mezi sebou a CAN port horní baterie, která je master propojíte komunikačně s MPPT Victron. Silové vodiče +/- od obou baterií pro nabíjení i odběr budou spojeny paralelně.MarkStone píše: úte srp 06, 2024 11:02 amzda je možné spojit 2 baterie MUST akkumodule 24V 100Ah do serie...
.
Naposledy upravil(a) Valdano dne úte srp 06, 2024 1:15 pm, celkem upraveno 3 x.
-
- Příspěvky: 4398
- Registrován: pon úno 07, 2022 10:11 pm
- Reputace: 289
- Lokalita: Zlaté Hory / Olomouc
- Systémové napětí: 24V
- Výkon panelů [Wp]: 3600
- Kapacita baterie [kWh]: 16
- Chci prodávat energii: NE
- Chci/Mám dotaci: NE
- Bydliště: Zlaté Hory
Re: Seriové zapojení 2x24V baterie MUST 100Ah v kombinaci s Victronem
3f zbytečně složité a doma to nevyužiješ (pokud neprovozuješ firmu kde máš dílnu - motory......).
Jasně musel by jsi brát mppt s největším proudem a i tak by jich muselo být víc chápu.....
Celkem jde o to jak moc by musela být velká ta 24V baterka aby to utáhlo ty 24V spotřebiče.... zda se to oplatí, protože jak by musela být velká a mít tam hodně panelů tak se to neoplatí....., ale levná 24V baterka s levným 24V mppt + třeba 2 panely?
Jasně musel by jsi brát mppt s největším proudem a i tak by jich muselo být víc chápu.....
Celkem jde o to jak moc by musela být velká ta 24V baterka aby to utáhlo ty 24V spotřebiče.... zda se to oplatí, protože jak by musela být velká a mít tam hodně panelů tak se to neoplatí....., ale levná 24V baterka s levným 24V mppt + třeba 2 panely?
3,6kWp
| 2x MUST PV18-3024 VHM, 3kW/24V | 16kWh 


-
- Příspěvky: 1398
- Registrován: čtv črc 21, 2022 5:39 pm
- Reputace: 209
- Lokalita: Česká Lípa
- Chci prodávat energii: NE
- Chci/Mám dotaci: NE
Re: Seriové zapojení 2x24V baterie MUST 100Ah v kombinaci s Victronem
MUST bateriové moduly se dají zapojit až 15 kusů paralelně (pozn. sériové zapojení kvůli vestavěné BMS nepodporují).
Pokud by se použilo 15 kusů LP16-24100, 25,6V, 100Ah (2,56kWh) tak by to bylo celkem 1500Ah (38,4kWh)
Pokud by se použilo 15 kusů LP16-24200, 25,6V, 200Ah (5,12kWh) tak by to bylo celkem 3000Ah (76,8kWh)
Níže příklad dvou sad, každá 5 kusů MUST baterie 100Ah zapojených paralelně. Ke každé sadě jedna nabíječka Victron SmartSolar MPPT 24V, 250/100 VE.Can (Can port pro připojení komunikace z master baterie v sadě).
První sada
5 kusů LP16-24100, 25,6V, 100Ah (2,56kWh) tj. celkem 500Ah (12,8kWh)
k tomu nabíječka Victron SmartSolar MPPT 24V, 250/100 VE.Can
Plus k tomu vhodné pole FV panelů.
Druhá sada
5 kusů LP16-24100, 25,6V, 100Ah (2,56kWh) tj. celkem 500Ah (12,8kWh)
k tomu nabíječka Victron SmartSolar MPPT 24V, 250/100 VE.Can
Plus k tomu vhodné pole FV panelů.
Pokud by se použilo 15 kusů LP16-24100, 25,6V, 100Ah (2,56kWh) tak by to bylo celkem 1500Ah (38,4kWh)
Pokud by se použilo 15 kusů LP16-24200, 25,6V, 200Ah (5,12kWh) tak by to bylo celkem 3000Ah (76,8kWh)
Níže příklad dvou sad, každá 5 kusů MUST baterie 100Ah zapojených paralelně. Ke každé sadě jedna nabíječka Victron SmartSolar MPPT 24V, 250/100 VE.Can (Can port pro připojení komunikace z master baterie v sadě).
První sada
5 kusů LP16-24100, 25,6V, 100Ah (2,56kWh) tj. celkem 500Ah (12,8kWh)
k tomu nabíječka Victron SmartSolar MPPT 24V, 250/100 VE.Can
Plus k tomu vhodné pole FV panelů.
Druhá sada
5 kusů LP16-24100, 25,6V, 100Ah (2,56kWh) tj. celkem 500Ah (12,8kWh)
k tomu nabíječka Victron SmartSolar MPPT 24V, 250/100 VE.Can
Plus k tomu vhodné pole FV panelů.
Naposledy upravil(a) Valdano dne úte srp 06, 2024 2:01 pm, celkem upraveno 1 x.
-
- Moderátor
- Příspěvky: 6234
- Registrován: pon srp 16, 2021 9:31 pm
- Reputace: 846
- Lokalita: blízko Brna
- Systémové napětí: 24V
- Výkon panelů [Wp]: 13+ kWp
- Kapacita baterie [kWh]: 40+15
- Chci prodávat energii: NE
- Chci/Mám dotaci: NE
- Bydliště: blízko Brna
Re: Seriové zapojení 2x24V baterie MUST 100Ah v kombinaci s Victronem
Proc zrovna 9.9 kWp? Aby to byla dle norem instalace maleho rozsahu? Pak je tam limit jeste jeden, akumulator do 20 kWh.
Asi by to chtelo napsat, k cemu to vsemu ma slouzit. Tj. zakladni veci, aby se dalo vubec neco "vyprojektovat". Prvni dotaz byl na uplne jine veci, kdyz se ted najednou bavime o 3f.
Bez dalsich informaci nema smysl vymyslet, otazka byla.zodpovezena hned nahore, z 48V baterky stepdown menic a hotovo.
Asi by to chtelo napsat, k cemu to vsemu ma slouzit. Tj. zakladni veci, aby se dalo vubec neco "vyprojektovat". Prvni dotaz byl na uplne jine veci, kdyz se ted najednou bavime o 3f.
Bez dalsich informaci nema smysl vymyslet, otazka byla.zodpovezena hned nahore, z 48V baterky stepdown menic a hotovo.
13,38 kWp: 9850 Wp Jih, 2040 Wp Východ, 1490 Wp Západ
Regulátory Epever a Victron
Phoenix 5 kVA + MP 24/5000 (můj byt + wifi/kamery/atd. + máti byt)
MP2 24/5000 vytěžování do akumulačních kamen
Epever 3kW vytěžování do bojlerů + žebříky
1 kW "nabíječka" 24 V
40 680 Wh staré olovo 15 258 Wh Li-Ion
záloha čerpadla ve sklepě MP12/3000/120-16 + 100Ah 12V monbat
Modře píši jako moderátor, černě jako člen.
Regulátory Epever a Victron
Phoenix 5 kVA + MP 24/5000 (můj byt + wifi/kamery/atd. + máti byt)
MP2 24/5000 vytěžování do akumulačních kamen
Epever 3kW vytěžování do bojlerů + žebříky
1 kW "nabíječka" 24 V
40 680 Wh staré olovo 15 258 Wh Li-Ion
záloha čerpadla ve sklepě MP12/3000/120-16 + 100Ah 12V monbat
Modře píši jako moderátor, černě jako člen.
-
- Příspěvky: 8
- Registrován: úte srp 06, 2024 10:54 am
- Reputace: 0
- Lokalita: Děčín
- Chci/Mám dotaci: ANO
Re: Seriové zapojení 2x24V baterie MUST 100Ah v kombinaci s Victronem
No k tomuto jsem se ani dostat nechtěl. K tomu mě dovedli odpovědi. Jak píšeš. Odpověď jsem dostal hned na začátku.cipis píše: úte srp 06, 2024 1:56 pmProc zrovna 9.9 kWp? Aby to byla dle norem instalace maleho rozsahu? Pak je tam limit jeste jeden, akumulator do 20 kWh.
Asi by to chtelo napsat, k cemu to vsemu ma slouzit. Tj. zakladni veci, aby se dalo vubec neco "vyprojektovat". Prvni dotaz byl na uplne jine veci, kdyz se ted najednou bavime o 3f.
Bez dalsich informaci nema smysl vymyslet, otazka byla.zodpovezena hned nahore, z 48V baterky stepdown menic a hotovo.
Ale pokud by to nevadilo tak tedy napíšu celkovou myšlenku. Zde mám momentální cenovky jednotlivách komponent. mám tam více možností. Proto je tam Solax i Victron. Panely také jen jeden typ. MPPT by bylo buď 485/200 nebo jednotlivě ty 250.
Zatím je to jen návrh. Snad rozumný. Jen jsem si nebyl jistý s tou baterii. bylo by to pro mě lehčí. Ale Step down asi bude nejlepší řešení.
3f bych chtěl z důvodu elektrické brány která je na 400V, dál míchačka. A nakonec Zdroj pro osvětlení a PLC je taky na 400v ale ten by asi zmizel v případě napájení z baterek. případně by se použil jen jako záloha ze sítě když budou baterie prázdné.
Upřímě ale ještě nejsem přesvědčen zda fungovat i s přebytky nebo ne.
Baterie si představuji kolem 12 až 15 kWh, výkon panelů cca 9,9kWp z důvodu dotací, nemusí být přesně.
Jo a jinak zatím topím plynem v kombinaci s uhlíkovými foliemi v podlaze. A od jara do podzima jede Výřivka na zahradě. Jinak menší dům, jsem s ženou a 3 dětma. Aby byla představa o spotřebě.
Naposledy upravil(a) MarkStone dne úte srp 06, 2024 2:21 pm, celkem upraveno 1 x.
-
- Moderátor
- Příspěvky: 6234
- Registrován: pon srp 16, 2021 9:31 pm
- Reputace: 846
- Lokalita: blízko Brna
- Systémové napětí: 24V
- Výkon panelů [Wp]: 13+ kWp
- Kapacita baterie [kWh]: 40+15
- Chci prodávat energii: NE
- Chci/Mám dotaci: NE
- Bydliště: blízko Brna
Re: Seriové zapojení 2x24V baterie MUST 100Ah v kombinaci s Victronem
Ja si to myslel, ze to bude s dotaci ... Tos to mas smulu, to se tu nedebatuje.
Jen posledni poznamka, brana ti nejezdi 24 hodin, takze staci zmenit motor nebo dat frekvencak. Anebo nechat na DS. A michacku rozhodne neprovozujes nonstop, abys kvuli tomu mel 3f. Staci take ponechat na DS, to takova spotreba neni, aby to za to stalo.
Jen posledni poznamka, brana ti nejezdi 24 hodin, takze staci zmenit motor nebo dat frekvencak. Anebo nechat na DS. A michacku rozhodne neprovozujes nonstop, abys kvuli tomu mel 3f. Staci take ponechat na DS, to takova spotreba neni, aby to za to stalo.
13,38 kWp: 9850 Wp Jih, 2040 Wp Východ, 1490 Wp Západ
Regulátory Epever a Victron
Phoenix 5 kVA + MP 24/5000 (můj byt + wifi/kamery/atd. + máti byt)
MP2 24/5000 vytěžování do akumulačních kamen
Epever 3kW vytěžování do bojlerů + žebříky
1 kW "nabíječka" 24 V
40 680 Wh staré olovo 15 258 Wh Li-Ion
záloha čerpadla ve sklepě MP12/3000/120-16 + 100Ah 12V monbat
Modře píši jako moderátor, černě jako člen.
Regulátory Epever a Victron
Phoenix 5 kVA + MP 24/5000 (můj byt + wifi/kamery/atd. + máti byt)
MP2 24/5000 vytěžování do akumulačních kamen
Epever 3kW vytěžování do bojlerů + žebříky
1 kW "nabíječka" 24 V
40 680 Wh staré olovo 15 258 Wh Li-Ion
záloha čerpadla ve sklepě MP12/3000/120-16 + 100Ah 12V monbat
Modře píši jako moderátor, černě jako člen.
-
- Příspěvky: 1398
- Registrován: čtv črc 21, 2022 5:39 pm
- Reputace: 209
- Lokalita: Česká Lípa
- Chci prodávat energii: NE
- Chci/Mám dotaci: NE
Re: Seriové zapojení 2x24V baterie MUST 100Ah v kombinaci s Victronem
Bateriové moduly MUST nepodporují připojení do série kvůli BMS. Takže pokud chce zapojit více kusů těch bateriových modulů MUST k sobě (pro nabíjení i odběr) tak je musí tak jako tak zapojit paralelně.
Takže buď již zmíněná kombinace
5 kusů paralelně LP16-24100, 25,6V, 100Ah (2,56kWh) tj. celkem 500Ah (12,8kWh)
k tomu nabíječka Victron SmartSolar MPPT 24V, 250/100 VE.Can
Plus k tomu vhodné pole FV panelů.
Stepdown měnič pro spotřebiče nebude v tomto případě potřeba.
a nebo
3 kusy paralelně LP16-48100, 51.2V, 100Ah (5,12kWh) tj. celkem 500Ah (15,36kWh)
k tomu nabíječka Victron SmartSolar MPPT 24V, 250/100 VE.Can
Plus k tomu vhodné pole FV panelů.
Plus k tomu stepdown DC/DC měnič ze 48V na 24V pro spotřebiče.
Takže buď již zmíněná kombinace
5 kusů paralelně LP16-24100, 25,6V, 100Ah (2,56kWh) tj. celkem 500Ah (12,8kWh)
k tomu nabíječka Victron SmartSolar MPPT 24V, 250/100 VE.Can
Plus k tomu vhodné pole FV panelů.
Stepdown měnič pro spotřebiče nebude v tomto případě potřeba.
a nebo
3 kusy paralelně LP16-48100, 51.2V, 100Ah (5,12kWh) tj. celkem 500Ah (15,36kWh)
k tomu nabíječka Victron SmartSolar MPPT 24V, 250/100 VE.Can
Plus k tomu vhodné pole FV panelů.
Plus k tomu stepdown DC/DC měnič ze 48V na 24V pro spotřebiče.
-
- Příspěvky: 8
- Registrován: úte srp 06, 2024 10:54 am
- Reputace: 0
- Lokalita: Děčín
- Chci/Mám dotaci: ANO
Re: Seriové zapojení 2x24V baterie MUST 100Ah v kombinaci s Victronem
Aha ok tak to se omlouvám, takže pokud chci využít dotace tak nesmím řešit ani celkovou FVE jako takovou?cipis píše: úte srp 06, 2024 2:19 pmJa si to myslel, ze to bude s dotaci ... Tos to mas smulu, to se tu nedebatuje.
Jen posledni poznamka, brana ti nejezdi 24 hodin, takze staci zmenit motor nebo dat frekvencak. Anebo nechat na DS. A michacku rozhodne neprovozujes nonstop, abys kvuli tomu mel 3f. Staci take ponechat na DS, to takova spotreba neni, aby to za to stalo.
Jinak ještě jedna otázka. Dejme tomu že využiju 1f systém. Rozvaděč si stejně budu upravovat, respektive předělávat. Každopádně výkon budu mít na 1f, ale když budu mít málo a budu potřebovat síť? Pak bych vytěžoval jen jednu fázi. To mi nedává smysl. Možná jsem teď jen přepracovanej, ale nějak si to neumím vybavit.
-
- Příspěvky: 8
- Registrován: úte srp 06, 2024 10:54 am
- Reputace: 0
- Lokalita: Děčín
- Chci/Mám dotaci: ANO
Re: Seriové zapojení 2x24V baterie MUST 100Ah v kombinaci s Victronem
Jinak děkuji všem za reakce. Využiju step down.
-
- Příspěvky: 1454
- Registrován: ned led 01, 2023 6:17 pm
- Reputace: 295
- Lokalita: Východně od 3nce
- Systémové napětí: 48V
- Výkon panelů [Wp]: 16kWp
- Kapacita baterie [kWh]: 44kWh
- Chci prodávat energii: NE
- Chci/Mám dotaci: NE
Re: Seriové zapojení 2x24V baterie MUST 100Ah v kombinaci s Victronem
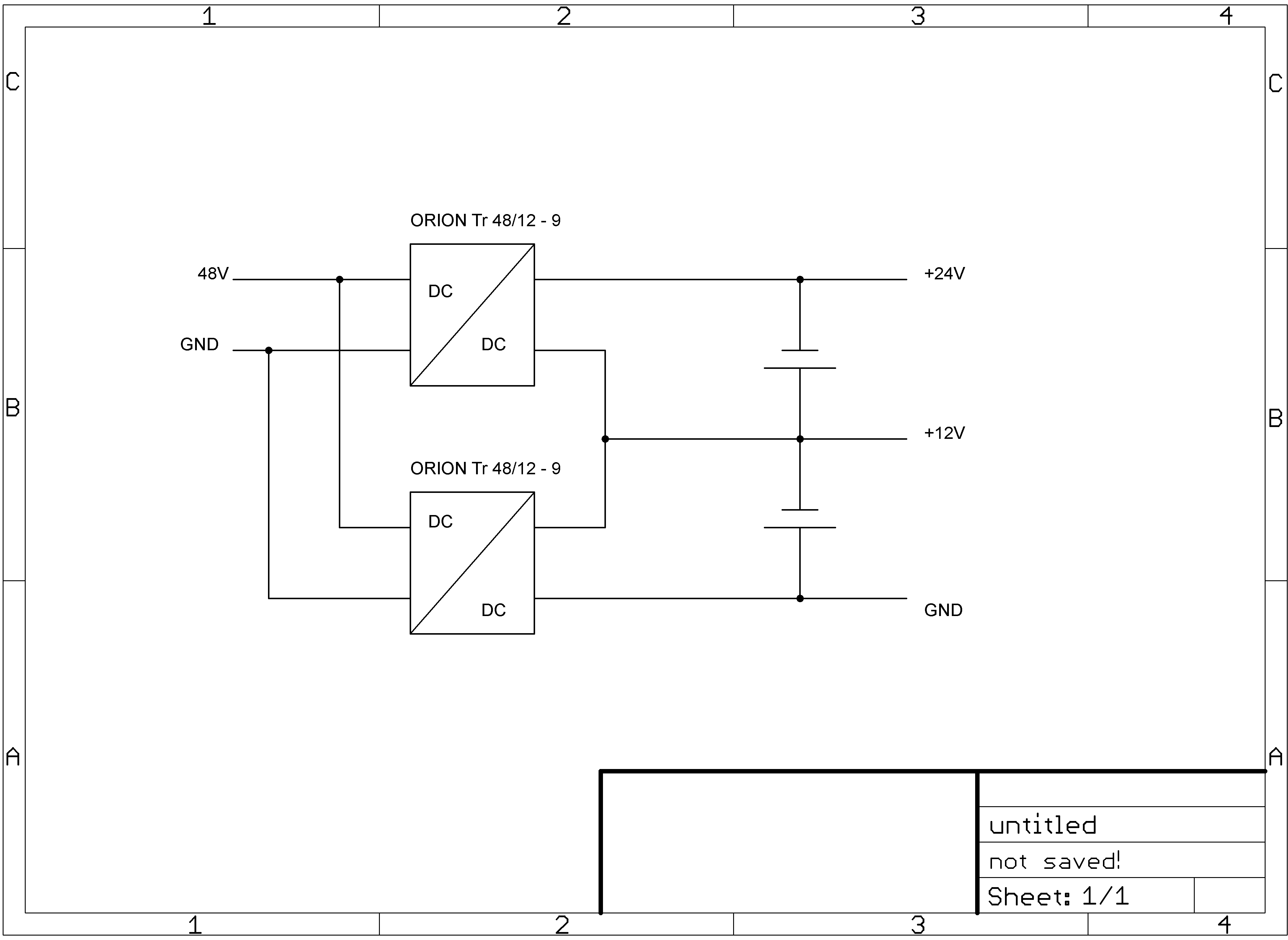
Pro ovládání stávajících zařízení provozuju systém 2x12V sériově, ale mám tam staré Pb gelovky z UPS a na zimu přidávám akumulátor ze zahradního traktoru, kvůli udržování. Napětí dodávají 2 izolované Oriony 48/12V, 9A, nastavené na 13,2V. Napájím zařízení 12 i 24V.
9,2kWp JV 45°, 4,6kWp JZ 45°, 2,3kWp JV 90°, 2 x Victron MP II 5kVA, 3 x SmartSolar 150/70, Smartshunt, Cerbo, 16x280Ah + 16X300Ah + 16x300Ah LiFePO4 + 3xJK BMS.
K levné elektřině se dostaneme jen vytrvalou prací a svým kapitálem. Vladimír List, Elektrisace Československa 1934
K levné elektřině se dostaneme jen vytrvalou prací a svým kapitálem. Vladimír List, Elektrisace Československa 1934
Kdo je online
Uživatelé prohlížející si toto fórum: Bing [Bot], Claudebot [Bot], Seznam [Bot] a 0 hostů